坝型选择的工程地质条件
坝的类型很多,如有土石坝、重力坝、拱坝、支墩坝等。不同类型坝的工作条件不同,因而对地基工程地质条件的要求也不同。在实际工作中,应根据选定坝址的具体工程地质条件,选择与之相适应的坝型。
1.土石坝对工程地质条件的要求
土石坝是土坝(图5-32)和堆石坝(图5-33)的总称。这类坝主要是由各种土料和石料堆筑而成的,坝体断面较宽,呈梯形,对地基的压应力较小,加上坝体是柔性的,能适应地基一定程度的变形,故对地质条件要求较低。各类松散层地基除高压缩性土(如淤泥质土、软粘土等)外,均可修建土坝。堆石坝对地基要求比土坝要高些,在中等风化和微风化的岩基或受荷载作用下无明显沉降的砂砾层上均可建堆石坝。土石坝适合于U 型宽谷,由于坝顶不能溢流,需选择合适的地形地质条件设置溢洪道或泄洪洞。此外,这种坝型需要土石方量大,要求坝址附近有能满足工程需要的天然建材。

图5-32 粘土心墙坝

图5-33 斜墙堆石坝
1—沥青混凝土斜墙;2—碎石垫层;3—堆石
土石坝存在的主要工程地质问题是地下潜蚀、管涌和渗漏问题。因此,地基最好是由不透水岩层组成,否则,应进行防渗处理,如设置防渗墙、粘土铺盖或帷幕灌浆等。
2.重力坝对工程地质条件的要求
重力坝常用混凝土或浆砌石筑成,它的基本剖面呈三角形,如图5-34 为长江三峡混凝土重力坝溢流坝段剖面图。重力坝主要依靠坝体自身重量来维持稳定,坝体越重越有利于稳定。因此它对地基地质条件要求较高,即坝基岩体要有足够的抗压强度(表5-13),以承受由坝体传来的巨大荷载;要有足够的抗剪强度,以防止滑动破坏;要有良好的隔水性能,防止坝下渗流产生过大的渗透压力。一般选择新鲜或微风化的坚硬岩体作为重力坝的坝基,要尽量避开不利于稳定的各种软弱结构面。两岸山坡岩体稳定,无滑坡、崩坍、冲沟等不良地质现象。重力坝适合于宽而浅的河谷,坝址下游河床抗冲能力要强,以防止坝顶溢流时水流的冲蚀。由于大坝施工所需混凝土数量较大,坝址附近应有合适的砂砾石或碎石等混凝土骨料。
表5-13 重力坝对岩石饱和抗压强度的要求
(https://www.daowen.com)
3.拱坝对工程地质条件的要求

图5-34 长江三峡混凝土重力坝
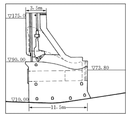
拱坝是一种平面上呈拱形凸向上游的坝型。坝体承受的水压力主要通过拱的作用传递给两岸岩体,依靠两岸拱端的反作用力来维持坝体的平衡稳定,只有一部分水压力通过梁的作用传给地基。拱的作用越显著,坝的厚度可越小,所以,拱坝是一个超静定空间壳体结构,其超载能力大。它对坝基和两岸坝肩岩体的变形极为敏感,故拱坝对地形地质条件要求更高,特别是两岸岩体的稳定至关重要。理想的地形条件是两岸对称,岸坡平顺无突变,河谷在平面上呈向下游收缩的V型峡谷。在地质上要求河床及其两岸的岩体新鲜完整、坚硬均一,有足够的强度,拱端有较厚的稳定岩体,不允许发生有害的变形。要特别重视两岸坝肩发育的与河流大致平行的陡倾断层、裂隙等软弱结构面,以及与其他缓倾角软弱结构面的组合,它们往往构成坝肩最危险的滑动边界条件。例法国的马尔帕塞拱坝(图5-35),就是因为左岸片麻岩中存在致命的细微裂隙,拱座首先发生滑动(向左岸偏下游方向移动了约210cm),而导致拱坝破裂突然溃决。

图5-35 法国马尔帕塞拱坝
(a)马尔帕塞坝位移情况剖面图;(b)马尔帕塞坝左坝头附近断面图
4.支墩坝对工程地质条件的要求
支墩坝是由混凝土支墩和混凝土面板所构成(图5-36),它包括平板坝、连拱坝、大头坝等。平板坝、大头坝主要依靠支墩保持稳定,连拱坝的稳定是靠支墩与两岸岩体共同维持。与重力坝依赖自身重量抵抗库水所施加的滑动力和倾覆力不同,支墩坝则由于发挥了地基的侧向分力以抵抗库水的静水推力而降低了混凝土的总重量,故对地基要求相对低一些。但支墩与地基接触面积小,仍然需要修筑在坚硬均一的岩石上,如果岩石太软,支墩可能深入地基中并引起地基隆起,同时,还要防止相邻支墩之间产生过大的不均匀沉陷,而导致坝体裂缝破坏。支墩坝适合于宽而浅的河谷。

图5-36 非溢流式支墩坝的类型
(a)、(d)平板坝;(b)连拱坝;(c)大头坝;
1—齿墙;2—岩石;3—支墩;4—加劲梁;5—拱型挡水面板;6—平面挡水面板;7—基础板;8—排水孔