填空题(共44分)

二、填空题(共44分)

21.(4分)元素周期表将已知元素科学有序地排列起来,便于我们研究它们的性质和用途。据表回答问题:

第21题图

(1)写出由表格中③④两种元素组成的化合物的化学式:_______________。

(2)在①②③④四种元素中,化学性质相似的是________。(填序号)

(3)有种单质,每个分子均由60个①元素原子构成,该物质的化学式为________________。

(4)2017年5月9日,中国科学院、国家语言文字工作委员会、全国科学技术名词审定委员会正式向社会发布113号、115号、117号、118号元素的中文名称。其中113号元素的部分信息如图,则该元素为________(填“金属”或“非金属”)元素。

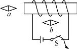
22.(4分)如图为电磁铁通电后周围小磁针自由静止时的示意图。则小磁针a的右端为________极,小磁针b的右端为________极。

第22题图

23.(4分)用电热壶烧开水既方便又卫生,因此被广泛使用。某电热壶的结构如图甲所示。当电热壶接入家庭电路正常工作时,图中的a端应与________相连,c端应与________相连(以上均填“地线”“零线”或“火线”)。用测电笔检测b端时,测电笔的氖管________(填“会”或“不会”)发光。图乙、丙所示的两种测电笔握法,正确的是________。

第23题图

24.(6分)如图是植物马铃薯的部分生理活动示意图,按要求填写:

第24题图

(1)若a表示二氧化碳,b表示氧气,则此过程表示马铃薯的_________作用。

(2)由图可知,d物质在马铃薯的茎中是由________运输的。

(3)马铃薯叶片表皮上分布有气孔,它的开闭是由两个半月形的________控制的。可以通过气孔进入叶片并能被植物利用的气体有________。

(4)马铃薯栽种过程中,需要合理施肥。建议施用________(填“农家肥”或“化肥”),以提供植株生长所需的________(填“无机盐”或“有机物”),并在提高产量的同时避免对环境的破坏。

25.(6分)

第25题图

(1)小金将新鲜的萝卜块放在盐水中,发现它是漂浮的,浸泡一段时间后,原来漂浮的萝卜块又沉在了水底。则萝卜块放入盐水中后,其中的细胞________(填“失水”或“吸水”),萝卜块受到的浮力________(填“增大”或“减小”)。

(2)由袁隆平院士领衔的青岛“海水稻”研究发展中心试种的耐盐碱水稻(俗称“海水稻”),在2017年就取得了在灌溉用水盐度达6‰的情况下,最高亩产超600公斤的好成绩,近年来不断取得突破。“海水稻”在海边滩涂正常生长,可推测它的细胞液浓度________(填“大于”“小于”或“等于”)盐碱地土壤溶液浓度。

26.(4分)乙炔气体燃烧会放出大量热量,乙炔在烧焊金属时有重要作用。乙炔燃烧的反应过程如图所示:

第26题图

实验室检验物质乙的方法是_____________________。反应中甲、乙两种物质分子个数比是________。

27.(4分)某有机物CaHb的一个分子实际质量是m 千克,其中的碳原子均为碳-12原子。已知碳-12原子实际质量是n千克,则该有机物的相对分子质量是________。若H 原子全为质量数相同的原子,则一个H 原子的实际质量是________千克。

28.(6分)依据下图进行实验(夹持仪器略去)。实验过程:①通入CO2,点燃酒精灯,较长时间内,a、b中均无明显现象;②熄灭酒精灯,立即改通O2,a中无明显现象,b中红磷燃烧。

第28题图

(1)实验中需要CO2,实验室制取CO2的化学方程式为____________________________________。

(2)实验过程②中,对照a、b中的实验现象,可知可燃物燃烧的条件之一是___________________。

(3)实验过程中,能说明可燃物燃烧需要氧气的证据是观察到b中____________________________。

29.(6分)如图所示实验,可以用来证明植物的呼吸过程中会产生CO2。其中A 装置中的NaOH 溶液能除去空气中的CO2,B、D中均为澄清石灰水。请回答下列问题。

第29题图

(1)B瓶中石灰水的作用是___________________________________________________________。

(2)C瓶要用不透光的袋子罩住是为了__________________________________________________。

(3)观察到_________________________________的现象,证明植物的呼吸作用会产生CO2