一、井管埋深计算
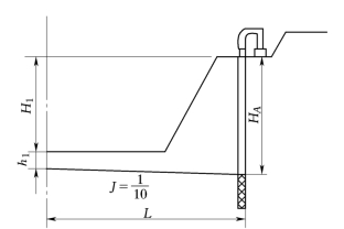
轻型井点的降水深度,在考虑抽水设备的水头损失以后,一般为3~6m。在布置井点管时,应参考井点管的标准长度及井点管露出地面的高度(约0.2~0.3m),而且滤水管必须埋在含水层内(图9-9)。

图9-9 轻型井点管埋深布置
井点管的埋深HA(不包括滤水管)可按下式计算

式中 H——井点管埋设面至基坑底面的距离,m;
h——基坑底面至降低后的地下水位的距离,一般取0.5~1.0m;
J——水力梯度,单排井点取1/4,环形井点取1/10;
L——井点管中心距基坑中心的水平距离(单排井点为至基坑另一边的距离),m。
用上式计算的HA值大于6m时,可降低井点管的埋设面(即降低集水总管的高度),以适应降水深度的要求和提高降水效果。