三、抗滑稳定问题
拦河大坝与其他工程建筑物最大的不同点在于它承受着巨大的水压力。在此力和其他工程力的作用下,常引起坝基岩体滑动破坏。抗滑稳定问题是混凝土坝最重要的工程地质问题。
(一)坝基滑动破坏的形式
表5-1 岩基容许承载力fk(kPa)

注1.对于微风化的硬质岩石,其承载力如取用大于4000kPa时,应由试验确定;
2.对于强风化的岩石,当与残积土难以区分时按残积土考虑。
混凝土坝的滑动破坏,往往发生在坝体与基岩接触面附近或坝下基岩内部,常见的破坏形式可分为表层滑动、浅层滑动和深层滑动三种类型(图5-6)。

图5-6 坝基滑动破坏的形式
(a)表层滑动;(b)浅层滑动;(c)深层滑动
(1)表层滑动指坝体混凝土底面与基岩接触面发生滑动,如图5-6(a),滑动面大致是平面。当基础处理欠佳,施工质量差,坝体与开挖的地基面粘结不牢时,易出现这种破坏形式。
(2)浅层滑动指发生在坝基岩体浅层部位的滑动,如图5-6(b),滑动面往往参差不齐。它发生在坝基浅部风化破碎层清除不彻底或浅部岩体内存在软弱夹层等情况下。
(3)深层滑动指发生在坝基岩体较深部位的滑动,如图5-6(c)。主要是沿软弱结构面发生滑动,局部地方也可发生剪切破坏。深层滑动是高坝需要研究的主要工程地质问题。
(二)坝基岩体深层滑动边界条件的分析
坝基岩体的深层滑动,一般是在四周被结构面切割,形成分离体,且有滑动面和可供滑出的自由空间的条件下才能形成(图5-7)。可见,坝基岩体的滑动边界条件应包括切割面、滑动面和临空面。

图5-7 坝基岩体滑动边界条件示意图
(1)切割面是指将岩体割裂开来,形成分离体的结构面,其上一般法向力很小或没有。通常由较陡的结构面构成。它可分为平行滑动方向的纵向切割面(图5-7 中的ADE面和BCF面)和垂直滑移方向的横向切割面(图5-7 中的ABFE面)。
(2)滑动面是指分离体沿之滑动,并产生较大摩擦阻力的结构面(图5-7 中的ABCD面),常由缓倾角(<25°~30°)软弱结构面构成。滑动面可以是单一的,也可以是由两组或三组结构面组合而成。坝基岩体的抗滑能力,主要取决于滑动面的工程地质特性。
(3)临空面是指滑动岩体与变形空间相邻的面。变形空间一般是指岩体可向之滑动,而不受阻碍或阻力很小的自由空间。它可分为水平临空面和陡立临空面。水平临空面有坝趾下游的河床地面(图5-7 中的CDE面);陡立临空面一般与河流方向垂直,如河道中的深潭、深槽、冲刷坑等。另外,在滑动体的下方,有与滑移方向近于正交的断层破碎带、裂隙密集带、较厚的软弱夹层、潜伏溶蚀带等存在,因受力时可能发生较大的压缩变化,所以也能起到临空面的作用。如湖南双牌水电站,为双支墩大头坝,坝高58m。坝基为泥盆系砂岩和板岩互层,倾向下游偏左岩,倾角7°~20°,且有断层切割。顺层面分布有5 个软弱夹层,其摩擦系数仅为0.42~0.48。大坝于1961 年建成蓄水,右岸坝溢流,至1970 年在坝址下游86~90m 处形成一深达18~20m 的冲刷坑(图5-8),软弱夹层被冲刷出露,局部被掏空。这样坝基(6~7 号支墩)岩体就存在着以顺河断层F101、F102为纵向切割面,以软弱夹层为滑动面,向下游冲刷坑和F74断层发出滑动的危险。70 年代末采取固结灌浆、帷幕灌浆和抗力体预应力锚固等措施后,才保证了大坝的安全,抗滑稳定安全系数由原来的小于1 提高为1.19。

图5-8 河床冲刷坑对坝基(肩)稳定的影响(湖南双牌工程6~7 号支墩地质纵剖面)
1—软弱夹层编号;2—断层;3—夹层面无夹泥;4—夹层面有夹泥;5—计算求出的滑移面
坝基岩体在切割面、滑动面和临空面的分割包围下,可形成各种形状的滑动体,常见的有楔形体、锥状体、棱柱体、方块体和板状体等(图5-9)。
对坝基岩体滑动边界条件和滑动体类型的分析,实质上就是对坝基岩体抗滑稳定性的定性评价。这是进行力学分析计算及定量评价的基础。经过定性分析,若坝基岩体内切割面、滑动面和临空面同时存在,可认为滑动边界条件具备,坝基岩体可能发生滑动;若三种面缺一,则可认为滑动边界条件不具备,坝基岩体是稳定的。
(三)坝基岩体抗滑稳定性计算
坝基岩体滑动边界条件具备以后,还需选择确定滑动面的抗剪强度指标(如摩擦系数f和粘聚力C),分析滑动体的受力条件,进行抗滑稳定性计算。通常采用极限平衡原理,按平面问题,将作用在坝基岩体上的各种力投影到同一可能的滑动面上,并按其性质区分为滑动力和与抗滑力两部分,抗滑力与滑动力的比值称为抗滑稳定安全系数,即
![]()
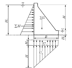
1.表层滑动稳定性计算
当可能滑动面即坝体底面与基岩接触面为水平面或近似水平面时(图5-10),作用在此面上的力主要有坝体自重、库水压力和渗流扬压力等。可用下列公式计算抗滑稳定安全系数:

图5-9 坝基下滑动体的形态
1—楔形体;2—锥状体;3—棱柱体;4—板状体(https://www.daowen.com)
![]()
![]()
式中KC、K′C——抗滑稳定安全系数,KC忽略了滑动面上的粘聚力(C=0),K′C则考虑了滑动面上的粘聚力(C≠0);

图5-10 表层滑动稳定性计算示意图
ΣG——作用在滑动面上的各种垂直力的总和,kN;
ΣH——作用在滑动面上的各种水平力的总和,kN;
U——作用在滑动面上扬压力(包括浮托力U1 和渗透压力U2),kPa;
f、f′——坝体混凝土与基岩接触面之间的摩擦系数,f是由抗剪强度试验得出,f′则是由抗剪断试验得出的;
C——坝体混凝土与基岩接触面上的粘聚力,kPa;
A——滑动面的面积,
。
上面二式的共同点是,分子为坝基抗滑力,分母为滑动力;所不同的是,式(5-4)只考虑了摩擦力,而没有考虑粘聚力,而式(5-5)既考虑了摩擦力,又考虑了粘聚力。因此得出了两个不同的抗滑稳定安全系数KC与K′C。当计算的KC或K′C<1 时,表示坝基岩体不稳定;当KC或K′C>1 时,则表示坝基岩体是稳定的。但工程设计中要求有一定的安全系数或稳定储备,对不同荷载组合与不同等级规模的建筑物来说,此值要求不同。一般规定是KC≥1.05~1.10 或K′C=2~3,才说明坝基岩体是稳定的。
2.浅层滑动稳定性计算
浅层滑动的滑动面往往分布于坝体底面与岩体接触面以下不深的风化层或软弱夹层中,故可将其简化为一水平面,用式(5-4)或式(5-5)计算。但应注意的是,计算时采用的抗剪强度指标,应为坝基浅部风化层或软弱夹层的f、C值,而不能采用混凝土与基岩间的抗剪强度指标。
3.深层滑动稳定性计算
深层滑动边界条件复杂,受结构面组合形式的控制,滑动面的产状多为倾斜面。计算时,应将各垂直力和水平力换算为垂直于滑动面的法向力和平行于滑动面的下滑力。下面以楔形滑动体为例,不考虑侧向切割面的阻滑作用,取垂直于坝轴线方向的单宽剖面来计算。
(1)滑动面倾向上游时,如图5-11 (a):
![]()
(2)滑动面倾向下游时,如图5-11 (b):
![]()
式中G——计算剖面范围内各种垂直力之和(主要是坝体和滑动体重量),kN;
H——计算剖面范围内各种水平力之和(主要是库水的水平推力、泥沙侧压力、地震惯性力等),kN;

图5-11 坝基深层滑动性稳定计算示意图
(a)单斜滑动面倾向上游;(b)单斜滑动面倾向下游
L——滑动面长度,m;
a——滑动面倾角,°;
其他符号意义同前。
比较式(5-6)和式(5-7)不难看出,滑动面倾向下游比滑动面倾向上游的稳定性差(注意Hsina及Gsina在分子、分母中的正负号)。
在坝基岩体抗滑稳定计算中,抗剪强度指标(f、C)是极重要的数据。若计算中选用的f、C值比实际值偏小,因未能充分利用岩体自身的强度会造成工程的浪费;反之,选用的值偏大,将会给大坝的稳定程度造成假象,从而可能带来严重后果。因此,对大型水利工程必须通过室内与现场试验来求得抗剪强度指标f、C值;对无条件进行抗剪强度试验的中、小型水利工程,可参考经验数据(表5-2)来确定。
表5-2 混凝土坝基岩体摩擦系数(f)经验数据表
