坝基处理与加固措施
通常改善坝基岩体稳定和渗漏条件的工程措施有清基、加固、防渗和排水等。
(一)清基
清基就是将坝基表层风化破碎的岩石、软弱土层或浅部的软弱夹层等清除掉,使坝体放在比较新鲜完整的岩体或较密实的松散层上。不同类型的坝及坝高对地基的要求不完全相同。如混凝土高坝(坝高>70m),一般要求开挖到新鲜坚硬岩体或微风化带;中坝(30~70m)要清到微风化或弱风化带的底部;低坝(<30m)可适当放宽。如果基岩是坚硬的,只是因为裂隙切割使其力学强度降低,为避免清基过深,可以考虑采取其他加固措施(如固结灌浆)。为了提高抗滑能力,清基时应使基岩表面略有不平如呈锯齿状,并造成一定的反坡。
(二)加固
提高坝基岩体局部或整体强度的加固措施有固结灌浆、锚固、混凝土塞(拱、键)等。
(1)固结灌浆是通过在坝基打钻孔,将适宜的浆液(水泥浆、粘土浆或化学浆等)压入到基岩的裂隙和孔洞中,使破碎岩体胶结成整体,洞穴被堵塞,以增强基岩的强度。灌浆孔一般呈梅花形布置,孔距1.5~3.0m,孔深8~15m,特殊情况下可进行深孔固结灌浆。
(2)锚固是打钻孔穿过软弱结构面,深入到完整岩体中一定深度,插入预应力锚杆(钢筋或钢索),回填水泥砂浆封闭,使岩体受一法向应力,上下连在一起。在条件允许时,也可采用大口径管柱(直径可达1m左右)进行锚固,以大大提高软弱结构面的抗滑能力。
(3)混凝土塞(拱、键) 对近地表宽度(或厚度)较大的陡倾断层破碎带与软弱夹层,可在其中挖出一定深度的倒梯形槽子,然后回填混凝土,在剖面上形似塞子,如图5-12(a)。也有的做成拱形,如图5-12(b),可减少混凝土的用量,拱可将荷载传递到两侧比较完整的岩体上。混凝土塞的厚度即开挖深度(d),可根据破碎带宽度(b)而定,当破碎带宽度较小(b为0.1~2.0m)时,d=(1.5~20)b,但不得小于0.5m。混凝土支承面一般开挖成1∶0.5~1∶1 的斜坡。对缓倾角的断层破碎带或较弱夹层,可采用挖硐的办法,按一定间距沿断层或夹层走向打平硐,硐的顶和底部切入坚硬岩层中,然后回填混凝土,形成混凝土键,又叫混凝土水平塞,如图5-12(c)。

图5-12 混凝土塞、拱和键剖面图(https://www.daowen.com)
(a)混凝土塞;(b)混凝土拱;(c)混凝土键
(三)防渗和排水
坝基防渗处理的主要目的在于消除渗漏或控制渗流量;防止因渗漏而导致坝基岩体力学性质恶化;防止渗透变形,减小扬压力。一般坝基岩体裂隙发育时常用下面的防渗措施:
(1)帷幕灌浆是在坝的迎水面附近打钻孔,将配制的胶凝防渗材料浆液,以适当的压力灌入岩体的裂隙中,经凝固或胶结后形成隔水屏幕,称帷幕灌浆。灌浆孔距一般2~3m,设1~3 排,排距1~2m。
帷幕的深度和长度,视坝基隔水层的分布和埋深而定。当隔水层埋深不大时,应尽量加以利用,使帷幕插入其中,以构成封闭式帷幕;当隔水层埋藏很深时,则作悬挂式帷幕。这时帷幕的深度可以根据对帷幕消减水头值的要求用公式计算,或根据坝高、作用水头和地质条件,结合工程开发的效益目标用经验方法来确定。如可根据一定坝高要求的透水率q 来设置帷幕:高坝要求q>1Lu;中坝q=1~3Lu;低坝q=3~5Lu。可见透水率q>1 或5Lu 是设置防渗帷幕的一个重要判断指标,但不能视为唯一设置的指标。有时坝基的透水性很弱,但为降低坝底的扬压力或渗透变形,也须设置帷幕;而有的工程,对控制坝基渗漏量和扬压力的要求不高,仅对q>10Lu的地段设置帷幕。
(2)排水孔是在坝的迎水面附近打钻孔,通过抽水排泄渗到坝基岩体中的地下水,以降低渗透压力。
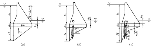
坝基岩体新鲜、裂隙不发育时,可以不设帷幕,以排水为主,设置排水孔;裂隙发育时,可以同时设置防渗帷幕和排水孔。为了有效降低扬压力,排水孔应设置在帷幕偏下游一侧,如图5-13 所示。一般帷幕灌浆渗透压力折减系数α1 为0.4~0.5,排水孔渗透压力折减系数α2 为0.2~0.3。也就是说,经采取帷幕灌浆和排水措施后可将渗透压力减少约80%。

图5-13 坝基采取帷幕和排水措施后扬压力分布图
(a)无阻水及排水设施;(b)有阻水帷幕;(c)有阻水帷幕和排水设施H—作用水头(H=h1-h2);u1—浮托力;u2—渗透压力