解答题(本题有4小题,第25题5分,第26题5分,第27题7分,第28题7分,共24分)

四、解答题(本题有4小题,第25题5分,第26题5分,第27题7分,第28题7分,共24分)

25.兴趣小组利用图甲白磷燃烧装置探究质量守恒定律,利用红外测温仪测量瓶内温度T0,注射器记录气体体积V0,电子天平测量装置质量m0,将相关数据随时间的变化情况绘制成图乙。

第25题图

(1)若实验中加入的白磷质量较小,则该实验________(填“能”或“不能”)验证化学反应中质量守恒。

(2)实验中白磷和氧气发生反应,放出热量,温度升高,氧气体积分数减小,但t0-t1时刻气体体积却变大。请解释其体积变大的原因:__________________________________________________________________________________________________________________________________。

26.据温州新闻网报道,温瑞大道改造需移栽路边行道树,农林人员将树木“剃头”处理,树木移栽过程中在根部保留一定量的土壤(图甲)。干燥晴朗天气,选择傍晚进行移栽,同时适当浇水。在多雨天气时,移栽至黏土类土壤中的树木,农林人员会在根的边上插入多条布满小孔的特殊“管子”(图乙),每天农林护理人员利用抽水机抽取“管子”内的积水。请你结合科学知识,解释上述移栽树木中多种处理方法能提高成活率的原因。

第26题图

27.科学研究小组利用图甲装置探究某品牌钙片中碳酸钙的质量分数(钙片中其他物质不参与反应),钙片的部分参数如图乙。将10克该品牌钙片放入电子天平上的锥形瓶中,分3次加入等量的一定浓度的稀盐酸,每次待反应充分后记录天平的示数,数据如下表所示。反应化学方程式为:CaCO3+2HCl===CaCl2+H2O+CO2↑。

第27题图

(1)图乙中“每片含钙300mg”中的“钙”指的是________(填“钙元素”“钙金属”或“钙单质”)。

(2)请说明天平从第③次到第④次示数变化的原因:_______________________________________________________________________________________________________________________。

(3)选取合适的数据计算该钙片中碳酸钙的质量分数。

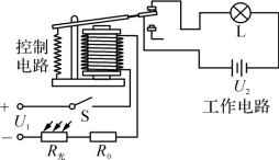
28.项目化学习小组设计的自动控制型路灯简化电路如图,其工作原理为:在白天光照较亮时,衔铁被电磁铁吸引,路灯L不发光;晚上光照较暗时,衔铁向上弹起,路灯L亮,实现自动控制。已知U1=9V,U2=220V,光敏电阻R的阻值会随光照强度变化发生改变,定值电阻R0阻值为1000Ω,控制电路中电流≥3毫安(1毫安=10-3安)时衔铁被电磁铁吸引。

第28题图

(1)为实现路灯的自动控制,光敏电阻R的阻值随光照强度增强应__________。

(2)请计算路灯L刚亮起时,光敏电阻R的阻值。

(3)为节约用电,路灯需在傍晚光照强度更弱时才亮起,下列措施符合要求的有________(可多选)。

A.减小U1电压

B.增加线圈匝数

C.增大电阻R0

D.减小衔铁和线圈距离

E.在工作电路串联一个电阻