基坑深井井点降水的稳定流计算举例
基坑降水时,常沿基坑周边布置较多的抽水井,形成干扰群。如果井出水量固定,则干扰井的水位降深大于非干扰井的水位降深,从而有效地达到排水疏干的目的。
浅基坑多在潜水层中开挖,土方施工时间较短,因此,降水不考虑时间过程,只求尽快地把地下水位降下去以求疏干含水层,达到形成稳定降落漏斗的目的。在这种情况下,常采用计算简单的稳定流公式计算即可满足要求。
计算公式应符合场地的水文地质条件,要求降低地下水位的深度和范围以及降水井的结构与类型(完整井与非完整井)可在有关手册中查得。
以下介绍计算实例。
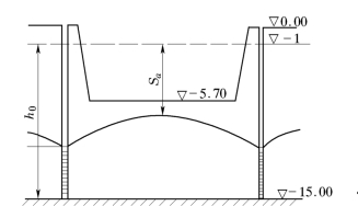
【例】 某处拟建大楼设地下室,基础面积46m×36m,埋深5.70m。基础埋在K=7.20m/d的细砂含水层中,施工前必须进行基坑降水,基坑降水水文地质剖面示意图如图9-13所示。试进行基坑降水设计计算。

图9-13 基坑降水水文地质剖面示意图
【解】 基坑含水层K值(7.2m/d)较大,宜选深井井点降水。为放坡降水井点布置线自基础向外各推3m,故基坑降水计算尺寸为52m×42m。
设计计算步骤:
(1)大井法基坑出水量Q大井估算。式(5-29)的裘布依公式适用于本例计算,可将其改写为大井公式如下

式中 h0——含水层厚度,m;h0=15-1.70=13.30m;
Sa——基坑中心点A地下水位降深,m;
![]()
R——影响半径,m;据式(8-46)
![]()
R0——大井引用半径(m);据式(4-48)和表(4-2)
![]()
把各已知项代入式(9-7),得
(https://www.daowen.com)
(2)降水井数n计算和井点布置。选QX—10型潜水泵为抽水设备,泵额定流量Q泵=10m3/h,n计算式为

n取整数,另加井1口,故设计降水井数n=10。均匀布在基坑周边线上(图9-14)。
设计井半径rw=0.15m
基坑降水设计数据汇入表9-2。
(3)基坑降水设计验算。式(4-40)适于本例验算基坑某点地下水位降深Si,该式为

图9-14 基坑降水井点和验算点位置图

则有
![]()
上两式中 hi——降水后基坑某点含水层厚度,m;
Q——井设计流量,m3/d Q=Q泵=240m3/d;
ri-1,ri-2,…,ri-n——分别为验算点至井1、井2……井n的距离,m。
基坑各验算点的位置如图9-14所示,验算结果列入表9-2。
表9-2 基坑降水设计与验算汇总

* 指井壁水位。
验算结果表明,验算的各点均满足设计要求,故设计可靠。
从表9-2可知,矩形排列的等流量抽水井群(基坑)中心点不是降深最小点(即浸润面最高点),故仅验算中心点A是不够的。本例验算点中B点是降深最小点,它位于矩形角点附近(图9-14)。