隧洞设计的工程地质问题
在水工隧洞设计中,准确地确定围岩的山岩压力、弹性抗力以及外水压力,是涉及隧洞稳定和进行支护衬砌的三个主要工程地质问题。
表5-6 岩体结构面状态评分

表5-7 地下水评分

表5-8 岩体主要结构面产状评分

(一)山岩压力
隧洞开挖后,由于围岩变形破坏形成的松动岩体,施加于隧洞支护或衬砌上的压力,称为山岩压力,实质上就是应力降低区范围内破裂岩体的重量。它与地应力不是一个概念,地应力是隧洞围岩的内部应力;而山岩压力是施加于隧洞本身的外力。在坚硬完整的岩体中开挖隧洞,岩体强度能适应地应力的变化,隧洞不需要支护即能保持稳定,一般不存在山岩压力。反之,软弱岩体易产生塑性变形和松动破坏,就形成很大山岩压力,如不及时支护,塌方的高度和宽度将会不断扩展,甚至形成冒顶。因此,山岩压力的大小是隧洞设计临时性支护,以及长期性衬砌时的一项重要地质参数。下面介绍几种确定山岩压力的方法。

图5-15 平衡拱示意图
(a)洞侧壁稳定;(b)洞侧壁不稳定
1.平衡拱法
平衡拱法由前苏联学者普洛托基雅克诺夫提出,原用于松散层,后被推广用到坚硬岩体中,该法认为隧洞开挖后形成一定高度的抛物线形塌落拱,拱上岩体呈自然平衡状态,故称平衡拱(图5-15)。拱下变形破裂的岩体重量即为山岩压力。
隧洞侧壁稳定时,如图5-15 (a),洞顶山岩压力为
![]()
侧壁不稳定时,如图5-15 (b),洞顶山岩压力为
![]()
式中p、p′——洞顶单位长度的山岩压力,kN/m;
r——变形破坏岩体的重度,kN/m3;
b——隧洞开挖跨度之半,m;
b′——平衡拱跨度之半,m;
h、h′——平衡拱高度,m。

式中H——隧洞开挖高度,m;
φ——岩石的内摩擦角,°。
平衡拱的高度与围岩的性质和平衡拱的跨度有关,计算式为

常见岩土的坚固系数经验值列于表5-9 中,可供参考。
2.岩体结构分析法
岩体结构分析法是根据地质勘察资料,分析岩体中软弱结构面的发育规律及其组合关系,确定分离体的形状和滑动面,再用极限平衡理论计算山岩压力。常见的分离体形状有锥状、楔状和柱状三种。
表5-9 各种岩土的fk 值



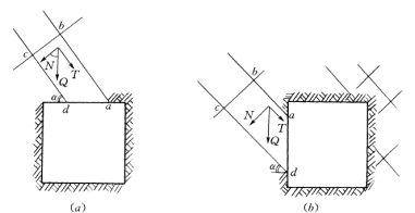
图5-16 洞顶分离体塌落时山岩压力计算示意图
(a)楔形分离体;(b)方柱形分离体
(1)洞顶为楔形分离体或方柱分离体如图5-16(a)、(b)。此时易形成洞顶坍方,在不考虑软弱结构面的强度时,则沿洞轴单位洞长上的山岩压力为(2)洞顶或洞壁为斜方柱分离体如图5-17(a),(b)。此时洞顶或洞壁易产生滑坍,计算时主要考虑滑动面(cd面)的抗滑稳定性和山岩压力的作用方向,其计算公式为(https://www.daowen.com)

式中P1、P2——分别为洞顶、洞壁山岩压力,kN/m;
T——分离体自重Q在滑动面上的滑动分力,即T=Qsina,kN/m;
N——分离体自重Q在滑动面上的法向分力,即N=Qcosa,kN/m;
φ——滑动面的内摩擦角,°;
a——滑动面的倾角,°。

图5-17 斜方柱分离体塌落时山岩压力计算示意图
(a)洞顶斜方柱分离体;(b)侧壁斜方柱分离体
3.经验数据法
经验数据法是根据我国已建水利水电工程的经验,采用山岩压力系数来计算山岩压力。山岩压力系数S如表5-10 所列。
表5-10 山岩压力系数与岩石单位弹性抗力系数参考表

注表中Sz为铅直方向的山岩压力系数;Sx为水平山岩压力系数。假设山岩压力为均匀分布,计算公式如下:Pz=SzrB;Px=SxrH;式中Pz为均匀分布的铅直山岩压力(kN/m2);Px为均匀分布的水平山岩压力(kN/m2);r为岩石的重度(kN/m3);B、H分别为隧洞开挖宽度和高度(m)。
(二)弹性抗力
水工发电隧洞大部分是有压隧洞,隧洞的内水压力通过衬砌传递到围岩上,这时围岩为抵抗压缩变形而产生的反作用抗力,称为弹性抗力,如图5-18 所示。可用下式表示:
![]()
式中P——围岩的弹性抗力,MPa;
y——洞壁的径向变形,cm;
K——围岩的弹性抗力系数,MPa/cm。
弹性抗力的大小常用弹性抗力系数K表示,即
![]()
式中P——围岩承受的内水压力,MPa。
由式(5-19)可知,弹性抗力系数K是指隧洞围岩产生一个单位变形所需施加的内水压力值。弹性抗力大的岩石可以降低部分内水压力,从而可减小衬砌厚度。如我国云南以礼河水电站的高压隧洞,洞身穿越坚硬的玄武岩,围岩抗力很大(约为设计内水压力的83%~86%),这样就可节省大量衬砌材料,降低了工程造价。
弹性抗力系数K与隧洞半径大小有关,同一岩体中,隧洞半径越大,K值越小。为此需要用统一标准表示K值。在水工建筑中常采用隧洞半径为100cm 的单位弹性抗力系数K0 表示,即

图5-18 在内水压力作用下的洞径变形
![]()
式中K0——围岩的单位弹性抗力系数,MPa/cm;
R——隧洞开挖半径,cm。
围岩的弹性抗力系数可通过野外试验直接测定。中小型工程常用经验数据来确定。表5-10 中所列的K0 值,是我国水利电力部门总结已建成隧洞的经验值,可供参考。
(三)外水压力
外水压力是指作用在隧洞衬砌上的地下水静水压力。其大小主要由隧洞围岩的水文地质条件(如水位的埋深、压力水头的大小、岩石的透水性等)和隧洞设计及施工情况所决定。工程实践证明,作用在衬砌上的外水压力并不都等于其全部水头值,外水压力实际作用面积也不等于全部衬砌面积,所以计算外水压力时需将二者折减,即

β——水头折减系数(见表5-11)。
表5-11 外水压力折减系数α、β值参考表
