填空题(共34分)

二、填空题(共34分)

21.(2分)元素周期表是学习和研究科学的重要工具。下表是元素周期表的一部分,据表回答问题:

(1)原子序数为11和17的两种元素组成的物质是生活中一种必不可少的物质,该物质是由________(填“分子”“原子”或“离子”)构成。

(2)核磁共振(NMR)技术已广泛应用于医学领域,已知只有质子数为奇数的原子才有NMR现象,表中标号为①~⑤的五种元素的原子,能产生NMR现象的是________(填写元素符号)。

22.(4分)2020年11月24日,“嫦娥五号”探测器在海南文昌发射升空;12月2日,“嫦娥五号”着陆器和上升器组合体完成了月球钻取采样及封装;12月17日,“嫦娥五号”返回器携带月球样品等着陆地球。

第22题图

(1)与地球土壤相比,月壤不含________(填序号)。

①空气 ②水分 ③矿物颗粒 ④腐殖质

(2)月壤中有丰富的资源,尤其是可用于可控核聚变的燃料He-3。如图所示为He-3原子的结构示意图,则He-3原子核外的电子数为________,相对原子质量为________。He-3和He-4互为同位素原子,因为它们原子核内____________。

23.(4分)图甲中A、B、C表示绿色植物体内的某些生理活动,图乙是安装在温室大棚中增加二氧化碳浓度的仪器,图丙表示一段时间内植物叶片氧气释放的相对量与光照强度的关系。据图回答问题:

第23题图

(1)温室大棚中安装图乙所示仪器,可使绿色植物的[ ]________(填写图甲中的字母和生理活动名称,下同)增强;绿色植物白天和晚上都能进行的生理活动是[ ]______________和[ ]______________。

(2)如图丙所示,当光照强度处于D 点时,绿色植物光合作用强度________(填“大于”“小于”或“等于”)呼吸作用强度。

24.(4分)习总书记在第75届联合国大会上提出,中国的二氧化碳排放力争2030年前达到峰值,2060年前实现碳中和。

碳中和是指通过植树造林、节能减排等形式,抵消二氧化碳排放量,实现二氧化碳“零排放”。现阶段我国的能源结构以化石能源为主,其燃烧释放出大量的二氧化碳。针对我国能源结构的现状,实现碳中和的路径之一是降低化石能源在消费能源中的比例,提高可再生、非化石能源比例。路径之二是捕集、利用和封存二氧化碳。

第24题图

(1)植树造林这一措施,实际是利用绿色植物的________作用,抵消二氧化碳排放量,实现二氧化碳“零排放”。

(2)封存二氧化碳的技术之一,将二氧化碳送入海面以下3000米的深海里,进行二氧化碳海洋封存,但此举可能会造成海洋酸化,原因是_____________________________。利用二氧化碳的技术之一,用二氧化碳制取甲醇(CH3OH),反应的微观示意图如图所示,则该反应的化学方程式为_______________________________。

25.(4分)如图甲所示为人体吸气和呼气时胸廓与膈肌状态的示意图;如图乙所示为肺泡与血液之间气体交换的示意图,据图回答问题:

第25题图

(1)图甲中①表示________(填“吸气”或“呼气”)状态,此时膈肌处于________(填“舒张”或“收缩”)状态。

(2)图乙中A表示____________(填写气体名称),其通过________作用,透过毛细血管壁和肺泡壁进入肺泡内。

26.(3分)如图所示,闭合开关,原先静止的导线AB 会朝某个方向运动,这表明磁场对通电导体会产生________的作用,改变磁场方向或者改变________方向,可以使导线AB 运动的方向发生改变。________(填“电动机”或“发电机”)是根据此原理制成的。

第26题图

27.(4分)2020年10月,袁隆平“海水稻”团队和江苏省农业技术推广总站合作试验种植的“超优千号”耐盐水稻的平均亩产量达到802.9公斤,创下盐碱地水稻高产新纪录。如图所示为“海水稻”植株和根尖结构模式图,据图回答问题:

第27题图

(1)“海水稻”的根系为________(填“直根系”或“须根系”),根能够不断伸长的原因是分生区不断分裂产生新细胞和[ ]________(填写序号和结构名称)细胞能较快生长。

(2)“海水稻”通过[ ]________(填写序号和结构名称)吸收土壤中的水分;其吸水时,根毛细胞细胞液的溶质质量分数________(填“大于”“小于”或“等于”)土壤溶液的溶质质量分数。

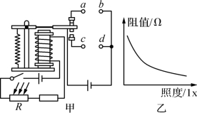
28.(6分)将白磷和红磷分装于Y形试管的两个支管中,管口系一小气球,然后将Y形试管的两个支管伸入80℃的热水中;同时在烧杯底部放置白磷,如图所示。(已知白磷的着火点为40℃,红磷的着火点为240℃)

第28题图

(1)实验观察到只有Y形试管内的白磷燃烧,但很快就熄灭了,其熄灭的原因可能是________(填序号)。

①着火点升高  ②温度降低

③氧气耗尽  ④试管内产生了二氧化碳气体

(2)管口的小气球可防止________(填写物质的化学式)进入空气,从而使该实验更环保;烧杯中80℃的热水的作用是______________________________________________________________。

29.(3分)如图甲所示为某智能扫地机器人部分工作原理图,其中R为光敏电阻;如图乙所示为光敏电阻R 的阻值随照度变化的图线(照度表示物体被照明的程度,照度越大被照明的程度越大)。

第29题图

(1)上述智能扫地机器人工作原理如下:接通电源,当地面灰尘较多时,照射到光敏电阻R 上的照度变小,光敏电阻R 的阻值________(填“变大”或“变小”),电磁铁的磁性________(填“增强”或“减弱”),此时电动机旋转产生高速气流将灰尘等吸入集尘盒;当灰尘清扫到一定程度时,电动机停止工作,指示灯亮,该智能扫地机器人处于待机状态。

(2)根据其工作原理可知,电动机应接入________(填“ab”或“cd”)之间。