解答题(本题共3小题,第26题4分,第27题8分,第28题10分,共22分)

四、解答题(本题共3小题,第26题4分,第27题8分,第28题10分,共22分)

26.传统中药“连花清瘟”在新冠肺炎疫情的控制和治疗中发挥了一定的作用,它由连翘、金银花、甘草等多味药材组成。

(1)甘草素是甘草中的主要成分,其化学式为C15H12O4,该分子中碳、氢、氧的原子个数比是________。

(2)从该中药中提取某有机化合物X,取一定量该化合物与足量氧气完全反应,生成44g二氧化碳和9g水。则X中碳、氢元素的质量比为________。

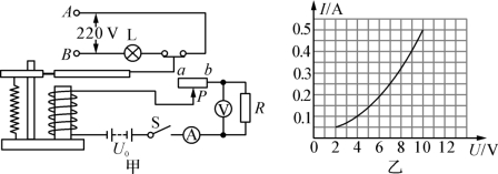
27.光敏电阻在各种自动化装置中有很多应用,小明用它设计了一种“智能家居照明灯”电路,如图甲所示(R 为光敏电阻,电磁继电器线圈的电阻不计)。

第27题图

(1)小明的设计要求:灯L在天暗时自动点亮,天亮时自动熄灭。那么他选择的光敏电阻,阻值大小应随光照强度的减弱而________。

(2)制作完成后,小明发现光线还不够暗时,灯L就自动点亮了,造成了不必要的电能浪费。此时他可通过调节滑动变阻器滑片P 向________(填“a”或“b”)端移来解决这一问题。

(3)保持光照强度不变,闭合开关S后,滑片P 由a 端向b 端移动过程中,电流表示数I与电压表示数U 的关系如图乙所示。计算滑动变阻器的最大阻值是多少欧(电源电压U0不变)。

28.某校学习小组对当地的石灰石矿区进行调查,测定石灰石中碳酸钙的质量分数,采用的方法如下:取该石灰石样品20g,把80g稀盐酸分四次加入,测量过程所得数据见下表(已知石灰石样品中含有的二氧化硅等杂质不溶于水,不与稀盐酸反应)。

(1)石灰石和盐酸反应的化学方程式是__________________________________________________。

(2)n的值是________。

(3)求样品中碳酸钙的质量分数。

(4)求稀盐酸中溶质的质量分数。