分析计算题(本大题有3小题,每小题6分,共18分)

四、分析计算题(本大题有3小题,每小题6分,共18分)

31.如图所示是自然界中氧气和二氧化碳的循环简图,请仔细读图回答有关问题:

第31题图

(1)在过程⑦中臭氧层中的臭氧在日光的作用下转化成了O2。臭氧是淡蓝色气体,臭氧层能有效阻挡紫外线,保护地球的生存环境。写出图示中臭氧转化为氧气的化学方程式:_____________________。

(2)自然界中消耗二氧化碳的途径有两种:

①绿色植物光合作用。发生反应的表达式为:_____________________________。

②被地球上的海水吸收。化学方程式为:___________________。

(3)二氧化碳含量过高是造成温室效应的主要原因,请你根据上述循环图说出一条大气中二氧化碳含量增加的原因:________________________。能造成温室效应的气体除二氧化碳外,还包括水蒸气、臭氧、氧化亚氮(N2O)等,其中N2O中氮元素的化合价为________。

(4)下列做法不符合“低碳经济”理念的是  ( )

A.改造或淘汰高能耗、高污染产业

B.研制和开发新能源替代传统能源

C.大力发展火力发电

D.优化建筑设计,增强室内自然采光,减少照明用电

32.科学兴趣小组对美术组的环保石头纸(主要成分为碳酸钙,加入适量聚乙烯和少量胶合剂)展开探究,测定石头纸中碳酸钙的质量分数。实验方法:均匀称取七份样品分别和稀盐酸反应(CaCO3+2HCl=CaCl2+H2O+CO2↑),用电子天平及有关装置进行实验,样品质量和产生气体质量的实验数据记录如下表。(其他物质既不溶于水也不跟酸反应)

第32题图

通过对数据的分析和比较,回答下列有关问题。

(1)m 为________。

(2)石头纸样品中碳酸钙的质量分数是多少? (请写出计算过程)

(3)在坐标图中画出6.25g样品中加入稀盐酸的体积与产生气体质量的关系图。

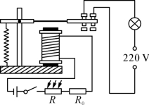
33.右图是某学校楼道自动控制照明系统的电路图,已知控制电路电源电压U=3V,R0=10Ω,电磁继电器线圈电阻不计。R 是一光敏电阻,其阻值与光照强度E(单位:lx)的关系如下表所示。该装置可以实现当光照强度低至2lx时,照明灯自动工作

第33题图

(1)根据表格,当E=1.5lx时,光敏电阻R 的阻值为________。

(2)照明系统启动时,控制电路的电流为多大?

(3)使用过程中发现照明灯在楼道光线还较强时就开始工作,为节约能源,需对电路进行适当改进,请写出一种改进方案:_________________________________________________________。