填空题(本大题共7小题,每空2分,共计32分)

二、填空题(本大题共7小题,每空2分,共计32分)

17.有些物质俗称比较相似,请写出下列两组物质的化学式:

(1)烧碱________,纯碱________。

(2)生石灰________,熟石灰________。

18.某校科学兴趣小组在探究茎运输水分和无机盐的部位时,将带叶的枝条下端用刀片削成平整的斜面,将枝条插入盛有稀释红墨水的烧杯中,置于温暖、光照充足的地方,10分钟后取出枝条,在枝条上方横切和纵切,观察。

第18题图

(1)茎横切面上变成了红色的部位是________。

(2)用放大镜观察茎的纵切面,从基部到顶部,红色越来越浅,造成此现象的原因是________________________________________________________________。

19.根据下面元素周期表,回答有关问题:

(1)编号①②③④代表元素周期表中的四种元素,其中属于金属元素的是________(填序号)。

(2)①处元素和②处元素形成的化合物的化学式为____________。

20.手术时,经常用到一种仪器——心肺机。心肺机的功能之一是用“电动泵”替代心脏,推动血液循环。如图所示,将线圈ab缠绕并固定在活塞一端,利用与固定磁铁之间的相对运动,带动电动泵中的活塞,抽送血液。图中阀门S1只能向外自由开启,反向则封闭管路,此时处于送血状态;阀门S2只能向内自由开启,反向则封闭管路,此时处于抽血状态。请思考电动泵的工作过程。当线圈中的电流从a流向b时,线圈的左端为________极,活塞处于______(填“抽血”或“送血”)状态。

第20题图

21.小明同学在实验室中研究二氧化碳气体的性质。

第21题图

(1)实验室中,二氧化碳通常用大理石和稀盐酸反应制取而不用浓盐酸,原因是__________________________________________。

(2)如图,向烧杯中倾倒二氧化碳,燃着的蜡烛自下而上熄灭,由此说明二氧化碳具有的物理性质是___________________________________________________________________________。

22.现在城市中的人们流行自己在家中水培种植植物。在培育过程中,需要适时添加培养液,向培养液中通入空气,并适时补水。

(1)培养液中含多种无机盐,其中含氮的无机盐(如硝酸铵)主要作用是  ( )

A.促进植物细胞分裂和生长,使枝叶长得繁茂

B.促进植物根系生长,使果实、种子的成熟提早

C.使植物茎秆健壮,促进淀粉的形成

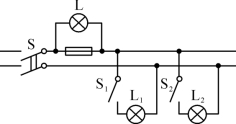
(2)若培养液的浓度________(填“大于”“小于”或“等于”)植物的根细胞液浓度,会导致植物细胞内水分含量下降而发生萎蔫,因此,需要适时补水。

23.小沈同学家中保险丝突然熔断,他判断应该是家中用电器发生短路,于是用下列方法进行检测。如图所示,断开所有用电器的开关,用一只普通的白炽灯L作为“校验灯”,与熔断的保险丝并联,然后只闭合S、S1,若L发出暗红色的光(发光不正常),说明L1______________;只闭合S、S2,若L正常发光,说明L2______________。(均填“正常”“短路”或“断路”)

第23题图