解答题(本题有5小题,第27、28小题各4分,第29、30、31小题各6分,共26分)

四、解答题(本题有5小题,第27、28小题各4分,第29、30、31小题各6分,共26分)

27.为了提高温室大棚中蔬菜的产量,菜农们有以下经验分享:

①选用无色的棚膜;②选择通气透水、宜于耕种的土壤;③施适量生物有机肥(含微生物和有机物);④适时给大棚通风;⑤合理密植。

综合运用所学知识对以上的经验能提高蔬菜产量做出解释。

第27题图

28.法维拉韦片在遏制新冠病毒过程中被证实具有一定的效果,其主要成分法维拉韦的化学式为C5H4FN3O2。请回答下列问题:

(1)法维拉韦__________(填“属于”或“不属于”)氧化物。

(2)1.57g法维拉韦中氧元素的质量为________。

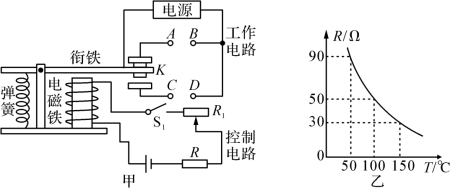
29.如图甲是一个简单恒温箱温控电路图,由热敏电阻R、滑动变阻器R1和电磁继电器等元件组成,图乙为热敏电阻的R-T 图像。当恒温箱的温度升高到50℃时,线圈的电流达到一定值,使继电器的衔铁被吸合,从而实现控温。

第29题图

(1)由图乙可知50℃时热敏电阻的阻值为________欧。

(2)恒温箱的加热器应接在AB 端还是CD 端?________。

(3)若需将恒温箱内的温度控制在75℃,则下列操作可行的是  ( )

A.减小R1的阻值

B.减小控制电路的电源电压

C.减少线圈匝数

30.牙膏能洁白牙齿主要是摩擦剂的作用,某品牌牙膏的摩擦剂为碳酸钙和二氧化硅。小柯为测定该牙膏中碳酸钙的质量分数,取8.0g牙膏样品置于锥形瓶中,再将40.0g稀盐酸分四次加入,测量过程所得数据见下表。(已知牙膏中其他成分遇到盐酸时无气体产生)

(1)上表中n的数值为________。

(2)牙膏样品中碳酸钙的质量分数是多少?

31.家用漏电保护器是在用电器发生漏电故障或人因操作失误而触电时实施保护的设备。正常情况下,住户家中没有电流流向地面,进户线中流入的电流I1与流出的电流I2相等。当人触电时,有电流I3通过人体流向大地,就会造成I1和I2不相等。当I1和I2的差值达到30mA时,漏电保护器就会迅速自动切断电路。

第31题图

(1)漏电保护器实质上就是一个________(填“电源”“用电器”或“开关”)。

(2)当家庭电路中电流过大时,漏电保护器________(填“能”或“不能”)自动切断电路。

(3)站在地面上的人体不小心接触了火线,该人体的电阻为3000Ω,人与地面、电线等的接触电阻为2500Ω,请通过计算判断该漏电保护器能否及时断开电路。