1.应用
采用安全继电器和带有强制断开结构的接触器实现电动机的紧急停机。
根据“第3章 第3.1节机械安全控制系统的技术的规范和设计”中介绍的内容,即ISO 13849-1中关于安全控制回路的结构设计,必须满足如下设计要求:
1)采用冗余结构设计;
2)传感器监测(同步输入监测);
3)使能回路监测(监测原理类似于采用反馈回路实现的监测);
4)所有子系统都具备高诊断覆盖率。
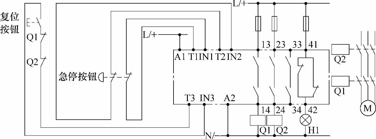
2.设计(见图4-11)
3.工作原理
安全继电器对两个通道上的紧急停止控制装置进行监测。当急停装置被激活后,安全继电器采用安全方式断开使能回路(即安全输出回路处于断开状态),并断开所连接的接触器(必要时,某些机器可能还要同时断开安全双联阀和/或电磁阀)。可达到的最高安全等级(见图4-12)。

图4-11 急停功能

图4-12 最高安全等级
如果紧急停止控制装置已经断开且反馈回路已经闭合,则可以按下“复位”按钮重新启动设备。重启前必须先进行复位,即只有进行复位后,重启功能才能执行。
至于何种情况下应采用何种复位方式(自动复位、手动复位、可监控复位),视具体应用行业的具体工艺要求而定。
4.安全组件(见表4-4)
表4-4 安全组件

5.安全功能的计算
通过安全评价工具(Safety Evaluation Tool,SET),可以对于上述的应用进行验证。
(http://supporty automationy siemensy com/WW/view/en/73136378)
6.应用举例(https://www.daowen.com)
示例一:
注:
1.示例中的安全继电器未指明具体品牌和型号,但尽量选取有代表性的型号。
2.示例中必须采用强制断开结构设计的急停按钮、执行装置(如接触器)。
3.实际使用中,使用者必须参考安全继电器生产厂商提供的具体型号产品的关于安装、调试、应用的技术手册,再确定具体的接线方式。
4.安全继电器上电前,必须确认连接方式的正确性。
5.示例中所示的连接方法经常被应用在相对而言安全技术要求较高的应用场合。
在图4-13中,急停按钮信号(注:两个触头模块各自带有一个常闭触头,形成冗余的结构)直接接入安全继电器的输入端T1/IN1和T2/IN2,也就是说,当按下急停按钮后,安全继电器监测到安全输入信号的变化,切断安全输出,即13/14、23/24、33/34将保持断开的状态。其中的13/14、23/24控制的Q1、Q2线圈失电。由于Q1和Q2的主触头是串接接入了主回路,从而使受控的装置M(可能是整台机器,也可能是机器的部分运动部件)可靠地停止运行。由于采用了主触头串接的方式,这样的冗余结构设计使得切断的可靠性大大提高。
同时,辅助触头41/42保持闭合的状态,状态指示灯H1也随之保持常亮的状态,起到警示的作用。
如果机器具备了再次投入运行的条件,由于采用的是自动复位的方式,因此只需释放急停按钮,安全继电器的安全输出13/14、23/24、33/34将全部闭合,Q1、Q2线圈得电,Q1、Q2的主触头闭合后将使主回路处于导通的状态,受控装置M进入正常运行的工作状态。同时,辅助输出41/42处于断开状态,状态指示灯H1熄灭,表示安全继电器的工作状态正常。

图4-13 急停应用示例
示例二:
注:
1.示例中的安全继电器未指明具体品牌和型号,但尽量选取有代表性的型号。
2.示例中必须采用强制断开结构设计的急停按钮、执行装置(如接触器)。
3.实际使用中,使用者必须参考安全继电器生产厂商提供的具体型号产品的关于安装、调试、应用的技术手册,再确定具体的接线方式。
4.安全继电器上电前,必须确认连接方式的正确性。
5.示例中所示的连接方法经常被应用在相对而言安全技术要求较高的应用场合。
6.在图4-14中,安全继电器的复位方式通过DIP开关进行设定,但这个步骤需要在安全继电器上电之前完成。
急停按钮-S1的两路输入信号(双通道输入方式)分别接入安全继电器-A1的输入端T1/IN1和T2/IN2。按下急停按钮-S1(注:理论上是安全门开关的两个常闭触头同时断开;但由于触头的粘连或短路,有可能发生一个通道无法切断的状态)后,通过安全继电器-A1切断所有的安全输出,即作为安全输出的常开触头,此时将保持断开的状态。其中执行装置-Q1和-Q2的线圈全部失电,-Q1和-Q2的主触头将使受控装置-M1可靠地停止运行。
如果机器具备了再次投入运行的条件,则在释放急停按钮-S1(即常闭触头处于闭合的状态)的前提下,通过按下复位按钮-S2,使安全继电器-A1的全部安全输出处于闭合的状态,-Q1和-Q2的线圈得电,-Q1和-Q2的主触头将使受控装置-M1再次投入运行。
免责声明:以上内容源自网络,版权归原作者所有,如有侵犯您的原创版权请告知,我们将尽快删除相关内容。
