【摘要】:国家标准《机械制图》中对图纸幅面与格式作了规定。必要时,允许加长幅面,但加长量必须符合国家标准的要求。但应注意,同一产品的所有图样只能采用一种格式。标题栏的格式、内容和尺寸在国家标准中已作了统一规定,学生在制图作业中建议采用如图2-4a所示的标题栏格式。
国家标准《机械制图》(GB/T 14689—2008)中对图纸幅面与格式作了规定。绘制技术图样时,应优先采用表2-1中所规定的基本幅面。必要时,允许加长幅面,但加长量必须符合国家标准的要求。
1.图纸幅面
国家标准规定图纸的基本幅面有A0、A1、A2、A3和A4,各幅面尺寸及尺寸关系分别见表2-1和图2-1。使用时优先选用基本幅面,必要时也允许选用加长幅面,但增加尺寸必须是基本幅面短边的整数倍。
2.图框格式
画图前,在图纸上要用粗实线画上图框。其格式有两种:一种是留装订边的图框格式,如图2-2所示;一种是不留装订边的图框格式,如图2-3所示。但应注意,同一产品的所有图样只能采用一种格式。
表2-1 图纸幅面代号及尺寸 (单位:mm)


图2-1 幅面间的尺寸关系

图2-2 留装订边的图框格式(https://www.daowen.com)
a)图纸横放 b)图纸竖放

图2-3 不留装订边的图框格式
a)图纸横放 b)图纸竖放
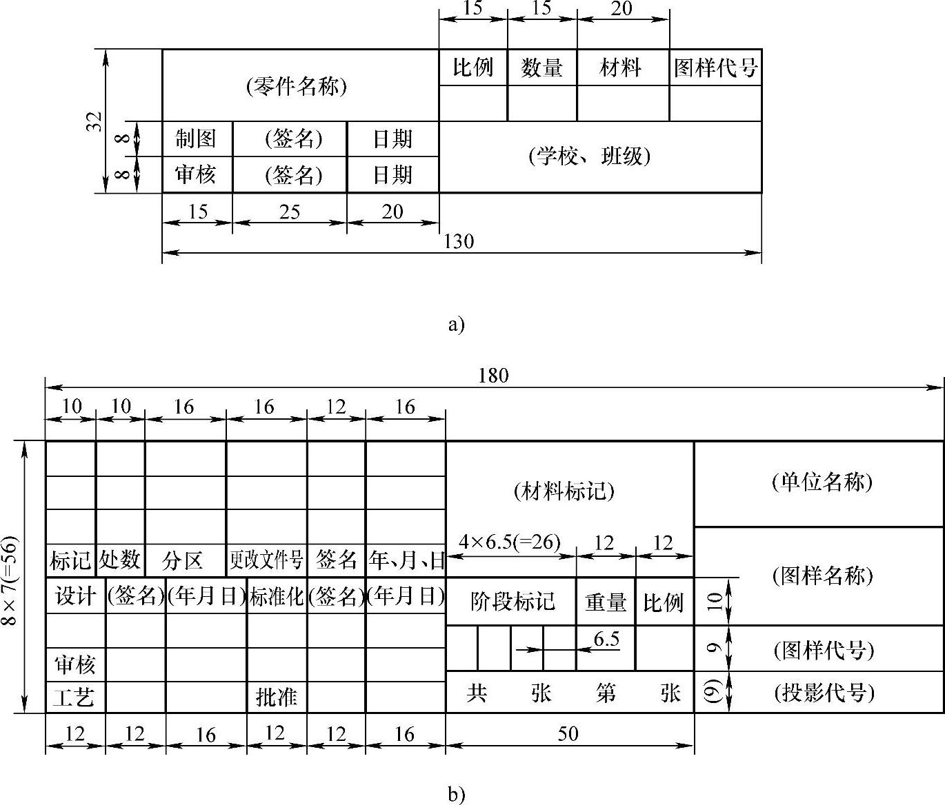
3.标题栏
标题栏的位置位于图纸的右下角,标题栏中的文字方向为识图方向。标题栏的格式、内容和尺寸在国家标准(GB/T 10609.1—2008)中已作了统一规定,学生在制图作业中建议采用如图2-4a所示的标题栏格式。

图2-4 标题栏样式与填写要求
免责声明:以上内容源自网络,版权归原作者所有,如有侵犯您的原创版权请告知,我们将尽快删除相关内容。
相关文章
