1.CPUSx40的输入端子的接线
S7-200 SMART系列CPU的输入端接线与三菱的FX系列的输入端接线不同,后者不需要接入直流电源,其电源由系统内部提供,而S7-200 SMART系列CPU的输入端则必须接入直流电源。
下面以CPUSx40为例介绍输入端的接线。“1M”是输入端的公共端子,与DC 24V电源相连,电源有两种连接方法对应PLC的NPN型和PNP型接法。当电源的负极与公共端子相连时,为PNP型接法,如图2-2所示,“N”和“L1”端子为交流电的电源接入端子,通常为AC 120~240V,为PLC提供电源,当然也有直流供电的;而当电源的正极与公共端子相连时,为NPN型接法,如图2-3所示。“M”和“L+”端子为DC 24V的电源接入端子,为PLC提供电源,当然也有交流供电的,注意这对端子不是电源输出端子。

图2-2 输入端子的接线(PNP型)

图2-3 输入端子的接线(NPN型)
初学者往往不容易区分PNP型和NPN型的接法,经常混淆,若读者记住以下的方法,就不会出错:把PLC作为负载,以输入开关(通常为接近开关)为对象,若信号从开关流出(信号从开关流出,向PLC流入),则PLC的输入为PNP型接法;把PLC作为负载,以输入开关(通常为接近开关)为对象,若信号从开关流入(信号从PLC流出,向开关流入),则PLC的输入为NPN型接法。三菱的FX系列(FX3U除外)PLC只支持NPN型接法。
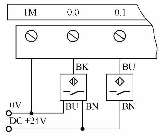
【例2-1】有一台CPUSx40,输入端有一只三线PNP型接近开关和一只二线PNP型接近开关,应如何接线?
【解】对于CPUSx40,公共端接电源的负极。而对于三线PNP型接近开关,只要将其正、负极分别与电源的正、负极相连,将信号线与PLC的“I0.0”相连即可;而对于二线PNP型接近开关,只要将电源的正极分别与其正极相连,将信号线与PLC的“I0.1”相连即可,如图2-4所示。

图2-4 例2-1输入端子的接线
2.CPUSx40的输出端子的接线
S7-200 SMART系列CPU的数字量输出有两种形式:一种是24V直流输出(即晶体管输出),另一种是继电器输出。标注为“CPUST40(DC/DC/DC)”的含义是:第一个DC表示供电电源电压为DC 24V,第二个DC表示输入端的电源电压为DC 24V,第三个DC表示输出为DC 24V,在CPU的输出点接线端子旁边印刷有“2V DC OUTPUTS”字样,“T”的含义就是晶体管输出。标注为“CPUSR40(AC/DC/继电器)”的含义是:AC表示供电电源电压为AC 120~240V,通常用AC 220V,DC表示输入端的电源电压为DC 24V,“继电器”表示输出为继电器输出,在CPU的输出点接线端子旁边印刷有“RELAY OUTPUTS”字样,“R”的含义就是继电器输出。
目前24V直流输出只有一种形式,即PNP型输出,也就是常说的高电平输出,这点与三菱FX系列PLC不同,三菱FX系列PLC(FX3U除外,FX3U有PNP型和NPN型两种可选择的输出形式)为NPN型输出,也就是低电平输出,理解这一点十分重要,特别是利用PLC进行运动控制(如控制步进电动机时)时,必须考虑这一点。(https://www.daowen.com)
晶体管输出如图2-5所示。继电器输出没有方向性,可以是交流信号,也可以是直流信号,但不能使用220V以上的交流电,特别是380V的交流电容易误接入。继电器输出如图2-6所示。可以看出,输出是分组安排的,每组既可以是直流,也可以是交流电源,而且每组电源的电压大小可以不同,接直流电源时,没有方向性。在接线时,务必看清接线图。“M”和“L+”端子为DC 24V的电源输出端子,为传感器供电,注意这对端子不是电源输入端子。
在给CPU进行供电接线时,一定要分清是哪一种供电方式,如果把AC 220V接到DC 24V供电的CPU上,或者不小心接到DC 24V传感器的输出电源上,都会造成CPU的损坏。
【例2-2】有一台CPUSR40,控制一只DC 24V的电磁阀和一只AC 220V电磁阀,输出端应如何接线?
【解】因为两个电磁阀的线圈电压不同,而且有直流和交流两种电压,所以如果不经过转换,只能用继电器输出的CPU,而且两个电磁阀分别在两个组中。其接线如图2-7所示。

图2-5 晶体管输出(PNP型)

图2-6 继电器输出
【例2-3】有一台CPUST40,控制两台步进电动机和一台三相异步电动机的起/停,三相电动机的起/停由一只接触器控制,接触器的线圈电压为AC 220V,输出端应如何接线(步进电动机部分的接线可以省略)?
【解】因为要控制两台步进电动机,所以要选用晶体管输出的CPU,而且必须用Q0.0和Q0.1作为输出高速脉冲点控制步进电动机,但接触器的线圈电压为AC 220V,所以电路要经过转换,增加中间继电器KA,其接线如图2-8所示。

图2-7 例2-2接线图

图2-8 例2-3接线图
免责声明:以上内容源自网络,版权归原作者所有,如有侵犯您的原创版权请告知,我们将尽快删除相关内容。
