1.锉削长方体
1)锉削准备
长方体零件图如图6-13所示。

图6-13 长方体零件图
锉削准备:
①工具和量具:游标卡尺、千分尺、高度游标尺、直角尺、刀口直角尺、塞尺、整形锉、钳工锉、划针等。
②辅助工具:软钳口衬垫、锉刀刷、涂料等。
③备料:45钢毛坯尺寸为37 mm±1 mm(錾削),每人一件。
2)操作要点
①粗、精锉基面A。粗锉用300 mm粗齿扁锉,精锉用250 mm细齿扁锉。达到平面度0.04 mm、表面粗糙度Ra≤3.2μm的要求。
②粗、精锉基准面A的对面。用高度游标尺划出相距34 mm尺寸的平面加工线,先粗锉,留0.15 mm左右的精锉余量,再精锉达到图样要求。
③粗、精锉基准面A的任一邻面。用直角尺和划针划出平面加工线,然后锉削达到图样要求(垂直度用直角尺检查)。
④粗、精锉基准面A的另一邻面。先以相距对面34 mm的尺寸划平面加工线,然后粗锉,留0.15 mm左右的精锉余量,再精锉达到图样要求。
⑤全部复检,并作必要的修整锉削。最后将两端锐边均匀倒角C1。
3)注意事项
①加工件夹紧时,要在台虎钳上垫好软金属衬垫,避免工件表面夹伤。
②在锉削时要正确掌握好加工余量,仔细检查尺寸等情况,避免精度超差;要采取顺向锉法,并使锉刀在有效全长进行加工。
③基准面是作为加工控制其余各面时的尺寸、位置精度的测量基准,故必须使它达到规定的平面要求后,才能加工其他面。
④为保证取得正确的垂直度,各面的横向尺寸差值必须首先尽可能获得较高的精度;在测量时锐边必须去毛刺倒棱,保证测量的准确性。
2.锉削六方
1)零件的技术要求与锉削准备
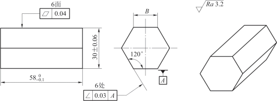
六方体零件图如图6-14所示。

图6-14 六方体零件图
六方体零件的技术要求为:
①30 mm尺寸处,其最大与最小尺寸的差值不得大于0.06 mm。
②六方边长B应均等,允差为0.1 mm。
③各锐边均匀倒棱。
锉削准备:
①工具和量具:钳工锉、游标卡尺、钢直尺、刀口直角尺、塞尺、直角尺、角度样板、万能角度尺、常用划线工具等。
②辅助工具:软钳口衬垫、锉刀刷、涂料等。
③备料:45钢毛坯尺寸为φ36 mm×60 mm,每人一件。
2)操作要点
①用游标卡尺检查来料直径d。
②粗、精锉第一面(基准面),如图6-15(a)所示,平面度达到0.04 mm,Ra≤3.2μm,同时保证与圆柱母线的距离
,如图6-16所示。
③粗、精锉相对面,如图6-15(b)所示,以第一面为基准划出相距尺寸30 mm的平面加工线,然后锉削。在保证自身平面度和表面粗糙度的同时,重点检查其相对于基准的尺寸(30 mm±0.06 mm)和平行度要求。
④粗、精锉削第三面,如图6-15(c)所示,达到技术要求,同时保证尺寸M,并用万能角度尺或角度样板检查控制其与第一面的夹角120°。
⑤粗、精锉削第三面的相对面,如图6-15(d)所示,达到技术要求。
⑥用同样方法粗、精锉削第五面和第六面,如图6-15(e)、6-15(f)所示,达到技术要求。
⑦全面复检,并做必要的修整,最后将各锐边倒棱后送检。

图6-15 六方体加工步骤示意图
(a)粗、精锉削六角体第一面;(b)粗、精锉第一面的相对面;(c)粗、精锉第三面(d)粗、精锉第三面的相对面;(e)粗、精锉第五面;(f)锉削第五面的相对面
3)注意事项
①确保锉削姿势正确。
②为保证表面粗糙度,需经常用锉刷清理残留在锉齿间的铁屑,并在齿面上涂上粉笔灰。
③加工时要防止片面性,要综合分析出现的误差及其产生原因,要兼顾全面精度要求。
④测量时要把工件的锐边去毛刺倒棱,保证测量的准确性。
⑤使用万能角度尺时,要准确测得角度,必须拧紧止动螺母。使用时要轻拿轻放,避免测量角发生变动,并经常校对测量角的准确性。
3.锉削去角方铁(https://www.daowen.com)
1)去角方铁零件图及锉削准备
去角方铁零件图如图6-17所示。
锉削准备:
①工具和量具:游标卡尺、钢直尺、直角尺、刀口直角尺、塞尺、样冲、锤子、钳工锉、划规、划针、划线盘、粉笔、砂纸等。
②辅助工具:软钳口衬垫、锉刀刷、涂料等。
③备料:45钢毛坯尺寸为54 mm×74 mm×20 mm,每人一件。

图6-16 以外圆为定位基准控制六方边长

图6-17 去角方铁零件图
2)操作要点
①锉削左右两侧平行面
a)锉削基准C面,使之达到与B面垂直度为0.1 mm和Ra3.2μm的要求。
b)锉削C面的对面,使之达到50 mm±0.06 mm,与C面平行度为0.05 mm,与A面、B面的垂直度为0.1 mm和Ra3.2μm的要求。
c)锉削过程中,要按零件图的要求边锉边检。
②锉削上、下两侧平行平面
a)锉削A面使之达到与B面、C面垂直度为0.1 mm和Ra3.2μm的要求。
b)锉削A面的对面使之达到70 mm±0.072 mm、与A面平行度为0.05 mm,与B面、C面垂直度为0.1 mm和Ra3.2μm的要求。
c)锉削过程中,要按零件图的要求边锉边检。
③锉削两个斜面
a)锉削左侧斜面,使之达到C10和Ra3.2μm的要求。
b)锉削右侧斜面,使之达到C10和Ra3.2μm的要求。
④锉削两个R10的凸圆弧
a)锉削左侧凸圆弧,使之达到R10和Ra3.2μm的要求。
b)锉削右侧凸圆弧,使之达到R10和Ra3.2μm的要求。
c)锉削过程中,要按零件图的要求边锉边检。
⑤锉削R10的凹圆弧
a)锉削凹圆弧,使之达到R10、25 mm±0.04 mm和Ra3.2μm的要求。
b)锉削过程中,要按零件图的要求边锉边检。
4.锉削带曲面的模具零件
1)带曲面的模具零件图及锉削准备零件图如图6-18所示。

图6-18 带曲面的模具零件图
锉削准备:
①工具和量具:游标卡尺、千分尺、直角尺、刀口直角尺、塞尺、异形锉、钳工锉、划规等。
②辅助工具:软钳口衬垫、锉刀刷、涂料等。
③备料:45钢毛坯,每人各一件。
2)操作要点
①用铁皮每人做一件R16 mm及R3 mm样板。
②按图样要求锉削对边尺寸为(32 mm±0.05 mm)的四方体。
③锉两端面,使之达到尺寸52 mm,并按图样尺寸划R16 mm尺寸线、4处3 mm倒角线及R3 mm圆弧位置的加工线。
④用异形锉粗锉8×R3 mm内圆弧面,然后用钳工锉作粗、细锉倒角至加工线,再细锉R3 mm圆弧并与倒角平面光滑连接,最后用150 mm异形锉作推锉,达到锉纹全部成为直向;表面粗糙度Ra3.2μm的要求。
⑤用300 mm钳工锉采用横着圆弧锉法,粗锉两端圆弧面至接近R16 mm加工线,然后顺着圆弧锉正圆弧面,并留适当余量,再用250 mm细钳工锉修整,达到各项技术要求。
⑥全部精度复检,并作必要的修整锉削,最后将各锐边均匀倒角。
3)注意事项
①划线线条要清晰。
②在锉两端的R16 mm圆弧面时,可先用倒角方法倒至近划线线条,再继续锉削。
③在锉R16 mm外圆弧面时,不要只注意锉圆而忽略了与基准面A的垂直度,以及横向的直线度。
④在顺着圆弧锉削时,锉刀上翘下摆的摆动幅度要大,才易于锉圆。
⑤在锉R3 mm内圆弧面时,横向锉削一定要把形体锉正,以便推锉圆弧面时容易锉光。推锉圆弧时,锉刀要做些转动,防止端部坍角。
⑥圆弧锉削中常出现以下几种缺陷:圆弧不圆,呈多角形;圆弧半径过大或过小;圆弧横向直线度和与基准面的垂直度误差大;不按划线加工造成位置尺寸不正确;表面粗糙度大、纹理不整齐等。
免责声明:以上内容源自网络,版权归原作者所有,如有侵犯您的原创版权请告知,我们将尽快删除相关内容。
