它是由CPU单元、内存单元、I/O单元(有的称信号单元)、特殊单元(有的称之为功能单元)、外设与通信接口及电源等组成。图0-13为功能组成原理图。

图0-13 PLC组成原理图
从图知,这些单元工作全由电源供电。之间的联系全是通过总线。用地址总线建立地址联系,再用数据总线传送数据。而这两个总线则都受CPU管理的控制总线控制。
如PLC进行I/O刷新,则CPU控制器管理的控制总线,使I/O单元与内存的I/O区建立地址联系,并在所联系的地址间有步骤地进行数据交换。
再如执行用户程序,则CPU控制器管理的控制总线,使CPU的指令寄存器与内存的用户程序存储区建立地址联系,然后把将要执行的指令、传送给这个寄存器。进而,经指令译码、执行,再把结果送到内存的相应用内部器件区中。
此外,PLC还提供外设、通信接口,可用以连接PLC编程器、计算机、其他PLC或智能装置。
(1)CPU单元。CPU主要含有运算器、控制器、寄存器。不管什么样的CPU,其实质都是同步时序电路,是分周期同步工作的。为了支持它工作,当然要向其提供振荡信号;同时,还要向其提供工作电源。
CPU的控制器控制CPU工作及控制总线。如指令的读取、解释及执行就是靠它控制。但它的工作节奏由振荡信号控制。
CPU的运算器用以进行数字或逻辑运算,在控制器指挥下工作。
CPU的寄存器存储参与运算的数据,并存储运算的中间结果。它也是在控制器指挥下工作。
CPU虽划分有以上几个部分,但在物理上却是集成在一个芯片上。按原来意义的晶体管计,一个CPU芯片集成了几万、几十万,甚至几百万个晶体管。有的芯片还集成了ROM、串口、并口等。
PLC的CPU芯片实际就是微处理器(Micro Process Unit),或干脆就是单片机或嵌入式计算机。只是它为专用于PLC,并多为厂商自行开发。这既可达到最佳的性能匹配,又可实现商业保密。
也有的PLC用的芯片就是通用的单片机,只是内部装有自编的监控程序,并靠这个监控程序,使其实现PLC的功能。
由于这些电路是高度集成的,对CPU内部的详细分析已无必要。特别对使用者而言,完全可把它看成为“黑箱”,只要弄清它的功能与性能,能正确地使用也就够了。
(2)内存单元。PLC的内存每个存储单元的长度也是固定的。西门子PLC以字节计。欧姆龙、三菱以字(或步)计。其种类是较多的,具体有:
1)依用途分,PLC CPU使用的内存有:
用于存储系统程序(操作系统)的内存;
用于存储工作数据的内存;
用于存储系统设定的内存;
用于存储用户程序的内存;
用于种种程序及数据备份的内存。
尽管这么划分,但除了备份外,其地址是统一的。而对于用户,只有系统工作单元即PLC的内部器件(有的还有用户自定义的数据区)、系统设定区及用户程序区。
2)依介质分,PLC的内存有:
只读存储器,ROM或EPROM,用于存储系统程序(操作系统)。早期的PLC,用户程序定型后,也可存于这种类型的存储器中。这种内存不掉程序,免维护。
电可擦除存储器,EEPROM,程序写入后,掉电也不丢失,并且可多次改写。少的几百次,多的几乎不受限制。近来这种内存用得很多,且多用于存储用户程序。
挥发(Flash)式内存,可多次改写,掉电后也不丢程序。CPM1A机用的即为这种内存,其容量可达2K字。
随机存储内存,RAM,访问速度快,可任意改写,但要有电池支持。多用它存储数据及用户程序。
3)依内存的分布分,有:
主内存。是内存的主体,而且也是CPU直接访问的对象。早期的PLC多数只有这种内存。
辅助内存。只用以存储用户程序或其他数据的备份。一般为内存卡,也是闪烁存储器。多是选件,也可不用。在主辅内存间,可通过相应操作或通过用户程序交换数据。
此外,一些功能很强的模块往往自身也带内存,用于存储模块的系统及工作数据。
(3)I/O单元。I/O单元是集成了I/O电路的单元,类型、规格很多。图0-14为一个输入单元的电路原理图。从图知,当输入点IN 00(IN01等未画出)ON(如本例加上24V电压)时会在该输入回路上产生接近8mA的电流,使输入发光二极管亮,经光的耦合,使内部电路对应的输入寄存器置1。反之,若IN 00 OFF(去除所加电压),则置0。从图还可知,输入用的电源正负极可任意连接。
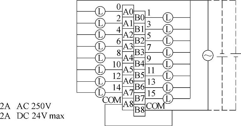
图0-15所示为一个输入单元的接线参考图。该图为16个输入点,并只有两个公用回路(COM端)。
图0-16所示为输出单元的电气原理图。图0-16a为继电器输出的。从图知,其继电器线圈与内部电路(输出锁存器等)相接,而继电器触点则直接用于连接用户电路。这里的继电器还起到PLC与外电路隔离的作用。图0-16b为晶闸管输出。图0-16c、d为晶体管输出。它们的内部电路与输出,在电路上是隔离的,但通过光的耦合建立联系。
输出电路可通过的电流受继电器触点容量的限制,一般为1~2A,并依负载而定。感性负载时,可通过的电流要小些。

图0-14 输入电路原理图

图0-15 输入单元接线图
半导体输出有源型与漏型两种,以便驱动相应直流负载。它的响应速度快,但可通过的电流小。
晶闸管可通过的电流大,只能用于交流负载。其响应速度快比继电器快,但当从ON到OFF时,比晶体管慢。

图0-16 输出电路原理图(https://www.daowen.com)
图0-17所示为一个继电器输出单元的接线参考图。
该图的L为负载,COM为公用端。因为PLC只提供触点,故外电路用直流或交流均可。
输出模块的点数也有多种规格,如12点、16点、32点等。
(4)外设与通信接口。集成在主机上,其功能是编程与连网通信。多还可另配接口单元,如上位通信单元、以太网单元、控制网络单元、远程单元及现场总线单元等,以组成相应的网络。

图0-17 输出单元接线图
最基本的接口为串口、欧姆龙为RS-232C,西门子、三菱为RS-485,可用以与上位计算机通信。建立通信后,可用PLC编程软件对PLC编程。
(5)电源单元。有可接交流的,也有可接直流的。目的是为内电路工作提供工作能量。同时,还可为输入电路提供24V的直流电源。
(6)机箱、机架。机箱、机架是上述各个单元的载体。箱体PLC要有机箱,机箱间接口及连接电缆。模块式PLC分有底板与无底板两种。前者,要有底板或机架、I/O控制与接口模块、连接电缆;后者也要有相应接口或模块、附件及连接电缆。
(7)外部设备。主要用于进行PLC编程、数据的读入、显示、存储及打印。具体有四大类:
1)编程设备:有简易编程器及高级编程器。
简易编程器是早期最常用的PLC编程工具。图0-18所示为简易编程器,它通过专用电缆接于PLC上。

图0-18 简易编程器
它的面板由三部分组成:
LCD显示部分:有两行(图0-18c为4行),每行可显示16个字符,相当于微型计算机的显示器,用以显示信息。
方式切换开关(仅图0-18a):用以控制PLC的工作状态,可使PLC处于编程、监控或运行三个状态之一。
图0-18a有键盘部分,有近40个按键,用以对其进行操作。这40个键可分为四类:
数字键:分布在操作键的左下方,白色键。有0~9共10个。其中0~5还可兼而对应输入A~F。为后者时,应先键入上档(SHIFT)键(于操作键的左上角)。SHIFT键的作用,如同计算机键盘上的SHIFT键。
指令键:分布在操作键的左上方,灰色键。用于输入PLC的指令,如LD(装载)、OR(或)、AND(与)、NOT(非)、FUN(功能)等。
数据标识键:分布在键盘部分的右上方,灰色键。用于标识内部器件的类型,如DM、HR等。
控制键:分布在右下方,黄色键。用以控制编程或监控操作,如WRITE(写入)、DEL(删除)等键。
图0-18b、c有35个键。右上角为CLR(清除)键。其他的多为复合键。其输入依逻辑关系自动确定。如LD/X键,出现指令地址后按它,即为输入LD,出现指令后按它,即为输入X。它的工作方式选择不用开关(其上无开关),而用菜单选择。按OTHER键后将显示此菜单。再用↑、↓键选项。选定后,按GO键确认、执行。它的工作方式有两种,在线(简易编程器与PLC联机)、脱机(简易编程器不与PLC联机)。这两种工作方式均可编程。但后者,要先存在编程器的内存中,联机后再传给PLC。而前者,则直接可把所编的程序存入PLC中。而图0-18a编程器只有一种工作方式(联机),而且自身没有内存。
西门子公司也有用于S7-200的简易编程器。
简易编程器的功用有:
①写入程序,可把一条条指令写入PLC,也可用以清除程序及所有或部分数据清零。
②编辑程序,可对已写入PLC的程序进行编辑,可进行指令的删除、添加或修改。同时,还可对所编程序进行语法检查。
③控制PLC,可通过开关,有的还可通过菜单操作,控制PLC的工作状态,使其处于要求的状态。
④读写数据,可读出PLC内部器件的状态及数据;在监控或编程状态,还可写数据,或强迫置位或复位;可对内存清零。
⑤控制接插在编程器上的其他外设,如磁带机工作,可实现把PLC的程序存入磁带机,或做相反的操作。
⑥系统设定,可做I/O表登记或清除,可对PLC工作模式进行设定。
简易编程器体积小、重量轻,携带方便。用它,可进行PLC编程、调试等所有有关操作。所以,很适合在现场使用。也是早期PLC设定、编程及监控的最主要工具。
简易编程器,只支持助记符编程。显示屏小,功能也有限。所以,多数公司都开发有高级编程器,可显示图形。既可用助记符语言编程,还可用梯形图语言编程。而且,它的外设多,可用其打印程序、数据,还可接软驱动器,用其在软盘上存储文件。
西门子S7-300/400用的高级编程器,简称PG,实际就是工业环境下使用的笔记本电脑,安装有WINDOWS操作系统及西门子STEP 7编程软件,功能很强。是用于西门子PLC编程、组态、调试及维护的完美工具。
高级编程器价格非常贵,加上近年来个人计算机飞速发展及PLC程序设计软件的不断完善,这种图形程编程器基本上已被“笔记本电脑加编程软件”取代。
应指出的是,PLC编程器也不一定非是特制的,随着电脑技术的发展,也可是通用的。有的公司就利用掌上电脑,加上自己操作系统,而成了自身的简易编程器。如施耐德电气公司,于2026年3月推出了新一代全中文的掌上电脑编程器(TSX08PALMHJ05)。见图0-18a。
这种掌上编程器的编程环境是WINCE界面,也可用梯形图语言编程。同时,还保留了所有体积小、重量轻,携带方便等“手持”的特点。
2)监控设备:小的有数据监视器,可监视数据;大的还可能有图形监视器,可通过画面监视数据。除了不能改变PLC的用户程序,编程器能做的它都能做,是使用PLC很好的界面。性能好的PLC,这种外部设备已越来越丰富。
3)外部存储设备:用于永久性地存储用户数据。有磁带机、软驱或ROM写入器,以及相应的接口部件。各种PLC大体都有这方面的配套设施。
4)输入输出设备:如条码读入器,小型打印机等。
在某种意义上说,最一般的PLC外部设备可以说是个人计算机。PLC配有通信口,计算机安装上相应的软件,两者链接后,即可用计算机实现PLC程序的编制、调试、存储,也可实现PLC数据的显示、存储及打印。
外部设备已发展成为PLC系统的不可分割的一个部分。但它不是PLC工作所必备的。
提示:这里介绍的只是PLC的一般组成。PLC的具体组成取决两个因素:一是PLC的品牌、机型,不同的品牌、机型PLC组成的“可能”是不同的;二是用户的配置,即用户在这个“可能”中还可做不同的选择。
免责声明:以上内容源自网络,版权归原作者所有,如有侵犯您的原创版权请告知,我们将尽快删除相关内容。
