选择题(本题共15小题,每小题只有一个正确答案。每小题2分,共30分)

一、选择题(本题共15小题,每小题只有一个正确答案。每小题2分,共30分)

1.环境问题已经成为全球性的问题,下列措施不符合环境保护要求的是  ( )

A.使用无磷洗衣粉 B.回收处理废旧电池

C.空调使用含氯氟烃的制冷剂 D.工业废气经处理达标后再排放

2.关于磁场和磁感线,下列说法错误的是  ( )

A.磁场对放入其中的磁体有力的作用

B.磁感线是磁体周围空间实际存在的曲线

C.磁体周围的磁感线是从磁体的北极出来,回到南极

D.磁场看不见、摸不到,但可以借助小磁针感知它的存在

3.人体内含有多种元素,各种元素在人体中的作用不同,其中能促进儿童骨骼生长发育的主要元素是  ( )

A.铁 B.碘 C.锌 D.钙

4.如图是一定条件下某反应的微观模型,下列关于该反应的说法正确的是  ( )

A.该反应是分解反应

B.反应物和生成物都是化合物

C.反应前后,分子种类、数目不变

D.该反应三种物质的分子个数比为1∶1∶1

第4题图

5.电给人类的生活带来了极大的方便,但使用不当也会带来严重危害。下列符合安全用电要求的是( )

A.在高压线旁放风筝 B.用湿手触摸开关

C.导线旁不放发热物体 D.同一插座上同时使用多个大功率用电器

6.2021年3月20日,有关部门发布了三星堆遗址考古新发现,通报新出土金面具残片、象牙、各种青铜器等重要文物500余件,考古学家应用C-14测出三星堆遗址距今已有3000至5000年。下列有关说法正确的是  ( )

A.C-12和C-14的质子数相同 B.Cu的相对原子质量是64g

C.青铜是一种纯净物 D.可根据金面具中的C-14含量测定其年代

7.水稻是本地主要的粮食作物,下列有关水稻的自述正确的是  ( )

A.我的茎会不断加粗 B.我的茎属于木质茎

C.我吸水的主要部位是根尖 D.我的根从土壤中吸收有机物作为营养

8.根据下列实验方案进行实验,不能实现实验目的的是  ( )

9.如图是实验室制取、收集氧气并验满、验证性质的装置或操作,其中正确的是  ( )

10.运用科学知识可以解决许多生活实际问题,下列有关做法正确的是  ( )

A.室内起火,及时打开门窗通风

B.发现煤气泄漏时,立即打开排气扇电源开关

C.电器或电线着火时,立即用水扑灭

D.室内浓烟密布时,用湿毛巾掩住口鼻俯身撤离

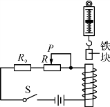
11.如图所示的实验装置,开关S闭合后,下列说法错误的是  ( )

A.通电螺线管上端为N极

B.弹簧测力计示数会变大

C.若滑动变阻器滑片P 向左滑动,弹簧测力计示数变大

D.若改变电路中的电流方向,弹簧测力计示数变大

第11题图

12.如图为测定空气中氧气含量的实验装置,下列有关说法正确的是  ( )

A.可以用碳代替红磷完成该实验

B.用激光代替酒精灯点燃红磷可以减小实验误差

C.红磷燃烧结束后应立即打开止水夹

D.实验结束后集气瓶中水的体积一定占其容积的1/5

第12题图

13.下列有关叶片及其蒸腾作用的叙述,正确的是  ( )

A.叶片的上下表皮由一层绿色的表皮细胞组成

B.气孔是气体进出叶片的门户,由保卫细胞控制其开闭

C.植物吸收的水分有少量通过蒸腾作用直接散失

D.蒸腾作用散失的水主要靠叶脉中的筛管运输

14.呼吸运动是人体重要的生命活动,下列有关说法正确的是  ( )

A.呼气时肺内气压小于外界大气压

B.吸气时,膈肌收缩,膈顶部上升,胸腔容积扩大

C.呼吸时,呼出的气体成分中二氧化碳多于氧气

D.空气从外界进入肺的路线:鼻→咽→喉→气管→支气管→肺泡

15.根据一定的现象,应用科学的原理可以推测出相应结论。以下推测错误的是  ( )

A.电动机通电转动,消耗电能,结论:电能转化为机械能

B.植物能生长在土壤中,结论:土壤中有水、空气、无机盐等

C.葡萄糖燃烧只生成二氧化碳和水,结论:葡萄糖由碳、氢、氧三种元素组成

D.用α粒子轰击金属箔,发现极少数α粒子发生了较大角度的偏转,结论:在原子的中心有一个很小的原子核