解答题(本大题共7小题,第29、31、32、33、34题各6分,第30、35题各7分,共计44分...

四、解答题(本大题共7小题,第29、31、32、33、34题各6分,第30、35题各7分,共计44分)

29.“珍爱生命,拒绝毒品”是每个公民的责任,但是在某些娱乐场所,还有人服用俗称“摇头丸”的毒品。该毒品能使人手舞足蹈,呈癫狂状态,严重危害人的身心健康和社会稳定。有一种“摇头丸”的化学式为C12HxO2N,相对分子质量为209。试回答下列问题:

(1)该物质的一个分子中含氢原子________个。

(2)碳元素与氧元素的质量比为________。

(3)418g“摇头丸”中含________克氮元素。

30.2020年杭州某饭店中突然发生爆炸,造成多名正在就餐的顾客受伤。事后调查发现是店内的液化石油气使用不当发生了爆炸。液化气主要是丙烷、丁烷、丙烯、丁烯等组成的混合物,经加压后形成的液体。液化气罐在过量充装、高温烘烤、机械碰撞、设备缺陷等情况下易爆炸。1公斤液化石油气完全燃烧的能量,约等于10公斤TNT(2,4,6-三硝基甲苯,化学式为C7H5N3O6)炸药的威力。

(1)已知甲烷的化学式CH4,乙烷的化学式C2H6,丙烷的化学式C3H8,乙烯的化学式C2H4,丙烯的化学式C3H6。根据以上信息,可以推导出丁烷的化学式为______________,丁烯的化学式为_______________________________________________________________________________。

(2)已知TNT在空气中发生爆炸时,生成二氧化碳、水和空气中体积分数最多的气体,写出TNT发生爆炸的化学方程式:_______________________________。

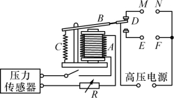
31.据交警部门统计,货车发生交通事故的主要原因是超载,于是交警部门为了检查货车是否超载,设计了一个货车超载自动报警电路。压力传感器受到的压力越大,输出的电压就越大。某压力传感器输出电压与压力的关系如表:

第31题图

他们利用压力传感器和电阻箱R(最大电阻999欧姆)及部分其他器材设计了图示的电路。闭合开关,当线圈中电流大于或等于20毫安时,电磁继电器的衔铁被吸合。已知继电器线圈的电阻为25欧姆,继电器电路的电源电压由压力传感器的输出电压U 提供(假设U 不受继电器电路影响)。

(1)当压力增加到一定程度时,电铃报警,说明汽车超载,则电铃应接在图中________(填“MN”或“EF”)之间。

(2)当货车总质量大于或等于24吨时,启动报警系统。则电阻箱R 的电阻应调节到多大? (g取10牛顿/千克)

32.吴老师在上电动机这节课的时候给同学们介绍了一种简易电动机制作方法:用回形针做成两个支架,分别与电池的两极相连;用漆包线绕一个矩形线圈,以线圈两端的漆包线拉直作为线圈转动轴,用小刀刮去轴的一端全部漆皮,另一端只刮去上半周漆皮;将线圈放在支架上,磁体放在线圈下方。

第32题图

(1)上述“一端只刮去上半周漆皮”,这是为了使这一端相当于直流电动机的哪个结构?____________。

(2)如果电池、开关、导线的连接和性能良好,闭合开关后,发现线圈只抖动了一下,并不转动,原因可能是______________,这时可进行的有效尝试是____________________。

33.同学们学习了土壤的结构和类型后,发现不同的土壤渗水能力是不同的。于是设计了如图所示的实验装置,并分小组进行了如下研究:

第33题图

(1)实验中,第一小组在两个漏斗中放入不同种类的土壤,除了浇水量相同外,还要控制相同的量是________________________。

(2)若通过实验得出砂土的渗水性能好的结论,那么观察到的实验现象是_____________________________________________。

(3)实验时,有同学认为通过比较不同小组锥形瓶中水体积的多少,也能判断不同小组所选用土壤的渗水能力强弱,你认为这种方法是否一定可行?________(填“是”或“否”)。

34.某科学兴趣小组对“测定空气中氧气含量”的实验进行了改进:将数显设备、气体压强传感器和空气中氧气含量测量装置按右图连接。

第34题图

(1)磷燃烧明明消耗了氧气使气体压强变小,但是数显设备显示,开始一段时间集气瓶内气体压强上升,这是因为____________________________________________________。

(2)基于数显设备显示的气压变化,“过一段时间打开活塞”中的“一段时间”指的是火焰熄灭后到集气瓶内的温度恢复到室温所经历的时间。如果提前打开活塞,会导致测量结果________(填“偏大”“偏小”或“没有影响”)。

35.取CaCl2和CaCO3的混合物15g于烧杯中,向其中滴加一定溶质质量分数的稀盐酸,滴加稀盐酸的质量与产生气体质量的关系如图所示(注:CaCl2与稀盐酸不能发生反应)。求:

第35题图

(1)混合物中CaCO3的质量。

(2)稀盐酸中的溶质质量分数。

(3)恰好完全反应时,所得溶液中溶质的质量分数。(写出计算过程,结果保留一位小数)