【摘要】:图8.8轴套类零件的结构形状表达方法轴套类零件主要是在车床或磨床上加工,为了加工时看图方便,主视图应按照加工位置安放,即将轴套类零件的轴线水平放置。图8.9小轴零件图图8.10轴套的零件图尺寸标注由于轴套类零件的主体结构一般都是同轴回转体,因此,轴线既是高度方向的尺寸基准,又是宽度方向的尺寸基准,所以,将轴线称为径向尺寸基准;长度方向尺寸基准通常选用重要的端面、接触面(轴肩)或定位面,如图8.9 和图8.10 所示。
(1)结构特点
轴套类零件的主要结构是同轴回转体(圆柱体或圆锥体),轴向尺寸较长,径向尺寸较小。根据设计及工艺上的要求,这类零件通常带有键槽、轴肩、螺纹、挡圈槽、退刀槽、砂轮越程槽、销孔及中心孔等结构,如图8.8 所示。

图8.8 轴套类零件的结构形状
(2)表达方法
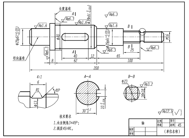
轴套类零件主要是在车床或磨床上加工,为了加工时看图方便,主视图应按照加工位置安放,即将轴套类零件的轴线水平放置。轴类零件一般用一个基本视图作为主视图来表达主体结构形状,不必再配其他基本视图。为了表达这类零件上的孔、键槽和退刀槽等结构,常采用移出断面、局部剖视图、局部放大图等表达方法,如图8.9 所示。
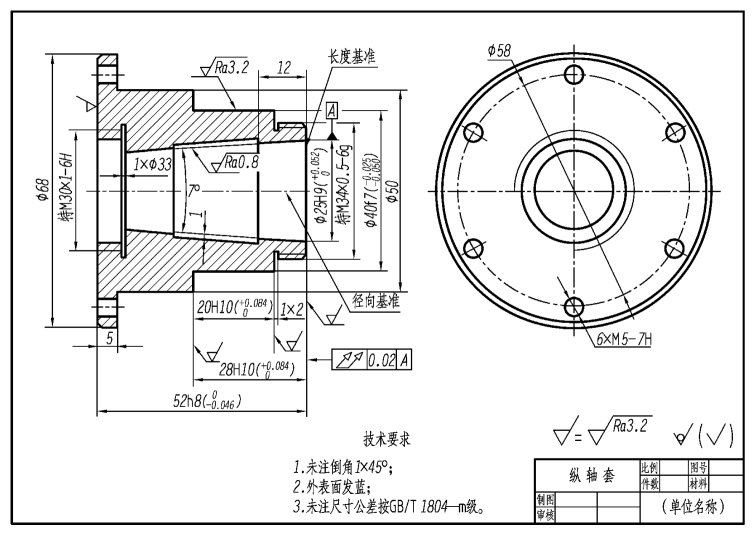
因套类零件的主体结构为空心,所以主视图要用剖视图来表达,同时,增加左视图或右视图表达套类零件上的安装板的形状及安装孔的大小及分布情况,如图8.10 所示。(https://www.daowen.com)

图8.9 小轴零件图

图8.10 轴套的零件图
(3)尺寸标注
由于轴套类零件的主体结构一般都是同轴回转体,因此,轴线既是高度方向的尺寸基准,又是宽度方向的尺寸基准,所以,将轴线称为径向尺寸基准;长度方向尺寸基准通常选用重要的端面、接触面(轴肩)或定位面,如图8.9 和图8.10 所示。在选定尺寸基准的基础上,再标注其他尺寸。
免责声明:以上内容源自网络,版权归原作者所有,如有侵犯您的原创版权请告知,我们将尽快删除相关内容。
相关文章
