选择题(本大题共有15小题,每小题3分,共45分。每小题只有一个选项是正确的,不选、多选、错选均...

一、选择题(本大题共有15小题,每小题3分,共45分。每小题只有一个选项是正确的,不选、多选、错选均不给分)

1.相对稳定的洁净空气对人类和其他生物的生存都非常重要。为了使天空更蓝,需采取各种措施积极地防治空气污染。下列不属于空气污染物的是  ( )

A.二氧化氮 B.二氧化碳 C.PM2.5 D.二氧化硫

2.如图所示是课本中有关磁现象的一些实验。下列说法中正确的是  ( )

第2题图

A.通电后出现图甲所示小磁针偏转现象,说明通电直导线周围存在磁场

B.图乙中铁屑分布情况显示了条形磁体两极磁性最弱,中间磁性最强

C.图丙中细线悬挂的磁体自然静止后,磁体的北极将指向地理南极附近

D.图丁中铁棒靠近小磁针时,二者相互吸引,说明靠近前铁棒一定具有磁性

3.如图为某原子结构模型的示意图,其中a、b、c是构成该原子的三种不同粒子。下列说法正确的是 ( )

第3题图

A.决定该原子种类的是粒子c的数目 B.原子的质量集中在a和c上

C.原子中b与c的数目一定相同 D.原子中a与b的数目一定相同

4.早春,江滨公园附近的樱花大道上,繁花似锦。樱花树的叶片还没有长出来,却开出了娇艳的花朵。下列关于花中有机物来源的说法正确的是  ( )

A.根从土壤吸收并运输到花 B.花瓣通过光合作用合成

C.树皮通过光合作用合成 D.叶通过光合作用合成

5.2021年4月,南京某高校9名大学生吸网购电子烟后入院。经查,与该电子烟中含有的四氢大麻酚(C21H30O2)有关。下列有关四氢大麻酚的说法正确的是  ( )

A.四氢大麻酚由21个碳原子、30个氢原子和2个氧原子构成

B.四氢大麻酚中碳、氢、氧元素的个数比为21∶30∶2

C.四氢大麻酚由四氢大麻酚分子构成

D.四氢大麻酚的相对分子质量为314g

6.创建平安东阳,构建和谐校园,需要我们每一个同学增强安全意识。下列有关安全用电的做法,你认为正确的是  ( )

A.家里的断路器跳闸,立即手动合上断路器恢复供电

B.发现有人触电,立即用绝缘体挑开导线或切断电源

C.将用电器三脚插头的最长脚折断后,插在两孔插座上使用

D.用电器失火时,先用灭火器灭火,等火势减弱后,再切断电源

7.分类是一种常用的科学研究方法。依据不同的标准,分类的结果往往不同。下表是四位同学按不同标准对下列六种物质的分类,分类结果不正确的是  ( )

①洁净的空气 ②冰水混合物 ③氯化钾 ④高锰酸钾 ⑤氮气 ⑥硫酸铜溶液

8.据报道,科学家们已经能利用仪器“听到”并记录下植物“喝水”时发出的声音。下列关于植物“喝水”的讨论正确的是  ( )

A.植物“喝水”的主要部位是根尖的伸长区

B.“喝”进的水会沿着根、茎、叶中的筛管运送到植物各处

C.“喝水”时,无机盐会“搭便车”,“跑”到植物的各个部分

D.听到“喝水”声时,叶片气孔排出的气体一定没有二氧化碳和氧气

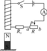
9.如图所示,条形磁铁竖直放置在水平地面上。下列相关说法正确的是 ( )

第9题图

A.闭合开关S,电磁铁下端为S极

B.对调电源的正负极,可以减小条形磁铁对地面的压强

C.当滑片P 向a 端移动时,电磁铁的磁性减弱

D.当滑片P 向a 端移动时,条形磁铁对地面的压强减小

10.地球上有丰富的水资源,科学家们一直致力于寻找成本低、效率高的催化剂,让水在常温下发生反应来获得氢能源。下列相关说法正确的是  ( )

A.水生成氢气和氧气的反应属于分解反应 B.保持水化学性质的最小微粒是氢原子和氧原子

C.一个化学反应只能有一种催化剂 D.催化剂在化学反应前后质量和性质都不发生改变

11.小研的老家在进行美丽乡村建设,道路两旁刚移栽了许多桂花树。下列说法符合科学原理的是( )

A.为保证树形优美,移栽时尽可能地保留枝叶

B.为保护幼根和根毛,尽可能地带土移植,并用支架固定

C.为提供足够的水分,给植物在树皮部位“吊瓶”输液

D.为提供充足的养料,大量施用含氮、磷、钾的化肥

12.下列四幅图分别表示实验过程中某些量的变化,其中正确的是  ( )

A.在密闭的装置内点燃足量的红磷 B.加热一定量的高锰酸钾固体

C.向一定量的石灰石中滴加过量稀盐酸 D.加热氯酸钾和二氧化锰的混合物

13.将一个土豆(含有过氧化氢酶,对过氧化氢分解起催化作用)切成若干大小和厚薄相同的片,放入盛有一定体积和浓度的过氧化氢溶液的针筒中(如图所示)。若土豆片为4片时,在最适的pH 及温度条件下,每隔5分钟收集一次数据,并绘制出曲线1;利用同样的实验装置,改变某条件后,收集数据可绘制出曲线2,如图所示。则改变的条件是  ( )

第13题图

A.适当降低溶液的pH B.减少土豆片的数量

C.适当提高温度 D.减少过氧化氢的体积和浓度

14.如图为家庭电路的一部分,闭合开关S,电灯正常工作。在三孔插座上接入电饭煲后,发现电饭煲不能正常工作,灯仍正常发光。拔出电饭煲的插头,用测电笔分别测试三孔插座的左右两孔,氖管均不发光。若此时电路只有一处故障,则可能是  ( )

第14题图

A.电饭煲断路 B.CD间断路 C.插座短路 D.AB间断路

15.在一密闭容器中发生某反应,容器中各物质的质量变化如表所示。下列说法正确的是  ( )

A.m4的值为15

B.生成物的质量比为22∶9

C.m1的值为10

D.反应后各物质恰好完全反应