7.3.3 定积分的物理应用
7.3.3.1 变力做功
由物理学知道,一个物体在一个不变的力F的作用下,沿力的方向作直线运动,移动的距离为s时,F所做的功为
W=F·s.
但在实际问题中,物体在运动过程中受到的力经常是变化的,这就要考虑变力做功问题.
设物体在变力F=f(x)的作用下,沿x轴正方向从点a移动到点b,且变力的方向与x轴的正向一致.
取积分变量为x,在区间[a,b]上任取一个小区间[x,x+Δx],在此小区间[x,x+Δx]上变力可以近似的看成常力,从而求得功微元为
dW=f(x)dx.
则在区间[a,b]上变力所做的功为
![]()
例1 把一个带+q电量的点电荷放在r轴上坐标原点O处,它产生一个电场.这个电场对周围的电荷有作用力.由物理学知道,若有一个单位正电荷放在这个电场中距离原点O为r的地方,则电场对它的作用力的大小为

计算当这个单位正电荷在这个电场中从r=a处沿r轴移动到r=b(a<b)r的地方,电场力对它所做的功.
解 取积分变量为r,在区间[a,b]上任取一个小区间[r,r+Δr],在此小区间[r,r+Δr]上变力可以近似的看成常力,从而求得功微元为

则,在区间[a,b]上电场力所做的功为

7.3.3.2 压力
定积分在物理上有着广泛的应用,除了前面提到的用定积分计算变力所做的功以外,还可计算压力.
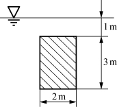
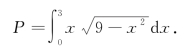
例2 一直径为6m的圆形管道,有一道闸门,管道盛水半满时(图7-41),计算闸门所受的压力.
解 根据题意,建立(图7-41)的直角坐标系.只需求出圆x2+y2=9在第一象限部分所受的压力P,就可得出整个阀门所受的压力.
取积分变量为x,在区间[0,3]上任取一个小区间[x,x+Δx],由于在相同深度处压强相同,在此小区间[x,x+Δx]上各点的压强等于水的比重×深度,从而求得压力微元为
![]()

图7-41
则在区间[0,3]上压力为
(https://www.daowen.com)
用MATLAB解:

按Enter得到结果为ans=9.

所以整个阀门所受压力为18t.
课后提升

微积分里的爱恨情仇
1.底面半径为3m,高为3m的圆锥形贮水池内装满水,求抽尽其中的水所做的功.
2.一圆柱形的贮水桶高5m,底圆半径为3m,桶内盛满了水.试问要把桶内的水全部吸出需要做多少功?
3.两个小球中心相距r,各带同性电荷Q1与
互推斥的力可由库伦定律F=
(k为常数)计算.当r=0.50m时,F=0.196N,现两球之间的距离从r=0.75m变为r=1m,求电场力所做的功(精确到0.001J).
4.有一矩形闸门(图7-42),尺寸如图所示,求当水面超过门顶1m时,闸门上所受的水压力.
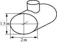
5.洒水车上的水箱是一个横放的椭圆柱体(图7-43),尺寸如图所示.当水箱装满水时,计算水箱的一个端面所受的压力(精确到0.001J).
6.某水库的闸门形状为等腰梯形,它的顶宽40m,底宽15m,高8m,计算当水面与闸门顶平齐时,闸门一侧所受的水压力.

图7-42 矩形闸门
答案
1.66150π.
2.约353430(kg·m).
3.0.016J.
4.1.47×105N.
5.1.73×104N.
6.7.317×106N.

图7-43 洒水车上的水箱