习 题

上述计算公式中的基本数据,是通过逐时实测污水流量、污水浓度变化而得到的。污水流量和水质变化的观测周期越长,则调节池的计算结果准确性与可靠性也越高。

5.1.2 除油

1)含油污水中油的种类与油粒上浮

含油污水主要来源于石油、石油化工、钢铁、炼焦、机械加工与修理、屠宰、饮食业等工矿企业。在一般的生活污水中,油脂占总有机物的10%。

油类污染物按组成成分可分为两类:第一类包括动物或植物脂肪;第二类是原油或矿物油的液体部分。

污水中的油类按其存在状态可分为4类:

①浮油:油珠的粒径一般在100~150μm,很容易浮于水面形成油膜或油层。浮油是含油污水的主要油组分。

②分散油:油珠的粒径一般在10~100μm,悬浮于水中,静止一定时间后可形成浮油。

③乳化油:油珠粒径小于10μm,一般为0.1~2μm,通常由于污水中含有表面活性剂而使之形成稳定的乳化状态,即使长期静置也难以从水中分离出来。乳化油必须先经过破乳处理转化为浮油,然后再加以分离。

④溶解油:油珠粒径有的可小到几个纳米,其溶解度很小,在水中呈溶解状态。溶解油的含量一般不大,通常利用化学或生化方法将其分解去除。

对于浮油和分散油等较大的不稳定悬浮油珠颗粒来说,由于油珠颗粒的密度比水小,在静止状态下,油珠颗粒能够上浮。其上浮过程与前面所讲的密度大于水的颗粒的沉淀类同,其上浮的速度可用修正的斯托克斯(Stokes)公式表示:

式中:β——水中悬浮物引起颗粒碰撞的阻力系数,一般取0.95。

与沉淀池的原理相似,隔油池是提供一个相对平缓的水流环境,使水中较大的油珠颗粒有足够的时间上浮于水面,从而将水中的油类污染物去除。因此,隔油池的构造与沉淀池也有相似之处。常用的隔油池有平流式隔油池与斜流式隔油池。

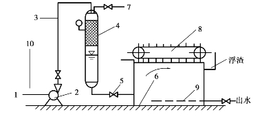
2)平流式隔油池

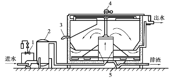
平流式隔油池的构造如图5.6所示,污水自进水管流入,经配水槽进入澄清区。在该区内,密度小的油珠上浮在水面,密度大的固体杂质则沉到池底。经分离后的净水继续流向出水槽经出水管排出。出水端的水面附近有一根直径200~300mm的圆形集油管,沿其长度在管壁的一侧开有切口并可绕管轴线转动。平时切口在水面以上,需排油时,转动集油管,使切口浸入水面油层以下,循环运动的刮油刮泥机将浮于水面的油刮入管内,沿管道导出池外,同时刮油刮泥机还将污泥刮入污泥斗排出。

图5.6 平流式隔油池

污水在池内停留时间一般为1.5~2h,水平流速很低,一般为2~5mm/s,最大不超过15mm/s。隔油池有效水深为1.5~2m,池宽和池深之比一般为0.3~0.4,池长和池深之比不小于4,超高不应小于0.4m。池上应加盖板,以防止石油气味的散发,同时还起防雨、防火和保温作用。

平流隔油池的设计一般按油粒上浮速度计算。油粒上浮速度u可通过试验求出(同沉淀的方法相同)或直接应用式(5.4)计算。

①表面面积A:

式中 Q——污水流量,m3/h;

 α——修正系数,与隔油池内污水水平流速对油粒上浮速度比值(v/u)有关,其值按表5.1查取。

表5.1 隔油池修正系数α与v/u的关系

②过水断面:

③池长L:

式中:h——隔油池有效水深,m。

平流式隔油池应用较早,它的优点是构造简单、运行管理方便、除油效果稳定;缺点也比较明显:体积大、占地面积大、处理能力低,除油率一般为60%~70%,只可除去浮油,影响了它的推广使用。

3)斜板式隔油池

斜板式隔油池是借鉴斜板式沉淀池的思路,由平流隔油池改良发展而来的,其构造如图5.7所示。池内装置的波纹板间距为20~50mm,倾角为45°。污水流入隔油池后,沿板面向下流,从出水堰排出。污水在从斜板中通过时,水中的油粒上浮到上层板的下表面,并沿板的下表面向上流动,最后从位于水表面的集油管排走;水中的污泥则沉到下板的上表面,滑落入池底部通过排泥管排出。

由于大幅度缩短了油粒上浮距离,因此这种隔油池的油水分离效率较高,可分离油滴的最小直径约为60μm,污水在池中停留时间一般不大于30min,隔油池的占地面积只有平流式的1/4~1/3,除油效率为70%~80%。我国新建的隔油池大多采用斜板式隔油池。

图5.7 斜板式隔油池

近些年还广泛使用一种叫“粗粒化装置”的小型高效油水分离装置,其原理是让污水通过一种亲油性粗粒化材料,粗粒化材料对水中微小油粒快速吸附、黏附,并在其表面凝聚粗粒化成大的油滴,这些大油滴可以很容易的利用上浮去除。粗粒化装置除油率很高,可除去1~2μm的油粒,出水含油量可降至20mg/L以下。另外,设备占地面积也小,药剂、动力消耗低,不产生二次污染,是一种很有发展前途的除油装置。

另外,对于难以处理的含油废水,采用气浮除油也是一个很好的方法。

5.1.3 离心分离

1)离心分离原理

高速旋转的物体能产生离心力。含悬浮物(或乳化油)的水在高速旋转时,由于颗粒和水的质量不同,因此受到的离心力大小也不同,质量大的被甩到外围,质量小的则留在内围,通过不同的出口分别导引出来,从而回收了水中的悬浮颗粒(或乳化油),并净化了水。

2)离心分离设备

离心分离设备按离心力产生的方式可分为两种类型:一种为水力旋流器(或称旋流分离器),有压力式和重力式两种,设备固定,水由水泵压力或重力(靠进出水水头差)沿切线方向进入设备,造成旋转运动来产生离心力;另一种为离心机,依靠转鼓的高速旋转产生离心力。

(1)压力式水力旋转器

如图5.8所示,水泵将水沿切线方向压入水力旋流器,沿器壁向下旋转运动(一次涡流),然后再向上旋转(二次涡流),通过上部清液排出管排出澄清液。较大的悬浮颗粒在离心力的作用下沿器壁向下滑动,随浓液从底部排出;较小的悬浮颗粒旋转到一定程度后随二次涡流由清液管排出。旋流器的中心部分还上下贯通有空气漩涡柱,空气由下部进入,上部排出。

(2)水力旋流沉淀池(重力式水力旋流器)

如图5.9为某钢厂处理轧钢废水的水力旋流沉淀池示意图。旋流沉淀池的直径D=6m,地下部分深17m。废水由切线方向进入池内,造成旋流,在离心力及重力作用下,氧化铁皮被抛向池壁并向池底集中,定期由抓斗卸出。出水溢流到吸水井,用泵抽送到高梯度磁分离器,进一步处理后送回车间循环使用。

图5.8 压力式水力旋流器
1—圆筒;2—圆锥体;3—进水管;4—上部清液排出管;
5—底部浓液排出管;6—放气管;7—顶盖

图5.9 水力旋流沉淀池
1—重力式水力旋流器;2—水泵室;3—油泵室;4—集油槽;
5—抓斗;6—护臂钢轨;7—吸水井;8—进水管(切线方向进入)

(3)离心机

离心机的种类很多,按分离因素a分类,有低速离心机(a<1500)、中速离心机(a= 1500~3000)、高速离心机(a>3000);按离心机的形式分类,有间歇式过滤离心机、转筒式离心机、管式离心机、盘式离心机等。

图5.10 间歇式过滤离心机

离心机常用于污泥或化学沉渣的脱水及乳化油的分离等。

①间歇式过滤离心机。如图5.10所示,绕垂直轴旋转的转鼓壁上有很多圆孔,壁内衬以帆布。污泥或沉渣由上部投入鼓内,在离心力的作用下冲向鼓壁,水穿过滤布而流出鼓外,固体颗粒则被截留在鼓内,从而完成固液分离过程。停机后可将滤渣从鼓内取出。

②转筒式离心机。转筒式离心机一般属中速离心机,用于污泥脱水及含纤维或浆粕的废水处理。

③盘式离心机。盘式离心机属高速离心机,转速一般大于5000r/min。转鼓内有很多盘片,在盘片之间形成狭窄的通道,以提高固液分离的效率,如同在沉淀池中装设斜板一样。为防止盘片堵塞,进料前应先经细筛网过滤。废水进入转鼓后,废水中的轻组分(如乳化油)和重组分(如泥沙)由于所受的离心力不同,重组分被甩向鼓壁,随水冲出鼓外,轻组分则随水由鼓中心流出。

5.1.4 过滤

过滤一般是指以石英砂等粒状材料组成的滤料层截留水中的悬浮杂质,从而使水获得澄清的工艺过程,其原理在地表水处理相关内容中已经阐述。

1)滤池形式

按滤料的种类分,有单层滤池、双层滤池和多层滤池;按作用水头分,有重力式滤池(作用水头4~5m)和压力滤池(15~20m);从进、出水及反冲洗水的供给与排除方式分,有快滤池、虹吸滤池和无阀滤池。根据过滤材料不同,过滤可分为颗粒材料过滤和多孔材料过滤两大类。

由于废水悬浮物浓度高,为了延长过滤周期,提高滤池的截污量,可采用上向流、粗滤料双层和三层混合滤料滤池;为了延长过滤周期,适应滤池频繁冲洗的要求,可采用连续流过滤池和脉冲过滤滤池;对含悬浮物浓度低的废水,可采用给水处理中常用的压力滤池、移动冲洗罩滤池、无(单)阀滤池等。

2)滤料选择

在废水处理中,颗粒材料过滤主要用于经混凝或生物处理后低浓度悬浮物的去除。由于废水的水质复杂,悬浮物浓度高、黏度大、易堵塞,选择滤料时应注意以下几点:

①滤料粒径应较大。采用石英砂为滤料时,砂粒直径可取为0.5~2.0mm,相应的滤池冲洗强度亦大,可达18~20L/(m2·s)。

②滤料耐腐蚀性应较强。滤料耐腐蚀的标准是用浓度为1%的Na2 SO4水溶液,将烘干恒重后的滤料浸泡28d,质量减少值以不大于1%为宜。

③滤料的机械强度好,成本低。

滤料可采用石英砂、无烟煤、陶粒、大理石、白云石、石榴石、磁铁矿石等颗粒材料及近年来开发的纤维球、聚氯乙烯或聚丙烯球等。

5.2 工业废水的化学处理

5.2.1 中和

工业生产中总伴随有酸性废水和碱性废水。酸性废水中常见的酸性物质有硫酸、硝酸、氢氟酸、氢氰酸、磷酸等无机酸以及醋酸、甲酸、柠檬酸等有机酸。碱性废水中常见的碱性物质有苛性钠、碳酸钠、硫化钠及胺等。如果将这些废水随意排放,不仅会污染环境,而且会造成巨大浪费。因此,对酸或碱性废水首先应考虑回收和综合利用,必须排放时,需进行无害化处理。

当酸性或碱性废水浓度较高,如在3%~5%以上时,应考虑回收和综合利用的可能性;当浓度不高时,如低于3%~5%,回收和综合利用的经济意义不大时,可考虑中和处理,使废水的pH恢复到中性附近的一定范围。

中和处理发生的主要反应是酸与碱生成盐和水的中和反应。在中和过程中,酸碱双方的当量恰好相等时称为中和反应的等当点。强酸强碱互相中和时,由于生成的强酸强碱盐不发生水解,因此等当点即中性点,溶液的pH等于7.0。但中和的一方若为弱酸或弱碱,由于中和过程所生成的盐的水解,尽管达到等当点,但溶液并非中性,pH大小取决于所生成盐的水解度。

中和处理所采用的药剂称中和剂。酸性废水处理时所用中和剂有石灰、石灰石、白云石、苏打、苛性钠等。碱性废水处理时所用中和剂有盐酸和硫酸。

中和处理时首先应考虑将酸性废水与碱性废水互相中和,其次再考虑向酸性或碱性废水中投加药剂中和以及过滤中和等。

1)酸性废水的中和处理

(1)酸碱废水互相中和

酸碱废水互相中和是一种简单又经济的以废治废的处理方法。利用酸性废水和碱性废水互相中和时,应进行中和能力计算。中和时两种废水的酸或碱的当量数应相等。在中和过程中应控制碱性废水的投加量,使处理后的废水呈中性或弱碱性。根据化学反应当量原理,可按下式进行计算:

式中:Qb——碱性废水流量,m3/h;

 Bb——碱性废水浓度,mg/L;

   Qa——酸性废水流量,m3/h;

   Ba——酸性废水浓度,mg/L;

   α——药剂比耗量,即中和1kg酸所需碱量,见表5.2;

   k——反应不完全系数,一般取1.5~2。

表5.2 碱性中和剂的比耗量

(2)药剂中和

投加药剂中和法常用于酸性废水的处理。以石灰石、电石渣、石灰作中和剂,也有采用碳酸钠和苛性钠作中和剂的。反应原理都是酸碱中和反应,中和剂的投加量可按化学反应式进行估算。中和反应较快,废水与药剂边混合,边中和,可用隔板构成狭道或用搅拌机械混合药剂和废水,停留时间采用5~20min。

由于药剂中常含有不参与中和反应的惰性杂质(如砂土、黏土),因此药剂的实际耗量比理论耗量要大些。药剂的纯度应根据药剂分析资料确定。当没有分析资料时,可参考下列数据:生石灰含有效CaO 60%~80%,熟石灰含Ca(OH)2 65%~75%;电石渣及废石灰含有效CaO 60%~70%;石灰石含CaCO3 90%~95%;白云石含CaCO3 45%~50%。

石灰的投加方式可以用干投或湿投。干投是将石灰粉直接计量投入水中。投加时,可使用具有电磁振荡装置的石灰投配器。石灰投入废水渠,经混合槽折流混合0.5~1min,然后进入沉淀池将沉渣进行分离。干投法设备简单,但是反应不彻底,反应速度慢,投药量大,为理论值的1.4~1.5倍,劳动强度大,卫生条件差。

目前常用的是湿投法。湿投法先将石灰消解,配制成石灰乳液,然后投加。石灰乳液浓度在10%左右,用泵送到投配器,经投配器投入到混合反应设备。送到投配器的石灰乳量大于投加量,剩余部分回流,保持投配器液面不变,投加量由投配器控制。当短时间停止投加石灰乳时,石灰乳可在系统内循环,不易堵塞。石灰消解槽不易采用压缩空气搅拌,因为石灰乳与空气中的CO2会反应生成CaCO3沉淀,既浪费药剂又引起堵塞。一般采用机械搅拌。湿投法设备较多,但反应迅速彻底,投药量少,仅为理论值的1.05~1.10倍。石灰乳投配流程如图5.11所示。

中和池可间歇运行也可连续运行。当废水量少、废水间歇产生时,采用间歇运行较合理,设置两个池子,交替工作;当废水量大时,一般用连续处理。

中和过程产生的泥渣应及时分离,以防止堵塞管道。分离设备可采用沉淀池或气浮池。

投药中和法适用于任何浓度、任何性质的酸性废水。对水质水量的波动适应性强,中和剂利用率高,中和过程容易调节;但劳动条件差,药剂配制和投加设备多,基建投资大,泥渣多且脱水困难。

图5.11 石灰乳投配装置

投药中和酸性废水时,投药量Gb(kg/h)可以按式(5.8)计算:

式中:Ga——废水中酸的含量,kg/h;

 a——中和剂比耗量,见表5.2;

 α——中和剂纯度,%;

 k——反应不均匀系数,一般取1.1~1.2,石灰乳中和硫酸时取1.1,中和盐酸或硝酸时可取1.05。

如果用投药中和法处理碱性废水,常选用硫酸作中和剂,其优点是反应速度快,中和完全。如果用工业废酸中和,则消耗成本更低。

(3)过滤中和

废水流经具有中和能力的滤料并与滤料进行中和反应的方法称为过滤中和法。工业上常用石灰石、大理石或白云石作中和滤料处理酸性废水,反应在中和滤池中进行。水流方式为竖流式(升流或降流均可)。

过滤中和法较药剂投加中和法具有操作方便、运行费用低及劳动条件好等优点。但用石灰石作滤料处理浓度较高的酸性废水尤其是硫酸废水时,因中和过程中生成的硫酸钙在水中溶解度很小,易在滤料表面形成覆盖层,阻碍滤料和酸的接触反应。因此,废水的硫酸浓度一般不超过1~2g/L。用白云石作为滤料,硫酸浓度可以适当提高。如硫酸浓度过高,可以回流出水,予以稀释。

过滤中和所使用的中和滤池有普通中和滤池、升流式膨胀中和滤池和滚筒式中和滤池。

①普通中和滤池。普通中和滤池为固定床,水的流向有平流式和竖流式。目前多采用竖流式。竖流式又分为升流式和降流式两种。普通中和滤池的滤料粒径一般为30~50mm,不能混有粉料杂质。废水中如含有可能堵塞滤料的物质时,应进行预处理,过滤速度一般不大于5m/h,接触时间不小于10min,滤床厚度一般为1~1.5m。

图5.12 升流式膨胀中和滤池

②升流式膨胀中和滤池。采用升流式膨胀中和滤池,可以改善硫酸废水的中和过滤。具体操作是废水从滤池的底部进入,水流自下向上流动,从池顶部流出。废水上升滤速高达50~70m/h,滤料间相互碰撞磨擦,加上生成的CO2气体作用,有助于防止结壳,滤料表面不断更新,具有较好的中和效果。滤池分为4部分:底部为进水设备,一般采用大阻力穿孔管布水,孔径9~12mm,进水设备上面是卵石垫层,厚度为0.15~0.2m,卵石粒径为20~40mm,垫层上面为石灰石滤料,石灰石滤料粒径较小(0.5~3mm),滤床膨胀率保持在50%左右,膨胀后的滤层高度为1.5~1.8m,滤层上部清水区高度为0.5m,水流速度逐渐缓慢,出水由出水槽均匀汇集出流。滤床总高度为3m左右,直径大于2m。如图5.12所示为升流式膨胀中和滤池。

当废水硫酸浓度小于2200mg/L时,经中和处理后,出水的pH可提高到6~6.5。

滤池在运行中,滤料有所消耗,应定期补充。膨胀中和滤池一般每班加料2~4次。当出水的pH≤4.2时,须倒床换料。滤料量大时,须考虑加料和倒床机械化操作,以减轻劳动强度。

③滚筒式中和滤池。如图5.13所示,装于滚筒中的滤料随滚筒一起转动,使滤料相互碰撞,及时剥离由中和产物形成的覆盖层,可以加快中和反应速度。废水由滚筒的另一端流出。

图5.13 滚筒式中和滤池

滚筒直径1m或更大,长度为直径的6~7倍。滚筒转速约为10r/min,转轴倾斜角度为0.5~1。滤料粒径十几毫米,装料体积约为转桶体积的一半。进水中硫酸浓度可以超过允许浓度的数倍,滤料粒径不必碎得很小。但负荷率低,约为36m3/(m2·h),构造复杂且动力费用较高,运转时噪声较大,同时对设备材料的耐腐蚀性能要求较高。

2)碱性废水的中和处理

(1)药剂中和

碱性废水的中和剂主要是采用工业硫酸,因为其价格较低。而使用盐酸的优点是反应产物的溶解度高,泥渣量少,但出水溶解固体浓度高。无机酸中和碱性废水的工艺、设备和酸性废水的加药中和设备基本相同。酸性中和剂的比耗量见表5.3。

表5.3 酸性中和剂比耗量

(2)烟道气中和

在工业上还常用另外一种形式的滤床,称为喷淋塔,如图5.14所示,用它来处理碱性废水。中和剂则是含有CO2和少量SO2、H2 S的烟道气。

烟道气中的CO2和少量SO2、H2 S与碱性废水反应式如下:

CO2+2NaOH=Na2 CO3+H2 O

SO2+2NaOH=Na2 SO3+H2 O

H2 S+2NaOH=Na2 S+2H2 O

喷淋塔也是一种竖流式滤池,其滤料是一种惰性填料,本身并不参与中和反应。运行时碱性废水从塔顶用布液器喷出,流向填料床,烟道气则自塔底进入,升入填料床。水、气在填料床接触过程中,废水和烟道气都得到了净化,使废水中和、烟尘消除。

图5.14 喷淋塔

3)中和处理工程应用

某钢厂新建14×104 t/a无缝钢管生产线。酸洗车间所产生的废酸液总量2.26×104 m3/a,含硫酸50g/L,FeSO4 230g/L;酸性废水总量27.28×104 m3/a,含硫酸0.7g/L,FeSO4 1.72g/L。

综合考虑,确定采取工艺流程如下:废酸液先进入石灰中和池进行中和预处理,石灰中和池出水再与酸性废水集中进入调节池调节水质水量,然后通过耐酸泵打入升流式膨胀中和滤塔,塔内用白云石作中和滤料,再经脱气塔去除CO2,如果出水pH还达不到排放标准,则需要再通过溶解槽补加部分碱液进一步中和,然后进入平流式沉淀池进行沉淀,沉淀池出水进入清水池以作回用或外排。石灰中和池沉淀废渣、调节池污泥和沉淀池污泥一起打入污泥浓缩池浓缩,再经带式压滤机进行脱水后外排。其处理工艺流程如图5.15所示。

设计参数:石灰中和池HRT=3h;调节池HRT=10h;变速升流式膨胀滤塔上部滤速40m/h,下部滤速140m/h;脱气塔填料层高2m,共3层;反应槽HRT=2.5h;平流式沉淀池HRT=1.5h,q=2m3/(m2·h);污泥浓缩池HRT=3h。

图5.15 酸性废水处理工艺流程

滤料粒径为0.5~3mm,平均粒径为1.2mm。

该处理站进水pH为2.1~3.4,经处理后出水pH为6.1~6.9。

5.2.2 化学沉淀

向废水中投加某种化学物质,使它和其中某些溶解物质发生化学反应,生成难溶的盐或氢氧化物而沉淀下来,这种方法称之为化学沉淀法。在废水处理中,这种方法常用于处理一些有害的重金属离子如Hg2+、Cd2+、Cr6+、Pb2+、Cu2+等,有时也用于去除某些酸根离子如 、等。

从普通化学知识得知,水中的难溶盐(或难溶氢氧化物)的溶解性质服从溶度积原则,即在一定温度下,在含有难溶盐(或难溶氢氧化物)Mm Nn(固体)的饱和溶液中,各种离子浓度的乘积为一常数,称为溶度积常数(见表5.4),记作Ks

Mn+表示阳离子,Nm-表示阴离子,[]表示摩尔浓度。当[M]×[N]>Ks时,溶液过饱和,超过饱和那部分将析出沉淀,直到达到平衡,等式两边相等。同理,当[Mn+m× [Nm-n<Ks时,溶液不饱和,难溶物将溶解,直到等式两边达到平衡。

根据这种原理,可用它来除去废水中的金属阳离子Mn+或酸根阴离子Nm-。例如向水中投加Nm-离子的某种化合物,使[Mn+m×[Nm-n>Ks,形成Mm Nn沉淀,从而降低废水中的Mn+离子浓度。为了最大限度地使[Mn+m值降低,也就是使Mn+离子更完全地被除去,可以考虑增大[Nm-n值,也就是增大投加药剂量(即沉淀剂量),但是沉淀剂的用量也不宜加的过多,否则会导致相反的作用,一般不超过理论用量的20%~50%。

表5.4 溶度积简表

续表

注:本表数据摘自枟化学和物理手册枠(Handbook of Chemistry and Physics)第55版(1974—1975年)。

化学沉淀法的工艺过程包括:①投加化学沉淀剂,与水中污染物反应,形成难溶的沉淀物而析出;②通过凝聚、沉降、浮上、过滤、离心等方法进行固液分离;③泥渣的处理和回收利用。

1)氢氧化物沉淀法

(1)原理

除了碱金属和部分碱土金属外,其他金属的氢氧化物大多都是难溶的,因此可以用氢氧化物沉淀法去除水中的重金属离子。沉淀剂为各种碱性药剂,常用的有石灰、碳酸钠、苛性钠、石灰石、白云石等。

对一定浓度的某种重金属离子Mn+来说,是否生成难溶的氢氧化物沉淀,取决于水中的OH离子浓度,即pH是金属氢氧化物沉淀的主要条件。根据金属氢氧化物的溶度积Ks和水的离子积KH2O,可以算出生成氢氧化物沉淀的pH。

若以M(OH)n表示金属氢氧化物,则

水的离子积为:

代入式(5.11),则:

将上式两边取对数,则得到:

上式表示与金属氢氧化物沉淀平衡共存的金属离子浓度和溶液pH的关系。

有些金属的氢氧化物沉淀具有两性,即它们既有酸性又有碱性,既能和酸作用,又能和碱作用。以Zn2+为例,在pH=9时,Zn2+几乎全部生成Zn(OH)2沉淀。但是,当碱加到某一数量,使pH>11时,生成的Zn(OH)2又能和碱作用,溶于碱中,生成Zn(OH)24离子。因此,用氢氧化物法分离废水中的重金属时,废水的pH是操作的一个重要条件。

(2)氢氧化物沉淀法在废水处理中的应用

某矿山废水含铜83.4mg/L,总铁1260mg/L,二价铁10mg/L,pH为2.23,沉淀剂采用石灰乳,其工艺流程如图5.16所示。

图5.16 矿山废水处理工艺流程

一级化学沉淀控制pH为3.47,使铁先沉淀,铁渣含铁32.84%、含铜0.148%。二级化学沉淀控制pH在7.5~8.5,使铜沉淀,铜渣含铜3.06%、含铁1.38%。废水经二级化学沉淀后,出水可达到排放标准,铁渣和铜渣可回收利用。

2)硫化物沉淀法

(1)原理

多数金属能形成硫化物沉淀。大多数金属硫化物的溶解度比其氢氧化物要小得多。硫化物沉淀法是向废液中加入硫化氢、硫化铵或碱金属的硫化物,使要去除的金属离子生成难溶的硫化物沉淀,以达到分离纯化的目的。

硫化物沉淀法常用的沉淀剂有H2 S、Na2 S、NaHS、(NH42 S等。

S2-离子和OH离子一样,也能够与许多金属离子形成络阴离子,从而使金属硫化物的溶解度增大,不利于重金属的沉淀去除。因此必须控制沉淀剂的投加量。

(2)应用

硫化物沉淀法处理含汞废水,在碱性条件下(pH=8~10)向废水中投加硫化钠,使其与废水中的汞离子或亚汞离子进行反应:

2Hg+S2-=Hg2 S=HgS↓+Hg↓

Hg2++S2-=HgS↓

用此法处理含汞废水时,由于生成的硫化汞颗粒很小,沉淀物难以分离,为了提高除汞效果,常投加适量的混凝剂,如硫酸亚铁等进行共沉,这种方法称为硫化物共沉法。先投加稍微过量的硫化钠,待生成硫化汞和汞的沉淀后,再投加适量的硫酸亚铁。部分Fe2+离子也能生成Fe(OH)2沉淀。

反应生成的FeS和Fe(OH)2可作为HgS的载体。HgS吸附在载体表面上,与载体共同沉淀。

3)其他沉淀法

(1)钡盐沉淀法

主要用于处理六价铬的废水,采用的沉淀剂有碳酸钡、氯化钡、硝酸钡、氢氧化钡等。如以碳酸钡作为沉淀剂处理含铬废水,则反应如下:

碳酸钡是一种难溶盐,它的溶度积Ks=8.0×10-9,铬酸钡的溶度积Ks=2.3×10-10。相比之下,铬酸钡的溶度积更小,因此向含有铬酸根的水中投加碳酸钡,就会和 生成BaCrO4沉淀,从而使Ba2+浓度下降。BaCO3就会逐渐溶解,直到 完全沉淀。

这种从一种沉淀转化为另一种沉淀的方法称为沉淀的转化。

为了提高除铬效果,应投加过量的碳酸钡,反应时间为25~30min。出水中过量的Ba2+可以用石膏去除。反应如下:

CaSO4+Ba2+=BaSO4↓+Ca2+

(2)碳酸盐沉淀法

许多金属的碳酸盐都难溶于水,所以可用碳酸盐沉淀法将这些金属离子从废水中去除。碳酸盐沉淀法可以有不同的方法:

①以难溶的碳酸钙作为沉淀剂,利用沉淀转化原理,使某些金属离子生成溶度积更小的碳酸盐而析出,如:Pb2+、Cd2+、Zn2+、Ni2+

②以可溶性的碳酸钠作为沉淀剂,使水中金属离子生成难溶的碳酸盐沉淀而析出。

(3)铁氧体沉淀法

铁氧体是一类具有一定晶体结构的复合氧化物,具有较高的导磁率和较高的电阻率,不溶于酸、碱、盐溶液,也不溶于水。其中尖晶石型铁氧体的化学组成一般可以用通式BO·A2 O3表示。其中B代表二价金属,A代表三价金属。许多铁氧体的结构更复杂,A或B分别由两种金属组成。磁铁矿(Fe3 O4或FeO·Fe2 O3)是一种天然的尖晶石型铁氧体。

污水中的重金属可以通过形成Mx Fe3-x O4的尖晶石型铁氧体而去除。

沉淀工艺可分为中和法和氧化法两种。

①中和法。先将M2+和铁盐溶液混合,在一定条件下用碱中和直接形成尖晶石型铁氧体,其反应式为:M2+为二价可溶性金属离子。

②氧化法。将亚铁离子和其他可溶性金属离子溶液混合,在一定条件下用空气或其他氧化方法部分氧化Fe2+,从而形成尖晶石型铁氧体。其反应式为:

例如用铁氧体法处理含铬废水。在含铬废水中加入过量的硫酸亚铁溶液,使其中的六价铬和亚铁离子发生氧化还原反应,Cr6+被还原为Cr3+,而Fe2+被氧化为Fe3+,调整溶液的pH,使Cr3+、Fe2+和Fe3+转化为氢氧化物沉淀,然后加入双氧水,再使部分Fe2+氧化为Fe3+,组成Fe3 O4.xH2 O的磁性氧化物即铁氧体。

铁氧体沉淀法除去水中重金属离子的工艺是向废水中投加铁盐,通过工艺条件的控制,使废水中的各种金属离子形成不溶性的铁氧体晶体,再采用固液分离手段,达到去除重金属离子的目的。

该方法能一次去除多种金属离子,出水水质好、设备简单、操作方便,对水质适应性强,沉渣易分离。但是不能单独回收有用的金属,需要消耗大量的硫酸亚铁和一些苛性钠及热能,出水中的硫酸盐含量较高,处理时间较长,处理成本较高。

4)工程应用

某制革有限公司含铬废水来源于铬鞣和复鞣工段,Cr3+含量较高,废水处理工艺如图5.17所示。

图5.17 废水处理工艺

废水先进入储存池,再进入反应沉淀池,在反应沉淀池加入石灰进行混合,使反应液的pH为8~8.5,通入蒸汽,使水温为70~75℃,静置沉淀2h,上清液进入总混合废水调节池。沉淀下来的铬泥由板框压滤机压成铬饼。

5.2.3 氧化还原

把溶解于废水中的有毒有害物质,经过氧化还原反应,转化为无毒无害的物质,或转化为气体或固体使其容易从水中分离出去,这种废水的处理方法称为氧化还原法。

对于无机物,氧化还原反应的实质是元素(原子或离子)失去或得到电子。反应中,得到电子的物质称为氧化剂,本身被还原;失去电子的物质称为还原剂,反应中本身被氧化。

物质的氧化还原能力可以用其氧化还原电位作为指标。标准氧化还原电位E可以在化学手册中查到。标准氧化还原电位值由负值到正值依次排列。排在前面的可以作为排在后面的还原剂,反应中释放出电子;排在后面的可以作为排在前面的物质的氧化剂,反应中得到电子。E越大,氧化能力越强。氧化剂和还原剂的电位差越大,反应进行得越彻底。

对于有机物的氧化还原反应,难以用电子得失来分析,因为碳原子是以共价键与其他原子结合的。一般来讲,加氧或去氢称为氧化,加氢或去氧称为还原。

在氧化还原反应中,有毒有害物质有时是作还原剂的,这时需外加氧化剂;当有毒有害物质作氧化剂时,需外加还原剂。如果通电电解,则电解时阳极是一种氧化剂,阴极是一种还原剂。

水处理中常用的氧化剂有:空气中的氧、纯氧、臭氧、氯气、漂白粉、次氯酸钠、三氯化铁等;常用的还原剂有:硫酸亚铁、亚硫酸盐、氯化亚铁、铁屑等。

1)化学氧化

(1)空气氧化

空气氧化法是以空气中的氧作为氧化剂来氧化有机物或还原性物质的方法。目前常用的是空气氧化法处理含硫废水。

炼油厂、石油化工厂、皮革厂等排除大量的含硫废水。硫化物一般是以钠盐(NaHS或Na2 S)或铵盐[NH4 HS或(NH42 S]的形式存在于废水中的。在酸性废水中则是以H2 S形式存在的。当含硫量不大,无回收价值时,可采用空气氧化法脱硫。碱性条件下空气氧化法脱硫效果较好。

向废水中同时注入空气和热蒸汽,硫化物转化为无毒的硫代硫酸盐或硫酸盐,反应如下:

由上式可以计算出,氧化1kg硫化物(以S计)为硫代硫酸盐,理论需氧量为1kg,相当于3.7m3空气。由于部分硫代硫酸盐(10%)会进一步氧化为硫酸盐,使需氧量增加到4.0m3空气。实际操作中供气量为理论值的2~3倍。空气氧化脱硫在脱硫塔中进行,如图5.18所示。含硫废水经过隔油沉渣后与压缩空气及水蒸气混合,升温至80~90℃,进入氧化塔,塔径一般不大于2.5m,分4段,每段高3m。每段进口处设喷嘴,雾化进料。塔内气水体积比不小于15,废水在塔内的平均停留时间为1.5~2.5h。

试验表明,当操作温度90℃时,废水含硫量2900mg/L时,脱硫效果达98.3%;当操作温度为64℃时,其他条件相同,脱硫率为94.3%。

(2)臭氧氧化

臭氧氧化法是利用臭氧(O3)的强氧化能力,使污水(或废水)中的污染物氧化分解成低毒或无毒的化合物,使水质得到净化。它不仅可降低水中BOD、COD,而且还可起脱色、除臭、除味、杀菌、杀藻等功能,因而该处理方法越来越受到人们的重视。

①臭氧的物理化学性质。臭氧是氧的同素异形体,其分子式为O3,常温下臭氧为淡蓝色气体,具有一种特殊的臭味。在标准状态下,其密度为2.144g/L。臭氧是一种强氧化剂,其氧化能力仅次于氟,比氧、氯及高锰酸盐等常用的氧化剂都高。除金、铂外,臭氧几乎对所有金属都有腐蚀作用,不含碳的铁、铬合金耐臭氧腐蚀性较好,可以用作制造臭氧化反应设备及零部件。

图5.18 氧化脱硫塔
1—隔油池;2—泵;3—换热器;4—射流器;5—空气氧化塔;6—分离器

通常情况下是以空气为原料制备臭氧化空气(含臭氧的空气)。臭氧化空气中臭氧只占0.6%~1.2%。如果以纯氧作为气源,所生产的是纯氧、臭氧混合气体,其中臭氧含量可增加1倍。在标态下,臭氧化空气注入水中后,臭氧的溶解度只有3~7mg/L。

臭氧在空气中不稳定,会自行分解为氧气并放出大量的热,当温度升高时,其分解速度会加快。浓度为1%以下的臭氧,在常温常压下,其半衰期为16h左右,所以臭氧不易储存,需要一边生产一边使用。臭氧在纯水中的分解速度比在空气中快得多。水中臭氧浓度为3mg/L,在常温常压下,其半衰期仅5~30min,并随水中pH的提高而加快。

②臭氧的制备。臭氧的制备方法有许多,常见的制备方法有无声放电法、放射法、紫外线辐射法、等离子射流法和电解法。无声放电法又有气相中放电和液相中放电两种。在水处理中多采用气相中无声放电法,其工作原理如图5.19所示。

图5.19 臭氧制备原理及设备
1—空气进口;2—臭氧化空气出口;3—冷却水进口;4—冷却水出口;
5—不锈钢管;6—放电间隙;7—玻璃管;8—变压器

在玻璃管外,套一个不锈钢管,使两者之间形成放电间隙。玻璃管内壁涂石墨作为一个电极。交流电源通过变压器升压后,将高压交流电加在石墨层和不锈钢管之间,使放电间隙产生高速电流。玻璃管作为介电体,防止两极间产生火花放电。将干燥的空气或氧气从一端通入放电间隙,受到高速电子流的轰击,从另一端流出时就成为臭氧化空气或臭氧化氧气。反应式如下:

第一步:O2→2O;

第二步:3O→O3

反应中伴随有O+O2→O3,该反应和第二步反应一样,其逆反应是臭氧的分解,尤其在高温下分解速度会加快,由于在放电间隙产生大量热,它使得臭氧分解,因而此种方法生产臭氧,产率都不高。

当以空气为原料生产臭氧,实际电耗为16~18kWh/kgO3

臭氧发生器选型主要是考虑臭氧需要量QO3,再折合成臭氧化(干燥)空气量Q,具体可按式(5.15)计算:

式中:QO3——臭氧需要量,g/h;

Q——废水处理量,m3/h;

1.06——安全系数;

C——臭氧投量,mgO3/L。

影响臭氧氧化的主要因素是废水中杂质的性质、浓度、pH、臭氧的浓度、臭氧的反应器类型和水力停留时间等。臭氧投量应通过试验确定。

臭氧化(干燥)空气量按式(5.16)计算:

式中:Q——臭氧化干燥空气量,m3/h;

CO3——臭氧化空气浓度,g/m3,一般取10~14g/m3

③臭氧接触反应设备。水处理中的臭氧氧化反应实际上是一种气唱液接触的非均相反应,根据臭氧氧化空气与水的接触方式,臭氧氧化反应设备可以分为气泡式、水膜式和水滴式3种反应器。

气泡式反应器是将臭氧加入水中后,水为吸收剂,臭氧为吸收质,在气液两相间进行传质,同时臭氧与水中的杂质进行氧化反应,因此属于一种化学吸收,它不仅和两相间的传质速率有关,还和化学反应速度有关。气泡式反应器正是一种用于受化学反应控制的气唱液接触反应设备,是我国目前水处理中应用最多的一种。实践表明,气泡越小,气唱液的接触面积越大,但是液体的扰动越小,因此,应通过试验确定最佳的气泡尺寸。

气泡产生的方式有多孔扩散式、机械表面曝气及塔板式3种。常见的装置是在臭氧接触反应设备底部安装多孔扩散装置,使臭氧空气分散成微小气泡进入水中。多孔扩散装置有穿孔管、穿孔板和微孔滤板。根据气和水的流动方向不同又可分为同向流和异向流两种,如图5.20、图5.21所示。同向流反应器底部臭氧浓度大,原水杂质的浓度也大,大部分臭氧被易于氧化的杂质消耗掉。而上部臭氧浓度小,此处的杂质较难氧化,低浓度的臭氧往往对它无能为力。因此,臭氧利用率较低,一般为75%,但这种同向流反应器适合用于臭氧消毒,它可促进高浓度臭氧与细菌接触。异向流反应器可以使低浓度的臭氧与杂质浓度大的水相接触,臭氧利用率较高,可达80%,目前工业上用于臭氧氧化处理污水时常采用这种反应器。

图5.20 同向流反应器

图5.21 异向流反应器

如图5.22所示为表面曝气式反应器。反应器内安装曝气叶轮,臭氧化空气沿液面流动,高速旋转的叶轮在其周围形成水跃,使水剧烈搅动而卷进臭氧化空气,气唱液界面不断更新,使臭氧溶于水中。

图5.22 表面曝气式反应器

如图5.23所示为塔板式反应器,有筛板塔和罩泡塔。此外还有填料塔和喷雾塔。

臭氧反应器的容积可按式(5.17)计算:

式中:V——臭氧反应器容积,m3

t——水力停留时间,min,根据试验确定,一般为5~10min;

Q——污水流量,m3/h。

④臭氧氧化在废水处理中的应用。臭氧氧化在工业上运用较多的是印染废水处理、含氰或含酚废水的处理等。它的主要优点是氧化能力强,对除臭、脱色、杀菌、去除无机物和有机物都有显著的效果;处理后废水中的臭氧易分解,不产生二次污染,一般也不产生污泥;设备操作运行方便。但缺点也是明显的,主要是臭氧发生装置造价高,臭氧生产产率低,臭氧氧化过程中臭氧利用率相对低,这样使得臭氧化造价高,处理成本也较高。

图5.23 塔板式反应器

下面以含氰废水的处理为例来简要介绍臭氧氧化的实际运用。

氰与臭氧的反应式为:

按上式反应,第一步,每去除1mg CN需臭氧1.84mg,生成的CNO毒性为CN的1%;第二步氧化到无害状态时,每去除1mg CN需臭氧4.61mg。整个工艺流程如图5.24所示。

图5.24 臭氧氧化法处理含氰废水工艺流程

在前处理装置中把废水中的金属离子先除去,第一氧化塔用过的臭氧化空气继续送入第二氧化塔进行反应。

(3)氯氧化

废水中的有毒有害物质为还原性物质,向其中投入氧化剂,将有毒有害物质氧化成无毒或毒性较小的新物质,此种方法称为药剂氧化法。在废水处理中用得最多的药剂氧化法是氯氧化法。氯系氧化剂有液氯、漂白粉、氯气、次氯酸钠等。其基本原理都是利用产生的次氯酸根的强氧化作用。

许多工业废水(如化工、焦化、煤气、电镀等)含有氰化物。在废水中,氰通常是以游离CN、HCN及稳定性不同的各种金属络合物如[Zn(CN)42-、[Ni(CN)42-、[Fe(CN)63-等形式存在。氯氧化法常用来处理含氰废水,国内外比较成熟的工艺是碱性氯氧化法。

氰离子的氧化破坏分为两阶段进行。第一阶段在碱性条件下,CN被氧化为CNO

CN+ClO+H2 O→CNCl+2OH

CNCl+2OH→CNO+C1+H2 O (pH≥10)

第二阶段,CNO可在不同的pH下,进一步氧化水解:

第一阶段反应,pH越高,反应速度越快,pH<8.5,则有放出剧毒物CNCl的危险。一般工艺条件为:废水pH>11,当CN浓度高于100mg/L时,最好控制在pH=12~13。在此情况下,反应可在10~15min内完成,实际采用的20~30min。

上述处理方法的缺陷是,虽然氰酸盐毒性低,仅为氰的千分之一,但CNO在低pH条件下易水解生成NH3,且有重新溢出CNCl的危险。因此,需将CNO进一步氧化成N2和CO2,消除氰酸盐对环境的污染。

在进一步氧化氰酸盐的过程中,pH的控制是至关重要的。pH>12,则反应停止;pH太低,氰酸根会水解生成氨,并与次氯酸反应生成有毒的氯胺。实际生产控制pH=7.5~8.0,用硫酸调节pH,反应过程适当搅拌以加速反应的完全进行。

通常要求出水中保持3~5mg/L的余氯,以保证CN浓度下降到0.1mg/L以下。

(4)其他氧化

除了以上常用的臭氧氧化、氯氧化、空气氧化,还有一些药剂可作为氧化剂使用,如高锰酸盐氧化。高锰酸盐是一种强氧化剂,能与水中Fe2+、Mn2+、S2-、CN、酚以及有机化合物反应。反应时,高锰酸盐被还原,生成水合二氧化锰,因而具有吸附作用,具有很强的杀菌能力。

高锰酸盐氧化法出水没有异味,氧化剂易于投配和监测。但处理成本较高,高锰酸盐对鱼类毒性较大(最大浓度为5mg/L),适宜与其他处理方法配合使用,可降低处理成本。

2)化学还原

还原法目前主要用于冶炼工业产生的含铜、铅、锌、铬、汞等重金属离子废水的处理。用的方法有铁屑过滤法、亚硫酸盐还原法、硫酸亚铁还原法、水合肼还原法等。

(1)药剂还原法

药剂还原法是利用某些化学药剂的还原性,将废水中的有毒有害物还原成低毒或无毒的化合物的一种水处理方法。

常见的例子是用硫酸亚铁和亚硫酸盐还原处理含铬废水。

①硫酸亚铁还原法。向含铬废水中投加硫酸亚铁作为还原剂,亚铁离子起还原作用,在酸性条件下(pH=2~3),使废水中六价铬还原为三价铬。然后再加碱中和,调节pH至7.5~8.5,生成氢氧化铬和氢氧化铁沉淀,其反应式为:

H2 Cr2 O7+6H2 SO4+6FeSO4→Cr2(SO43+3Fe2(SO43+7H2 O

Cr2(SO43+Fe2(SO43+12NaOH→2Cr(OH)3↓+2Fe(OH)3↓+6Na2 SO4

沉淀的污染物是铬氢氧化物和铁氢氧化物的混合物,需要妥善处理,以防二次污染。如果采用石灰乳进行中和沉淀,污泥中还有CaSO4沉淀。

硫酸亚铁石灰还原法的主要工艺设计参数为:废水中Cr6+浓度为50~100mg/L;pH=1~3;还原剂用量为FeSO4·7H2 O:Cr6+=(25~30)∶1,反应时间不小于30min,中和沉淀时pH=7~9。

工艺流程包括集水、还原、沉淀、固液分离和污泥脱水等工序,可连续操作,也可间歇操作。

②亚硫酸盐还原法。常用亚硫酸钠、亚硫酸氢钠或焦亚硫酸钠作为还原剂。焦亚硫酸钠水解后生成亚硫酸氢钠。

六价铬与亚硫酸钠的反应:

H2 Cr2 O7+3Na2 SO3+3H2 SO4=Cr2(SO43+3Na2 SO4+4H2 O(pH=2~3)

六价铬与亚硫酸氢钠反应:

2H2 Cr2 O7+6NaHSO3+3H2 SO4=2Cr2(SO43+3Na2 SO4+8H2 O(pH=2~3)

还原后用氢氧化钠中和至pH=7~8,生成氢氧化铬沉淀。

采用NaOH中和生成氢氧化铬纯度高,可以回收利用。也可以用石灰中和沉淀,费用较低,但操作复杂,且反应速度慢,生成泥量大,难以回收利用。

亚硫酸盐还原法设计工艺参数:废水中六价铬浓度一般控制在100~1000mg/L,废水pH为2~3;还原剂用量亚硫酸钠(亚硫酸氢钠、焦亚硫酸钠)∶六价铬=4(4、3)∶1;还原反应时间30min。氢氧化铬沉淀pH控制在7~8。

(2)化学还原法处理酸性镀铜废水

用连二亚硫酸钠作为还原剂,在酸性条件下,从硫酸铜溶液中还原出金属铜粉,放出二氧化硫。反应如下:

CuSO4+Na2 S2 O4=Na2 SO4+Cu+2SO2

沉淀后上清液无色透明,Cu2+含量在1mg/L以下。部分二氧化硫可溶于水中生成亚硫酸,因此处理后滤液中含有亚硫酸及过量的连二亚硫酸钠,有很强的还原性,可以用于处理含六价铬废水。

(3)金属还原法

金属还原法是向废水中投加还原性较强的金属单质,将水中氧化性的金属离子还原成单质金属析出,投加的金属则被氧化成离子进入水中。此种处理方法常用来处理含重金属离子的废水,典型例子是铁屑还原处理含汞废水,反应式如下:

Fe+Hg2+→Fe2++Hg↓

2Fe+3Hg2+→2Fe3++3Hg↓

铁屑还原的效果与水中pH有关,当水中pH较低时,铁屑还会将废水中H还原成H2逸出,因而会增加铁屑的用量。pH=6~9时效果较好,因此,当废水的pH较低时,应调节后再处理。反应温度一般控制在20~30℃。

3)工程应用

某无机盐厂主要生产重铬酸钠和铬酸酐,废水主要污染物是六价铬,含量13mg/L左右,全年排出含铬废水约7万吨。废水处理工艺流程如图5.25所示:

图5.25 硫酸亚铁还原法处理含铬废水工艺流程

含铬废水进入均衡池后,由计量泵送入处理池,分析废水中的六价铬含量,按照化学计量式过量20%加入硫酸亚铁,并进行搅拌。废水中的六价铬在酸性条件下与硫酸亚铁发生反应生成三价铬。反应20min后,分析六价铬含量指标,达到排放标准后,加入石灰调节pH为8左右,使Cr3+生成Cr(OH)3沉淀,同时Fe3+、Fe2+分别生成Fe(OH)3、Fe(OH)2沉淀。继续搅拌20min后,停止搅拌,任其自然沉降,上清液直接排出厂外,沉淀物经板框压滤机分离,滤液排放,滤渣烘干返回重铬酸钠焙烧配料工序。

此工艺流程还原时间20min,澄清时间20min,废水处理后六价铬含量小于0.5mg/L。

5.2.4 电解

电解法就是利用电解原理处理废水的方法。在废水的电解处理过程中,因阴极与电源负极相连,放出电子,废水中的阳离子则在阴极上得到电子而被还原;阳极与电源正极相连得到电子,废水中的阴离子则在阳极上失去电子而被氧化。因此,废水中的有害物质在电极上发生了氧化还原反应,生成了新的物质,新的物质则通过沉积在电极表面或沉淀于水中或转化为气体而被去除。

利用废水中物质通过电解后能沉积在电极表面的特点,处理贵重金属废水,同时又能回收纯度较高的贵重金属,如含银、含汞废水的电解处理;利用废水中物质通过电解后能沉淀于水中的特点,处理重金属有毒废水,此时,一般以铁、铅为电极,极板溶解下来的铁、铝离子兼有混凝作用,有助于沉淀分离,如含铬废水的电解处理;利用废水中物质通过电解后生成气体的特点,处理非金属有毒废水,如含氰、含酚废水。下面仅以含铬废水、含氰废水为例,对其原理做简单介绍。

电解法在处理含铬废水时,一般以钢板为电极,在电极上发生如下反应:

从以上反应可以看出,在阳极上铁由于失去电子而被氧化为亚铁离子,亚铁离子是强还原剂,与废水中的铬酸根发生反应,将六价铬还原为三价铬,三价铬的毒性远小于六价铬。在阴极上水中的氢离子因得到电子而在极板上析出,使水中氢离子减少,碱性增强,因此电解需在酸性条件下进行为好,同时也有少量的铬酸根直接从极板上获得电子而被还原为三价铬离子。通过电解及电解液中的反应产物铁离子和三价铬离子,其氢氧化物的溶度积都很小,可通过化学沉淀法去除。

电解法在处理含氰废水时,一般采用石墨做电极,当废水中不加食盐电解质时,在阳极及废水中发生如下反应:

当电解废水中投加食盐时,在阳极及废水中发生如下反应:

从上述反应可以看出,在电解处理过程中,不加食盐电解质时,CN首先在阳极被氧化为CNO,然后CNO再被氧化为无毒的CO2和N2,同时CNO也有部分转化为NH4+;投加食盐后,不但增加了废水的导电性,降低电解电压,电解反应也发生了变化,首先水中的氯离子被氧化为具有强氧化性的游离性氯,然后游离性氯再将CN和CNO氧化为无毒的CO2和N2,从而加速了电解反应。

5.3 工业废水的物理化学处理

5.3.1 混凝

混凝是水处理工程技术中不可缺少的重要工艺过程。在给水处理技术中已经进行系统学习,对于污废水处理而言,影响混凝的因素包括水温、水化学特性、杂质性质和浓度、水力条件等,在实际工作中应注意以下几点:

①低温条件下混凝效果较差,主要因为无机盐水解吸热;温度降低,黏度升高,布朗运动减弱;胶体颗粒水化作用增强,妨碍凝聚。

②无机盐水解造成pH下降,影响水解产物形态。根据水质、去除对象不同,最佳pH范围也不同。有时需碱度来调整pH,碱度不够时需要投加石灰。

③水中杂质浓度低,颗粒间碰撞几率下降,混凝效果差。可采取投加高分子助凝剂、投加黏土、投加混凝剂后直接过滤等措施。

5.3.2 气浮

从斯托克斯(Stokes)公式可以看出,对于密度与水接近的颗粒,无论是沉淀还是上浮,其运动速度都很小甚至为零。采用沉淀与上浮方法处理密度与水接近的颗粒,效果都不理想

气体的密度远小于水以及水中的颗粒物,如果能向水中注入大量的微气泡,并使其与水中欲去除的颗粒黏附在一起,形成密度比水小得多的气浮体,就很容易上浮至水面形成浮渣,从而将这些密度与水接近的颗粒分离出来。这种处理方法称为气浮,也称浮选。在污水处理领域,气浮广泛应用于:分离地面水中的细小悬浮物、藻类及微絮体;代替二次沉淀池,分离和浓缩剩余活性污泥;浓缩化学混凝处理产生的絮状化学污泥;回收含油污水中的悬浮油及乳化油;回收工业污水中的有用物质,如造纸厂污水中的纸浆纤维等。

1)气浮原理

从上面介绍的气浮思路可知,实现气浮分离必须满足两个条件:一是水中有足够数量的微小气泡;二是使欲分离的悬浮颗粒与气泡黏附形成气浮体并上浮。前者可以采用向水中充气、溶气减压等方法,比较容易满足;后者是气浮的最基本条件,也是气浮处理成功与否的关键。

水中通入气泡后,并非任何悬浮物都能与之黏附,这取决于该物质的润湿性。润湿性的大小可用润湿接触角来衡量。为了说清这个问题,现对水、气、颗粒三相黏附界面作一分析,如图5.26所示。

图5.26 亲水性和疏水性颗粒的接触角

在水、气、颗粒三相交界处,不同介质的相表面上因受力不均匀而存在界面张力,图5.26中,σla为水唱气界面张力;σlp为水唱固界面张力;σap为气唱固界面张力。水唱气界面张力σla与水唱固界面张力σlp的夹角θ称为固体颗粒的润湿接触角。润湿接触角大小取决于固体颗粒的表面特性。接触角越大,表示固体颗粒被水润湿性越弱,颗粒与气泡接触面也就越大,二者结合牢固,容易黏附气泡形成气浮体。通常将接触角θ<90°的颗粒,称为亲水性颗粒;接触角θ>90°的颗粒,称为疏水性颗粒。

气浮的第二个必需条件,实际上就是要求欲去除颗粒表面具有疏水性。对于本身就是疏水性的颗粒,可直接用气浮法去除;对于亲水性颗粒,需要采取措施改变其表面特性变成疏水性颗粒,才可用气浮法去除。实际生产中,为提高气浮处理的分离效率,往往都投加浮选剂。浮选剂是一种能改变水中悬浮颗粒表面润湿性的表面活性物质,分子中既有极性基团又有非极性基团,它能将极性基团吸附于亲水颗粒表面,而非极性基指向水相,在亲水性颗粒的表面形成一层非极性吸附层,使颗粒具有疏水性可利用气浮处理去除。

在气浮过程中,悬浮颗粒靠黏附微气泡上浮,水中气泡的数量、分散度、稳定性等直接影响气浮分离效率。

向水中充入同样体积的空气量,气泡体积越小,则气泡数量越多,表面积越大,分散度越高,那么气泡与悬浮颗粒接触、粘附的机会就越多,气浮效果也就越好。实践证明,气泡直径在100μm以下才能很好地附着在悬浮物上面。

在气浮过程中往水中加入一定浓度的表面活性物质,表面活性物质将与气泡相互作用,非极性端伸入气相,极性端伸向水中,由于电荷的相斥作用,从而增加微气泡的稳定性。这样可促进气泡在水中弥散,防止微气泡兼并变为大气泡;同时也可避免气浮体上升到水面后,由于气泡很快破灭不能形成稳定的气浮泡沫层,在被刮渣设备去除之前,再次沉入水中。

任何事物都有两面性,表面活性物质虽然可改变颗粒的润湿性、气泡的稳定性,对气浮有利。但当其含量超过一定限度后,会使油类严重乳化,这时尽管起泡现象强烈,泡沫形成良好,但浮选效果却很差。对于乳化油的气浮应先向污水中投加破乳剂。

用于气浮的药剂种类很多,按其作用不同,可分为捕收剂、起泡剂、调整剂等。捕收剂能改善颗粒润湿性,提高可浮性,常见品种有硬脂酸、脂肪酸及其盐类、胺类等;起泡剂的作用是确保产生大量微细且均匀的气泡,并保持泡沫的稳定,通常为表面活性剂;调整剂的作用是提高气浮过程的选择性、加强捕收剂的作用并改善气浮条件。

气浮处理方法按气泡产生方式的不同分为溶气气浮、充气气浮及电解气浮3类。

2)溶气气浮

溶气气浮是先将空气在压力下送入水中,然后减压使水中的过饱和空气以微细的气泡形式释放出来,从而使水中的杂质颗粒被黏附形成气浮体,上浮到水面分离。溶气气浮产生的气泡直径只有20~100μm,粒径均匀,并且可人为控制气泡与污水的接触时间,净化效果比较好。

根据气泡在水中析出时所处压力的不同,溶气气浮又分为加压溶气气浮和溶气真空气浮两类。溶气真空气浮在负压下工作,设备构造复杂,运行维护管理都不方便,生产上应用较少。加压溶气气浮法是目前应用最广泛的一种气浮方法。

(1)基本流程

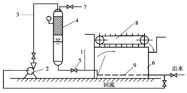
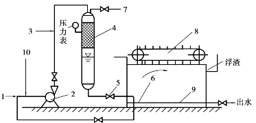
根据加压空气与水的混合方式不同,加压溶气气浮的基本流程可分为以下3种。

图5.27 全溶气方式加压气浮流程示意图
1—原水;2—加压泵;3—空气;4—压力溶气罐(内含填料);5—减压阀;
6—气浮池;7—放气阀;8—刮渣机;9—集水系统;10—化学药剂

①全流程溶气气浮法。如图5.27所示,全部污水用泵加压至3~4个大气压,在溶气罐内,空气溶解于污水中,然后通过减压阀将污水送入气浮池。析出许多小气泡与污水中的颗粒物形成气浮体,而逸出水面,在水面上形成浮渣。用刮板将浮渣连续排入浮渣槽,经浮渣管排出池外,处理后的污水通过集水系统排出。其特点为:溶气量大,动力消耗较大,气浮池容积小。

②部分溶气气浮法。如图5.28所示,取部分污水(通常占总水量的15%~40%)加压溶气,其余污水直接进入气浮池并在气浮池中与溶气水混合。其特点为:动力消耗低,溶气罐的容积较小,气浮池的大小与全部进水加压溶气气浮法相同,但较部分回流溶气气浮法小。

图5.28 部分溶气方式加压气浮流程示意图
1—原水;2—加压泵;3—空气;4—压力溶气罐(内含填料);5—减压阀;
6—气浮池;7—放气阀;8—刮渣机;9—集水系统;10—化学药剂

③部分回流溶气气浮法。如图5.29所示,取部分出水进行回流加压溶气,减压后进入气浮池,与直接进入气浮池的污水混合。回流量一般为污水的25%~50%。其特点为:动力消耗低,气浮过程中不促进乳化,避免了中悬浮物对溶气罐的影响,是生产中最常采用的一种形式。

图5.29 部分回流溶气方式加压气浮流程示意图
1—原水;2—加压泵;3—空气;4—压力溶气罐(内含填料);
5—减压阀;6—气浮池;7—放气阀;8—刮渣机;9—集水系统

(2)主要设备

从基本流程中可以看出,加压溶气气浮法的主要设备有加压泵、供气设备、溶气罐、减压阀、溶气释放器和气浮池等。

①加压泵。加压泵用于提升污水,并对水气混合物加压,使受压空气溶于水中。压力越高,则溶气量越大,溶气水量越少,压力过高或过低均对气浮不利,应根据气浮所需空气量的多少、溶气罐的大小等选取。

②供气设备。供气方式有加压泵吸水管吸气、加压泵压水管射流吸气和加压泵唱空压机联合溶气3种方式,如图5.30、图5.31、图5.32所示。泵前进气,是由水泵压水管引出一支管返回吸水管,在支管上安装水力喷射器,省去了空压机。前两种方式,所需设备比较简单,能耗较高,一般用于对气浮要求不高且水量较小的工程;第三种方法是目前常用的供气方法,由空气压缩机直接向溶气罐供给空气,溶气效果好,功耗较小,但设备以及操作复杂,而且空压机的噪声一般比较大。

图5.30 水泵水管吸气溶气方式示意图
1—废水;2—水泵;3—气量计;4—射流器;5—溶气罐;
6—放气管;7—压力表;8—减压阀

③溶气罐。溶气罐是一个密封的耐压钢罐,罐上有进气管、排气管、进水管、出水管、放空管、液位计与压力表等。空气与水在罐内混合、溶解。为了提高溶气量和速度,罐内常设若干隔板或填料。操作时需定期开启罐顶放空阀,将积存在罐顶部未溶解的空气排掉,以免减少罐容,影响气浮效果。

图5.31 水泵压水管射流溶气方式示意图
1—废水;2—水泵;3—射流器;4—溶气罐;
5—压力表;6—减压阀;7—放气阀

图5.32 水泵与空压机联合溶气方式示意图
1—废水;2—水泵;3—空压机;4—溶气罐
5—压力表;6—减压阀;7—放气阀

④减压释放设备。减压释放设备的作用是使压力溶气水中的溶解空气在减压后迅速以微气泡形式释放出来,满足气浮需要。生产中采用的减压释放设备有减压阀和专用释放器两类。

减压阀可利用现成的截止阀,比较简单,其缺点是:开启度难以准确调解,流量容易改变,减压阀安装在气浮池外,在减压阀后的管道内容易造成气泡合并变大。

专用释放器是根据溶气释放规律制造的,安置在气浮池内压力溶气水管道的末端。其优点是消能释气瞬间完成,几乎能将水中溶解的空气全部释放出来,而且释放的微气泡平均直径较小(20~30μm),气泡密集,附着性能好。由于形成强烈的搅动和涡流,使产生微细气泡。

⑤气浮池。提供水中悬浮颗粒与微气泡黏附、上升、去除的场所,目前常用的气浮池有平流式和竖流式两种,均为敞口式水池,如图5.33、图5.34所示。

图5.33 平流式气浮池
①—反应池;②—接触室;③—气浮池

图5.34 竖流式气浮池
1—射流器;2—溶气罐;3—泡沫排出管;
4—变速装置;5—沉渣斗

竖式气浮池结构紧凑,水力条件好,但结构复杂,维护检修比较麻烦。平流式气浮池的池深较浅,构造简单,造价低,管理方便,目前应用较多。

(3)设计计算

以应用最多的回流溶气平流气浮池为例,说明气浮池设计的基本方法。

气浮的设计计算比较简单,主要是确定溶气水量和所需提供空气量,计算气浮池的体积、尺寸,其余设备根据需要选取即可。

主要设计参数:

①溶气罐的压力为0.2~0.4MPa,混合时间一般为2~5min。

②气固比G/S(空气析出量与原水中悬浮固体量的比值)应按气浮效率的要求通过试验确定。当无实测数据时,一般可选用0.005~0.060,原水的悬浮物含量高时,取下限,低时则取上限。

③气浮池的表面负荷通常为5~10m3/(m2·h),废水在气浮池停留时间为10~20min。

④平流气浮池的有效工作水深一般为1.5~2.0m,不超过2.5m。对长宽比没有严格要求,一般单格宽度不超过10m,池长不超过15m为宜。

⑤一般采用刮渣机逆水流方向定期刮渣,刮渣机的水平移动速度控制在5m/min以内。

⑥气浮池集水应力求均匀,一般采用穿孔集水管,给水管的最大流速宜控制在0.5m/s左右。

⑦主要计算公式。

a.压力溶气水量

式中:Qr——压力溶气水量,m3/h;

c0——污水中悬浮污染物浓度,mg/L;

Q——污水流量,m3/h;

G/S——气固比,见设计参数说明;

a0——101.3kPa下空气在水中的饱和溶解度,mg/L,其值与温度有关(见表5.5);

f——溶气效率,其值与溶气罐结构、溶气压力和时间有关,一般为0.5~0.8;

P——溶气绝对压力,105 Pa。

表5.5 空气在水中的饱和溶解度(101.3kPa)

b.所需提供空气量

式中:Qa——所需提供空气量,L/h;

KT——溶解常数,L/(m3·kPa),随温度而变,不同温度下的KT见表5.6。

表5.6 不同温度下的KT

设计空气量应按所需提供空气量的1.25倍供给,以留有余地。通常,空气的实际用量为处理水量的1%~5%(体积比)。

c.气浮池的容积

式中:V——气浮池的容积,m3

vs——气浮池的表面负荷,5~10m3/(m2·h)。

气浮池的尺寸参照前面的参数说明确定(略)。

3)充气气浮

充气气浮又称散气气浮。充气气浮没有溶气设备,直接将空气注入气浮池水中,利用机械剪切力将空气粉碎成细小的气泡进行浮选。充气气浮所形成的气泡直径大约为1000μm,气浮效率不太高。但由于设备简单,对于水量较小、悬浮颗粒较大而且处理效率要求不高的废水,用充气气浮比较方便,成本较低。目前应用较多的是叶轮气浮和扩散板曝气气浮。

(1)叶轮气浮

叶轮浮选设备如图5.35所示。在气浮池底部设有旋转叶轮,在叶轮的上面装有带有导向叶片的固定盖板,盖板上有孔洞。当电动机带动叶轮旋转时,在盖板下形成负压,空气从进气管吸入,污水由盖板上的小孔进入,在叶轮的搅动下,空气被粉碎成细小的气泡,并与水充分混合成为水气混合体,甩出导向叶片之外,又经整流板稳流后,在池体内平稳地垂直上升,进行浮选,形成的泡沫不断地被刮板刮出池外。

图5.35 叶轮气浮设备构造示意图
1—叶轮;2—盖板;3—转轴;4—轮套;5—轴承;6—进气管;
7—进水槽;8—出水槽;9—泡沫槽;10—刮沫板;11—整流板

这种气浮池采用正方形,边长不超过叶轮直径的6倍。叶轮直径一般为200~400mm,最大不超过600~700mm,叶轮转速为900~1500r/min。池有效水深一般为1.5~2.0m,最大不超过3.0m。气浮时间为15~20min。

(2)扩散板曝气气浮

构造原理与一般的曝气池相似。在气浮池的下部安置有扩散板或微孔管等曝气装置,压缩空气直接通过曝气装置的微细孔隙,以微小气泡的形式进入水中,进行气浮。为了提高气浮效率,尽量控制气泡的体积,曝气装置的微细孔隙一般做得比较小,但在使用中容易发生微孔堵塞。

4)电解气浮

电解气浮是在直流电的作用下,用不溶性材料作阳极与阴极对污水进行电解,在阴阳两极分别产生大量的氢气和氧气微小气泡,将污水中悬浮颗粒黏附并带到水面,达到分离净化污水的目的。在电解气浮的过程中,在阳极附近电离形成的氢氧化物一般呈絮状,可起着混凝剂的作用,能使气浮过程和混凝过程结合进行。电解气浮法所产生的气泡直径远小于充气气浮和溶气气浮,气浮效果较好,产渣量少,装置构造也比较简单,另外,电解气浮还具有氧化、脱色和杀菌作用。因此,电解气浮是一种很有前途的污水净化方法。它的缺点主要是耗电量大。

5)工程应用

如图5.36所示是某炼油厂含油废水处理的回流加压溶气气浮处理阶段工艺流程。

来自隔油池的废水流量为250m3/h。水中主要污染物含量为:石油类为80mg/L、硫化物为5.45mg/L、挥发酚为21.9mg/L、COD为400mg/L、pH为7.9。

在进水管线上加入20mg/L的聚氯化铝混合后流入气浮池。气浮处理后的水流向生物处理阶段进一步处理,80%的气浮出水回流至溶气罐,加压溶气,供气量按溶气水的5%投加。溶气罐的压力为0.3MPa,利用释放器在气浮池内释放微气泡。气浮池的运行参数为:流速3.5mm/s,水力停留实际2.5h。

图5.36 某炼油厂含油废水回流加压溶气气浮工艺流程

处理后出水水质:石油类为17mg/L、硫化物为2.54mg/L、挥发酚为18.4mg/L、COD为250mg/L、pH为7.5。

5.3.3 吸附

吸附是一种物质附着在另一种物质表面上的过程,它可发生在气液、气固、液固两相之间。在相界面上,物质的浓度自动发生累积或浓集。在水处理中,主要利用固体物质表面对水中物质的吸附作用。

吸附法就是利用多孔性的固体物质,使水中一种或多种物质被吸附在固体表面上,从而予以回收或去除的方法。吸附法可有效完成对水的多种净化功能,例如脱色、脱臭、脱除重金属离子、放射性元素,脱除多种难以用一般方法处理的剧毒或难生物降解的有机物等。

具有吸附能力的多孔性固体物质称为吸附剂,例如活性炭、活化煤、焦炭、煤渣、吸附树脂、木屑等,其中以活性炭的使用最为普遍;而废水中被吸附的物质则称为吸附质;包容吸附剂和吸附质并以分散形式存在的介质被称为分散相。

吸附处理可作为离子交换、膜分离技术处理系统的预处理单元,用以分离去除对后续处理单元有毒害作用的有机物、胶体和离子型物质,还可以作为三级处理后出水的深度处理单元,以获取高质量的处理出水,进而实现废水的资源化应用。吸附过程可有效捕集浓度很低的物质,且出水水质稳定、效果较好,吸附剂可以重复使用,结合吸附剂的再生,可以回收有用物质,所以在水处理技术领域得到了广泛应用。但是,吸附法对进水的预处理要求较为严格,运行费用较高。

1)吸附的分类

吸附剂表面的吸附力可分为3种,即分子间引力(范德华力)、化学键力和静电引力,因此吸附可分为3种类型:物理吸附、化学吸附和离子交换吸附。

(1)物理吸附

物理吸附是一种常见的吸附现象,亦称为范德华力吸附,是由于吸附质与吸附剂之间的静电力或分子间引力产生的吸附过程。物理吸附的特征表现在以下几个方面:

①物理吸附是一种放热反应,当系统的温度升高时,被吸附的物质由于分子的热运动会脱离吸附剂表面而自由转移,该现象称为脱附或解吸。吸附质在吸附剂表面可以较易解吸。

②由于物理吸附是分子间力引起的,所以吸附热较小,一般在41.9kJ/mol以内。

③没有特定的选择性。由于物质间普遍存在着分子引力,同一种吸附剂可以吸附多种吸附质,只是因为吸附质间性质的差异而导致同一种吸附剂对不同吸附质的吸附能力有所不同。物理吸附可以是单分子层吸附,也可以是多分子层吸附。

④影响物理吸附的主要因素是吸附剂的比表面积。

(2)化学吸附

化学吸附是吸附质与吸附剂之间通过化学键力结合而引起的吸附过程。化学吸附的特征为:

①吸附热大,相当于化学反应热,吸附热一般为83.7~418.7kJ/mol。

②有选择性,一种吸附剂只能对一种或几种吸附质发生吸附作用,且只能形成单分子层吸附。

③化学吸附比较稳定,当吸附的化学键力较大时,吸附反应为不可逆。

④吸附剂表面的化学性能、吸附质的化学性质以及温度条件等,对化学吸附有较大的影响。

(3)离子交换吸附

离子交换吸附是指吸附质的离子由于静电引力聚集到吸附剂表面的带电点上,同时吸附剂表面原先固定在这些带电点上的其他离子被置换出来,等于吸附剂表面放出一个等当量离子。这种吸附实质上是吸附剂的表面发生了离子交换反应。在吸附质浓度相同的条件下,离子所带电荷越多,吸附越强。而对于电荷相同的离子,其水化半径越小,越易被吸附。

物理吸附、化学吸附和离子交换吸附并不是孤立的,往往相伴发生。在污水处理中,大多数的吸附现象往往是上述3种吸附作用的综合结果。由于吸附质、吸附剂以及吸附温度等具体吸附条件的不同,使得某种吸附占主要地位。例如,同一吸附体系在中高温下可能主要发生化学吸附,而在低温条件下可能主要发生物理吸附。

2)吸附平衡和吸附等温线

吸附过程是吸附和解吸的一个可逆的平衡过程。当废水与吸附剂充分接触后,一方面溶液中的吸附质被吸附剂吸附;另一方面,由于热运动的结果使一部分已被吸附的吸附质脱离吸附剂的表面,又回到液相中去。这种吸附质被吸附剂吸附的过程称为吸附过程;已被吸附的吸附质脱离吸附剂的表面又回到液相中去的过程称为解吸过程。当吸附速度和解吸速度相等时,即单位时间内吸附的数量等于解吸的数量时,则吸附质在溶液中的浓度和吸附剂表面上的浓度都不再改变而达到平衡,即达到动态的吸附平衡。此时吸附质在溶液中的浓度称为平衡浓度。

吸附剂吸附能力的大小以吸附容量(g/g)表示。所谓吸附容量是指单位质量的吸附剂(g)所吸附的吸附质的质量(g)。吸附量可用下式计算:

式中:qe——吸附剂的平衡吸附容量,g/g;

V——溶液体积,L;

c0——溶液的初始吸附质浓度,g/L;

ce——吸附平衡时的吸附质浓度,g/L;

W——吸附剂投加量,g。

吸附分等温吸附和等压吸附,在水污染控制中主要利用等温吸附。在温度一定的条件下,吸附容量随吸附质平衡浓度的提高而增加。把吸附容量随平衡浓度而变化的曲线称为吸附等温线。

表示吸附等温线的方程式称为吸附等温式。在污水处理中,常用的吸附等温式是弗兰德利希经验公式:

式中:K,n——常数;

其他符号意义同前。

将式(5.22)改写为对数式:

以lg c和lg q分别作为横坐标和纵坐标,便得到一条直线,称为弗兰德利希等温线,这条直线的截距为lg K,斜率为1/n。1/n越小,吸附性能越好。一般认为1/n=0.1~0.5时,吸附处理出水水质较好;1/n>2时,出水水质较差。但当1/n较大时,由于吸附质平衡浓度较高,故吸附量较大,吸附能力发挥得也越充分,这种情况最好采用连续式吸附操作。当1/n较小时,多采用间歇式吸附操作。

吸附容量是选择吸附剂和设计吸附设备的重要数据。这些指标虽然表示吸附剂对该吸附质的吸附能力,但这些指标与对水中吸附质的吸附能力不一定相符,因此还应参考试验数据确定吸附容量,进行设备的设计。吸附容量的大小,决定吸附再生周期的长短。

3)吸附的影响因素

在实际应用中,若想达到预期的吸附净化效果,除了需要针对所处理的废水性质选择合适的吸附剂外,还必须将处理系统控制在最佳的工艺操作条件下。影响吸附的因素主要有吸附剂的性质、吸附质的性质和吸附过程的操作条件等。

(1)吸附剂的性质

吸附剂的性质主要有比表面积、种类、极性、颗粒大小、细孔的构造和分布情况及表面化学性质等。吸附是一种表面现象,比表面积越大、颗粒越小,吸附容量就越大,吸附能力就越强。吸附剂表面化学结构和表面荷电性质,对吸附过程也有较大影响。一般是极性分子(或离子)型的吸附剂易吸附极性分子(或离子)型的吸附质,反之亦然。活性炭基本可以看成是一种非极性的吸附剂,对水中非极性物质的吸附能力大于极性物质。

用于水处理的活性炭应有3项要求:吸附容量大、吸附速度快、机械强度好。活性炭的吸附容量除其他外界条件外,主要与活性炭比表面积有关,比表面积大,微孔数量多,可吸附在细孔壁上的吸附质就多。吸附速度主要与粒度及细孔分布有关,水处理用的活性炭,要求过渡孔(半径为20~1000樻)较为发达,有利于吸附质向微细孔中扩散;活性炭的粒度越,小吸附速度越快,一般在8~30目范围较宜。活性炭的机械耐磨强度直接影响活性炭的使用寿命。

(2)吸附质的性质

吸附质的性质主要有溶解度、表面自由能、极性、吸附质分子大小和不饱和度、吸附质的浓度等。

①吸附质的溶解性能对平衡吸附有重大影响。溶解度越小的吸附质越容易被吸附,也就越不容易被解吸。对于有机物在活性炭上的吸附,随同系物含碳原子数的增加,有机物疏水性增强,溶解度减小,因而活性炭对其的吸附容量越大,如活性炭从水中吸附有机酸的次序是按甲酸—乙酸—丙酸—丁酸而增加。

②吸附质分子的大小和化学结构对吸附也有较大影响。吸附质分子体积越大,其扩散系数越大,吸附效率就越大。吸附过程由颗粒内部扩散控制时,受吸附质分子大小的影响较为明显。对于活性炭吸附剂来说,在同系物中,分子大的较分子小的易被吸附;不饱和键的有机物较饱和的易被吸附;芳香族的有机物较脂肪族的有机物易被吸附。

③吸附质的浓度在一定范围时,随着浓度增高,吸附容量增大。

(3)吸附过程的操作条件

吸附过程的操作条件主要包括水的pH、共存物质、温度、接触时间等。

①pH。pH会影响因吸附质在水中的离解度、溶解度及其存在状态,同样会影响吸附剂表面的荷电性和其他化学特性,从而影响吸附效果。活性炭从水中吸附有机污染物质的效果,一般随溶液pH的增加而降低,pH高于9.0时,不易吸附,pH越低时效果越好。在实际应用中,通过试验确定最佳pH范围。

②共存物质。应用吸附法处理水时,通常水中不是单一的污染物质,而是多组分污染物的混合物。物理吸附过程中,吸附剂可对多种吸附质产生吸附作用,所以多种吸附质共存时,吸附剂对其中任一种吸附质的吸附能力,都要低于组分浓度相同但只含有该吸附质时的吸附能力,即每种溶质都会以某种方式与其他溶质竞争吸附活性中心点。另外,废水中有油类或悬浮物质存在时,油类物质会在吸附剂表面形成油膜,对膜扩散产生影响;悬浮物质会堵塞吸附剂孔隙,对孔隙扩散产生干扰和阻碍作用,故应采取预处理措施。

③温度。吸附过程一般是放热过程,所以低温有利于吸附,特别是以物理吸附为主的场合。吸附过程的热效应较低,在通常情况下温度变化并不明显,因而温度对吸附过程的影响不大。用活性炭处理水时,温度对吸附的影响不显著。而在活性炭再生时,则需要通过大幅度加温以促使吸附质解吸。

④接触时间。只有足够的时间使吸附剂和吸附质接触,才能达到吸附平衡,吸附剂的吸附能力才能得到充分利用。达到吸附平衡所需要的时间长短取决于吸附操作,吸附速度快,达到平衡所需要的接触时间就越短。

综上所述,影响吸附的因素很多,应综合分析,根据具体情况,选择最佳吸附条件,达到最好的吸附效果。

4)吸附剂种类

理论上一切固体物质的表面都有吸附作用,而实际上只有多孔性物质或磨得极细的物质,由于具有很大的比表面积,才有明显的吸附能力,也才能作为吸附剂。

工业应用的吸附剂必须满足以下要求:吸附选择性好;吸附容量大;吸附平衡浓度低;机械强度高;化学性质稳定;容易再生和再利用;制作原料来源广泛,价格低廉。

可用于水处理的吸附剂种类很多,包括活性炭、磺化煤、焦炭、煤灰、炉渣、硅藻土、白土、沸石、麦饭石、木屑、腐殖酸、氧化硅、活性氧化铝、树脂吸附剂等。其中应用较为广泛的是活性炭、吸附树脂和腐殖酸类吸附剂。

铝唱硅系吸附剂是亲水性的吸附剂,对极性的物质有选择吸附,因此作为吸潮剂、脱水剂和精制非极性溶液的吸附剂;活性炭是疏水性吸附剂,对水溶性小的有机物具有较强的吸附作用,因此常作为城市污水与工业废水处理用的吸附剂。

(1)活性炭

①活性炭的分类。在生产中应用活性炭的种类很多、一般都制成粉末状或颗粒状。粉末状活性炭吸附能力强,制备容易,价格低廉,但再生困难,一般不能重复使用;颗粒状活性炭价格较贵,但可再生后重复使用,并且使用时的劳动条件较好,因而在水处理中常使用颗粒状活性炭。

纤维活性炭是一种新型高效的吸附材料,它将有机碳纤维经过活化处理后制成,具有发达的微孔结构和巨大的比表面积,并拥有众多的官能团,其吸附性能远远超过目前的普通活性炭,但对制造的原料要求较高,工艺过程也较为严格。

②活性炭的一般性质。活性炭是用含炭为主的物质如煤、木屑、果壳以及含炭的有机废渣等作原料,经高温炭化和活化制得的疏水性吸附剂。活性炭的主要成分除炭以外,还含有少量的氧、氢、硫等元素,以及水分、灰分。

活性炭外观为暗黑色,具有良好的吸附性能,化学稳定性好,可耐强酸及强碱,能经受水浸、高温。比重比水轻,是多孔性的疏水性吸附剂。

③细孔构造和细孔分布。活性炭在制造过程中,挥发性有机物去除后,晶格间生成的空隙形成许多形状和大小不同的细孔。这些细孔壁的总表面积(即比表面积)一般高达500~1700m2/g,这就是活性炭吸附能力强、吸附容量大的主要原因。但是比表面积相同的活性炭,对同一种物质的吸附容量并不一定不同,因为吸附容量不仅与比表面积有关,而且还与微孔结构和微孔分布、炭表面化学性质有关。

活性炭的孔径(半径)大致分为以下3种:

a.大孔:10-7~10-5 m;

b.过渡孔:2×10-9~10-7 m;

c.微孔:0~2×10-9 m。

一般活性炭的微孔容积为0.15~0.90mL/g,其表面积占总面积的95%以上,对吸附量的影响最大。与其他吸附剂相比,活性炭具有微孔特别发达的特征;过渡孔的容积为0.02~0.10mL/g,其表面积通常不超过总表面积的5%;大孔容积为0.2~0.5mL/g,其表面积仅有0.5~5m2/g。在气相吸附中,吸附容量在很大程度上决定于微孔,而对于液相物理吸附,过渡孔起主要作用,而大微孔的作用不大,但作为触媒载体时,大微孔的作用甚为显著。

活性炭的性质受多种因素的影响,不同的原料、不同的活化方法和条件,制得的活性炭的细孔半径也不同,表面积所占比例也不同。

活性炭的细孔分布如图5.37所示。

图5.37 活性炭的细孔分布及作用模式

④活性炭水处理的特点如下:

a.活性炭对水中有机物有较强的吸附特性。由于活性炭具有发达的细孔结构和巨大的比表面积,所以对水中溶解的有机污染物,如苯类化合物、酚类化合物、石油及石油产品等具有较强的吸附能力,而且对用生物法和其他化学法难以去除的有机污染物,如色度、异臭、亚甲蓝表面活性物质、除草剂、杀虫剂、农药、合成洗涤剂、合成染料、胺类化合物,及许多人工合成的有机化合物等都有较好的去除效果。

b.活性炭对水质、水温及水量的变化有较强的适应能力。对同一种有机污染物的污水,活性炭在高浓度或低浓度时都有较好的去除效果。

c.活性炭水处理装置占地面积小,易于自动控制,运转管理简单。

d.活性炭对某些重金属化合物也有较强的吸附能力,如汞、铅、铁、镍、铬、锌、钴等,所以活性炭用于电镀废水、冶炼废水处理上也有很好的效果。

e.饱和炭可经再生后重复使用,不产生二次污染。

f.可回收有用物质,如处理高浓度含酚废水,用碱再生后可回收酚钠盐。

(2)其他吸附剂

①树脂吸附剂。树脂吸附剂又称吸附树脂,是一种人工合成的有机材料制造的新型有机吸附剂。它具有立体网状结构,微观上呈多孔海绵状,具有良好的物理化学性能,在150℃下使用不熔化、不变形,耐酸耐碱,不溶于一般溶剂,比表面积达800m2/g。

按吸附树脂的特性,可以将其划分为非极性、弱极性、极性和强极性4种类型。吸附树脂的制造过程中,其结构特性可以较容易地进行人为控制,例如可以根据吸附质的特性要求,设计特殊的专用树脂,但价格较高。

吸附树脂是在水处理中有发展前途的一种新型吸附剂,具有选择性好、稳定性高、应用范围广泛等特点,吸附能力接近活性炭,比活性炭更易再生。在应用上,其性能介于活性炭与离子交换树脂之间,适用于微溶于水、极易溶于有机溶剂、分子量略大且带有极性的有机物的吸附处理,例如脱色、脱酚和除油等。

②腐殖酸类吸附剂。腐殖酸是一组具有芳香结构、性质相似的酸性物质的复合混合物。腐殖酸的结构单元中含有大量的活性基团,包括酚基、羧基、醇基、甲氧基、羰基、醌基、胺基和磺酸基等。腐殖酸对阳离子的吸附性能,由上述活性基团决定。

作为吸附剂使用的腐殖酸类物质有两类:一类是直接或经简单处理后用作吸附剂的天然富含腐殖酸的物质,如泥煤、风化煤、褐煤等;另一类是将富含腐殖酸的物质用适当的黏合剂制备腐殖酸系树脂,造粒成型后应用。

腐殖酸类物质能吸附污水中的多种金属离子,尤其是重金属和放射性离子,吸附率达90%~99%。腐殖酸对阳离子的吸附净化过程包括离子交换、螯合、表面吸附、凝聚等作用,既有化学吸附,也有物理吸附。金属离子的存在形态不同,吸附净化的效果也不同。当金属离子浓度高时,离子交换占主导地位;当金属离子浓度低时,以螯合作用为主。

腐殖酸物质在吸附重金属离子后,容易解析再生,重复利用。常用的解析剂有H2 SO4、HCl、NaCl、CaCl2等。但应用中存在吸附容量不高、机械强度低、pH范围窄等问题,还需要进一步的研究处理。

5)吸附剂的再生

吸附剂在达到吸附饱和后,必须进行脱附再生,才能重复使用。吸附剂的再生,就是在吸附剂本身结构不发生或极少发生变化的情况下,用某种方法将被吸附的物质,从吸附剂的细孔中除去,以达到能够重复使用的目的。

活性炭的再生方法有加热法、蒸汽法、药剂法、臭氧氧化法、生物法等。

(1)加热再生法

加热再生法分低温和高温两种方法。

①低温法。适于吸附浓度较高的简单低分子量的碳氢化合物和芳香族有机物的活性炭的再生。由于沸点较低,一般加热到200℃即可脱附。一般采用水蒸气再生,可直接在塔内进行再生。被吸附的有机物脱附后可利用。

②高温法。适用于水处理粒状炭的再生。高温加热再生过程一般分5步进行:

首先,进行脱水,使活性炭和输送液体进行分离;其次,进行干燥处理,加温到100~130℃,将吸附在活性炭细孔中的水分蒸发出来,同时部分低沸点的有机物也能够挥发出来;第三步进行炭化,继续加热到300~700℃,高沸点的有机物由于热分解,一部分成为低沸点的有机物进行挥发,另一部分被炭化,留在活性炭的细孔中;第四步进行活化处理,将炭化留在活性炭细孔中的残留炭,用活化气体(如水蒸气、二氧化碳及氧)进行气化,达到重新造孔的目的,活化温度一般为700~1000℃;最后,进行冷却处理,活化后的活性炭用水急剧冷却,防止氧化。

活性炭高温加热再生系统由再生炉、活性炭贮罐、活性炭输送及脱水装置等组成,如图5.38所示。

几乎所有有机物都可以采用高温加热再生法再生,再生炭质量均匀,性能恢复率高,一般在95%以上,再生时间短,粉状炭需几秒钟,粒状炭在30~60min,不产生有机再生废液。但再生设备造价高,再生损失率高(再生一次活性炭损失率达3%~10%),由于高温下进行工作,再生炉内衬材料的耗量大,且需要严格控制温度和气体条件。

(2)药剂再生法

药剂再生法分为无机药剂再生法和有机溶剂再生法两类。

图5.38 干式加热再生系统

①无机药剂再生法。采用碱(NaOH)或无机酸(H2 SO4、HCl)等无机药剂,使吸附在活性炭上的污染物脱附。如吸附高浓度酚的饱和炭,可以采用NaOH再生,脱附下来的酚为酚钠盐,可以回收利用。对于能电离的物质最好以分子形式吸附,以离子形式脱附,即酸性物质宜在酸里吸附,在碱里脱附;碱性物质在碱里吸附,在酸里脱附。

②有机溶剂再生法。用苯、丙酮及甲醇等有机溶剂,萃取吸附在活性炭上的有机物。例如,吸附含二硝基氯苯的染料废水饱和活性炭,用有机溶剂氯苯脱附后,再用热蒸汽吹扫氯苯。脱附率可达93%。树脂吸附剂从污水中吸附酚类后,一般采用丙酮或甲醇脱附;吸附了TNT,采用酮脱附。

药剂用量应尽量节省,控制在2~4倍吸附剂体积为宜。脱附速度一般比吸附速度慢1倍以上。药剂再生设备和操作管理简单,可在吸附塔内进行。但药剂再生,一般随再生次数的增加,吸附性能明显降低,需要补充新炭,废弃一部分饱和炭。

(3)氧化再生法

①湿式氧化法。吸附饱和的粉状炭可采用湿式氧化法进行再生。其工艺流程如图5.39所示。饱和炭用高压泵经换热器和水蒸气加热器送入氧化反应塔。在塔内被活性炭吸附的有机物与空气中的氧反应,进行氧化分解,使活性炭得到再生。再生后的炭经热交换器冷却后,再送入再生贮槽。

②电解氧化法。将炭作阳极,进行水的电解,在活性炭表面产生的氧气把吸附质氧化分解。

③臭氧氧化法。利用强氧化剂臭氧,将被活性炭吸附的有机物加以氧化分解。

④生物氧化法。利用微生物的作用,将吸附在活性炭上的有机物氧化分解。

6)吸附工艺

(1)吸附操作

在水处理中,根据水的状态,可以将吸附操作分为静态吸附和动态吸附两种。

图5.39 湿式氧化法再生流程

①静态吸附。又称静态间歇式吸附,是指在水不流动的条件下进行的吸附操作。其操作的工艺过程是,把一定数量的吸附剂投加入待处理的水中,不断进行搅拌,经过一定时间达到吸附平衡时,以静置沉淀或过滤方法实现固液分离。若一次吸附的出水不符合要求时,可增加吸附剂用量,延长吸附时间或进行二次吸附,直到符合要求。静态间歇式吸附常用于小水量处理或试验研究。静态吸附常用的设备为一个池子和桶或搅拌槽。

②动态吸附。又称动态连续式吸附,是在水流动条件下进行的吸附操作。其操作的工艺过程是,污水不断地流过装填有吸附剂的吸附床(柱、罐、塔),污水中的污染物和吸附剂接触并被吸附,在流出吸附床之前,污染物浓度降至处理要求值以下,直接获得净化出水。实际中的吸附处理系统一般都采用动态连续式吸附工艺。常用的动态吸附设备有固定床、移动床和流化床。

a.固定床。固定床是指在操作过程中吸附剂固定填放在吸附设备中,是水处理吸附工艺中最常用的一种方式。

固定床吸附工艺过程是,当污水连续流经吸附床(吸附塔或吸附池)时,待去除的污染物(吸附质)不断地被吸附剂吸附,吸附剂的数量足够多时,出水中的污染物浓度可降低到 零。在实际运行过程中,随吸附过程的进行,吸附床上部饱和层厚度不断增加,下部新鲜吸附层则不断减少,出水中污染物浓度会逐渐增加,其浓度达到出水要求的限定值时,必须停止进水,转入吸附剂的再生程序。吸附和再生可在同一设备内交替进行,也可将失效的吸附剂卸出,送到再生设备进行再生。在这项工艺中,由于再生时尚有部分吸附剂未达到饱和,所以吸附剂的利用不充分。因这种动态设备中吸附剂在操作过程中是固定的,所以叫固定床。

根据水流方向不同,固定床又分为升流式和降流式两种形式。降流式固定床如图5.40所示。在降流式固定床中,水流自上而下流动,出水水质较好,但经过吸附层的水头损失较大,特别是处理含悬浮物较高的废水时,悬浮物易堵塞吸附层,所以要定期进行反冲洗。有时需要在吸附层上部设反冲洗设备。

图5.40 降流式固定床型吸附塔构造示意图

在升流式固定床中,水流自下而上流动,当水头损失增大时,可适当提高水流流速,使填充层稍有膨胀(上下层不能互相混合)就可以达到自清的目的。这种方式由于层内水头损失增加较慢,所以运行时间较长,但对废水入口处(底层)吸附层的冲洗不如降流式。由于流量变动或操作一时失误就会使吸附剂流失。

根据处理水量、原水的水质和处理要求不同,固定床又可分为单床和多床。多床又有串联式和并联式两种,如图5.41所示。多床并联式适用于大规模处理,出水要求较低,而多床串联式适用于小处理量,出水要求较高。

图5.41固定床吸附操作示意图 

图5.42 移动床吸附塔构造示意图

废水处理采用的固定床吸附设备的大小和操作条件,根据实际设备的运行资料建议采用下列数据:

瞯塔径:1~3.5m;

瞯吸附塔(填充层)高度:3~10m;

瞯填充层高度与塔径比:(1∶1)~(4∶1);

瞯吸附剂粒径:0.5~2mm(活性炭);

瞯接触时间:10~50min;

瞯容积(体积)速度(单位体积的吸附剂在单位时间内通过处理水的体积数):2m3/(h·m3)以下(固定床),5m3/(h·m3)以下(移动床);

瞯线速度(单位时间内,水通过吸附层的线速度,又称为空塔速度):2~10m/h(固定床),10~30m/h(移动床);

b.移动床。移动床是指在操作过程中定期将接近饱和的吸附剂从吸附设备中排出,并同时加入等量的吸附剂,也称为脉冲床。在移动床中,废水从下而上流过吸附层,吸附剂由上而下间歇或连续移动,如图5.42所示。

移动床的工艺过程是,原水从吸附塔底部流入和吸附剂进行逆流接触,处理后的水从塔顶流出,再生后的吸附剂从塔顶加入,接近吸附饱和的吸附剂从塔底间歇地排出。这种方式较固定床能充分利用吸附剂的吸附容量,并且水头损失小。由于采用升流式,废水从塔底流入,从塔顶流出,被截留的悬浮物随饱和的吸附剂间歇地从塔底排出,故不需要反冲洗设备。但这种操作方式要求塔内吸附剂上下层不能互相混合,操作管理要求高。

移动床一次卸出的炭量一般为总填充量的5%~20%,卸炭和投炭的频率与处理的水量和水质有关,从数小时到一周。在卸料的同时投加等量的再生炭或新炭。移动床高度可达5~10m。移动床进水的悬浮物浓度不大于30mg/L。移动床设备简单、出水水质好、占地面积小、操作管理方便,较大规模的废水处理多采用这种形式。

c.流化床。流化床是指在操作过程中吸附剂悬浮于由下至上的水流中,处于膨胀状态或流化状态。被处理的废水与活性炭基本上也是逆流接触。流化床一般连续卸炭和投炭,空塔速度要求上下不混层,保持炭层成层状向下移动,所以运行操作要求严格。由于活性炭在水中处于膨胀状态,与水的接触面积大,因此用少量的炭就可以处理较多的废水,基建费用低,这种操作适于处理含悬浮物较多的废水,不需要进行反冲。

由于移动床、流化床操作较麻烦,在水处理中应用较少。

(2)吸附装置设计

当设计资料缺乏时,可通过静态吸附等温线试验,确定吸附剂类型及估算处理每m3废水所需要吸附剂数量,再通过动态吸附穿透曲线试验确定设计参数。

吸附床的设计和运行方式的选择,在很大程度上取决于穿透曲线。穿透曲线是指出水浓度随时间变化作图所得到的曲线。动态吸附试验的工作过程如图5.43所示,通过监测不同吸附时间出水中吸附质的浓度,以出水中的吸附质浓度C为纵坐标,接触时间t为横坐标,把测定结果绘制成穿透曲线。

当沿吸附柱不同高度,定时监测处理水中吸附质浓度或吸附剂中的吸附量时,可以发现吸附层分为3个区域:失去吸附能力的饱和区;正在吸附的吸附区;未吸附区。吸附过程的实质也就是吸附区沿水流方向向下移动的过程,当吸附区移动到柱底部时,吸附带的前沿达到柱内整个吸附剂层的下端,此时出水浓度不再保持C=0,开始出现污染物质,这一时刻就称为吸附柱工作的穿透点(Cb点),此时必须停止进水,进行再生,若继续进行吸附,则出水吸附质浓度(Cd点)很快上升至接近于进水浓度,吸附剂则完全饱和,失去其吸附能力。

如果以处理水的要求作为穿透点(Cc点),则吸附区厚度Z可以通过下式计算:

式中:Z——吸附区厚度,m;

L——炭床厚度,m

图5.43 动态吸附试验的工作过程(穿透曲线)

tc——从进水开始到吸附层穿透的时间,h;

td——从进水开始到吸附层耗竭的时间,h;

v——滤速,即水流通过吸附层的速度,m/h。

吸附区厚度的影响因素有多种,如进水水质、滤速、吸附剂粒径、处理要求等。进水水质浓度越大,滤速和吸附剂粒径越大,处理要求越高,吸附区厚度就越大。吸附区内吸附剂的吸附能力只是部分被利用,其厚度是保证处理要求的最小厚度,厚度越大,吸附剂的利用率越低。在生产上需要通过试验确定合理的设计和运行参数。

吸附塔的设计方法有多种,下面简要介绍用通水倍数法进行吸附塔的设计。

①设计步骤:

a.选定吸附操作方式。

b.参考经验数据,选择最佳空塔流速VL

c.根据吸附柱试验,求得通水倍数n(单位质量吸附剂所能处理的水的质量)。

d.根据水流速度和出水要求,选择最合适炭层高度h(或接触时间t)。

e.选择吸附装置的个数N以及使用方式。

f.计算吸附塔总面积F和单个吸附塔的面积f:

g.计算再生规模,即每天需再生的饱和炭量W:

②设计参数:工程中有关数据的确定,应按水质、吸附剂品种及试验决定。

【例5.1】 某炼油厂拟采用活性炭吸附法进行炼油废水深度处理,处理水量Q为600m3/h,废水COD平均为90mg/L,出水COD要求小于30mg/L,试计算吸附塔的主要尺寸。

【解】 根据动态吸附试验结果,决定采用间歇式移动床活性炭吸附塔,主要设计参数如下:

空塔速度VL=10m/h;接触时间T=30min;通水倍数n=6.0m3/kg;活性炭填充密度P=0.5t/m3

吸附塔总面积:F==60m2

吸附塔个数:采用4塔并联,N=4,每个吸附塔的过水面积为:

吸附塔的直径:D==4.5m

每个吸附塔的炭层高度:h=VL T=10×0.5=5m

每个吸附塔填充活性炭的体积:V=fh=15×5=75m3

每个吸附塔填充活性炭的质量:G=VP=75×0.5=37.5t

每天需再生的活性炭质量:W==2.4t

(3)吸附容量的利用

从穿透曲线可知,吸附柱出水浓度达到穿透点Ca时,吸附带并未完全饱和,如继续通水,尽管出水浓度不断增加,但仍能吸附相当数量的吸附质,直到出水浓度等于原水浓度C0为止。这部分吸附容量的利用问题,特别是吸附带比较长或不明显时,是设计时必须考虑的重要问题之一。这部分吸附容量的利用,一般有以下两种途径:

①采用多柱串联操作。假设采用如图5.44所示的三柱串联操作。开始时按Ⅰ柱、Ⅱ柱、Ⅲ柱的顺序通水,当Ⅲ柱出水吸附质浓度达到穿透浓度时,Ⅰ柱中的填充层已接近饱和,再生Ⅰ柱,将备用的Ⅳ柱串联在Ⅲ柱的后面。以后按Ⅱ柱、Ⅲ柱、Ⅳ柱的顺序通水,当Ⅱ柱出水浓度达到穿透浓度时,Ⅱ柱进行再生,把再生后的Ⅰ柱串联在Ⅳ柱后面。这样进行再生的吸附柱中的吸附剂都是接近饱和的。

图5.44 多柱串联操作

②采用升流式移动床操作。污水自下而上流过填充层,最底层的吸附剂先饱和。如果每隔一定时间从底部卸出一部分饱和的吸附剂,同时在顶部加入等量的新的或再生后的吸附剂,这样底部卸出的吸附剂都是接近饱和的,从而能充分地利用吸附剂的吸附容量。

5.4 工业废水的生物处理

5.4.1 工业废水的可生化性

可生化性也称生物可降解性,即工业废水中有机污染物被生物降解的难易程度。确定工业废水的可生化性对于处理方法选择、确定进水量、有机负荷具有重要意义。用于评价废水中有机物的生物降解性和抑制性指标有水质指标、微生物好氧速率、微生物脱氢酶活性以及有机化合物分子结构。

(1)水质指标

BOD5/CODCr体现废水中可生物降解的有机物占总有机物量的比值,用该值来评价废水在好氧条件下的微生物可降解性。BOD5/CODCr<0.30时,废水含有大量难生物降解的有机物;而BOD5/CODCr>0.45时,废水易生物处理;0.30~0.45时可生化处理,比值越高,表明废水采用好氧生物处理所达到的效果越好。

(2)微生物耗氧速率

根据微生物与有机物接触后耗氧速率变化,可评价有机物的降解和微生物被抑制或毒害的规律。表示耗氧速率随时间变化的曲线称为耗氧曲线。曲线是以时间为横坐标、以生化反应过程中的耗氧量为纵坐标作图得到的曲线,主要取决于废水中有机物性质。测定耗氧速率的仪器有瓦勃氏呼吸仪和电极式溶解氧测定仪。处于内源呼吸期的活性污泥耗氧曲线称为内源呼吸耗氧曲线,投加有机物后的耗氧曲线称为底物(有机物)耗氧曲线。一般用底物耗氧速率与内源呼吸速率的比值来评价有机物的可生化性。

(3)微生物脱氢酶活性

微生物对有机物的氧化分解在各种酶的参与下完成,其中脱氢酶起重要作用,它能使被氧化有机物的氢原子活化并传递给特定的受氢体,单位时间内脱氢酶活化氢的能力表现为它的活性,脱氢酶对毒物的作用非常敏感,有毒物存在时活性(单位时间内活化氢的能力)下降。通过测定微生物的脱氢酶活性可以用来评价废水中有机物的可生化性。如果在以某种废水(有机污染物)为基质的培养液中生长的微生物脱氢酶的活性增加,则表明微生物能够降解该种废水(有机污染物)。

(4)有机化合物分子结构

有机物的生物降解性与其分子结构有关:

①对于烃类化合物,链烃比环烃易分解,直链烃比支链烃易分解,不饱和烃比饱和烃易分解。

②官能团的性质、多少以及有机物的同分异构作用,对其可生化性影响很大。如含有羧基(R—COOH)、酯类(R—COO—R)或羟基(R—OH)的非毒性脂肪族化合物属易生物降解有机物,含有二羧基(HOOC—R—COOH)的化合物比单羧基化合物较难降解,伯醇、仲醇非常容易被生物降解。叔醇较难降解,因为叔碳原子的键十分稳定,它不仅能抵抗一般的化学反应,对生化反应也具有很强的抵抗能力。卤代作用将使生物降解特性降低,卤代化合物的生物降解性随卤素取代程度的提高而降低。

③含有羰基(R—CO—R)或双键(—C=C—)的化合物属中等程度可生物降解的化合物,微生物需要较长的驯化时间。

④有机化合物在水中的溶解度直接影响可生化性,如油在水中的溶解度很低,很难与细菌接触并为其利用,因此油的生物降解性能差。

⑤含有氨基(R—NH2)或羟基(R—OH)化合物的生物降解性取决于与基团连接的碳原子的饱和程度,并遵循如下顺序:伯碳原子>仲碳原子>叔碳原子。

5.4.2 工业废水的好氧生物处理

1)活性污泥法

活性污泥法处理工业废水时,常见的影响因素是营养和混合液温度。

(1)营养

微生物在其生命活动过程中,所需的营养物质包括C、N、P以及Na、K、Ca、Mg、Fe、Ni等。生活污水一般能提供活性污泥微生物的最佳营养源,其BOD∶N∶P=100∶5∶l。经过初沉池或水解酸化工艺等预处理后,BOD值有所下降,N和P含量相对提高,这样进入生物处理系统的污水,其BOD∶N∶P比值可能变为100∶20∶2.5。对工业废水而言,上述营养比一般不满足。此时需补充相应组分,以保证活性污泥法的正常运行。

当废水中氮源不足时,会发生多糖类物质在微生物细胞内的积累,当积累超过一定限度时,会影响有机物的去除率,还会刺激丝状微生物的生长,易被微生物利用的氮源形式为铵(NH4)或硝酸根(NO3)。废水中以蛋白质或氨基酸形式存在的有机氮化合物,必须先通过微生物水解产生铵,才能被微生物利用。对以有机氮为主要氮源的工业废水,必须通过试验来确定有机氮被微生物利用的有效性,因为某些芳香族氨基化合物或脂肪族叔氨基化合物不易被水解为铵。

废水中的磷必须以溶解性正磷酸盐的形式才能被微生物利用,所以含磷无机物和有机物必须先被微生物水解为正磷酸盐。氮和磷不足时,会造成有机物(BOD)去除率下降。

(2)混合液温度

混合液温度在4~31℃范围内,反应速度常数K与混合液温度T的关系式为

式中:T——混合液温度,℃;

K20——混合液温度为20℃时的反应速度常数,d-1

KT——混合液温度为T℃时的反应速度常数,d-1

θ——温度修正系数。

生活污水θ为1.015,K受温度影响较小。工业废水的K一般受温度影响较大。对浓度较高的溶解性有机废水,θ为1.01~1.1。工业废水的θ应通过试验确定。实践表明,温度为36℃时,污泥絮凝体良好且有原生动物存在;温度为43℃时,污泥絮凝体发生解体且不存在原生动物和丝状微生物。

某些工业废水混合液温度从25℃下降到5~8℃时,出水悬浮物浓度上升,悬浮物呈高度分散状态,不能被普通二沉池去除。如某有机化学试剂厂有机废水,夏季混合液平均温度为28℃时,出水悬浮物平均浓度为42mg/L;冬季混合液平均温度为15℃时,出水悬浮物平均浓度上升到104mg/L。

混合液温度一般以15~35℃为宜,超过35℃或低于15℃时,处理效果下降。北方冬季温度低,宜将曝气生物反应池建于室内。

2)生物膜法

(1)生物膜法处理工业废水特点

①生物膜对水质、水量的变化有较强的适应性,操作稳定;

②生物膜中的生物相比活性污泥法丰富,沿水流方向生物种群分布合理;

③不会发生污泥膨胀,运行管理方便;

④存在高营养级的微生物,有机物代谢时较多地转化为能量,合成新细胞(剩余污泥)量较少;

⑤微生物量较难控制,因而在运行方面灵活性较差;

⑥设备容积负荷有限,空间效率较低。

按生物膜与废水接触方式不同,生物膜法设备可分为填充式和浸没式两类。填充式典型设备有生物滤池,浸没式有接触氧化法和生物流化床。

(2)生物滤池

生物滤池采用塑料填料,有效高度可达12m,水力负荷可达230m3/(m2·d)。对于某些工业废水,根据水力负荷及填料深度的不同,BOD去除率可达90%。为避免滤池蝇滋生,要求最小水力负荷为29m3/(m2·d)。处理含碳废水时,为避免滤池堵塞,填料比表面积最大为100m2/m3。比表面积大于320m2/m3的滤料可用于硝化,此时污泥产率低。由于溶解性工业废水的反应速率比较低,对这类废水进行高去除率处理时,不宜选用生物滤池。但塑料填料滤池可用于高浓度废水的预处理。

(3)接触氧化

生物接触氧化是一种介于活性污泥法与生物滤池两者之间的生物处理技术,兼具两者的优点,是目前工业废水生物处理采用较广泛的一种方法。

①工艺选择。生物接触氧化法有很多种处理流程,应根据废水种类、处理程度、基建投资和地方条件等因素来确定。工业废水处理量小,要求操作简单、管理方便、运行稳定。由于一段法比二段法或多段法简单,在工业废水处理中常采用。为了适应在不同负荷下的微生物生长,提高总处理效率,多采用推流式或多格的一段法,在高负荷和低负荷各格的填料密度和曝气强度不一定相同,使装置的设计更加合理。

②填料选择。填料关系到处理效果和建设投资。填料的比表面积、生物附着性、是否易于堵塞、价格是重要因素。填料在投资中所占比重较大,有的填料虽性能稍差,但价格便宜,也可考虑选用,在设计时可采取适当增加接触时间等方法予以弥补。

③停留时间确定。接触停留时间越长,处理效果越好,所需池容和填料量多;接触时间短,会导致氧化不完全,影响难降解物质的处理效果。接触停留时间应根据水质、处理程度要求、填料种类,通过试验或同类工厂的运行资料确定。当处理生活污水或与其水质类似的工业废水时,由于污水浓度低,可生化性高,可采用较短的接触停留时间,一般为0.8~1.2h;而处理工业废水,由于废水种类不同,其成分和浓度差异很大,可生化性不一,应采用不同的接触停留时间。处理一般浓度(COD在500mg/L左右)的工业废水,如印染废水、含酚废水,接触停留时间一般采用3~4h。处理浓度较高(COD在1000mg/L左右)的工业废水,如绢纺废水、石油化工废水等,接触停留时间宜取10~14h。

④气水比的确定。确定气水比时应留有余地。特别是处理BOD浓度较高的工业废水时,由于BOD负荷高,生物膜数量多,耗氧速率高;进水不均匀,有机负荷变化大,以及鼓风机使用年限和电力供应等因素的影响,气水比应留有适当余地,增加运行上的灵活性。

⑤防止填料堵塞。填料选择时要考虑废水的水质,在处理高浓度有机废水时,选用不易堵塞的填料。在印染、啤酒、石化、农药废水处理中多选用软性纤维填料、半软性填料。这些填料一般不会发生堵塞。

在一个生产班次中,定期加大气量反冲洗填料,每次反冲5~10min,对于吹脱填料上衰老的生物膜、防止填料堵塞非常有效。

采用蜂窝填料时,可分层设置填料,每层填料厚度为0.8~1.0m,层间留有0.25~0.3m的空隙,层间空隙有重新整流作用,以防止堵塞。

5.4.3 工业废水的厌氧生物处理

1)厌氧生物处理工业废水的特点

①处理效能高,容积小,占地面积小,可降低基建投资和运行费用。

②能耗低,且可回收生物能源(沼气),是产能型废水生物处理工艺。

③污泥产量低,且生成的污泥较稳定。

④应用范围广。好氧法适用于处理低浓度有机废水,对高浓度有机废水需用大量水稀释后才能进行处理;而厌氧法可用来处理高浓度有机废水,也可处理低浓度有机废水。有些有机物好氧微生物对其是难降解的,而厌氧微生物对其却是可降解的。

⑤厌氧处理设备启动时间长,因为厌氧微生物增殖缓慢,启动时经接种、培养、驯化达到设计污染浓度的时间比好氧生物处理长。

⑥处理后出水水质差,往往需要进一步处理才能达到排放标准,故厌氧生物处理常作为好氧生物处理的预处理。

2)工程应用

厌氧接触法的工艺特征是在厌氧反应器后设沉淀池,污泥进行回流,使厌氧反应器内能维持较高的微生物浓度,降低水力停留时间,减少出水微生物浓度,在反应器与沉淀池之间设脱气器,维持约5000Pa的真空度,尽可能将混合液中的沼气脱除。但这种措施不能抑制产甲烷菌在沉淀池内继续产气,会导致沉淀池已下沉的污泥上翻,固液分离效果不佳,出水中SS、COD、BOD等各项指标较高,回流污泥浓度因此较低,影响到反应器内污泥浓度的提高。可采取下列措施:

①在反应器与沉淀池之间设冷却器,使混合液的温度由35℃降至15℃,以抑制产甲烷菌在沉淀池内活动,冷却器与脱气器联用能够有效防止产生污泥上浮;

②投加混凝剂提高沉淀效果。

5.4.4 工业废水的厌氧、好氧处理

厌氧处理后出水水质较差,往往需要进一步处理才能达到排放标准。一般在厌氧处理后串联好氧生物处理。以处理玉米为原料的淀粉废水为例,废水中主要含蛋白质、脂肪、纤维素等。废水先提取蛋白进行预处理,能够获得营养丰富的蛋白饲料,同时减轻后续生物处理的负荷。废水处理工艺流程如图5.45所示。

图5.45 废水处理工艺流程

厌氧生物处理采用UASB反应器,大部分有机污染物在厌氧反应器中降解。反应器采用38℃中温发酵,共4座,每座容积1350m3,停留时间为24h,有机负荷率8kg COD/(m3·d),COD去除率80%,BOD去除率90%。

好氧生物处理采用SBR工艺,以8h为一周期,即进水1h、曝气4h、沉淀2h、排水1h。该工艺COD去除率90%,BOD去除率95%,并具有除磷脱氮功能。

本章小结

工业废水包括工业生产过程中产生的废水、污水和废液。由于工业企业众多,产品种类各异,水质复杂,本章内容按照处理方法不同,按照物理处理、化学处理、物理化学处理和生物处理主线,系统介绍了工业废水的处理工艺原理和方法,要求学生能够了解各种方法所针对的废水水质,熟悉基本原理和工艺流程,能够对某种性质的工业废水进行方案设计和运行维护。

习 题

1.常见的工业废水有哪些,去除的主要对象是什么?

2.常见的工业废水处理物理方法、化学方法以及物理化学方法各有哪些?

3.工业废水的生物处理方法有哪些?

4.渗透和渗析的区别是什么?

5.什么是气浮法,工艺原理是什么?

6.吸附法去除污染物的原理是什么?

7.从废水的来源、工艺流程、出水要求等几个方面比较城镇污水处理和工业废水处理有何不同。

8.工业废水处理工艺如何设计?主要包括哪些内容?

9.工业废水处理厂运行管理主要包括哪些内容?