5.5.4 管道附属构筑物

5.5.4 管道附属构筑物

1)清单工程量计算规则解析

管道附属构筑物包括砌筑井、混凝土井、塑料检查井、砖砌井筒、预制混凝土井筒、砌体出水口、混凝土出水口、整体化粪池、雨水口等清单项目。

(1)砌筑井(040504001)

①计算规则。砌筑井的工程量按设计图示数量计算。

②工作内容。砌筑井的工作内容包括垫层铺筑,模板制作、安装、拆除,混凝土拌和、运输、浇筑、养护,砌筑、勾缝、抹面,井圈、井盖安装,盖板安装,踏步安装和防水、止水。

③规则解读。砌筑井是指用砖砌筑的,为市政管网工程的维修、安装而设置的检查井、阀门井、碰头井、排气井、观察井、消防井等各类井的总称。砌筑井的主要功能是方便设备检查、维修和安装。砌筑井从形状上划分,可分为砖砌矩形检查井和砖砌圆形检查井两大类。砖砌圆形检查井(D≤400 mm)如图5.100所示,砖砌圆形检查井(盖板式)如图5.101所示。砌筑井的工程量按设计图示数量以“座”计量。

图5.100 砖砌圆形检查井(D≤400 mm)

图5.101 砖砌圆形检查井(盖板式)

(2)混凝土井(040504002)

①计算规则。混凝土井的工程量按设计图示数量计算。

②工作内容。混凝土井的工作内容包括垫层铺筑,模板制作、安装、拆除,混凝土拌和、运输、浇筑、养护,井圈、井盖安装,盖板安装,踏步安装和防水、止水。

③规则解读。混凝土井是用混凝土现浇或预制的,为市政管网工程的维修、安装而设置的检查井、阀门井、碰头井、排气井、观察井、消防井等各类井的总称。混凝土井的主要功能是方便设备检查、维修和安装。混凝土井从形状上划分,可分为混凝土矩形检查井和混凝土圆形检查井两大类。混凝土圆形检查井如图5.102所示。

(3)塑料检查井(040504003)

①计算规则。塑料检查井的工程量按设计图示数量计算。

②工作内容。塑料检查井的工作内容包括垫层铺筑,模板制作、安装、拆除,混凝土拌和、运输、浇筑、养护,检查井安装,井筒、井圈、井盖安装。

③规则解读。塑料检查井俗称塑料窨井,是设置在塑料排水管道交汇处、转弯处、管径或坡度改变处、跌水的地方或直线管段上每隔一定距离处,便于定期检查、清洁、疏通管道的排水附属构筑物。塑料检查井的基本结构类型与砖砌井或混凝土检查井类似,也包括井座、井筒、井盖等构造。塑料检查井的工程量按设计图示数量以“座”计量。

图5.102 混凝土圆形检查井

(4)砖砌井筒(040504004)

①计算规则。砖砌井筒的工程量按设计图示尺寸以“延长米”计量。

②工作内容。砖砌井筒的工作内容包括砌筑、勾缝、抹面和踏步安装。

③规则解读。井筒是指井盖或井圈与井身连接的管状构件。砖砌井筒的构造详见图5.101。

(5)预制混凝土井筒(040504005)

①计算规则。预制混凝土井筒的工程量按设计图示尺寸以“延长米”计量。

②工作内容。预制混凝土井筒的工作内容包括运输和安装。

③规则解读。预制混凝土井筒是事先用混凝土制作好的,后续再进行安装的构件。

(6)砌体出水口(040504006)

①计算规则。砌体出水口的工程量按设计图示数量计算。

②工作内容。砌体出水口的工作内容包括垫层铺筑,模板制作、安装、拆除,混凝土拌和、运输、浇筑、养护,砌筑、勾缝、抹面。

③规则解读。砖砌出水口是指用砖砌筑的市政工程雨污水圆形排水管道的出水口,有八字式、一字式、门字式3种形式。砌体出水口的工程量按设计图示数量以“座”计量。

(7)混凝土出水口(040504007)

①计算规则。混凝土出水口的工程量按设计图示数量计算。

②工作内容。混凝土出水口的工作内容包括垫层铺筑,模板制作、安装、拆除,混凝土拌和、运输、浇筑、养护。

③规则解读。混凝土出水口是指用混凝土浇筑的市政工程雨污水圆形排水管道的出水口,有八字式、一字式、门字式3种形式。混凝土出水口的工程量按设计图示数量以“座”计量。

(8)整体化粪池(040504008)

①计算规则。整体化粪池的工程量按设计图示数量计算。

②工作内容。整体化粪池的工作内容包括安装。

③规则解读。整体化粪池区别于传统的砖砌化粪池和钢筋混凝土化粪池,优点是能够极大地避免因砖混及混凝土结构化粪池的渗漏问题而引起的地下水资源污染和建筑物地基沉降。目前使用较多的整体化粪池是玻璃钢整体化粪池,它具有强度高、防渗漏、占地面积小、使用寿命长等特点。整体化粪池的工程量按设计图示数量以“座”计量。

(9)雨水口(040504009)

①计算规则。雨水口的工程量按设计图示数量计算。

②工作内容。雨水口的工作内容包括垫层铺筑,模板制作、安装、拆除,混凝土拌和、运输、浇筑、养护,砌筑、勾缝、抹面,雨水箅子安装。

③规则解读。雨水口是指管道排水系统汇集地表水的设施,由进水箅、井身及支管等组成,分为偏沟式、平箅式和联合式。偏沟式雨水口是雨水通过侧石来收集的雨水口;平箅式雨水口是雨水箅子平铺于路面上,通过道路路面的横坡来收集雨水;联合式则是集合了偏沟式和平箅式两种雨水收集方式的雨水口。平箅式雨水口的构造如图5.103所示。雨水口的工程量按设计图示数量以“座”计量。

图5.103 平箅式雨水口构造图

2)定额工程量计算规则解析

(1)井垫层、基础

①计算规则。井垫层、基础按图示尺寸的体积以“m3”计量。

②规则解读。一般来说,检查井的井垫层均为C10或C15的素混凝土,详见图5.100至图5.102中相应构造。

③计算实例。参见【例5.33】。

(2)井墙

①计算规则。井墙按图示尺寸以“m3”计量,应扣除ϕ>300 mm的管道占位体积,异径井筒和流槽的砌体与井墙合并计算。

②规则解读。井墙是指砖砌检查井的井身部分,不应扣除管道直径ϕ≤300 mm的管道占位体积;若井筒和流槽均为砖砌,则将井筒和流槽的工程量合并入井墙体积计算。

③计算实例。参见【例5.33】。

(3)抹面、勾缝

①计算规则。抹面、勾缝按图示尺寸的面积以“m2”计量,应扣除ϕ>300 mm的孔洞面积。

②规则解读。砖砌检查井的井身内壁、砖砌井筒、流槽面均需抹面、勾缝,不应扣除管道直径ϕ≤300 mm的管道占位面积。

③计算实例。参见【例5.33】。

(4)现浇混凝土井壁、井顶

①计算规则。现浇混凝土井壁、井顶按图示尺寸以“m3”计量,应扣除ϕ>300 mm的孔洞体积。

②规则解读。现浇混凝土井壁、井顶是指混凝土检查井的井身和井顶部分,不应扣除管道直径ϕ≤300 mm的管道占位体积。

③计算实例。参见【例5.33】。

(5)踏步

①计算规则。踏步按设计数量以“个”计量。

②规则解读。踏步是为了方便维修人员出入检查井,手攀脚登的特殊构造。从材质上区分,有铸铁踏步和塑钢踏步。

③计算实例。参见【例5.33】。

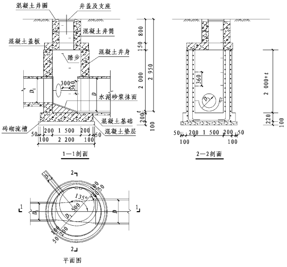
【例5.33】 某市政排水管道工程,采用混凝土圆形检查井,检查井两端接D=600 mm和D1=400mm的钢筋混凝土管。检查井构造详图如图5.104所示。检查井基本情况如下:垫层采用C10素混凝土浇筑;井身采用C30钢筋混凝土现浇;井顶为预制C30钢筋混凝土盖板坐浆安装;井筒为预制C30钢筋混凝土管坐浆安装(井筒内径为700 mm);流槽为M5水泥砂浆砌砖,上抹1∶2水泥砂浆;踏步为塑钢踏步。试根据《计价定额》计算检查井各构件的工程量。

【解】 根据《计价定额》及图中数据,有

C10素混凝土垫层的工程量:3.14×2.2×2.2/4×0.1=0.38(m3

C30现浇混凝土井身的工程量:3.14×0.25×(1.9×1.9-1.5×1.5)×2.0-3.14×1.5×(48/360×0.66×0.2+32/360×0.44×0.2+3.14×2.1×2.1/4×0.2=2.71(m3

预制C30钢筋混凝土盖板的工程量:3.14/4×(1.9×1.9-0.7×0.7)×0.15=0.37(m3

砖砌流槽的工程量:3.14×1.5×1.5/4×0.2/2=0.18(m3

塑钢踏步的工程量:int(2.95/0.36)+1=9(个)

图5.104 混凝土检查井计算图