5.6.4 工程量清单编制实例

5.6.4 工程量清单编制实例

为便于理解和掌握工程量清单编制的基本知识和基本方法,下面以“××市天山东路道路工程”为例,介绍招标工程量清单的编制。

1)工程概况

××市天山东路道路工程,路线总长度为5 000.00 m,为新建道路工程,设计内容包括道路的路面工程、管道工程、桥梁工程和路灯工程。由于工程规模相对较大,本案例仅对路面工程和排水工程的前200 m编制工程量清单。

现对“××市天山东路道路工程”的路面工程、管道工程、桥梁工程和路灯工程的基本情况分述如下。

(1)路面工程

道路等级:城市次干路Ⅰ级;设计使用年限:10年;设计车速:50 km/h;路面结构类型:沥青路面结构。该道路总长度为200 m,该段道路为直线段,无交叉口。道路标准横断面属典型的三块板结构,机动车道总宽度为14 m,无中央分隔带,人行道上无树池。路面结构层详见图5.106(图中未标注的尺寸单位以cm计)。本工程不包含道路路基工程。

(2)管道工程

污水管道工程的起点为道路起点K0+000,终点为道路终点K0+200,污水管采用公称直径为DN1000的钢筋混凝土Ⅱ级承插管。管线纵断面图详见图5.107;管道埋设断面图详见图5.108;各污水检查井的平面图详见图5.109;剖面图1和剖面图2详见图5.110。

(3)桥梁工程

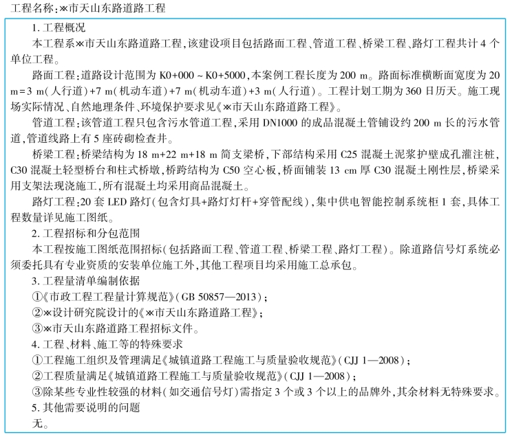
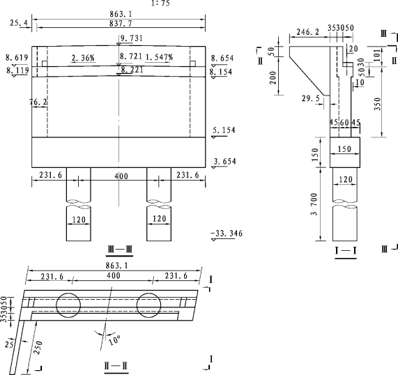
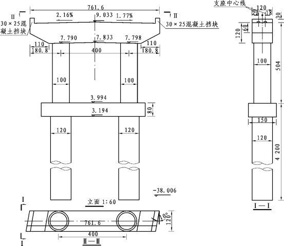
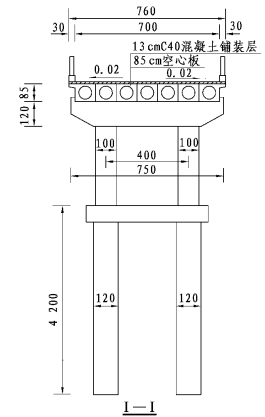
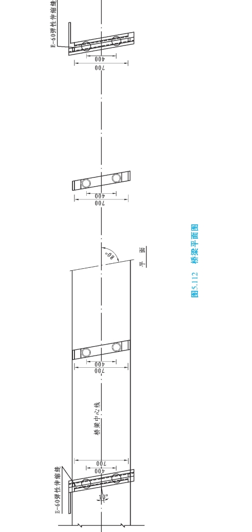
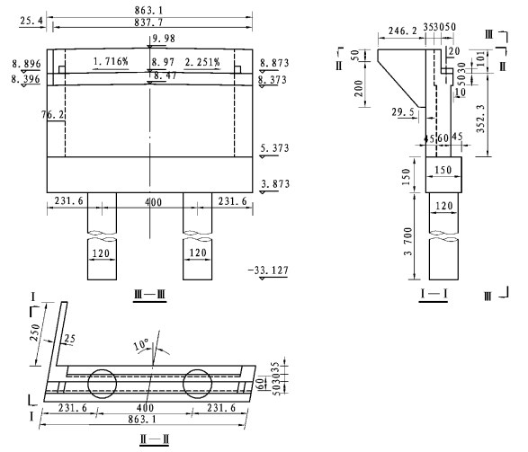
该道路工程包含一座18 m+22 m+18 m的简支梁桥,桥梁立面图如图5.111所示,桥梁平面图如图5.112所示,桥梁1—1断面图如图5.113所示,0号桥台和3号桥台一般构造图如图5.114和图5.115所示,1号桥墩和2号桥墩一般构造图如图5.116和图5.117所示(图中除标高单位以m计外,其余均以cm计)。桥梁下部桩基础混凝土为C25,空心连续板混凝土为C50,其余混凝土构件均采用C30。不考虑钢筋的工程量和给出的设计图中未涉及的细部构造内容。

(4)路灯工程

某市政路灯工程,采用成套LED路灯智能控制系统柜集中供电,10 m高成套单臂单杆路灯(150 W),路灯电缆埋地敷设横断面如图5.118所示(图中尺寸均以cm计),路灯电缆采用VV-1 kV-3×10 HDPE89 FC,接地母线采用ϕ12镀锌圆钢。整个工程主要设备及材料详见表5.14。

图5.106 路面结构图(单位:cm)

图5.107 管线纵断面图

图5.108 管道埋设断面图

图5.109 污水检查井平面图

图5.110 污水检查井剖面图

图5.113 桥梁Ⅰ—Ⅰ断面图

图5.114 0#桥台一般构造图

图5.115 3#桥台一般构造图

图5.116 1#桥墩一般构造图

图5.117 2#桥墩一般构造图

图5.118 路灯电缆埋地敷设横断面

表5.14 路灯工程主要设备及材料表

2)计算工程量

根据《建设工程工程量清单计价规范》(GB 50500—2013)和《市政工程工程量计算规范》(GB 50857—2013),计算“××市天山东路道路工程”的路面工程、管道工程、桥梁工程和路灯工程的工程量,计算结果见表5.15。

3)工程量清单编制

根据表5.15、《建设工程工程量清单计价规范》(GB 50500—2013)和《市政工程工程量计算规范》(GB 50857—2013)以及下列项目相关背景资料,编制××市天山东路道路工程的工程量清单。

(1)项目相关背景资料

①工程招标和分包范围。本工程按施工图纸范围招标(内容包括路面工程、管道工程、桥梁工程和路灯工程),无分包项目。

②工程量清单编制依据。《建设工程工程量清单计价规范》(GB 50500—2013)、《市政工程工程量计算规范》(GB 50857—2013)和《四川省建设工程安全文明施工计价管理办法》等。

③工程质量、材料、施工等特殊要求。工程质量、材料、施工等无特殊要求。

④其他需要说明的问题。该工程的暂列金额原则上不应超过分部分项工程费的15%。

(2)工程量清单的编制步骤

①清单项目划分并计算清单工程量;

②编制分部分项工程和单价措施项目清单与计价表;

③编制总价措施项目清单与计价表;

④编制其他项目清单与计价汇总表;

⑤编制规费、税金项目计价表;

⑥编制总说明;

⑦编制封面。

(3)分步列表

①清单项目划分并计算清单工程量,见表5.15。填列分部分项工程和单价措施项目清单与计价表。

②编制分部分项工程和单价措施项目清单与计价表,见表5.16。

③编制总价措施项目清单与计价表,见表5.17。

表5.17 总价措施项目清单与计价表

④编制其他项目清单与计价汇总表,见表5.18。其他项目清单所涵盖分表:暂列金额明细表,见表5.19;专业工程暂估价表,见表5.20;计日工表,见表5.21;总承包服务费计价表,见表5.22。各分表费用的具体计算细则见表下说明。

表5.18 其他项目清单与计价汇总表

表5.19 暂列金额明细表

续表

说明:暂列金额应根据拟建工程特点确定,编制招标工程量清单时,暂列金额可根据工程概算总金额的一定比例计算得到。

表5.20 专业工程暂估价表

说明:专业工程暂估价应根据拟建工程特点确定。本工程根据招标文件,道路交叉口交通信号灯系统工程由招标人另行招标,估算道路交叉口交通信号灯系统工程工程量,参照市场价格,估算该项专业工程价款(包括规费和税金以外的所有费用)为100 000.00元。

表5.21 计日工表

说明:计日工应根据拟建工程特点确定。本工程根据招标文件,编制招标工程量清单时,根据工程实际情况暂定一定数量的计日工,在编制招标控制价和投标报价时可参考报价。

表5.22 总承包服务费计价表

⑤编制规费、税金项目计价表。

根据《建设工程工程量清单计价规范》(GB 50500—2013)附录H及相关地区性文件编制规费、税金项目计价表。因规费、税金项目清单表在招标工程量清单中相关的格式和内容可参见规范,这里不再赘述。

⑥编制总说明,见表5.23。

表5.23 总说明

⑦编制封面,见表5.24。

表5.24 招标工程量清单封面

封-1