1.2 海风特性与测风要求
1.2 海风特性与测风要求
海风是海洋气候特征的组成部分之一,气候指地球上某一地区多年的天气和大气活动的综合状况,包括各气候要素的多年平均值、极值、变差与频率等。对于海上测风塔结构物而言,海风是气候特征中对其影响最显著的,其他的气候特征还包括气温、暴雨、雾和能见度等。
1.2.1 海风的成因
风是地球上空气运动的一种自然现象,不管在陆地还是海洋上,风的运动受到气压梯度力、地转偏向力、离心力和摩擦力等几种作用力的共同作用,在多种荷载作用达到平衡条件下按照牛顿定律来维持其特定时点的风速与风向。
(1)气压梯度力。大气在重力作用下会产生大气压强,进而形成气压场。随着纬度、温度和高度的变化,大气气压在逐步变化,一般采用等压线来表征大气压强的分布。由于大气压强的分布不均,从而产生了气压梯度力,推动大气产生水平流动。气压梯度力的方向与等压线垂直,由压力高处指向压力低处[9]。
(2)地转偏向力与地转风。地球上的大气运动还受到地转偏向力(柯氏力)的作用,地转偏向力垂直作用于气流的运动方向,因此它只改变气流运动的方向,不改变气流运动的速度。地转偏向力的大小与纬度和地球自转角速度有关。地转偏向力使得北半球的气流向右偏,故在北半球受地球自转偏向力的作用,北风变成东北风,南风变成西南风,热带气旋和龙卷风等大气涡旋总是沿逆时针方向旋转。在南半球的规律则相反[12]。
当仅考虑自由大气在水平气压梯度力和地转偏向力达到平衡状态时的空气运动时,则形成地转风。
(3)离心力与梯度风。地转风适用于等压线为平直线的状态,当等压线弯曲时,气流在做曲线运动时将产生离心力,这种在气压梯度力、地转偏向力和离心力三者之间平衡运动的气流则形成梯度风。梯度风对应的是气旋效应显著的风场,中心气压对应低压系统时称为气旋,中心气压对应高压系统时称为反气旋。
(4)摩擦力与地表风。对于贴近地表的气流,将受到地球表面的摩阻力作用,使得风速小于高空风速值。这种同时考虑气压梯度力、地转偏向力、离心力和摩擦力平衡条件下的气流运动称为地表风。海上测风塔结构所涉及的海风为地表风。
1.2.2 风向与风速
海风是一个矢量,应采用风向和风速来分别描述海风的方向与大小。
1.风向
风向指的是来风的方向,风向一般采用16个方位表示,即北东北(NNE)、东北(NE)、东东北(ENE)、东(E)、东东南(ESE)、东南(SE)、南东南(SSE)、南(S)、南西南(SSW)、西南(SW)、西西南(WSW)、西(W)、西西北(WNW)、西北(NW)、北西北(NWN)、北(N)。静风记为C。风向也可以用角度来表示,以正北为基准,顺时针方向旋转,东风为90°,南风为180°,西风为270°,北风为360°。同时标记方位和角度的风向方位图如图1-4所示。
风向随着季节和时日发生着变化,各种风向的出现频率通常用风向玫瑰图来表示。在极坐标图点出某年或某月各种风向出现的频率,称为风向玫瑰图,典型形式如图1-5所示。通过风向玫瑰图可以判定常风向和强风向,并对某海域出现的风向进行统计分析。
图1-4 风向方位图[13]
图1-5 风向玫瑰图[13]
2.风速
风速是单位时间内空气在水平方向上移动的距离,单位为m/s或km/h。为了便于使用,可根据风速大小划分为13个风级。由于这种方式是由蒲福(Beaufort)最先提出的,故称为蒲福风级或蒲氏风级。后人在其基础上另外增补了5级,则形成现今国际上通用的包含18级的风级表,如表1-1所示。但此表仍不能涵盖自然界出现的全部风,例如龙卷风等,但其发生的范围很小,也比较少见。
表1-1 风级表[14]

风速沿垂向的分布规律称为风切变。由于受到地面摩阻作用的不同,不同高度处的风速也不同。风速与近地面的距离成正比,距离地面越近风速越小,反之风速越大,对于海风规律相同。风切变可以采用指数分布模式或对数分布模式来描述。
按照对数分布模式时,高度Z1处风速U1与高度Zn处风速Un的关系为
式中 Z0——风速等于零的高度,是一个随地面粗糙度大小而变化的数值。
Z 0值一般略大于地面有效障碍物高度的1/10,根据大量实测资料,我国现采用的Z0值一般变化于0.001~0.15m之间:陆上平均值可取Z0=0.03m;海上可取Z0=0.003m;冰上可取Z0=0.001m。不同海况对Z0的取值影响还有待于进一步研究。
按照指数分布模式时,高度Z1处风速U1与高度Zn处风速Un的关系为
式中 α——指数,一般变化于1/15~1/4之间,常取1/7,按挪威船级社DNV—RP—C205标准可取0.12,按国际电工协会IEC 61400-3标准可取0.14。
α值的大小主要取决于地面粗糙度Z0和高度Zn,且随Z0值增加而增大,随Zn值增大而减小。我国标准所采用的α值是根据对数分布模式和指数分布模式在100m高度相等的条件下确定的。即以Z0=0.03m,Z1=10m,Zn=100m分别代入式(1-1)和式(1-2)并令其相等,得出α=1/6.90。同样,对于海上采用Z0=0.003m,Z1=10m,Zn=100m,按上述计算方法可得到α=1/9.22。
我国现有风速资料大都属于以下两种情况,即定时2min平均风速和自记10min平均风速。定时观测又可分为每日3次、4次和24次不等,自记观测可昼夜连续进行。由于观测次数和时距不等,对于同一地区、同一时间,得到的最大风速也将不同。观测次数越多,测得的最大风速值与自记最大风速值愈接近。观测最大风速的时距愈短,平均风速就越大。
1.2.3 我国近海海风特点
我国位于欧、亚大陆东部,东临太平洋,是世界著名的季风国家之一。我国冬季季风来自西伯利亚,气流干冷,经渤海、黄海直到南海;夏季季风则主要由印度季风槽的西南季风和太平洋副热带高压辐散形成的东南或南季风等形成,从南海向北影响到黄海、渤海。随着季风盛行风向的交替变换,我国的天气气候有明显的季节变化。在夏季盛行东南季风和西南季风,气候湿热、多雨;在冬季,盛行西北季风和东北季风,气候干冷、少雨。一般在每年的10月至来年的3月盛行偏北风,6月以后盛行偏南风,4月、5月和8月、9月为季风转换季节[15]。
我国沿海四大海域近海海风的特点有三个方面[15]。
1.渤海、黄海
冬季,在大陆高压和阿留申低压活动影响下,渤、黄海区多偏北大风,平均风速为6~7m/s,南黄海海面开阔,平均风速增至8~9m/s。伴随强偏北大风,常有冷空气或寒潮南下,风力可达24.5m/s以上,在渤海及北黄海沿岸,气温可剧降1~15℃,间或降大雪,是冬季的主要灾害性天气。寒潮有时能引发风暴潮,如1969年4月莱州湾的羊角沟增水达3.77m。春季开始季风交替,偏南风增多,6—8月,盛行偏南风,平均风速为4~6m/s。但遇有出海气旋或台风北上时,风力也可增至10级(风速24.5~28.4m/s)以上,常伴有暴雨,或引发风暴潮,是夏季的主要灾害性天气。1972年的3号台风和1985年的9号台风都曾经过黄海到达渤海并造成严重的风灾和风暴潮灾。
渤海、黄海的大风带,位于辽东湾、渤海海峡至山东半岛成山角一带以及开阔海域的南黄海中部和南部。渤海中部(8号平台)、西部(大连)的大风(阵风大于等于8级)日数平均每年80天左右,渤海海峡达110天,黄海北部达100天左右;黄海中、南部可达110天左右。该海域代表性地点的沿海大风日数统计如表1-2所示。黄海、渤海沿岸最大风速可达30~40m/s,该海域不同测站的极大风速如表1-3所示。
表1-2 我国沿海大风日数统计[16] 单位:天

2.东海
东海纵跨温带和亚热带,冬季受大陆高压影响,以偏北大风为主,平均风速可达9~10m/s;南部海区以东北风为主,尤其是台湾海峡,风向稳定,风速也较大。冬季寒潮南下之时,在冷锋过境之后,常出现6~8级偏北风,并伴有明显降温。冬、春季在台湾省以东、以北的海面,形成的温带气旋,常出现偏北大风。夏季以偏南风为主,平均风速仅5~6m/s,其间热带气旋却往往取道东海而北上。据统计,1949—1969年间,有154个热带气旋通过东海,约占中国近海热带气旋总数的1/4。平均而言,每年有5~6个台风或强台风通过东海,有的年份多达14个。以6—9月间台风最为频繁,春、秋也间有过境者。台风过境时,可出现风速极值;台风常伴有风暴潮,浙江、福建、台湾三省沿岸常受风暴潮而造成较大损失。台风增水再遇天文大潮,则增水更甚。如1990年18号台风,使温州海洋站增水达2.41m,最高潮位达6.63m;1996年8号台风使平潭验潮站出现了千年一遇的特高高潮位。
东海大风带在浙江沿岸,舟山群岛以及台湾海峡、东海西北部大风的日数为120~140天,台湾海峡为100~120天,琉球群岛附近为10~40天。该海域代表性地点的沿海大风日数统计如表1-2所示。东海沿岸最大风速可达38~41m/s,该海域不同测站的极大风速如表1-3所示。
表1-3 中国沿海最大风速极值统计(10min平均风速极值)[17]

3.南海
南海位于热带,又属典型的季风气候区。每年9月前后,东北季风到达台湾海峡;11月至翌年4月,全海区均由东北季风所控制。4月于马六甲海峡开始出现西南季风,至6月可遍及全海区,而7—8月为最盛期。南海的大部分海域,东北季风以11月最大,多为4~5级,有时可达6~7级,大风区在南海北部、巴士海峡及南沙群岛以西海域,西南季风风力一般较小,多在4级以下。然而在海南岛西部莺歌海,全年却以春季风较大,4月平均风速为5.5m/s;最小在12月,仅为3.4m/s。南海年平均大风日数比渤海、黄海、东海都少,越南近海为50天,西沙群岛附近为40天左右,南沙群岛西北部较多约为50天;粤东沿海靠近台湾海峡的区域,大风日数较多,有的可达100天。该海域代表性地点的沿海大风日数统计如表1-2所示。南海沿岸最大风速可达34~38m/s,该海域不同测站的极大风速见表1-3。
南海主要的灾害天气是台风。每年平均有10个左右的台风和强热带风暴活动于南海海域。多时如1964年,达18个;少时如1954年,只有4个。约有半数台风来自于菲律宾以东洋面,其余则为南海内部生成。生成的海域主要在10°N以北,且以6—9月居多;10—12月,生成区域移至南海中部。从汕头到雷州半岛的广东沿海、越南北部及菲律宾沿岸是台风、风暴潮多发区。据统计,1949—1980年广东沿岸遭受较大的风暴潮多达90次,其中1969年3号台风、1979年8号台风和1980年7号台风,均引发了大的风暴潮。1980年7月22日在徐闻登陆的7号台风,激发了中国百年罕见的特大风暴潮,雷州半岛东部南渡站潮位高达5.94m,湛江港则增水达4.63m。
1.2.4 海上测风要求
为了正确评价拟选风力发电场的风能资源情况,取得代表性风速风向资料,了解不同高度风速、风向变化特点,必须进行实地测风。海上风电场除应进行长期风能资源测量外,全潮水文观测期间还应进行短期风速、风向测量,测量位置根据水文测量要求确定。
为加强风电场风能资源测量和评估技术管理,统一和规范工作内容、方法和技术要求,提高工作成果质量,根据国家标准《风电场风能资源测量方法》(GB/T 18709—2002)和GB/T 18710—2002,制定了《风电场风能资源测量和评估技术规定》。2012年水电水利规划设计总院主编了《海上风电场风能资源测量及海洋水文观测规范》。下面综合介绍上述规定或规范对于海上测风的相关要求。
1.测风塔布置要求
测风塔安装位置应具有代表性。测风塔布置至少应满足两方面的要求:①测风塔安装点应在风电场中具有代表性,且必须在海上风电场范围内;②测风塔安装点靠近障碍物如海上结构物或建筑物等对分析风况有负面影响,选择安装点时应尽量远离障碍物。如果无法避开,则要求测风点距离障碍物的距离大于30倍障碍物的高度。
测风塔数量应满足风电场风能资源评价的要求,单个风电场的测风塔不少于1座,具体数量依据风电场场址形状和范围确定。潮间带及潮下带滩涂风电场的测风塔控制半径不超过5km,其他海上风电场应不超过10km。测风塔布置应兼顾平行与垂直海岸线两个方向的风能资源变化情况。
以平均海平面为起算基准面,测风塔的测量高度应高于风力发电机组轮毂高度,风电场范围内至少有1座测风塔测量高度不低于100m。对于高度100m的测风塔,应在10m、50m、60m、70m、80m、90m和100m高度分别安装风速仪测量风速,其中10m、60m、80m和100m高度处应安装两套。在测风塔10m、60m、80m和100m高度分别安装两套独立的风向标。在10m高度附近安装气压计和温度计测量气压和温度,条件允许时在塔顶同步安装温度传感器。在10m高度设置仪器时,应避免波浪的影响,可根据具体情况适当提高。其他高度的测风塔在设置测量高度时参照上述100m测风塔和预装风力发电机组轮毂高度综合确定。
2.测量参数要求
测量参数包括4类,分别为风速参数、风向参数、温度参数和大气压力参数。各参数的测量要求如下:
(1)风速参数采样时间间隔应不大于3s,并自动计算和记录每10min的平均风速,每10min的风速标准偏差,每10min内极大风速及其对应的时间和方向,单位为m/s。
(2)风向参数采样时间间隔应不大于3s,并自动计算和记录每10min的风向值。风向采用度(°)来表示。
(3)温度参数应每10min采样一次并记录,单位为℃。条件允许时,宜采用温差测量装置同步测量测风塔温度梯度。
(4)大气压力参数应每10min采样一次并记录,单位为kPa。
大气压与空气温度二者可用于确定空气密度,空气密度是估算风功率密度和风力发电机组功率输出所需的基本参数之一。
3.数据收集要求
除了测风塔测风外,还应收集临近气象站、海洋站等长期测站的测风数据。在收集长期测站的测风数据时应对站址现状和过去的变化情况进行考察,包括观测记录数据的测风仪型号、安装高度和周围障碍物情况,以及建站以来站址、测风仪器及其安装位置、周围环境变动的时间和情况等。
应长期收集测站的相关数据:有代表性的连续30年的逐年平均风速和各月平均风速;与风场测站同期的逐小时风速和风向数据;累年平均气温和气压数据;建站以来记录到的最大风速;极大风速及其发生的时间和风向等。
测风塔现场测风数据包括风场的风速、风向、气温、气压和标准偏差的实测时间序列数据,极大风速及其风向。测量收集数据应至少连续进行两年,并保证采集的有效数据完整率达到90%以上。在无线信号覆盖海域范围,数据收集应尽量采用每日定时无线传输;在无线信号不能覆盖的海域范围,可考虑采用卫星数据传输或其他方法。数据收集的时段最长不宜超过3个月,收集的测量数据应作为原始资料正本保存,用复制件进行数据分析和整理。
为了有效控制数据收集质量,在测风过程中需要填写针对性的记录表格,相关记录要求有以下方面:
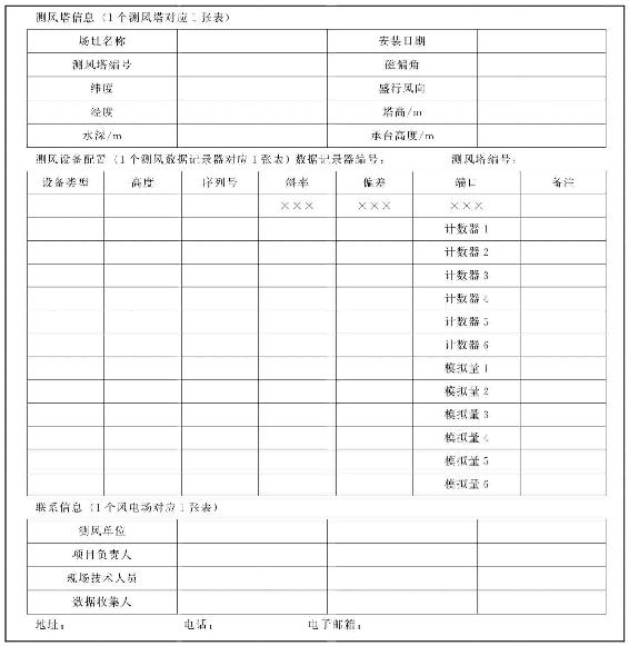
(1)应将现场的各种有用信息汇总成现场信息记录表,如表1-4所示。
(2)对所有的测风设备,均应画一张设备安装示意图表,以标明其具体安装方位,如表1-5所示。
(3)每次现场采集数据或检修,均应填写现场检测执行记录表。
(4)对每次设备出现的问题应进行分析,研究提出解决的办法,并采取相应的措施进行检修,并填写问题记录表,如表1-6所示。
(5)将每次的数据文件记录汇总成表,如表1-7所示。
4.数据整理要求
数据收集完成后需要进行数据整理工作,数据整理包括对数据的验证和订正。数据验证是检查风场测风获得的原始数据,对其完整性和合理性进行判断,检验出不合理的数据和缺测的数据,经过处理,整理出至少连续一年完整的风场逐小时测风数据。数据订正是根据风场附近长期测站(气象站或海洋站)的观测数据,将验证后的风场测风数据订正为一套反映风场长期平均水平的代表性数据,即风场测风高度上代表年的逐小时风速风向数据。
数据验证包括完整性检验和合理性检验。进行完整性检验时,数据数量应等于预期记录的数据数量,数据的时间顺序应符合预期的开始、结束时间,中间应连续。合理性检验包括范围检验、相关性检验和趋势检验。对于不合理数据和缺测数据:检验后列出所有不合理的数据和缺测的数据及其发生的时间;对不合理数据再次进行判别,挑出符合实际情况的有效数据,回归原始数据组;将备用的或经相关分析,相关系数大于等于80%的可供参考的传感器同期记录数据,替换已确认为无效的数据或填补缺测的数据。如果没有同期记录的数据,则应向有经验的专家咨询。
数据订正时附近气象站、海洋站等长期测站只有具备下列条件时才可将风场短期数据订正为长期数据,需满足的条件包括同期测风结果的相关性较好、具有30年以上规范的测风记录,距离风场比较近。
表1-4 现场信息记录表

表1-5 设备配置及安装图表

注:对每一个传感器,均应画一张安装示意图,以标明具体安装方位。
表1-6 问题记录表

表1-7 数据文件记录表

(1)将风场短期测风数据订正为代表年风况数据的方法如下:
1)作风场测站与对应年份的长期测站各风向象限的风速相关曲线。某一风向象限内风速相关曲线的具体做法是建一直角坐标系,横坐标轴为长期测站风速,纵坐标轴为风场测站的风速。取风场测站在该象限内的某一风速值(某一风速值在一个风向象限内一般有许多个,分别出现在不同时刻)为纵坐标,找出长期测站各对应时刻的风速值(这些风速值不一定相同,风向也不一定与风场测站相对应),求其平均值作为横坐标即可定出相关曲线的一个点。对风场测站在该象限内的其余每一个风速重复上述过程,就可作出这一象限内的风速相关曲线。对其余各象限重复上述过程,可获得16个风场测站与长期测站的风速相关曲线。
2)对每个风速相关曲线,在横坐标轴上标明长期测站多年的年平均风速,以及与风场测站观测同期的长期测站的年平均风速,然后在纵坐标轴上找到对应的风场测站的两个风速值,并求出这两个风速值的代数差值(共有16个代数差值)。
3)风场测站数据的各个风向象限内的每个风速都加上对应的风速代数差值,即可获得订正后的风场测站风速风向资料。
(2)测风塔测风数据整理需要符合以下规定:
1)不得对现场采集的原始数据进行任何的删改或增减,并应及时对下载数据进行复制和整理。
2)每次收集数据后应对收集的数据进行初步判断:①判断数据是否在合理的范围内;②判断不同高度的测量记录相关性是否合理;③判断测量参数连续变化趋势是否合理。判断参考值如表1-8所示。
3)发现数据缺漏和失真时,应立即认真检查测风设备,及时进行设备检修或更换,并应对缺漏和失真数据说明原因。
4)经整理形成现场测量逐10min原始数据报告,具体格式(示例)如表1-9所示。
5)经整理形成现场测量逐小时原始数据与极大风速数据报告,具体格式(示例)如表1-10所示。
6)将所有未经修改的原始测风数据记录和质量控制记录整理汇总到一起。
表1-8 主要参数的参考值

注:各地气候条件和风况变化很大,表中所列参数范围供检验时参考;当数据超出所列范围时应根据当地风况特点加以分析判断。
表1-9 现场测量逐10min原始数据报告格式(示例)

表1-10 现场测量逐小时原始数据与极大风速数据报告格式(示例)

其中表1-9和表1-10仅为示例,实际应根据测风塔设置情况进行相应调整。