学习情境自我诊断

学习情境自我诊断

一、该实训车辆发动机类型:

1.喷射类型:冷启动喷油器系统:有□;无□

2.氧传感器类型:氧化锆式□;氧化钛式□

3.是否带加热线圈:有□;无□

二、简要说明检测尾气质量的意义和步骤。

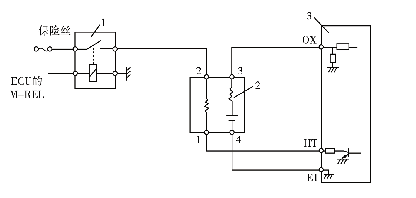
三、按照图3-40、图3-41所示,填写名称。

img

图3-40

img

图3-41

1.         7.
2.         8.
3.         9.
4.         10.
5.         11.
6.         12.

四、简要说明空燃比闭环反馈系统的工作过程。

五、结合图3-42简述氧传感器的检测步骤。

img

图3-42

六、电动油泵中线圈烧坏后,发动机会有什么现象?

七、燃油压力调节器的真空软管脱落,发动机会有什么现象?

八、诊断结果叙述。