进气压力传感器(MAP)
2025年10月13日
五、进气压力传感器(MAP)
1.作用
进气压力传感器(MAP)即进气歧管绝对压力传感器,该传感器用于D型汽油喷射系统。它在汽油喷射系统中所起的作用与空气流量传感器相似。进气歧管绝对压力传感器根据发动机的负荷状态测量出节气门后方进气管内绝对压力的变化,并转换成电压信号和转速信号一起输送到微机控制装置,作为控制喷油脉冲宽度和点火正时的主要参考信号。
2.安装位置
进气压力传感器(MAP)安装在发动机节气门后方的进气管上,或者用真空管连接在节气门后方的进气管上,如图7-24所示。通常进气压力传感器(MAP)三线制的是只有进气压力传感器(MAP);四线制的是含有进气压力传感器(MAP)和进气温度传感器(IAT)。

图7-24 进气压力传感器(MAP)
3.类型
进气压力传感器种类较多,有压敏电阻式、电容式等。由于压敏电阻式具有响应时间快、检测精度高、尺寸小且安装灵活等优点,因而被广泛用于D型喷射系统中,如图7-25所示。

图7-25 各种类型的进气压力传感器(MAP)
4.压敏电阻式进气压力传感器的工作原理
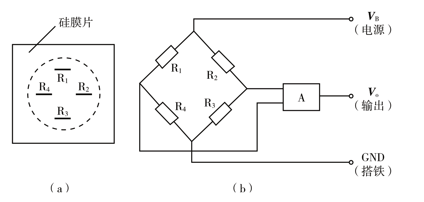
应变电阻R1、R2、R3、R4,它们构成惠斯顿电桥并与硅膜片粘接在一起。硅膜片在歧管内的绝对压力作用下可以变形,从而引起应变电阻的阻值的变化,歧管内的绝对压力越高,硅膜片的变形越大,从而电阻的阻值变化也越大。即把硅膜片机械式的变化转变成了电信号,再由集成电路放大后输出至ECU,如图7-26所示。

图7-26 压敏电阻式进气压力传感器的工作原理示意图