学习情境自我诊断

学习情境自我诊断

一、发动机类型:

1.怠速装置:节气门直动式□;旁通式□

2.控制方式:步进电机□;旋转电磁阀□;平动电磁阀□

二、简要说明怠速系统的工作过程。

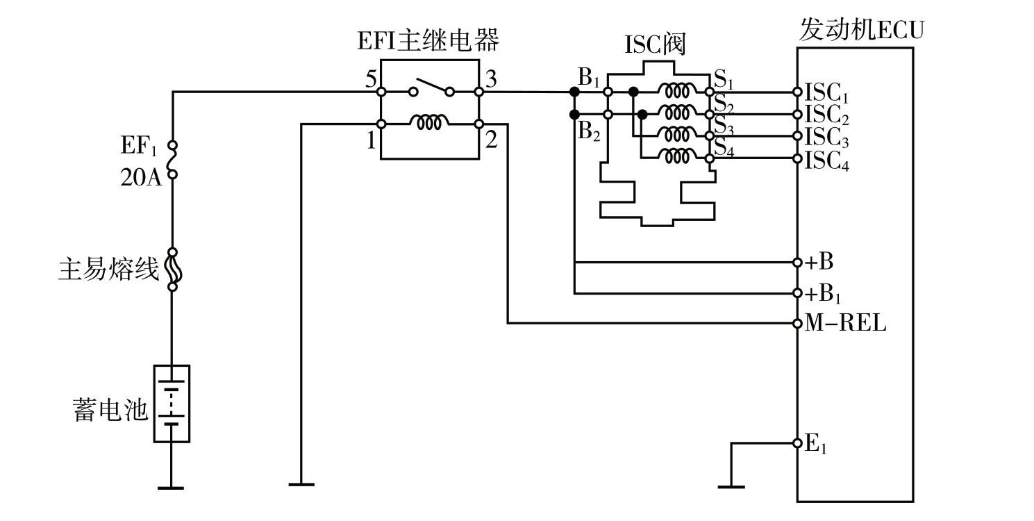
三、结合图7-27说明ISC阀的工作过程,并简述检测步骤。

img

图7-27

四、结合实训车辆,指出图7-28中的具体实物。

img

图7-28

五、使用诊断仪,读取故障码,并记录故障诊断所需的数据流。

六、诊断结果叙述。