学习情境自我诊断
一、工作情境描述
何先生在启动发动机时,拧动车钥匙,启动声音不明显,有时启动声音断断续续,有时甚至听不到启动声音,感觉启动机动力下降。在启动机不转动时,其电磁开关有吸动的“嗒、嗒”声。汽车送往维修店后,经维修技师检查判断为启动系统故障,你作为未来的维修人员,现需对相关部件检查,根据维修手册相关要求,在规定时间(参照维修资料)内完成启动系统的检查与零部件的更换,完成后,交付班组长验收。
二、自我诊断
1.汽车的启动机你见过吗?请分析汽车的启动机不能工作的原因有哪些。
2.根据你的了解,启动机不工作故障的现象有什么(请查阅相关资料)?
3.尝试分析造成启动机不工作故障的原因有哪些。请通过信息收集后完成图8-23中鱼骨头的绘制(请在鱼骨头中对应的地方填写相应内容的标号)。

图8-23
4.请列出启动系统的组成部件(如图8-24所示)。

图8-24
5.继电器:
(1)继电器你见过吗?请检索相关资料说说继电器的作用。
(2)你能看懂继电器上符号的意思吗(如图8-25所示)?请你回答以下问题:
继电器端子有________个,分别是___________________。
继电器端子脚有一对是相互垂直的,是用来干什么的呢?
______________________________________
继电器是□常开继电器□常闭继电器
40A是什么意思?

图8-25
6.观察如图8-26所示电路图,请思考,当D、E通电后,衔铁如何运动;当D、E断电后,衔铁又如何运动。

图8-26
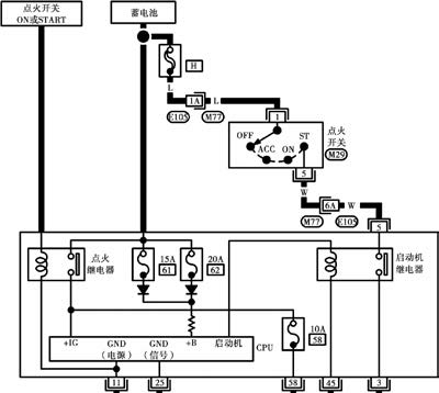
7.观察如图8-27所示电路图,查阅维修手册,回答以下问题:

图8-27
(1)点火开关打到ON位置时:
点火继电器□闭合□断开
起动继电器□闭合□断开
(2)中40A是什么意思?
(3)中各个挡位代表什么意思?请说明。
(4)是什么?它有什么作用?
(5) +IG 是什么?
(6) +B 是什么?
(7) 是什么?
8.请你观察起动机工作的视频等教学资源,完成如图8-28所示练习(部件功能对应相连)。

图8-28
9.请你完成如图8-29所示练习(电流回路与动作对应相连)。

图8-29
10.阅读分析:
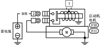
观察启动机的示意图8-30,如果1号端子通电,请检索相关资料,思考图中“”指示的线圈是否会产生磁场?线圈中间铁芯的作用是什么呢?

图8-30
11.请比较图8-31和图8-32,完成以下练习:

图8-31 启动线路图(1)

图8-32 启动线路图(2)
(1)请指出图8-31与图8-32的区别。
(2)请分别写出图8-31与图8-32的工作线路。