4.1.5 浮力式液位测量

4.1.5 浮力式液位测量

浮力式液位测量是根据阿基米德原理工作的,它包括恒浮力式液位测量和变浮力式液位测量两种。由于浮力式液位传感器结构简单、造价低、维持方便,因此在工业生产中应用广泛。

(1)恒浮力式液位测量

恒浮力式液位测量方法是利用浮子本身的质量和所受的浮力均为定值,并使浮子始终漂浮在液面上,并跟随液面的变化而变化的原理来测量液位的。它包括浮标式、浮球式和翻板式等各种方法。

UZG型浮子式钢带液位计是根据力平衡原理设计的,浮子通过钢带与测量系统相连,如图4.8所示。

图4.8 UZG型浮子式钢带液位计原理图

1—浮子;2—钢带;3—计数器;4—链轮;5—平衡弹簧;6—弹簧轮;7—传动销;8—钢带贮轮

当浮子在平衡位置时,浮力F、重力W和恒力装置提供的拉力P这3个力的矢量和等于零,浮子静止。

当液位发生变化,浮子随之浮动,破坏了在原位置上的力平衡,使弹簧轮转动收进或放出钢带,液位变化停止时,浮子在新的位置上平衡。由于钢带上冲有等距的、精度高的孔,它精确地带动链轮按位移量转动,驱动计数器计数,就地显示新的液位。也可在传动轴上配接变送器实现液位信号的远传。

在这种测量方法中,重力W为常数,浮子平衡在任何高度的液面上时,浮力F值均不变,所以把这类液位测量称为恒浮力式液位测量。

(2)变浮力式液位测量

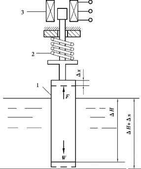
变浮力式液位测量是利用浮筒所受的浮力与其浸入液体深度呈线性关系来测量液位的,如图4.9所示。

图4.9 变浮力式液位测量

变浮力式液位测量弹簧的上端固定,圆筒形空心金属浮筒悬挂在弹簧下端,弹簧因承受浮筒的质量被拉伸,当浮筒的质量与弹簧力达到平衡时,有

式中 c——弹簧的刚度系数;

m——浮筒的质量;

x0——弹簧由于浮筒重力被拉伸所产生的位移。

将浮筒浸入被测液体,浮筒的一部分被液体浸没,由于受到液体浮力的作用浮筒会向上移动。

当浮筒所受浮力与弹簧力和它的重力平衡时,浮筒停止移动。这时,浮筒移动的距离,就是弹簧的位移变化量。

根据力平衡原理,下列关系成立。

式中 ρ——浸没浮筒的液体密度;

Δx——浮筒移动的距离;

A——浮筒的横截面积;

ΔH——浮筒被液体浸没的长度。

整理上两式后可得

所以,液位的高度H为

可见,当浮筒和弹簧的刚度系数一定时,液位的高度H与浮筒的位移变化量成正比。因此,只要能测出浮筒的位移变化量,就能测量出液位的高度H。

在浮筒的连杆上安装一铁芯,铁芯可随浮筒一起上下移动。当液位变化时,浮筒产生位移并带动铁芯,改变了差动变压器初级线圈和次级线圈的耦合情况,它输出的电动势与位移成正比,从而将液位信号转换成电信号,便于远传。

【任务实施】

(1)准备工器具

压力变送器1台,液位变送器1台,毫安数字电流表1台,液位变送器校验实验示意图如图4.10所示。

图4.10 液位变送器校验实验示意图

(2)实验步骤

①检查实验装置的仪器和设备是否完好。

②控制电磁阀的开关,将进到实验水箱的水路接通,检查是否漏水,水能否流入水箱内。

③检查压力传感器、液位传感器连线是否正确,并按照实验原理和仪表说明书,将信号、电源线连接好。

④连接完成后,请指导教师检查。待老师确认后,可以开始实验。

⑤按照仪表的操作说明,设定好仪表的输入上下限。连接压力传感器的仪表设置范围为0.00~9.807 kPa,连接液位传感器的仪表设置范围为0~120 m。

A.零点调整。

在水箱没水时,测量液位变送器输出信号是否为4 mA,如果不对,则调整调零电位器(零点/zero/z),直至输出为4 mA(由于零的液位比较难控制,可以稍大点,以保证水箱底部充满介质,避免误差,同时应保证变送器与水箱的连接无空气气泡)。

B.满量程调整。

零点调好后,通过水箱液位控制系统给水箱加水,液位增加到水箱满刻度处,测量液位变送器输出是否为20 mA,若不是则调整变送器量程电位器(增益/span/S),使输出为20 mA。

C.满量程调整后会影响零点,因此零点、满量程需反复多次调整,直至满足要求为止。

⑥改变水箱液位的高度,从每次改变10 cm水柱,分别记录压力传感器的数值和液位传感器的数值,记录液体的温度。

⑦当水位达到120 cm时,停止加水,开始放水,每次改变10 cm水柱,继续记录压力传感器的数值和液位传感器的数值,并记录液体的温度。

⑧关闭电源,拆除电路,将工具等放回原位。

(3)实验数据记录及处理(表4.1)

表4.1 液位变送器校验数据记录表

续表

(4)画出液位与压力关系曲线(图4.11)

图4.11 液位与压力关系

提示:将所有原始数据及计算结果列成表格,并附上计算示例。

(5)思考题

①液位测量有哪些测量方法?最少说明3种。

②液位压力变送器的接线方式有哪些?有哪些应用区别?

③测量液位时产生误差的原因主要有哪些?

【任务评价】

液位变送器校验任务评价表