2.1.4  接地系统

2.1.4 接地系统

电气设备的保护接地是一种保护人身安全、预防触电的基本安全保护措施,在机电设备设计时必须首先予以考虑。世界各国的接地系统有所不同,设计时应根据不同的接地系统,进行电气设备的接地。

1.IT系统

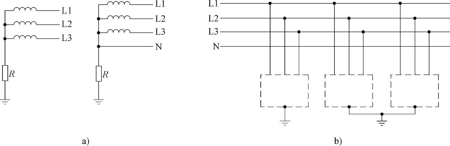
IT的首字母I表示电源中性线绝缘(Isoler,法文),第2字母T代表用电设备的机壳接地(Terre,法文,下同)。因此,这是一种电源中性线绝缘或利用过电压保护装置接地或通过高阻(R=1000Ω)接地、用电设备的机壳接地的接地系统。

采用三相交流供电的IT系统如图2.1-4所示。采用IT系统时,如果电气设备的相线和机壳发生短路,由于电源端相线对地的等效阻抗很大,而机壳的接地电阻很小,人体接触机壳一般不会受到伤害。但是,为了预防因电源端绝缘性能下降,而导致等效阻抗的降低、机壳对地电压增大,引起人体伤害,系统必须安装漏电保护器,监控中性线电流。因此,DIN VDE 0100-410标准规定:IT系统的中性线必须有电流监控和保护措施;电气设备的相线和中性线必须能够分断,但是,中性线不允许在相线分断前分断,也不允许在相线之后合上。

978-7-111-46780-9-Chapter02-6.jpg

图2.1-4 IT系统

a)电源端 b)用电设备

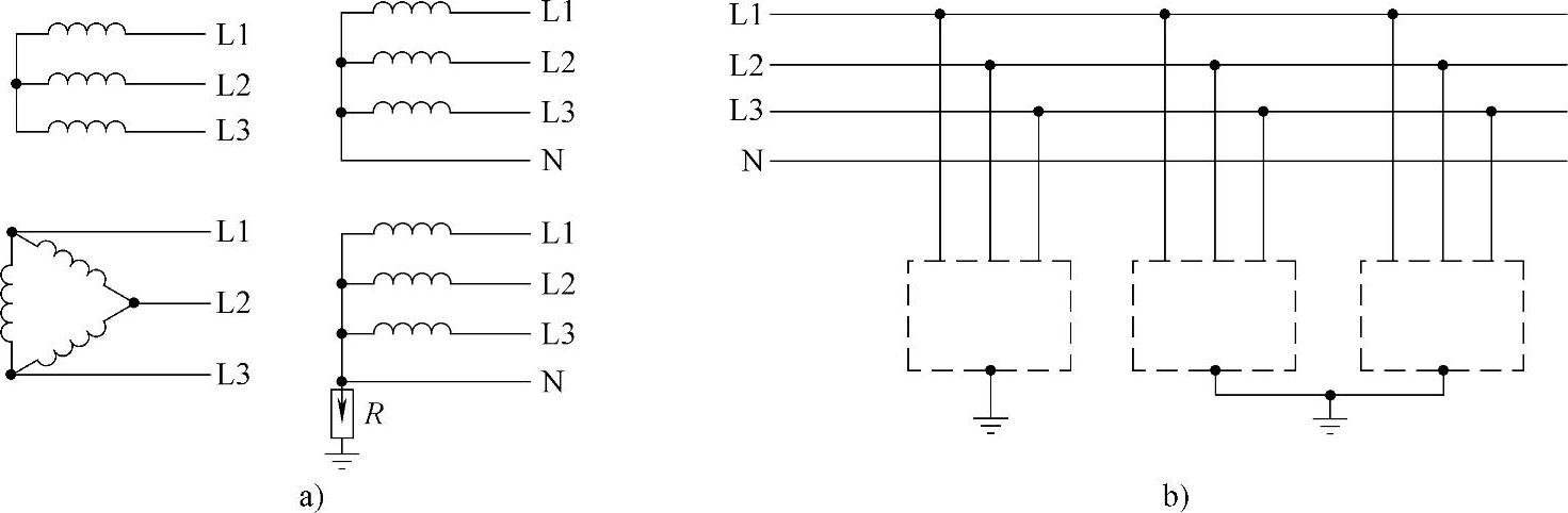
2.TT系统

TT的首字母T表示电源中性线直接接地、第2字母T代表用电设备的机壳接地。采用三相交流供电的TT系统如图2.1-5所示,电源的中性线直接接地(R≤2Ω)、用电设备的机壳接地。

978-7-111-46780-9-Chapter02-7.jpg

图2.1-5 TT系统

a)电源端 b)电气设备

采用TT系统时,如电气设备的相线和机壳发生短路,且机壳接地电阻和电源端接地电阻接近,电气设备的机壳电压将达1/2相电压,危及人身安全,故这种系统一般不被采用;如采用,系统也应安装漏电保护器,监控中性线电流。因此,DIN VDE 0100-410标准规定:采用TT系统时,电源端的接地电阻;同时,中性线必须应有电流监控和保护措施,而且,中性线不允许在相线分断前分断;如中性线无分断保护,则相线必须中性线过电流后200ms内分断。

3.TN-C系统

TN-C的首字母T表示电源中性线直接接地、第2字母N代表中性线(Neutral,法文,下同)、第3字母C代表公用(Commun,法文)。

采用三相交流供电的TN-C系统如图2.1-6所示,在整个系统中,电气设备的中性线N和保护接地线PE公用,并称为PEN线。TN-C系统的电源中性线直接接地(R≤2Ω)、电气设备的机壳连接公用线PEN。

采用TN-C系统时,如电气设备的相线和机壳发生短路,将直接导致相线短路而产生很大的短路电流,使得电气设备的过电流保护迅速动作,快速切断电源。因此,TN-C系统的中性线不允许安装开关或断路器,系统中也不允许同时存在机壳接地的设备,以防止不足以使电流保护动作的短路电流,引起机壳出现危险电压。此外,在电气设备内部,中性线和保护接地线不应该连接,也不应把PEN作为电气柜内部的连接端使用(IEC 60204)。

978-7-111-46780-9-Chapter02-8.jpg

图2.1-6 TN-C系统

a)电源端 b)电气设备

4.TN-S系统

TN-S的首字母T表示电源中性线直接接地、第2字母N代表中性线、第3字母S代表分离(Separer,法文)。采用三相交流供电的TN-S系统如图2.1-7所示,在整个系统中,中性线N和保护接地线PE必须始终分开敷设,电源中性线直接接地(R≤2Ω)、电气设备的机壳接保护接地线PE。TN-S系统上的单相电气设备,可直接使用相线和中性线,机壳同样需要连接保护接地线PE。

978-7-111-46780-9-Chapter02-9.jpg

图2.1-7 TN-S系统

a)电源端 b)电气设备

5.TN-C-S系统

TN-S的首字母T表示电源中性线直接接地、第2字母N代表中性线、第3字母C代表公用、第4字母S代表分离。采用三相交流供电的TN-C-S系统如图2.1-8所示,电源中性线直接接地(R≤2Ω),系统中,部分电气设备的机壳接保护接地线PE、部分电气设备的机壳接中性线N。

978-7-111-46780-9-Chapter02-10.jpg

图2.1-8 TN-C-S系统

a)电源端 b)电气设备