5.3.2  3TK28安全继电器

5.3.2 3TK28安全继电器

1.产品简介

作为数控机床的常用产品之一,SIEMENS公司的3TK28系列电磁安全继电器同样可用于紧急分断、防护门等安全电路的控制,安全性能可达到ISO 13849-1安全等级PLe及IEC62061安全完整性水平SIL3的要求。3TK28的常用规格见表5.3-2。

表5.3-2 3TK28常用产品一览表

978-7-111-46780-9-Chapter05-30.jpg

*注:触点容量为安全触点在使用类别AC-15/DC-13时,所对应的AC230V/DC24V额定电流值。

2.电路原理

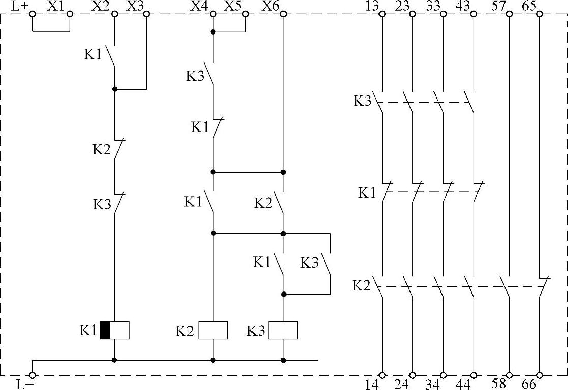
SIEMENS公司3TK28系列电磁安全继电器的原理类似,以3TK2804为例,其内部电路原理如图5.3-8所示,连接端作用和功能如下。

L+/L-(A1/A2:):控制电源输入。

X1~X6:急停按钮、起动/复位按钮、防护门开关连接端(见下述)。

13/14、23/24、33/34、43/44:安全触点输出1~4。

57/58、65/66:常开/常闭辅助触点输出。

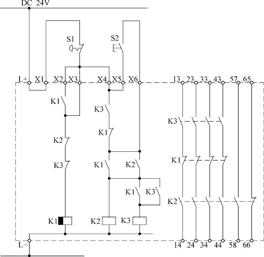
3.紧急分断控制

3TK2804电磁安全继电器用于紧急分断控制时,其外部连接要求如图5.3-9所示。电源输入L+/L-连接控制电源输入;急停按钮的常闭触点连接到X3上,起动/复位按钮的常开触点连接到X5/X6上,X2/X3/X4短接。

978-7-111-46780-9-Chapter05-31.jpg

图5.3-8 3TK2804电路原理

当设备正常开机时,急停按钮S1处在复位状态,K1接通、K2/K3断开,安全继电器进入准备状态。当按下起动按钮S2时,K2/K3接通并自锁;K2/K3的常闭触点断开K1,安全触点输出接通。为了防止起动时出现K2、K3尚未自锁、但K1提前断开的“竞争”现象,继电器K1也需要通过并联电容器等措施产生短时释放延时,以保证K2、K3自锁完成后,才释放其常开触点。K1释放后,K2/K3可通过K3常开/K1常闭组成的自锁支路保持。

978-7-111-46780-9-Chapter05-32.jpg

图5.3-9 3TK2804紧急分断控制

紧急分断时,只要断开S1,K2/K3的电源输入端X4将被切断,K2/K3断开,安全触点输出断开。紧急分断动作后,只要复位急停按钮S1,安全继电器便可重新恢复准备状态,以便再次起动。

4.防护门控制

3TK2804用于安全防护门控制时,可按图5.3-10连接防护门的关闭检测开关S1和打开检测开关S2。

978-7-111-46780-9-Chapter05-33.jpg

图5.3-10 3TK2804防护门控制

在图5.3-10所示的电路中,当防护门打开时,S2始终被压合、而S1释放,因此,X3输入将接通K1,并使之通过X2和内部K1触点自锁;而X4输入断开,K2/K3断开,安全触点输出断开。

当防护门关闭时,S1压合、S2释放,X4输入接通,K1由自锁保持接通,安全继电器进入准备状态。这时,只要按下起动按钮S3,便可接通K2/K3,使得安全触点输出接通。防护门一旦打开,S1立即释放、X4输入迅速断开,安全触点输出紧急分断;同时,由于S2动作,X3输入被再次接通,并起动K1自锁,安全继电器复位,为下次重新动作做好了准备。

3TK2804的起动继电器K1可通过X2和内部K1触点自锁,因此,防护门打开后可保持K1始终处于准备状态,故对S1、S2的信号同步无要求。

5.触点扩展

3TK2804电磁安全继电器的触点扩展方法与PNOZ X相同,它也可通过中间继电器扩展安全输出触点。扩展的中间继电器同样至少应为2只继电器并联,在使用扩展安全触点的电路中,需要串联使用2只中间继电器的常开触点。2只扩展继电器的常闭触点应与起动按钮串联后接入到X5、X6上,作为安全继电器的起动控制条件。