4.3.1  汇点输入电路

4.3.1 汇点输入电路

1.输入接口

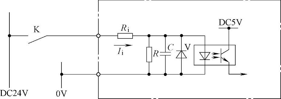
CNC、PLC、伺服驱动器、变频器的DI信号输入接口电路通常如图4.3-1所示。为了提高系统的可靠性和输入抗干扰能力,控制装置和外部输入一般用光耦合(Optical Coupler,OC)器件实现电绝缘,同时,将输入的开关信号转换成为内部TTL等电子电路控制用的DC5V信号;接口电路一般设计有RC滤波电路,因此,其输入通常有10ms左右的响应时间。在PLC上,接口电路一般还设计有状态指示LED、稳压及短路保护等辅助电路(图中未画出)。

作为参考,在数控机床用的CNC、PLC、伺服驱动器、变频器等控制装置上,内部获得“1”信号的最小输入驱动电流通常为3.5~8mA,“0”信号的关断电流为1~1.5mA。但是,由于器件、电路设计等方面的区别,以上参数不完全一致。

978-7-111-46780-9-Chapter04-95.jpg

图4.3-1 DI输入接口原理

虽然,不同控制装置、I/O单元或模块的接口电路多样,但其外部连接要求类似。从DI信号类型上,主要分直流和交流两种,以DC24V输入为常用;从输入连接形式上,分汇点输入、源输入、汇点/源通用输入3种基本类型,其输入电路的设计要求有所不同。

2.汇点输入连接

汇点输入是一种输入驱动电流由控制装置流向外部,并汇总到输入公共连接端(COM)的输入形式。采用DC输入的外部连接电路如图4.3-2a所示。连接到控制装置或I/O模块的所有开关信号有统一的公共端L-,这一公共端需要和控制装置接口电路中的0V公共端COM连接,光耦的输入驱动电源由控制装置或I/O模块统一提供,并由控制装置、I/O模块的内部向外部“泄漏”,故又称“漏形输入”。

汇点输入的接口电路原理可简化为图4.3-2b所示,CNC、PLC、伺服驱动器、变频器等控制装置的输入限流电阻一般为3.3~4.7kΩ。由图可见,当输入触点K2闭合时,控制装置或I/O模块的DC24V与0V间可通过光耦合器、限流电阻,经公共端COM形成电流回路,其内部的输入状态将称为“1”信号。

978-7-111-46780-9-Chapter04-96.jpg

图4.3-2 汇点输入电路

a)外部连接 b)原理简图

汇点输入的连接简单,且一般不需要外部提供输入驱动电源,因此,日本生产的产品多采用汇点输入连接形式。但如控制装置、I/O模块的0V与保护接地间无隔离,一旦输入端对地短路,将会有“1”信号的错误输入,可能引起设备的误动作。

3.接近开关连接

汇点输入可以与NPN集电极开路输出的接近开关,按照图4.3-3a所示直接连接;但与PNP集电极开路输出的接近开关连接时,需要增加图4.3-3b所示的下拉电阻。

增加下拉电阻后,接近开关发信时输出约为DC24V,光耦合器无驱动电流,输入状态为“0”;开关不发信时,DC24V与0V间可通过光耦合器、输入限流电阻、下拉电阻,经公共端COM构成回路,输入状态为“1”。

下拉电阻的阻值可根据光耦驱动电流、输入限流电阻选择,如取光耦合器的发光二极管导通电压为0.7V,其计算式如下:

978-7-111-46780-9-Chapter04-97.jpg

式中 R——下拉电阻值(kΩ);

Ue——输入驱动电压值(V);

Ii——最小输入驱动电流值(mA);

Ri——输入限流电阻值(kΩ)。

978-7-111-46780-9-Chapter04-98.jpg

图4.3-3 接近开关的连接

例如,当输入驱动电压Ue=24V、最小输入驱动电流Ii=4.5mA、输入限流电阻Ri=3.3kΩ时,计算所得的下拉电阻为R≤1.87kΩ,故可取R=1.5kΩ等。

输入回路增加下拉电阻后,电阻将成为接近开关的工作负载,因此,对接近开关的输出驱动能力要求将提高。如下拉电阻为1.5kΩ时,接近开关ON时的实际输出电流将成为:

IoUe/R=24V/1.5kΩ=16mA

因此,至少需要选择输出驱动20mA的接近开关。

接近开关的DC24V电源既可由控制装置提供,也可使用外部电源,使用外部电源时,其0V应与输入公共端COM连接。

4.带指示灯开关连接

数控机床除触点开关、接近开关等常用检测器件外,还可能使用图4.3-4所示的带有LED指示的检测开关。这种开关在信号OFF时存在泄漏电流,使用时可能出现输入信号ON后,无法成为OFF状态的情况,故需要在输入端并联“限泄漏电阻”,保证输入的关断。

在图4.3-4上,如果输入端无限泄漏电阻,假设发光二极管的导通电压为0.7V,当开关OFF时,其输入泄漏电流为

978-7-111-46780-9-Chapter04-99.jpg

978-7-111-46780-9-Chapter04-100.jpg

图4.3-4 带指示灯开关的连接

由于光耦合器要求的关断电流(OFF电流)一般为1.5mA以下,因此,需要增加限泄漏电阻,以保证开关OFF时的输入漏电流小于规定的值,使内部输入状态成为“0”。

例如,对于图4.3-4所示的输入电路,如果光耦合器的关断电流为1.5mA,在信号OFF时,输入端的压降Ui应保证:

Ui≤1.5×3.3+0.7=5.65(V)

限泄漏电阻R可计算如下:

978-7-111-46780-9-Chapter04-101.jpg

978-7-111-46780-9-Chapter04-102.jpg

故可取限泄漏电阻R的值为1kΩ。