3.2.2 多极器件的串并联
断路器、接触器、热继电器等低压电器是为3相交流电路设计的标准器件,其主回路一般有3~4极,故称为多极器件。多极器件也可用于单相交流电路、直流电路或非工频电路的控制,在这种情况下,应通过主回路的串并联处理,改善性能、提高运行可靠性。
1.主回路并联
接触器的主触点并联,可提高触点的额定工作电流,但由于不同触点的通断动作不可能绝对同时,因此,一般不能试图利用触点并联的方式,提高接触器的触点接通或分断能力。作为例外,由于电感负载接通时,其电流不能突变,因此,触点并联可提高其接通能力,例如,对于电动机负载,2极主触点并联后,其接通能力大约可提高到1.5倍,但触点分断能力则不能提高。
接触器主触点的并联连接方法如图3.2-7所示,不同并联方式的性能见表3.2-1。

图3.2-7 主回路触点的并联
a)单极 b)2极并联 c)3极并联
表3.2-1 主触点并联使用性能表

脱扣线圈直接串联在主回路的断路器、热继电器等短路、过载保护器件,主回路并联后,将改变脱扣线圈的工作电流,从而影响器件的保护特性,因此,断路器、热继电器的主回路不能进行并联连接。
2.主回路串联
主回路的串联连接可用于多极接触器和断路器、热继电器。无论从哪方面考虑,当多极器件用于1极、2极控制时,采用主回路串联连接,对提高器件的通断能力、使用寿命、可靠性都是有利的。
接触器的主触点串联方法如图3.2-8所示,主触点串联后,可降低触点的实际工作电压,提高触点的通断能力。例如,对于SIEMENS公司的3TF42系列接触器,用于使用类别DC-1、DC-2~DC-5直流负载通断控制时,主触点独立使用、2极串联和3极串联使用时,其额定电流的变化如表3.2-2所示。如果4极接触器用于2极控制,则还可利用图3.2-8c所示的串、并联连接,在提高通断能力的同时,使触点的额定工作电流提高1.8倍。
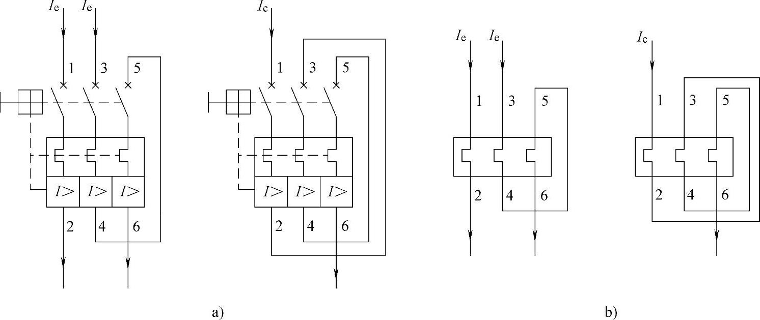
多极断路器、热继电器的短路、过载脱扣特性,是各极承受均匀负载(电流)时的保护特性,如不采取特殊的结构设计,脱扣器只有部分极承受负载时,将使动作电流值提高、动作时间延长。因此,当3极断路器、热继电器用于1、2极控制时,应将多余的极串联连接到其他极上,以保证可靠动作。特别是带断相检测功能的断路器,就必须强制将多余的极串联到其他极上。
表3.2-2 主触点串联使用的性能表


图3.2-8 接触器主触点的串联
a)2极串联 b)3极串联 c)4极串并联
断路器和热继电器主回路的串联连接方法如图3.2-9所示。

图3.2-9 断路器和热继电器主回路的串联
a)断路器 b)热继电器