5.4.3  应用典例

5.4.3 应用典例

1.安全通断电路

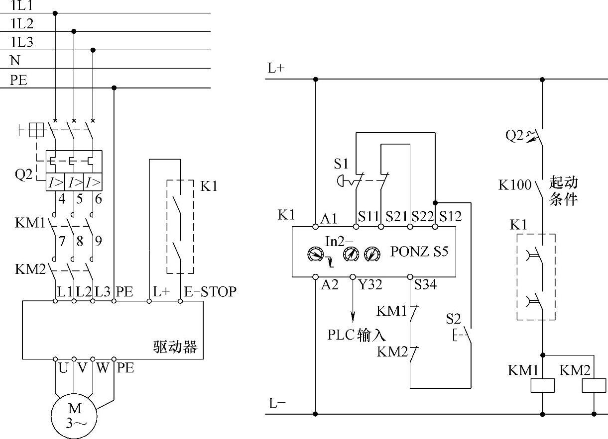
电子式安全继电器可直接用于电动机或控制装置的安全通断控制。以Pilz公司的PONZS系列产品为例,安全继电器用于电动机安全通断控制的典型电路如图5.4-11所示。

978-7-111-46780-9-Chapter05-60.jpg

图5.4-10 3RK3911的组态

978-7-111-46780-9-Chapter05-61.jpg

图5.4-11 安全通断电路

需要进行安全通断控制的电动机主回路,至少应使用2只接触器的触点串联,才能满足安全冗余控制要求。控制回路的分断按钮S1一般应使用双触点冗余输入,其安全输出触点用来控制接触器KM1、KM2的线圈通断;KM1、KM2的常闭触点应作为安全继电器的起动条件,与起动按钮S2串联后,接入到安全继电器的起动输入端S12、S34上。

以上电路在满足如下安全通断基本条件时,可达到ISO 13849标准规定的安全等级PLe和IEC EN62061安全完整性水平SIL 3的要求。

①通过测试确认共因故障预防与控制(CCF)可达到ISO 13849标准要求。

②持续运行时间20年。

③机电操作器件的工作频率为:急停按钮每周1次、接触器通断每周2次。

④接触器KM1、KM2的B10d值为2×106

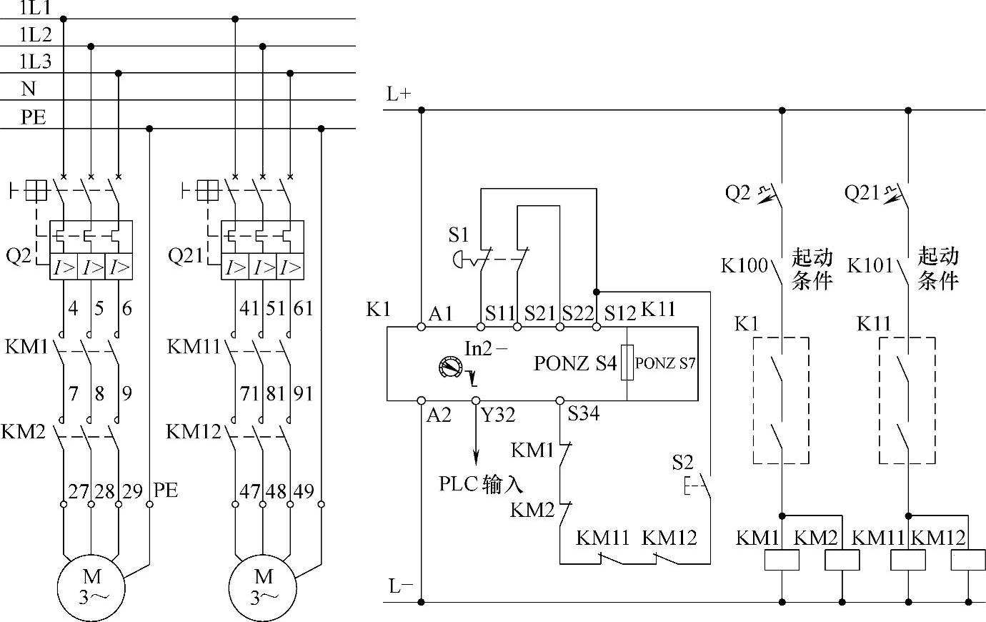
2.模块扩展

电子式安全继电器需要进行安全触点扩展时,可直接安装扩展模块。图5.4-12为PONZ S4通过PONZ S7扩展模块,扩展4对安全触点的电路例。PONZ S7扩展模块可以直接通过扩展连接器与PONZ S4连接;扩展模块所控制的接触器KM11、KM12的常闭触点应作为基本模块的起动条件,与基本模块所控制的接触器KM1、KM2常闭触点串联,连接到PONZ S4的起动输入端。电路在满足前述的安全通断基本条件时,同样可达到ISO 13849标准规定的安全等级PLe和IEC EN62061安全完整性水平SIL 3的要求。

978-7-111-46780-9-Chapter05-62.jpg

图5.4-12 扩展模块的使用

3.驱动器通断

PONZ S系列电子式安全继电器用于电流控制型逆变驱动器安全通断的典型电路如图5.4-13所示。

电流控制型逆变的驱动器安全通断需要有瞬时动作和延时动作的安全触点输出,因此,需要使用带有延时断开安全触点的PONZ S5基本模块,或选配PONZ S9扩展模块。驱动器紧急停止时,首先利用安全继电器的瞬时动作安全触点控制驱动器进入急停状态,使得电动机通过回馈制动紧急停止;电动机完全停止后,再利用安全继电器的延时触点断开驱动器的主电源输入。

978-7-111-46780-9-Chapter05-63.jpg

图5.4-13 驱动器安全通断

PONZ S5基本模块的外形和电路原理如图5.4-14所示,模块可输出2对瞬时动作冗余安全触点(13/14、23/24)和2对延时断开冗余安全触点(37/38、47/48),并可连接PONZ S系列扩展模块进行安全触点扩展。

978-7-111-46780-9-Chapter05-64.jpg

图5.4-14 PNOZ S5基本模块

a)外形 b)电路原理

PONZ S5的连接端功能、外部连接要求以及功能设定开关的作用均与PONZ S4相同,可参见5.4-1节说明。

延时断开安全触点的延迟动作时间,可通过面板上的2只设定开关“t(s)”和“n”进行选择。开关“t(s)”用来选择基本时间,可选择0、0.1、0.5、1、2、5、10、20、30s;开关“n”用来选择时间倍率,可选择1、2、3、4、5、6、7、8、10;两者的乘积就是延时值;因此,模块可选择的延时范围为0.1~300s。同一延时值也可通过不同的方式进行设定,其效果同。例如,当需要安全触点延时1s时,既可选择0.1s×10,也可选择0.5s×2,或1s×1等。

总之,电子式安全继电器是传统电磁式安全继电器的升级产品,它不但可用于电磁式安全继电器同样的控制,且功能更强、使用更灵活、扩展更容易。例如,PONZ S6可替代P2HZ 1P,实现双手操作安全控制等,在此不再一一说明。

[1]EN ISO 13849来源于EN954,两者区别很小。

[2]现行使用的绝大多数机床都是贯彻EN 954,本书对EN 954进行简单介绍可以帮助读者了解现有设备的设计思路。