6.2.3  进口伺服连接电路

6.2.3 进口伺服连接电路

1.产品简介

国产伺服驱动器和伺服电动机的体积较大、产品规格较少,伺服系统的总体性能较低,因此,对于要求相对较高的国产普及型数控机床,国产普及型CNC也经常选配安川、三菱、松下、三洋等公司生产的进口通用型交流伺服驱动器,以提高伺服驱动系统的性能。安川伺服驱动器为普及型CNC常用的配套产品。

安川(YASKAWA)公司是日本研发、生产交流伺服驱动器最早的企业之一,在20世纪70年代已开始通用伺服与变频器的研发与生产,其产品的技术性能居全世界领先水平。安川交流伺服驱动器产品规格齐全、技术先进、可靠性好,是通用交流伺服驱动器中其功能最全、使用最广的产品之一。图6.2-6所示的ΣⅡ、ΣV是安川公司近年的典型产品。

978-7-111-46780-9-Chapter06-22.jpg

图6.2-6 安川伺服驱动产品

a)ΣⅡ系列 b)ΣⅤ系列

ΣⅡ属于国际第三代通用型伺服驱动器,是普及型CNC常用的配套产品。ΣⅡ驱动器采用了高速CPU与较先进的控制算法,其运算速度高、定位时间短,速度响应可达400Hz,速度误差小于±0.2%;位置输入脉冲频率可达500kHz;配套伺服电动机的最大功率为15kW,最高转速为5000r/min,最大输出转矩可达300%Me。驱动器采用了17bit增量/绝对型串行输出编码器,位置、速度、转矩控制精度高;并具有在线自动调整功能、电动机在线自动识别、参数自适应等调整。

ΣV是安川最新的第四代通用伺服驱动器,是目前普及型CNC常用的配套产品。ΣV系列驱动采用了最新的高速CPU与现代控制理论,其高速性能领先于全世界,驱动器定位时间只有普通驱动器的1/12;位置输入脉冲频率可达4MHz;速度响应高达1600Hz,速度误差小于±0.2%;配套伺服电动机的最大功率为15kW,最高转速为6000r/min,最大过载转矩可达350%Me。ΣV系列伺服电动机内置的20bit(即220,1048576P/r)增量/绝对型串行接口编码器作为位置检测元件,或通过光栅构成全闭环控制系统;驱动系统的调速范围可以达到1∶5000,其位置、速度、转矩控制精度均居世界领先水平。ΣV系列驱动器还配备了USB接口,可直接通过Sigma Win+调试软件用计算机进行在线调试,在线调整的内容涵盖前馈控制、振动抑制陷波器、转矩滤波器等,自适应性能等先进功能。

2.系统组成

安川交流伺服驱动系统的一般组成如图6.2-7所示,图中的DC电抗器、滤波器、制动电阻可根据实际需要选用,断路器、主接触器等为通用器件,只需要选用符合要求的产品。驱动器组成部件的作用如下。

①调试设备:交流伺服驱动器一般配套有简易,操作/显示面板,但如果需要进行驱动器的振动抑制、滤波器参数自适应调整等,则应选用外部操作单元选件或使用安装有Sig- maWin+软件的计算机。

②断路器:断路器用于驱动器短路保护,必须予以安装,断路器的额定电流应与驱动器容量相匹配。

③主接触器:伺服驱动器不允许通过主接触器的通断来频繁控制电动机的起/停,电动机的运行与停止应由控制信号进行控制。安装主接触器可使主电源与控制电源独立,防止驱动器内部故障时的主电源加入,驱动器的准备好(故障)触点应作为主电源接通的条件。当驱动器配有外接制动电阻时,必须在制动电阻单元上安装温度检测器件,当温度超过时应立即通过主接触器切断输入电源。

978-7-111-46780-9-Chapter06-23.jpg

图6.2-7 安川伺服驱动系统的组成

④滤波器:进线滤波器与零相电抗器用于抑制线路的电磁干扰。此外,保持动力线与控制线之间的距离、采用屏蔽电缆、进行符合要求的接地系统设计也是消除干扰的有效措施。

⑤直流电抗器:直流电抗器用来抑制直流母线上的高次谐波与浪涌电流,减小整流、逆变功率管的冲击电流,提高驱动器功率因数。驱动器在安装直流电抗器后,对输入电源容量的要求可以相应减少20%~30%。驱动器的直流电抗器一般已在内部安装。

⑥外接制动电阻:当电动机需要频繁启/制动或是在负载产生的制动能量很大(如受重力作用的升降负载控制)的场合,应选配制动电阻。制动电阻单元上必须安装有断开主接触器的温度检测器件。

3.驱动器连接

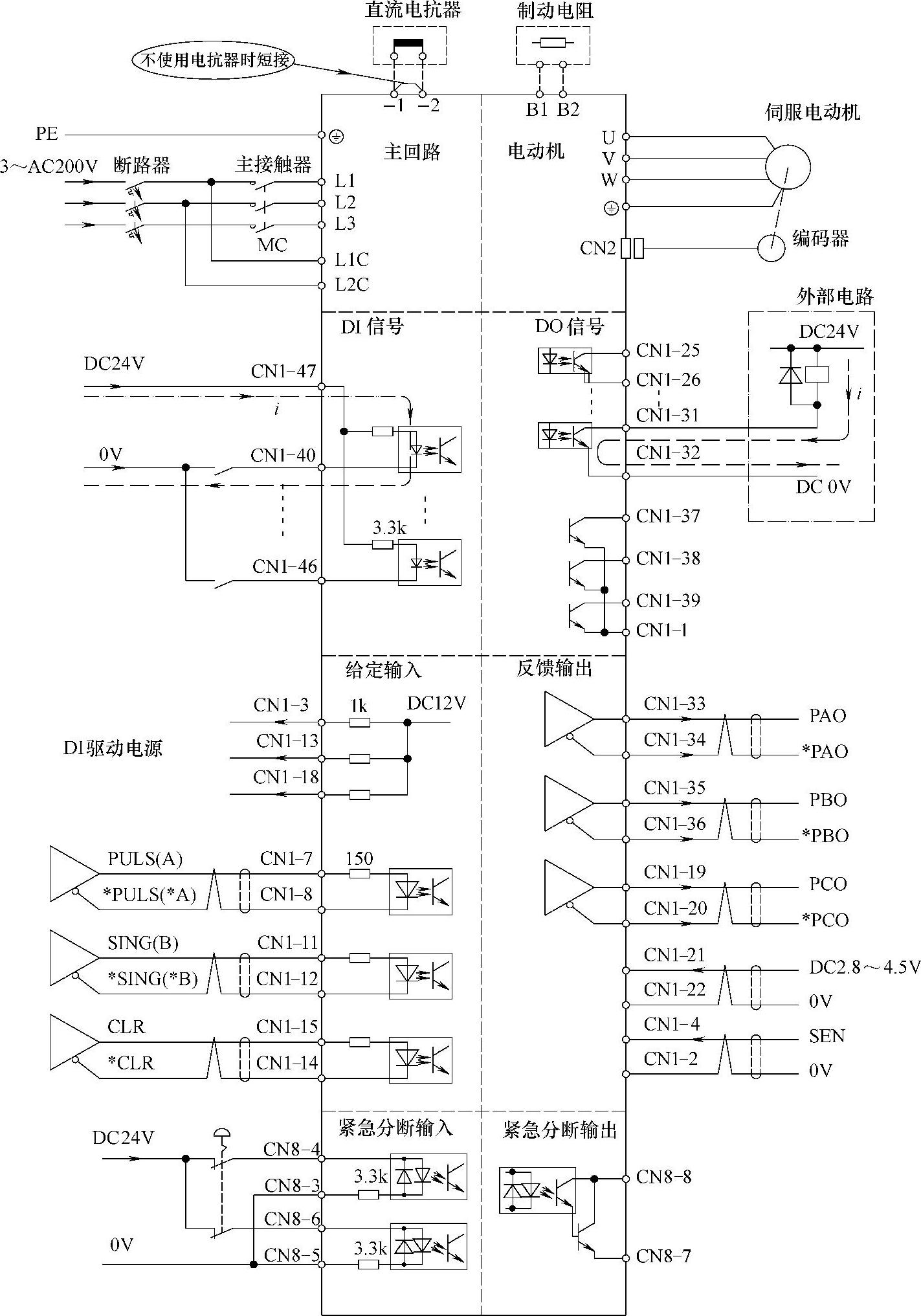
ΣⅡ、ΣV驱动器的连接要求类似,ΣV用于位置控制的连接总图如图6.2-8所示。

978-7-111-46780-9-Chapter06-24.jpg

图6.2-8 ΣV系列驱动器连接总图

安川ΣⅡ和ΣV系列驱动器的连接端基本相同,驱动器用于位置控制时的连接要求见表6.2-9。

表6.2-9 Σ系列驱动器的连接要求表

978-7-111-46780-9-Chapter06-25.jpg

4.电动机连接

安川ΣⅡ和ΣV系列驱动器需要与安川公司的伺服电动机配套使用,伺服电动机电枢连接线U/V/W,必须与驱动器的U/V/W一一对应。

伺服电动机的内置编码器与驱动器的CN2连接,由于安川ΣⅡ和ΣV系列伺服电动机使用的是串行输出增量或绝对编码器,因此,其连接较简单,它只需要连接电源和1对串行数据传输线。编码器的连接要求见表6.2-10。

表6.2-10 Σ系列伺服电动机内置编码器的连接

978-7-111-46780-9-Chapter06-26.jpg

5.CNC连接

由于CNC功能所限,安川驱动器与国产普及型CNC配套时,也只能使用最基本的位置控制功能和DI/DO信号,驱动器的DI/DO信号同样通过CNC生产厂家提供的配套电缆,直接与CNC的驱动器接口连接器X52/X50/X51/X53连接,它同样不采用通过驱动器的报警信号控制主电源、使用紧急分断输入等安全控制方案。

国内CNC生产厂家所提供的安川ΣⅡ和ΣV系列驱动器与普及型CNC的连接电路如图6.2-9所示,连接要求如下。

①位置给定输入:驱动器的位置给定输入PULS/*PLUS、SIGN/*SIGN,直接连接CNC的位置指令脉冲输出CP+/CP-、DIR+/DIR-。不使用驱动器的位置跟随误差清除信号CLR。

②位置反馈输出:经驱动器输出的伺服电动机内置编码器零脉冲信号PCO/*PCO,作为CNC的参考点检测输入信号PC+/PC-。不使用A、B相位置反馈脉冲输出信号。

③驱动器DO信号:将驱动器报警输出ALM+/ALM-,直接作为CNC的驱动器报警DALM输入。CNC的准备好DRDY信号和驱动器的其他DO信号均不使用。

④驱动器DI信号:驱动器的伺服使能信号S-ON,直接连接CNC的准备好触点输出MRDY1/MRDY2。*P-OT、*N-OT信号通过驱动器参数Pn50A.3、Pn50B.0的设定取消;其他DI信号不使用。

⑤接口驱动电源。CNC的DI信号DALM的输入驱动电源直接由CNC内部提供,电压为DC12V;伺服驱动器的DI信号S-ON的输入驱动电源24V IN,由CNC的VP端提供,电压为DC24V,在CNC上需要将设定端SA5设定为DC24V输出。

有关安川公司最新产品ΣV的详细说明,可参见本书作者编写的《交流伺服驱动与变频器应用技术(安川篇)》(机械工业出版社,2012.8)一书或安川公司的技术资料;有关安川ΣⅡ驱动器的详细说明,可参见本书作者编写的《交流伺服驱动从原理到完全应用》(人民邮电出版社,2010.1)一书或安川公司早期的技术资料。