5.3.1  PNOZ X安全继电器

5.3.1 PNOZ X安全继电器

1.产品简介

Pilz公司电磁式安全继电器可用于紧急分断、防护门等安全电路控制,当前的产品主要有图5.3-1所示的PNOZ X、PNOZ C两类,其安全性能可达到ISO 13849-1安全等级PLe及IEC 62061安全完整性水平SIL3的要求。

PNOZ C为直列式紧凑型产品,目前只有PNOZ C1一种规格,其控制电源为DC24V,安全触点为3常开/1常闭输出,在使用类别AC-15时,触点容量为AC230V/5A;在使用类别为DC-13时,触点容量为DC24V/5A。PNOZ C1的规格少、电路原理和使用方法与PNOZ X系列相同,在此不再详细说明。

PNOZ X系列产品采用了功能专用的独立电磁式结构,产品规格多、可靠性好、使用方便灵活,是数控机床常用的产品。常用的PNOZ X系列安全继电器见表5.3-1。

978-7-111-46780-9-Chapter05-22.jpg

图5.3-1 Pilz电磁式安全继电器

a)PNOZ X b)PNOZ C

表5.3-1 PNOZ X常用产品一览表

978-7-111-46780-9-Chapter05-23.jpg

*注:触点容量为安全触点在使用类别AC-15/DC-13时,所对应的AC230V/DC24V额定电流值。

2.电路原理

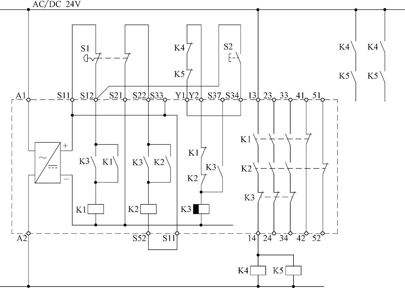
PNOZ X系列安全继电器的原理类似,以PNOZ X8P为例,其内部继电器电路如图5.3-2所示,各连接端的作用和功能如下。

978-7-111-46780-9-Chapter05-24.jpg

图5.3-2 PNOZ X8P电路原理

A1/A2:控制电源输入。安全继电器的电源输入回路安装有二极管桥式整流电路,因此,电源输入为AC/DC24V通用

S11/S12:紧急分断输入通道1。

S21/S22/S52:紧急分断输入通道2。

S33/S34/S37:起动/复位输入。当紧急分断输入通道1、2触点闭合(正常工作)时,可通过该输入接通安全输出触点(起动信号)。如紧急分断输入通道1或2的触点断开(紧急分断),安全输出触点立即断开;重新接通安全触点,必须在紧急分断解除后,通过该输入信号恢复(复位信号)。

Y1/Y2:起动/复位信号反馈输入。该输入可连接起动/复位信号的控制条件。

13/14、23/24、33/34:安全触点输出1~3。3组输出信号均为2对常开和1对常闭触点串联的冗余触点输出。

41/42、51/52:通道1和2的常闭辅助触点输出。

Y32/Y35:晶体管PNP集电极开路输出端,驱动能力为DC24V/20mA。

Y31/Y30:晶体管PNP集电极开路电源输入端;Y31连接外部DC24V电源,Y30连接外部电源的0V。

3.紧急分断控制

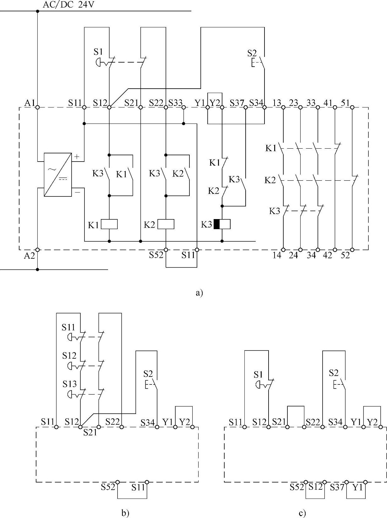
紧急分断控制是安全继电器的基本功能。PNOZ X8P安全继电器用于紧急分断控制时,其连接方法如图5.3-3所示,为了便于阅读,图中省略了晶体管输出部分(下同)。

在图5.3-3a所示的基本电路上,安全继电器的电源输入A1/A2连接外部AC24V或DC24V输入;紧急分断触点的输入通道1和2分别连接急停按钮S1的2对常闭触点,实现急停按钮的输入冗余;起动/复位触点输入通道可连接起动按钮,如不使用反馈输入,Y1/Y2可直接短接。

当设备正常开机时,K1~K3处于断开状态,此时,如复位急停按钮S1,紧急分断输入通道1、2将接通,安全继电器进入准备状态。当按下起动按钮S2时,K3接通;K3的常开触点将接通K1和K2,并使之自锁。K1、K2一旦接通,其常闭触点将断开K3,安全触点输出接通。为了防止起动时出现K1、K2尚未自锁、K3被提前断开的“竞争”现象,继电器K3需要通过并联电容器等方式,产生短时的释放延时,以保证K1、K2自锁完成后,才释放其常开触点。

978-7-111-46780-9-Chapter05-25.jpg

图5.3-3 PNOZ X8P的紧急分断控制

a)基本电路 b)多地控制 c)单触点输入

当机床有多个急停控制按钮时,安全继电器可通过图5.3-3b所示的常闭触点串联的方式,将其接入到紧急分断输入通道1和2上。如机床只使用1对常闭触点的急停按钮,则可按图5.3-3c所示,直接短接输入端S21/S22,使得紧急分断输入通道1和2在内部为并联连接。

4.防护门控制

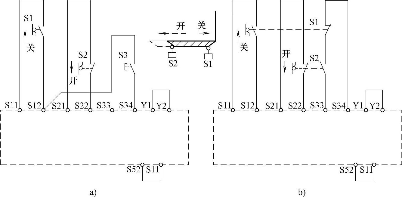
安全防护门用于安全防护门控制时,可按照图5.3-4所示的方式,连接防护门关闭的检测开关S1和打开的检测开关S2。

978-7-111-46780-9-Chapter05-26.jpg

图5.3-4 PNOZ X8P的防护门控制

a)手动起动 b)自动起动

在图5.3-4a所示的控制电路上,S1的常开触点和S2的常闭触点分别连接到紧急分断输入通断1和2上,安全防护门关闭时,两个通道的输入同时接通。采用这一连接方式的电路不能在防护门关闭时自动起动安全触点输出,它需要在关闭防护门、紧急分断输入通道接通后,通过外部起动按钮S3的操作,才能接通安全触点输出。

图5.3-4b所示的防护门控制电路具有自动起动功能。当防护门打开时,S2始终压上、而S1释放,安全继电器的起动输入端S33被接通;但紧急分断输入通道全部断开,安全触点输出断开。当防护门关闭时,S1压合、S2释放,紧急分断输入通道接通,起动输入断开,其内部继电器K1、K2可通过K3的延时功能起动并自锁,安全触点输出将接通。再次打开防护门时,S1立即释放、紧急分断输入回路迅速断开,安全触点输出紧急分断;同时,由于S2压合,起动输入被再次接通,安全继电器自动复位,为下次重新动作做好了准备。但线路对S1、S2的输入有一定的同步要求,防护门关闭时,从S2释放到S1动作的间隔应小于K3的释放延时。

5.触点扩展

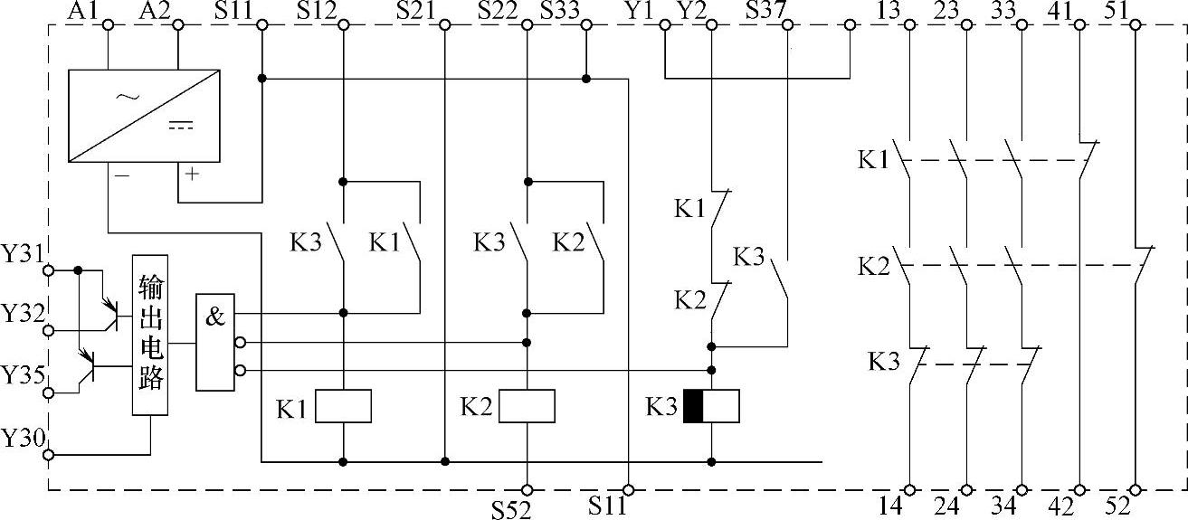
PNOZ X8P电磁式安全继电器只能输出3对安全触点,当需要更多触点时,可通过中间继电器扩展安全输出触点。图5.3-5为利用中间继电器K4、K5扩展紧急分断安全触点输出的线路例,它同样可用于安全防护门控制。

作为安全电路设计的基本原则,利用中间继电器扩展安全触点时,为了保证冗余性和安全性,中间继电器至少应为2只并联;在使用安全触点的电路中,2只中间继电器的常开触点应串联使用、冗余控制。此外,2只中间继电器的常闭触点应串联接入到起动/复位的反馈输入通道Y1/Y2上,作为安全继电器起动/复位的控制条件。安全触点扩展也可直接使用PZEX4P/5P/9P扩展安全继电器,有关内容可参见后述。

6.PNOZ X2P

作为常用产品,Pilz公司的PNOZ X2P安全继电器可用于简单的机床紧急分断或安全门控制,产品外形和外部连接要求如图5.3-6所示。

978-7-111-46780-9-Chapter05-27.jpg

图5.3-5 PNOZ X8P的触点扩展

PNOZ X2P为2通道输入、2对常开触点串联冗余输出的简单产品,其紧急分断控制的连接要求如图5.3-6b所示。当急停按钮采用单触点输入时,可直接将其串联到电源输入回路、短接2通道的输入连接端S11/S12、S21/S22;如采用冗余双触点输入,则分别连接到通道1和2上;两种连接方式均可需要通过起动按钮S3起动安全触点输出。

PNOZ X2P用于安全防护门控制时,可通过短接内部起动连接端Y36/Y37,在防护门关闭时自动起动安全触点输出;也在S33/S34上连接起动按钮S3,利用手动操作起动安全触点输出。

PNOZ X2P也可通过2只并联中间继电器扩展安全输出触点。2只扩展继电器的常闭触点应与起动按钮串联后,接入到S33/S34上,作为安全继电器的起动控制条件。

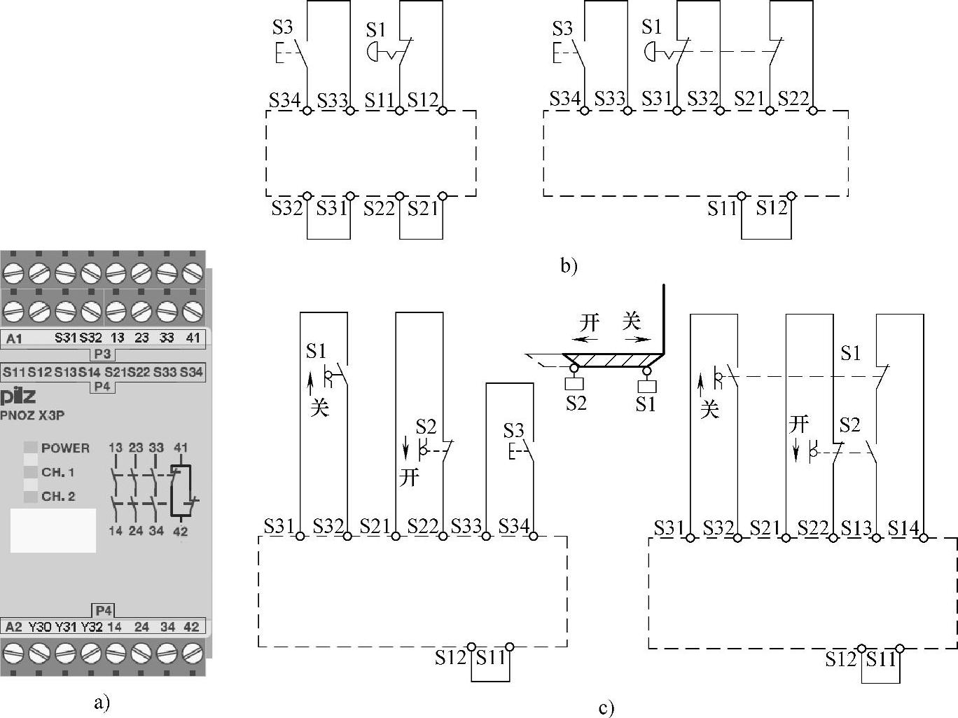
7.PNOZ X3P

PNOZ X3P安全继电器为Pilz紧急分断或安全门控制的标准产品,它在PNOZ X2P的基础上,增加了第3安全触点输出通道33/34和常闭辅助触点输出41/42,此外,还有1通道带短路保护的晶体管PNP集电极开路输出,可与CNC、PLC等控制装置连接。PNOZ X3P的外形和连接要求如图5.3-7所示。

PNOZ X3P用于紧急分断控制时的外部连接如图5.3-7b所示,急停按钮可采用单触点或冗余双触点输入,安全触点输出通过起动按钮S3起动。

PNOZ X3P用于安全防护门控制时的连接要求如图5.3-7c所示,如在S13/S14上连接S1常闭、S2常开串联的触点,可在防护门打开时,使安全继电器进入复位状态,在门关闭后自动起动安全触点输出。如在S33/S34上连接起动按钮S3,则可在门关闭后手动操作S3,起动安全触点输出。

978-7-111-46780-9-Chapter05-28.jpg

图5.3-6 PNOZ X2P安全继电器

a)外形 b)急停 c)防护门

978-7-111-46780-9-Chapter05-29.jpg

图5.3-7 PNOZ X3P安全继电器

a)外形 b)急停 c)防护门

PNOZ X3P也可通过2只并联中间继电器扩展安全输出触点。作为安全继电器的起动控制条件,在紧急分断和手动复位的防护门控制电路上,2只扩展继电器的常闭触点应与起动按钮串联后接入到S33/S34上;在自动复位的防护门控制电路上,2只扩展继电器的常闭触点应与起动信号串联后接入到S13/S14上。