3.3.1  断路器

3.3.1 断路器

1.主要特点

断路器是电气控制系统最常用的短路和过载保护器件。断路器不仅结构紧凑、安装简单、使用方便,与传统的熔断器相比,它还具有如下优点。

(1)多极连锁

断路器的多极具有动作连锁功能,只要其中的一极发生短路或过载,便可同时断开其他极,从而可以有效防止电气设备在单相故障时的缺相运行。

(2)扩展性好

断路器不但可安装辅助触点,而且还可安装远程分励脱扣线圈、欠电压脱扣线圈等,故可用于电路互锁、远程操作和欠电压保护。

(3)调整方便

断路器的过载保护电流可调,故可用于不同额定电流的负载过载保护要求,使得保护更加准确、可靠。

(4)重复使用

断路器为可恢复保护器件,它在短路、过载保护动作后,仍可继续使用,其维修十分方便。

因此,在绝大多数使用场合,断路器已逐步替代传统的熔断器,成为了目前大多数电气控制设备首选的短路和过载保护器件。

2.分类与结构

断路器的种类较多,根据其保护特性,工业电气设备常用的低压断路器主要有图3.3-1所示的电动机保护断路器(Motor protection circuit breaker)、变压器保护断路器(Transformer protection circuit breaker)、设备保护断路器(Plant protection circuit breaker)、组合起动装置用断路器(Starter combination circuit breaker)和微型断路器(Miniature circuit breaker,MCB,又称小型断路器)几大类。

978-7-111-46780-9-Chapter03-25.jpg

图3.3-1 断路器的结构和外形

a)63A以下 b)63A以上 c)微型

断路器的结构、外形与断路器类别、规格等有关。额定电流63A以下的电动机保护、变压器保护、设备保护和组合起动装置用断路器的形式多样,图3.3-1a是几种常见的结构。额定电流63A以上的断路器多为图3.3-1b所示的结构,其外形与塑壳断路器(Moulded case circuit breaker)类似。微型断路器的外形和结构基本统一,目前绝大多数公司生产的产品都采用图3.3-1c所示的典型结构。

电动机保护、变压器保护、设备保护、组合起动装置用断路器是典型的工业控制用器件,其额定工作电压一般为AC690V,短路分断能力在50kA以上,它们主要用于工业电气设备的3相短路、过载等保护。

微型断路器的用途十分广泛,它不但可用于工业,而且还大量用于民用住宅、建筑等场合,作为线路的短路、过载保护器件,故又称导线保护断路器。微型断路器的额定工作电压一般为230/415V,短路分断能力通常小于25kA,故多用于AC400V以下的电气设备控制或民用住宅、建筑。

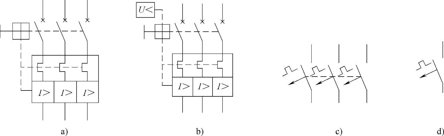
3.图形符号

电动机保护、变压器保护、设备保护断路器都具有手动操作机构和瞬时过电流脱扣、反时限延时过载脱扣线圈,具备手动操作、短路和过载保护功能,因此,在电路图中需要使用组合图形符号。按照DIN 40900标准,以上3种断路器在电路图上用图3.3-2a所示的符号表示;如断路器还安装有欠电压脱扣线圈,则使用图3.3-2b所示的组合符号。

978-7-111-46780-9-Chapter03-26.jpg

图3.3-2 断路器的DIN标准符号

a)一般符号 b)带欠电压脱扣 c)简化符号 d)辅助触点

组合起动装置用断路器只具有手动操作机构和瞬时过电流脱扣线圈;微型断路器虽也安装有反时限延时过载脱扣线圈,但其功能仍以短路保护为主,为了区别电动机、变压器、设备保护断路器,在DIN 40900标准中,通常以图3.3-2c所示的简化符号表示。断路器的辅助触点统一用图3.3-2d所示的符号表示,符号与单极微型断路器相同。

虽然,DIN 40900标准的图形符号与JB/T 2739有所不同,但其含义更清晰、使用更广泛,设计时建议采用。

4.基本特性

断路器的结构和外形通常只影响安装和外观,因此,电气设计时最主要的是确定其保护特性,使之与被保护的器件或线路相匹配。

在以上几类常用的断路器中,标准结构的电动机保护、变压器保护、设备保护和微型断路器都安装有瞬时过电流脱扣器(Instantaneous over current releases,简称n型脱扣器)和反时限延时过载脱扣器(热过载脱扣,Thermal overload releases,简称a型脱扣器),故可直接用于短路和过载保护;但组合起动装置用断路器只安装有瞬时过电流脱扣(n型脱扣),只具备短路保护功能。

各类断路器的基本性能特征及主要用途见表3.3-1。其中,微型断路器可以根据不同的用途,选择A、B、C、D等4种不同的短路脱扣特性(Tripping characteristics),A型短路脱扣特性虽然不属于IEC标准规定的范围,但仍有较多的公司(如SIEMENS等)生产和销售

表3.3-1 断路器的保护性能与用途

978-7-111-46780-9-Chapter03-27.jpg

断路器的电流保护基本特性如图3.3-3所示,组合起动装置用断路器只具有图中的n脱扣(短路保护)特性。

断路器也可根据需要增加欠电压、分励等脱扣器,用于欠电压保护或远距离控制;通常而言,断路器欠电压保护脱扣器的动作范围为0.35~0.7Ue,分励脱扣器的动作范围一般为0.7~1.1Ue

5.短路保护特性

几乎所有的断路器都可用于短路保护,但其短路电流的分断能力有所不同。

电动机保护、变压器保护、设备保护、组合起动装置用断路器的短路分断能力通常在50kA以上(少数为20kA)。按DIN VDE 0641标准,微型断路器的短路分断能力分3、4.5、6、10、15、25kA共6个不同等级。

断路器的短路保护动作电流(n型脱扣器整定电流)有固定和可调两种形式,电动机保护、变压器保护、组合起动装置用断路器、微型断路器一般为固定式;设备保护断路器可选择固定或可调两种形式。不同类别的断路器的短路保护动作电流整定值通常见表3.3-2。

978-7-111-46780-9-Chapter03-28.jpg

图3.3-3 断路器的保护特性

表3.3-2 断路器的短路保护电流整定值

978-7-111-46780-9-Chapter03-29.jpg

注:In为断路器额定电流。

6.过载保护特性

IEC 60947标准规定,过载保护的断路器、热继电器等器件,其反时限延时过载脱扣器的保护特性用脱扣等级(Trip class)表示。

常用的脱扣等级有class 5(10A)、10、15、20、25、30、40共7级。其中,class 5(10A)和class 10可用于电动机的正常起动,为常用等级;class 20、30、40用于起动时间长、起动电流大的电动机起动,称为重载起动。

不同脱扣等级的脱扣器动作时间和实际工作电流的关系如图3.3-4所示。脱扣等级中的5、10、15等数值是器件在7.2In过载时的保护动作时间(s),对于其他过载情况,脱扣器的动作时间见表3.3-3。

电动机、变压器、设备保护断路器的过载保护电流可调节,其脱扣等级一般可选择class 5(10A)、10、20、30、40,未特别说明的断路器脱扣等级通常为class 10。

978-7-111-46780-9-Chapter03-30.jpg

图3.3-4 过载保护特性

表3.3-3 保护断路器的过载保护脱扣等级

978-7-111-46780-9-Chapter03-31.jpg

注:In为断路器过载保护电流调整值。

微型断路器的过载保护电流不能调整,其过载保护脱扣特性与短路脱扣特性有关,短路脱扣特性A、B、C、D所对应的过载保护脱扣特性见表3.3-4。

表3.3-4 微型断路器的过载保护脱扣特性

978-7-111-46780-9-Chapter03-32.jpg

注:In为断路器的额定电流。

7.辅助触点

电动机保护、变压器保护、组合起动装置用断路器通常具有1常开、1常闭2对内部辅助触点;如需要,也可通过选择附件增加1常开/1常闭、或2常开、或2常闭2对辅助触点。微型断路器一般无内部辅助触点,但可通过选择配套附件,增加1常开/1常闭2对辅助触点。

断路器的辅助触点使用类别一般为AC-15/DC-13,国产DZ108系列等断路器所标注的使用类别AC-11/DC-11,在DIN EN 60947等标准中已归至AC-15/DC-13。辅助触点容量与产品规格、结构有关,中小规格断路器通常见表3.3-5。

表3.3-5 断路器的辅助触点容量

978-7-111-46780-9-Chapter03-33.jpg

8.断路器选择

断路器的主要参数有极数、额定电压Ue/频率fe、额定电流等,极数可根据实际保护电路的需要选择。进口或引进的电动机保护、变压器保护、设备保护、组合起动装置用断路器,其额定电压Ue一般为AC690V,额定频率fe为50/60Hz,故可用于AC690V以下线路的控制;国产低压断路器的额定电压Ue有AC380V、AC220V等,额定频率fe为50Hz。微型断路器的额定电压Ue一般为230/415V,通常只能用于AC400V以下的电气设备控制。

电动机保护、变压器保护、组合起动装置用断路器及微型断路器的短路保护动作电流(n型脱扣器电流)由生产厂家按照表3.3-2在出厂时固定,用户不能改变。

断路器的额定电流应大于等于线路连续工作的电流,过载保护动作电流可在额定电流以下的一定范围内调节,使用时应将其整定为线路实际连续工作的电流值。断路器的过载脱扣等级一般为class 10,需要其他等级时,应在订货时专门说明。

例如,国产三相7.5kW/1400r/min、Y2-132M-4感应电动机的额定电流为15.6A,故可选择额定电流为16A、过载保护电流调节范围为10~16A的电动机保护断路器,如SIEMENS公司的3VU1340-MM00等;或者,选择额定电流为20A、过载保护电流调节范围为14~20A的电动机保护断路器,如SIEMENS公司的3VU1340-MN00等。使用时,应将断路器的过载保护电流调节到15.6A。电动机保护断路器的短路保护动作电流不能调节,如3VU1340-MM00固定为190A、3VU1340-MN00固定为240A等。

对于使用条件较好、空载或轻载起动、无过载或只存在轻微过载的电动机,如线路工作电压低于400V、短路电流小于25kA,也可选择短路脱扣特性为D或C的微型断路器进行短路和过载保护。选择微型断路器时,一般应按照电动机保护断路器同样的要求,来确定其短路保护脱扣电流。

例如,上述Y2-132M-4的电动机保护断路器的短路保护电流为190~240A,由表3.3-3可知,短路脱扣特性为D的微型断路器,其短路保护动作电流为10In,因此,其额定电流In应选择为20A或25A,如SIEMENS公司的5SX2320-8CC(20A)或5SX2325-8CC(25A)等。如选择短路脱扣特性为C的微型断路器,由于其短路保护动作电流固定为5In,因此,微型断路器的额定工作电流In应为40A或50A,如SIEMENS公司的5SX2340-7CC(40A)或5SX2350-7CC(50A)等。

断路器还可根据需要,选配图3.3-5所示的分励脱扣、欠电压脱扣、远程操作机构等辅助操作机构,也可选配各类辅助触点等附件。

978-7-111-46780-9-Chapter03-34.jpg

图3.3-5 断路器附件