5.4.1 PNOZ sigma安全继电器
1.产品简介
电子式安全继电器是新一代的安全继电器产品,它采用了类似PLC的模块化结构,可进行多个模块的组合,扩展功能、增加输入/输出,构成多功能安全控制装置。多功能、可扩展是电子式安全继电器的基本特征。
PNOZ Sigma(PNOZ S)系列电子式安全继电器是数控机床的常用产品,系列产品主要有表5.4-1所示的几类,大部分产品的安全性能可达到ISO 13849-1安全等级PLe及IEC62061安全完整性水平SIL3的要求。
表5.4-1 PNOZ S常用产品一览表

(续)

*注:触点容量为安全触点在使用类别AC-15/DC-13时,所对应的AC230V/DC24V额定电流值。
2.电路原理
PNOZ Sigma(PNOZ S)系列电子式安全继电器的结构和原理类似,以典型产品PNOZ S4为例,其电路原理和外形如图5.4-1所示。
PNOZ S4采用了模块化结构,它可通过扩展接口连接PNOZ S7~S11等扩展模块。模块内部设计有开关电源、2通道输入与功能选择电路、起动电路等,模块功能可通过面板上的设定开关选择。模块的安全输出触点为3对串联常开触点,此外,还可以输出1对串联常闭辅助触点和1点晶体管集电极开路输出信号。安全输出触点和辅助触点的容量相同,对于使用类别AC-15或DC-13,其额定电流分别为AC230V/5A或DC24V/5A;晶体管输出的驱动能力为DC24V/20mA,可作为CNC、PLC等电子控制装置的输入信号。
PNOZ S4的指示灯、设定开关和连接端布置如图5.4-1b所示。连接端的功能如下。
A1/A2:控制电源输入,PNOZ S4可选择DC24V或AC/DC48~240V通用输入。
S11/S12、S21/S22:紧急分断输入通道1、2。
S34:起动/复位输入。当紧急分断输入通道1、2触点闭合(正常工作)时,可通过该输入接通安全输出触点。
S11/S12、S21/S22、S34连接光幕传感器、接近开关等电子输入信号时,输入要求为DC24V/50mA。
13/14、23/24、33/34:安全触点输出1~3。3组输出信号均为2对常开触点串联的冗余触点输出。
41/42:常闭辅助触点输出。
Y32:晶体管PNP集电极开路输出端,驱动能力为DC24V/20mA。
模块状态指示灯的含义如下。
Power:电源指示,A1/A2电源正常时ON。

图5.4-1 PNOZ S4安全继电器
a)电路原理 b)模块外形
In1/In2:通道1/2输入指示,S11/S12、S21/S22输入接通时ON。
Out:安全触点输出指示,13/14、23/24、33/34输出接通时ON。
Reset:起动指示,S34输入接通时ON。
Fault:故障指示,当模块出现插接不良、电源电压过低、内部电路故障、外部连接错

图5.4-2 PNOZ S4功能设定
误、信号输入不正确等情况时,指示灯ON;故障原因可以通过闪烁的其他指示灯指示。
3.设定与连接
PNOZ S4可用于紧急分断、安全防护门和光幕等安全控制,模块可通过设定开关选择图5.4-2所示的功能。
不同输入方式的典型连接要求如图5.4-3所示。

图5.4-3 无短路检测的双通道输入
a)紧急分断 b)防护门 c)光幕

图5.4-4 带短路检测的双通道输入
a)紧急分断 b)防护门 c)光幕
当安全继电器的输出触点数量不足时,可中间继电器增加安全触点,此时,扩展继电器的常闭触点串联接入到起动输入端S12/S34上,或与起动按钮串联作为安全继电器的起动条件。此外,也可通过如下的PNOZ S7~S11等扩展模块进行扩展。
4.扩展模块
PNOZ S7~S11扩展模块的原理类似,以典型产品PNOZ S7为例,其外形和内部电路原理如图5.4-5所示。
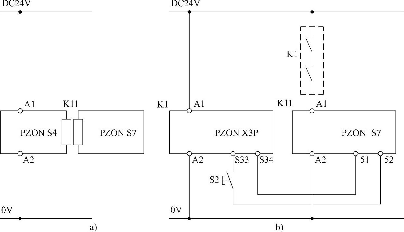
PNOZ S7用作PNOZ S系列电子式安全继电器扩展时,只需要按图5.4-6a所示直接安装扩展总线。扩展模块与PNOZ X系列电磁式安全继电器连接时,可按图5.4-6b所示用PNOZ X的安全触点控制PNOZ S7的电源,然后将其常闭辅助触点作为PNOZ X的起动条件或连接到反馈输入。

图5.4-5 PNOZ S7扩展模块
a)外形 b)电路原理

图5.4-6 PNOZ S7的连接
a)与PNOZ S的连接 b)与PNOZ X的连接