5.3.3  双手操作安全继电器

5.3.3 双手操作安全继电器

1.产品简介

双手操作的安全电路对按钮的输入同步有规定的要求,两个按钮必须在0.5s内同时操作,才能接通安全触点,任意一个按钮单独操作或两按钮操作的间隔大于0.5s,安全触点输出即断开,相关部件不允许动作;此时必须同时释放两个主令电器后,才允许进行再次执行相关动作。这一动作利用继电器控制线路实现时,需要使用时间继电器等器件,它不仅体积大、成本高、线路较复杂,而且延时不易准确控制,故多使用专门的双手操作安全继电器。

双手操作安全继电器的规格相对较少,常用产品有表5.3-3所示的Pilz公司P2HZ系列、SIEMENS的3TK2834等。

表5.3-3 双手操作常用产品一览表

978-7-111-46780-9-Chapter05-34.jpg

*注:触点容量为安全触点在使用类别AC-15/DC-13时,所对应的AC230V/DC24V额定电流值。

2.P2HZ系列

P2HZ X1P为数控机床常用的双手操作安全继电器标准产品,其外形和内部电路原理如图5.3-11所示。

978-7-111-46780-9-Chapter05-35.jpg

图5.3-11 P2HZ X1P双手操作安全继电器

a)外形 b)电路原理

P2HZ X1P具有独立的2通道输入,安全输出触点为2对常开触点串联冗余控制;辅助输出为常闭触点并联输出,此外,还带有2个晶体管PNP集电极开路输出Y32/Y35,其驱动能力为DC24V/20mA,可以连接CNC、PLC等控制装置。

安全继电器连接端的功能如下。

A1/A2:控制电源输入,P2HZ 1P可选择DC24V或AC24/48/115/230V输入。

S11/S12/S13:双手操作按钮输入通道1。

S21/S22/S23:双手操作按钮输入通道2。

Y1/Y2:起动/复位信号反馈输入。该输入可连接起动/复位信号的控制条件。

13/14、23/24、33/34:安全触点输出1~3。3组输出信号均为2对常开和1对常闭触点串联的冗余触点输出。

41/42:常闭辅助触点输出。

Y32/Y35:晶体管PNP集电极开路输出端,驱动能力为DC24V/20mA。

Y31/Y30:晶体管PNP集电极开路电源输入端;Y31连接外部DC24V电源,Y30连接外部电源的0V。

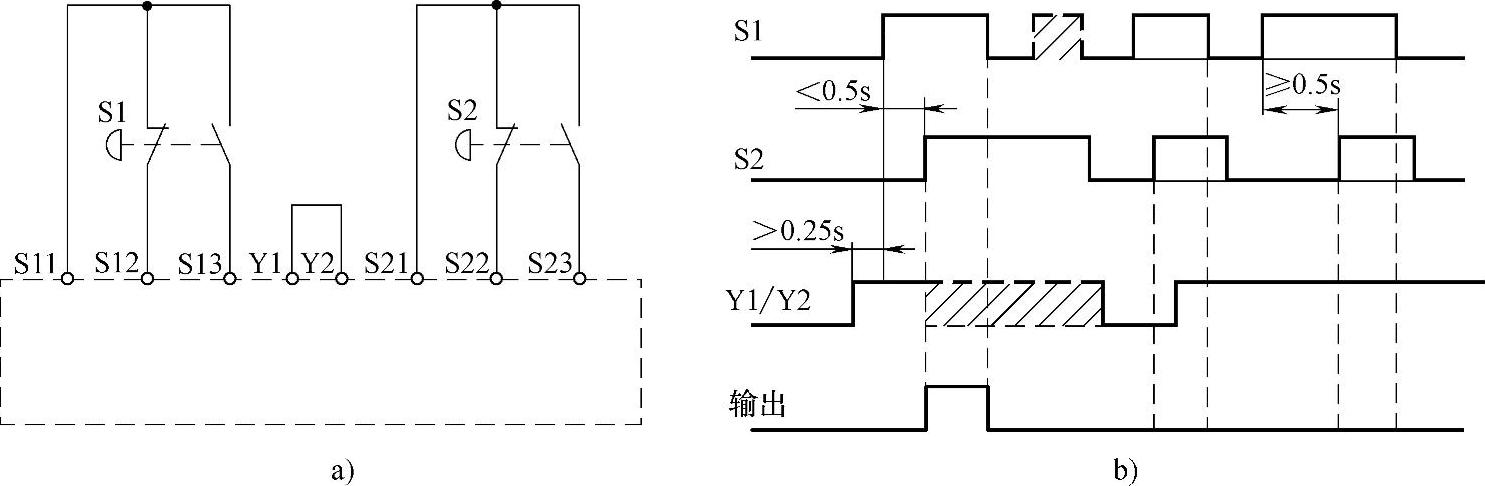
P2HZ X1P的外部连接要求如图5.3-12a所示,它对输入触点有图5.3-12b的同步要求,即S1和S2的动作时间间隔不能超过0.5s;输入控制信号Y1/Y2的闭合至少应提前于按钮操作0.25s。

978-7-111-46780-9-Chapter05-36.jpg

图5.3-12 P2HZ X1P的输入要求

a)外部连接 b)同步要求

P2HZ X1P也可通过中间继电器扩展安全输出触点,其连接方法与PNOZ X电磁式安全继电器相同。同样,扩展的中间继电器至少应为2只继电器并联,在使用扩展安全触点的电路中,需要串联使用2只中间继电器的常开触点,以达到冗余控制的目的。作为安全继电器的起动控制条件,2只扩展继电器的常闭触点,应串联接入到Y1、Y2上。

双手操作有时也使用图5.3-13所示的P2HZ X4P经济型产品。P2HZ X4P安全输出触点的容量、对外部输入的同步要求均与P2HZ X4P相同;但它只能采用AC/DC24V电源,也无晶体管PNP集电极开路输出信号。

3.3TK2834/2835

SIEMENS公司的3TK2834/2835双手操作安全继电器的原理与P2HZ类似,其外形和内部电路原理如图5.3-14所示,连接端作用和功能如下。

A1/A2:控制电源输入端。

Y11/Y12:起动/复位端,用于安全触点扩展继电器连接。

Y21/22/23:双手操作按钮1连接。

Y31/32/33:双手操作按钮2连接。

13/14、23/24(33/34):常开安全触点输出1~3。

31/32、41/42:常闭安全触点输出1~2。

978-7-111-46780-9-Chapter05-37.jpg

图5.3-13 P2HZ X4P双手操作继电器

a)外形 b)连接要求

3TK2834/2835也可通过中间继电器扩展安全输出触点,其连接方法与PNOZ X电磁式安全继电器相同。同样,扩展的中间继电器至少应为2只继电器并联,在使用扩展安全触点的电路中,需要串联使用2只中间继电器的常开触点,以达到冗余控制的目的。作为安全继电器的起动控制条件,2只扩展继电器的常闭触点,应串联接入到Y11、Y12上。

978-7-111-46780-9-Chapter05-38.jpg

图5.3-14 3TK2834双手操作继电器

a)外形 b)连接要求