4.2.4 多速电动机控制电路
对主轴调速性能要求不高的国产普及型数控车床、铣床或磨床等设备,其主轴有时采用变极调速电动机和手动机械变速组合的有级调速方案。变极调速电动机又称多速电动机,通常有双速、三速和四速3种,极比一般为4/2、8/4、6/4、8/6、8/4/2、6/4/2、8/6/4、12/8/6/4等。数控机床所使用的多速电动机以双速居多,偶尔也使用三速电动机,其变速原理与标准控制电路如下。
1.变速原理
(1)双速电动机
绝大多数双速电动机的磁极变换通过绕组的△/
切换实现,这种变换方式能够使用电动机的全部绕组,提高利用率。磁极比为2(如4/2极、8/4极等)的双速电动机称为达兰德连接(Dahlander connection),其他磁极比(如6/4极、8/6极等)的双速电动机称为PAM连接(PAM connection),两者对外部的连接和控制要求相同。
以达兰德连接的双速电动机为例,其变速原理如图4.2-11所示,电动机的每一相定子绕组有2组。电动机低速运行时,2组绕组串联后构成△联结;电动机高速运行时,2组绕组并联构成
联结,使磁极对数变为△联结的2倍。由于
联结的磁极对数是△联结的2倍,因此,△联结时L1和L2、L3之间的120°、240°相位差,在切换为
联结后,将变为240°、480°(即120°),故必须改变进线相序,才能保证转向的一致。为了防止连接的错

图4.2-11 双速电动机的变速原理
a)△联结(低速) b)
联结(高速)
误,电动机制造时,一般需要如图4.2-11所示,直接将第2组V相绕组引出线V2标记为W2,而将第2组W相绕组的引出线W2标记为V2。
效率为η、功率因数为cosφ的三相交流异步电动机,其输出功率和线电压Ul、线电流Il的关系为

假设线路的额定线电压为Ue,电动机每相绕组允许通过的额定工作电流为Ie、则△联结时的线电流
,电动机的额定输出功率为
P△=3UeIeηcosφ
当电动机切换到
联结时,因两组绕组并联运行,故线电流Il=2Ie,电动机的额定输出功率为

理论上说,两者的功率比为
P△∶P
=0.866∶1
由于两者相差不大,在工程上,有时也将其近似视为恒功率调速。但是,实际上,双速电动机在△联结时的功率因数、效率均略低于
联结,因此,真正的输出功率比大致在0.8∶1左右。
根据电动机的机电能量转换式:
P=Mω
当电动机的额定转速为ne(r/min)、额定输出功率为Pe(kW)时,其额定输出转矩为

对于达兰德连接的双速电动机,△联结时的磁极对数p为
联结的2倍,故同步转速n0=60f/p为
联结的1/2,额定输出转速也可近似视为n△=n
/2,因此,理论上,两者的额定输出转矩比为

同样,由于功率因数、效率等原因,双速电动机在△联结时的实际输出转矩,通常为
联结的1.65倍左右。
采用PAM连接、磁极比不为2的其他双速电动机情况类似。例如,对于6/4极变速电动机,△联结时的磁极对数p为
联结的1.5倍,理论上两者的额定输出转矩比为M△∶M
=1.3∶1,但实际可达到的转矩比在(1.1~1.2)∶1左右;而对于8/6极变速电动机,△联结时的磁极对数p为
联结的1.33倍,理论上两者的额定输出转矩比为M△∶M
=1.15∶1,但实际上,△联结时的输出转矩最多也只能达到与
联结相同的值,大多数电动机甚至还略低于
联结时的输出转矩。
(2)三速、四速电动机
三速、四速电动机的变速原理和双速电动机相同,但它的定子布置有两组绕组,并可根据需要选择△/
切换或独立运行。
对于三速电动机,其中的一组定子绕组可用于△/
切换,另一组为独立绕组;独立绕组可根据需要选择磁极对数,用于中速、低速或高速运行,以得到3种不同的转速。例如,当独立绕组选择6极、1000r/min时,如△/
用于4/2极、1500/3000r/min变换,则独立绕组为低速运行;而当△/
用于8/4极、750/1500r/min变换时,独立绕组为中速运行等。
四速电动机的两组绕组都可用于△/
切换,但磁极比不同,故可获得4种不同的转速。例如,第一组绕组用于12/6极、500/1000r/min的△/
切换,第二组绕组用于8/4极、750/1500r/min的△/
切换,电动机便可获得500/750/1000/1500r/min的同步转速等。
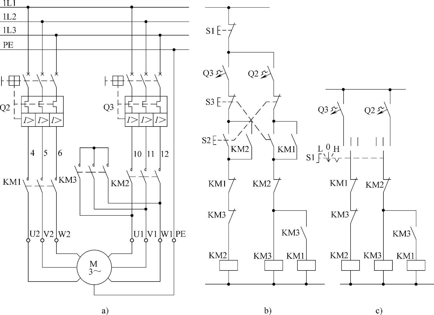
2.双速电动机电路
采用断路器作为短路、过载保护器件的双速电动机标准电路如图4.2-12所示,主回路采用熔断器、热继电器的电路可参见前述的图4.1-2。由于双速电动机高低速运行的额定电流不同,为了起到良好的保护作用,电动机主回路需要按照不同转速、长时间连续运行的要求,独立安装短路、过载保护断路器Q2、Q3。低速运行的接触器KM2、断路器Q3应按电动机低速运行时的额定电流和保护要求选择;高速运行的接触器KM1、断路器Q2应按电动机高速运行时的额定电流和保护要求选择;接触器KM3接通时无电流,分断时与KM1串联,故可按电动机高速运行额定电流的1/2选择。
双速电动机的控制回路有图4.2-12b所示的按钮控制和图4.2-12c所示的3位旋钮控制两种。断路器Q2、Q3的辅助触点,可分别串接到高、低速接触器控制电路中,这样,高速运行时的保护,不会影响到电动机的低速运行,反之亦然;但也可将Q2、Q3的辅助触点串联,作为公共控制用。

图4.2-12 双速电动机电路
a)主回路 b)按钮控制 c)旋钮控制
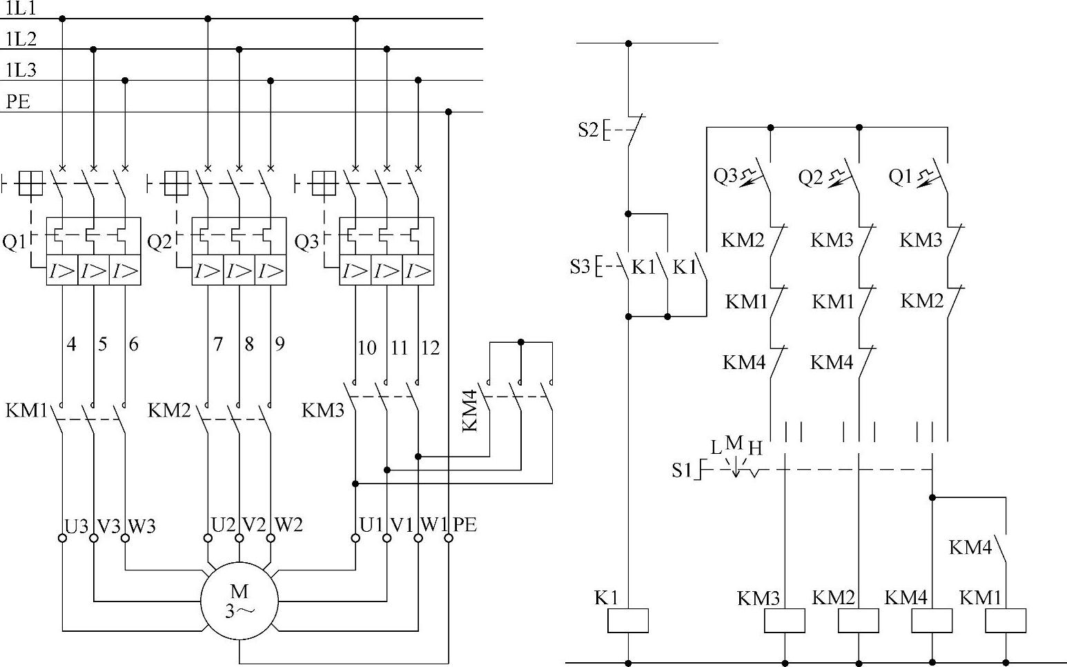
3.三速电动机电路
三速电动机的电路与结构有关,图4.2-13为常用的高低速采用△/
切换,中速使用独立绕组的电路例。

图4.2-13 三速电动机电路
电路中的KM2用于独立绕组的中速运行;KM3用于△/
切换的△低速运行;KM1、KM4用于△/
切换的
高速运行。与双速电动机一样,电动机的主回路需要按照低、中、高速长时间连续运行的要求,独立安装短路、过载保护断路器Q3、Q2、Q1;并根据不同转速的额定电流,选择接触器KM3、KM2、KM1;接触器KM4接通时无电流,分断时与KM1串联,故可按电动机高速运行额定电流的1/2选择。
示例中的控制回路采用了3位旋钮(或组合开关)选择转速、起动/停止按钮控制电动机通断的控制方式,转速既可在电动机停止时切换,也可在运行时切换。断路器Q3、Q2、Q1的辅助触点分别串接在低、中、高速接触器控制电路中,过载保护互不影响;但也可将Q3、Q2、Q1的辅助触点直接与S2串联,作为公共控制用。