5.3.4  安全通断电路典例

5.3.4 安全通断电路典例

1.安全通断电路

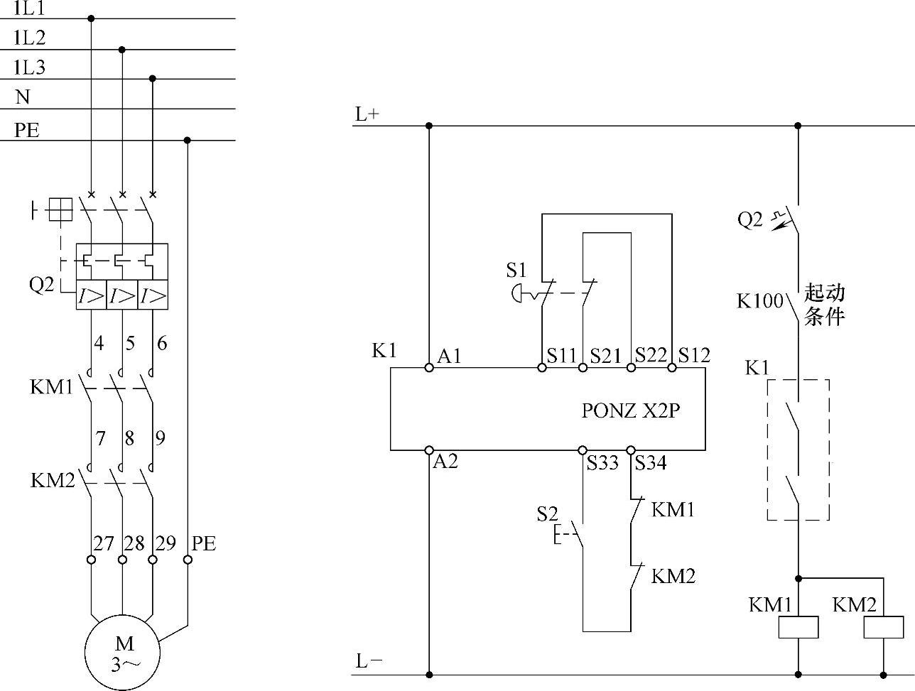
作为最简单的应用,电磁式安全继电器可以直接用于电动机或控制装置的安全通断控制。以Pilz公司的PONZ X系列产品为例,安全继电器用于电动机安全通断控制的典型电路如图5.3-15所示。

978-7-111-46780-9-Chapter05-39.jpg

图5.3-15 安全通断电路

需要进行安全通断控制的电动机主回路,至少应使用2只接触器的触点串联,才能满足安全冗余控制要求。控制回路的分断按钮S1一般应使用双触点冗余输入,其安全输出触点用来控制接触器KM1、KM2的线圈通断;KM1、KM2的常闭触点应作为安全继电器的起动条件,与起动按钮S2串联后,接入到安全继电器的起动输入端S33、S34上。

以上电路在满足如下安全通断基本条件时,可达到ISO13849标准规定的安全等级PLe和IEC EN62061安全完整性水平SIL 3的要求。

①通过测试确认共因故障预防与控制(CCF)可达到ISO13849标准要求。

②持续运行时间20年。

③机电操作器件的工作频率为:急停按钮每周1次、接触器通断每周2次。

④接触器KM1、KM2的B10d值为2×106

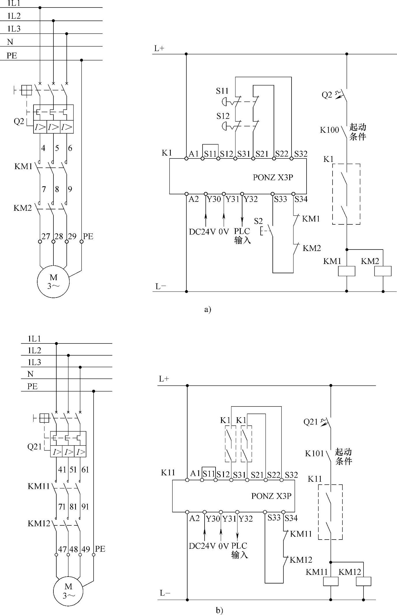
2.主-从控制

使用安全继电器进行主-从安全通断控制的典型电路如图5.3-16所示。这一电路在满足上述安全通断基本条件时,同样可达到ISO13849标准规定的安全等级PLe和IEC EN62061安全完整性水平SIL 3的要求。

在主-从控制的系统上,主站(Master)需要对整个系统实施控制和管理,其安全继电器K1应由起动按钮S2和冗余输入的分断按钮S11、S12直接控制,主回路可通过K1控制的主接触器KM1、KM2进行安全通断。从站(Slave)需要接受主站控制,其安全继电器K11由来自主站安全继电器K1的2对安全触点冗余控制,主回路通过接触器KM11、KM12进行安全通断。

978-7-111-46780-9-Chapter05-40.jpg

图5.3-16 主-从安全通断电路

a)主站控制 b)从站控制

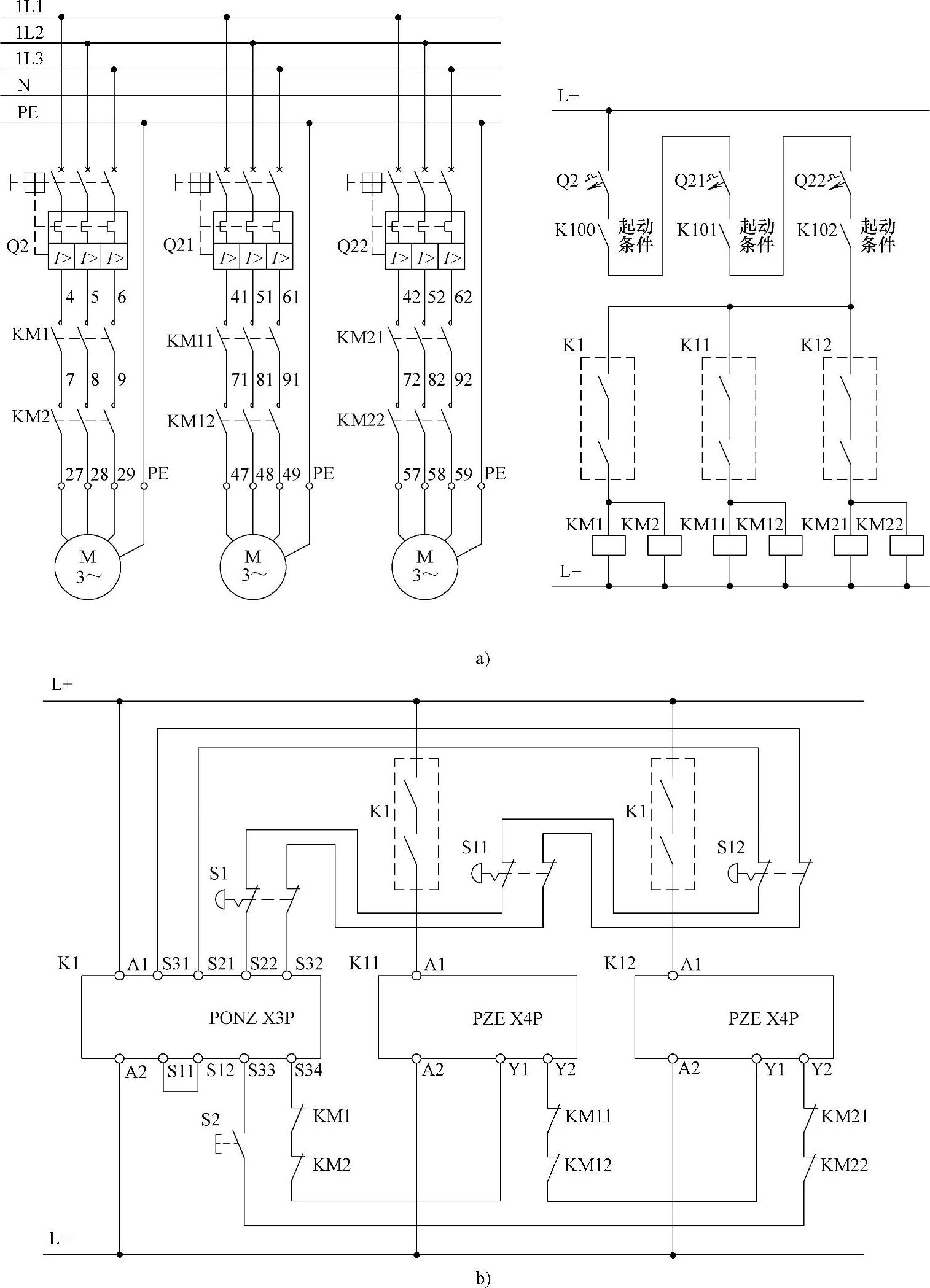
3.同步控制

用安全继电器控制若干台设备或电动机、控制装置同步安全通断的典型电路如图5.3-17所示。

978-7-111-46780-9-Chapter05-41.jpg

图5.3-17 同步安全通断电路

a)通断控制 b)安全回路

在同步控制的系统上,若干设备或控制装置需要同时通断,无主次之分,因此,应由同一安全继电器控制通断,每一主回路用2只接触器实现安全通断控制。当安全继电器的输出触点数量不足时,可使用PZEX4P等扩展安全继电器增加安全触点,此时,所有设备或控制装置上的分断按钮应串联,并连接到安全继电器的紧急分断输入通道上;全部扩展安全继电器、接触器的常闭触点应与起动按钮串联,作为安全继电器的起动条件。电路在满足前述的安全通断基本条件时,同样可达到ISO13849标准规定的安全等级PLe和IEC EN62061安全完整性水平SIL 3的要求。

图中的PZEX4P为Pilz公司的扩展安全继电器,其外形和内部电路原理如图5.3-18所示,它可进行4对安全触点的扩展,并带有常闭触点反馈输出Y1/Y2。

978-7-111-46780-9-Chapter05-42.jpg

图5.3-18 PEZ X4P安全继电器

a)外形 b)电路原理