2.3.5 常用图的绘制
电路图(电气原理图)是表示电气控制原理、连接的基本图,电气元件明细表是配套件、备件采购的依据,这是所有数控机床必须具备的基本图样;对于批量生产的数控机床、复杂数控机床,为了规范安装、施工,便于维修,还需要有电气元件布置图、电气接线图等安装、连接、施工图样。电气图的绘制除需要符合上述一般规定外,不同的图样设计还需要遵循以下绘图规则。
1.电路图
电路图是数控机床电气设计最为重要的图样,它完整地体现电气控制系统的设计思想与要求,是电气控制系统安装、连接、调试、维修的指导性文件。电路图应能表明电气控制系统的工作原理和全部电气元件、控制装置间的相互连接关系,控制系统所使用的任何电器元件及连接要求、主要技术参数均应在电路图上得到全面、准确的反映。
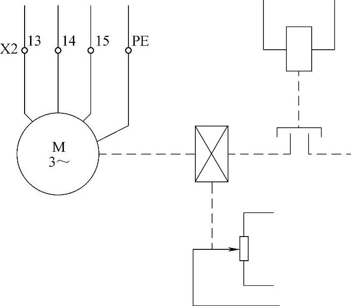
电路图的图样与分区、字体与图线、符号和连接线、项目代号的绘制要求应符合上述的一般规定。需要注意的是,机床电气制图标准明确规定,电路图中的导线连接点要用“实心”圆点表示;用于测试、连接外部引线连接端,应用“空心圆”表示,因此,电路图应采用图2.3-10a所示的画法,而不应绘制成图2.3-10b所示的形式。

图2.3-10 导线连接点和引出端的表示
a)正确 b)不适当
如图2.3-11所示,控制系统中,与电气控制相关的机械、液压、气动等装置应绘制符号简图,并通过虚线表示其相互关系。
2.接线图
电气接线图应能表示出控制系统器件、组件、控制装置之间的实际接线信息,为安装、连接或维修设备提供依据。接线图/表应包含识别每一连接点及所用的导线、电缆等信息,必要时,需要标明导线和电缆的型号、规格、长度、绞合或屏蔽要求等技术数据。
接线图以清晰为原则,元器件应尽量采用简单的轮廓图形或简图;器件位置应按实际布局,但无须按比例绘制;接线端子只需要表示出一端。
如图2.3-12所示,导线组、电缆、电缆组的连接可用单线表示。

图2.3-11 机、电、液、气相互关系的表示
图2.3-12a为一般电缆的连接图,如电缆中的导线带有1、2、…等编号或颜色,应在连接导线上注明导线编号或颜色。图2.3-12b为屏蔽双绞电缆的连接图,屏蔽线应使用细虚线,而双绞线则通常以交叉线表示,连接导线同样需要注明颜色或编号。
3.安装布置图
电气元件布置图应能够表明电气元件的安装位置及安装方法。布置图中的元器件同样应尽量采用简单的轮廓图形或简图;器件位置应按实际布局,但无须按比例绘制。布置图上应注明器件的项目代号以及安装所需要的紧固件规格、型号和数量。

图2.3-12 电缆、电缆组的连接图
a)一般电缆 b)双绞屏蔽电缆
整台机床(设备)的安装图应注明电源电缆的推荐位置、类型和规格,电源保护器件的规格,此外,还需要标明设备维修、移动等所需要的空间。
4.电气元件明细表
电气元件明细表又称元器件清单,其样式见表2.3-5。电气元件明细表是电气配套件、备件采购的依据,设计时必须提供。
电气元件明细表应根据电路图,分类列出设备中所使用的全部电气元件、控制装置的名称、规格型号和数量,必要时还需要注明生产厂家或供应商。明细表的格式要符合规范,如第1页上需要有标题栏等。
表2.3-5 电气元件明细表样式
