6.2.2  国产伺服连接电路

6.2.2 国产伺服连接电路

1.SD驱动器简介

KND-SD98/100/200/300系列交流伺服驱动器是KND、GSK等普及型数控常用的国产驱动器,它是仿照日本早期伺服驱动器设计的产品,可用于要求不高的普及型机床。驱动器也可作为其他机电一体化产品的速度、位置、转矩控制装置使用。

KND-SD98/100/200/300驱动器的基本性能、连接要求基本一致,但性能、外形稍有区别。驱动器根据额定输出电流分3A、5A、30、50、75、100等规格,它可与国产的110ST、130ST、150ST交流伺服电动机配套使用。目前,配套提供的国产伺服电动机最大输出转矩为75N·m、最大功率为7.8kW、最高转速为3000r/min。

SD系列驱动器为3~AC220V电源输入;调速范围为1∶5000,速度误差小于±3%;速度响应为200Hz,位置脉冲最高频率为500kHz;位置检测为2500P/r增量编码器,SD300系列产品可配套17bit绝对编码器;产品总体性能与国外第一代通用交流伺服驱动器相当。

2.驱动器连接

SD系列驱动器的连接要求基本一致,驱动器外形和总体连接要求如图6.2-4所示。

978-7-111-46780-9-Chapter06-17.jpg

图6.2-4 SD100外形

a)外形 b)连接总图

SD系列驱动器与国产普及型CNC配套使用时,应选择位置控制方式,不同系列产品的连接要求见表6.2-7。

表6.2-7 SD系列驱动器的连接要求表

978-7-111-46780-9-Chapter06-18.jpg

(续)

978-7-111-46780-9-Chapter06-19.jpg

3.编码器连接

SD系列驱动器配套的伺服电动机均安装有内置编码器,编码器直接与驱动器的CN2连接,其要求见表6.2-8所示,其中SD300系列驱动器可选配17bit绝对编码器。

表6.2-8 SD驱动器与电动机编码器的连接

978-7-111-46780-9-Chapter06-20.jpg

4.CNC连接

由于国产普及型数控机床的结构简单,对安全性、可靠性的要求相对较低,因此,在国产普及型CNC上,为了方便用户使用、简化连接,SD系列驱动器出厂时一般将控制电源r/t和主电源输入的R/T端直接短接,驱动器不单独使用主接触器通断主电源。

此外,SD系列伺服驱动器的DI/DO信号也仅使用最基本的信号,其DI/DO信号通过CNC生产厂家提供的配套电缆,直接与CNC的驱动器接口连接器X52/X50/X51/X53连接,不采用通过驱动器的报警信号控制主电源的安全控制方案。

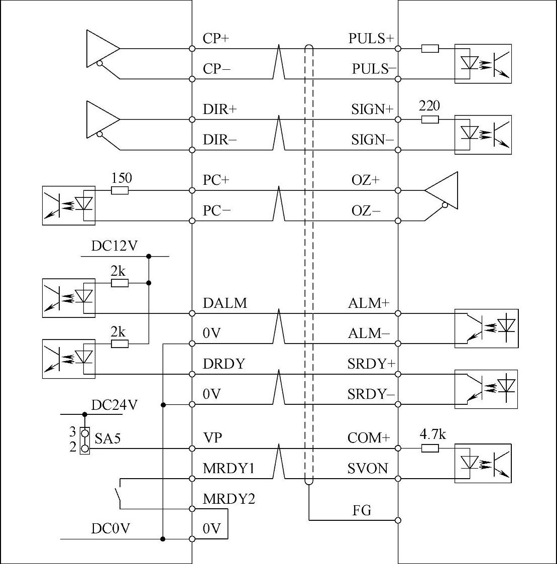
根据以上设计思想,国内普及型CNC生产厂家所配套提供的伺服驱动器和CNC间的连接电缆,通过图6.2-5所示的方式连接,不同型号驱动器的CN1连接端编号可参见表6.2-7所示。CNC和驱动器的连接方法如下。

①位置给定输入:驱动器的位置给定输入PULS+/PLUS-、SIGN+/SIGN-,直接连接CNC的位置指令脉冲输出CP+/CP-、DIR+/DIR-。不使用驱动器的位置跟随误差清除信号CLE。

②位置反馈输出:经驱动器输出的伺服电动机内置编码器零脉冲信号OZ+/OZ-,作为CNC的参考点检测输入信号PC+/PC-;A、B相位置反馈脉冲输出信号不使用。

978-7-111-46780-9-Chapter06-21.jpg

图6.2-5 CNC和国产驱动器的连接

③驱动器DO信号:将驱动器报警输出ALM+/ALM-、准备好输出SRDY+/SRDY-,直接作为CNC的驱动器报警DALM和准备好DRDY信号输入。不使用其他DO信号。

④驱动器DI信号:驱动器的伺服使能信号SVON,直接连接CNC的准备好触点输出MRDY1/MRDY2。CCWI、CWI信号通过驱动器参数PA82.1(SD200/300)或PA20(SD98/100)的设定取消;其他DI信号不使用。

⑤输入驱动电源。CNC的DI信号DALM、DRDY的输入驱动电源,直接由CNC内部提供,电压为DC12V;伺服驱动器的DI信号SVON的输入驱动电源COM+,由CNC的VP端提供,电压为DC24V,在CNC上需要将设定端SA5设定为DC24V输出。