4.2.2 水文地质条件
4.2.2.1 岩溶水
1.地下水的边界条件
太原西山岩溶地下水的边界是西北部以静乐东碾河两岸的花岗岩体为隔水边界;北部和西部的边界分别为云中山和吕梁山太古代变质岩。棋子山的东部为大盂和阳曲山间断陷小盆地,沉积有新生代松散层、煤系地层和峰峰组或上马家沟组开始的岩溶地层;棋子山的西部,岩层抬升剥蚀,出露有下马家沟组和下奥陶统较弱岩溶地层。大盂盆地的J23号孔,奥灰含水层水压标高为823.57m,而棋子山西侧泥屯河的J37钻孔奥灰层水压标高为869.44m,表明棋子山东西两侧不是一个岩溶地下水径流区域,是兰村泉域与东山岩溶水系统的分水岭。这两个不同区域的岩溶地下水,在棋子山南部的三给地垒发生水力联系;柴村、佛塔山至康家会一线为晋祠泉域与兰村泉域可移动的岩溶地下水分水岭;西山东及东南部的边山断裂带及其上盘地带,是西山岩溶地下水向太原盆地与晋中盆地的泄水边界;西山西南部狐堰山火成岩侵入体,是西山岩溶地下水与狐堰山西南部吕梁山边岩溶地下水的分水边界,后者有百余平方公里的碳酸盐岩出露面积,形成一个独立的岩溶水系统——西冶泉域,其岩溶地下水沿吕梁山由北向南泄流于晋中盆地的文水一带(图4.3)。
2.地下水赋存条件及分布规律
西山寒武奥陶系地层岩溶发育情况,从分布和发育过程上都受到地层岩性、构造、水动力和水化学条件的综合控制。
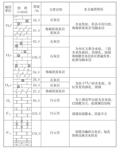
(1)西山强岩溶层多发育在中奥陶统石灰岩、泥灰岩和白云质石灰岩中,而弱岩溶层多发育在下奥陶统的白云岩和上寒武统的条带状灰岩、竹叶状灰岩及白云质灰岩中,这是其岩性、结构对溶蚀条件影响的结果(图4.4)。据有关资料,O1及∈3地层,CaO含量25%~30%,MgO含量15%~20%,CaO与MgO的比值为1∶2~1∶5,相对溶解度0.45~0.50;O2x地层的上中段相对溶解度1.04~1.17。据白家庄矿主2号孔资料,O2f和O2s地层的CaO含量:灰岩及白云质灰岩为38.84%~54.73%;泥灰岩为30.39%~52.19%;石膏层及膏化泥岩为28.23%~35.10%。O2地层CaO含量多在40%~50%,相对溶解度为1左右。同时,中奥陶统强岩溶层段多数为泥—细晶结构,有的含白云质斑块状灰岩,有的为花岗变晶结构。西山地区的碳酸盐岩层的组合中,强岩溶层位都靠近岩层溶蚀能力差异性较大的溶蚀面。
(2)西山地质构造和水动力条件的地质历史演变,决定了岩溶发育的现状。西山煤田是由西、北、东三面向内倾斜,总的趋势为SSW向倾伏的不对称向斜构造,从而构成了西山寒武、奥陶系碳酸盐岩的埋藏条件。西山向斜的西、北和东北部,为碳酸盐岩裸露和半裸露区,向内侧为由北而南依次分布的浅埋藏区和深埋藏区。而在西山煤田的东部和东南部边山断裂带两侧,由于受山区和盆地升降差异的新构造运动影响,造成区域侵蚀基准面自西北向东南、由北向南不断深切,构成了西山岩溶地下水运动的主要水动力条件。
(3)西山岩溶的发育,是其长期历史演变过程的结果。古生代的加里东运动,造成沉积间断,但古地形还比较平坦,岩溶发育程度较弱,发育深度较浅;中石炭世三叠纪时期,广泛沉积了以砂、页岩层为主的非可溶性岩层,沉积厚度达1000m以上。在这一阶段,碳酸盐岩地层逐渐深埋于非可溶性岩层之下,上覆岩层逐渐封闭了水和空气中二氧化碳的渗入途径,造成岩溶发育减弱和逐渐消亡;中生代末的燕山运动,形成本区的褶曲和断裂构造,而在煤田边缘,地层又隆起剥蚀,使得碳酸盐岩层部分裸露和埋藏变浅,从而在这些地段岩溶又开始发育;第三纪以后的喜马拉雅运动期,地壳振荡式的上升运动突出,造成东部断陷,形成太原盆地,河流在山区间断式下切,开始形成边山地带的岩溶泉,本区的岩溶景观基本形成。以后的地质历史时期,对本区岩溶发育有突出影响的因素主要来自边山断裂带的新构造运动。

图4.3 西山煤田碳酸盐岩埋藏条件图(单位:m)

图4.4 西山寒武奥陶系含水层结构图
(4)受地层岩性、地质构造和水动力条件综合因素的控制,碳酸盐岩主要水文地质特征如下。
中奥陶统峰峰组(O2f)岩溶含水层:在补给和径流区多呈零星散块段分布,是局部的、次要的含水层,而在边山断裂的深循环缓流区,则成为主要含水层。垂直渗流带多以溶隙为主,水平径流带多以溶洞为主,其水压标高,在补给和径流区,一般都高于上马家沟组(O2s)含水层(在古交高出50m左右);而在靠近排泄区,则略低于上马家沟组含水层。
中奥陶统上马家沟组(O2s)岩溶含水层:除了西山煤田东北部地层抬升剥蚀区及煤田深部埋藏区以外,上马家沟组(O2s)地层岩溶普遍比较发育,是西山的主要岩溶发育和含水层段,屯兰井田内的钻孔也证明了这一点。
中奥陶统下马家沟组(O2x)、下奥陶统(O1)及上寒武统(∈3)岩溶含水层:主要发育在西山碳酸盐岩出露区的西、北及东北边缘地带。而在其他区域,尽管上覆O2s地层岩溶相当发育,径流条件也好,但由于O2x和O1地层埋藏较深,岩溶变弱,径流变差。
3.水动力条件主导的岩溶发育特征
太原边山断裂带两侧的差异性升降运动,造成了地下水侵蚀基准面和水动力条件的趋势性变化。因此水动力条件就成为这些地段岩溶发育及其演变的主导控制因素。
王封地垒东段的南北两侧,除了边山的升降运动以外,还有由北向南的掀斜抬升运动,水动力条件不断改变,造成O2f和O2s地层的大量干岩溶层(地下水位下降,岩溶层无水),现代岩溶继续向深部较弱的O2x、弱岩溶地层O1和∈3发展。
边山断裂带附近的水动力条件,促使岩溶继续向深部发展,碳酸盐岩的岩溶可以在比较厚的非可溶性基岩的覆盖下向深部发育,这种现象在靠近边山断裂带的上盘地段尤为突出。据白家庄主-1号孔资料,上覆非可溶性基岩300.33m,O2f和O2s地层岩溶都很发育,现代岩溶发育高程在本孔发现到296.13m(深度666.53m);桃杏D-5号孔资料,上覆非可溶性基岩厚达485.30m,O2f和O2s地层岩溶很发育,本孔发现现代岩溶高程达213.76m(深度710.06m)。这两个孔揭露的岩溶含水层,发现径流条件好,富水性强。
4.埋藏条件主导的岩溶发育特征
除了东部及东南部边山地带,即没有边山断裂带的特殊水动力条件的地区,碳酸盐岩的埋藏条件就成为影响和控制西山岩溶发育程度的主导因素。
分析现有资料结果,西山寒武—奥陶系地层的岩溶发育地段(除了边山地带),都处于它们埋藏的浅部,其上覆非可溶性基岩厚度为200~300m。勘探和生产矿井所发现的柱状陷落的岩溶现象,也大致以碳酸盐岩溶顶面的这个埋藏深度为界。同时,这种埋藏条件对岩溶发育的控制作用不只限于西山,山西省其他地区同样有此规律。在有新构造运动影响的特殊水动力条件时,岩溶已发育在上覆非可溶性基岩厚达400~500m的地段。而在没有这种水动力条件的地区,随着碳酸盐层顶面埋藏深度的增加,岩溶就逐渐减弱、不发育和消亡。这是因为在非可溶性基岩长期地质历史覆盖的条件下,随着碳酸盐岩层顶面埋藏深度的增加,可溶岩层接触空气中二氧化碳和地下水渗流的条件逐渐变差,也就逐渐失去岩溶发育的水化学和水动力条件,已有发育较弱的古岩溶也逐渐充填消亡。
5.地下水的补径排条件
(1)岩溶水的补给。西山岩溶地下水有两种补给来源,主要是大气降水的渗入;其次是河川径流的漏失。云中山以南、吕梁山以东、汾河以北及东部边山带裸露和半裸露的(有黄土覆盖)寒武—奥陶系碳酸盐岩层,是西山岩溶水的主要降水渗入补给区,其面积约1550km2(不包括狐堰山以南沿吕梁山边山出露的百余平方千米)。估算降水补给量取以下参数:补给面积1550km2,比拟邻区娘子关泉域降水入渗系数0.30,取山区的古交气象站27年平均降水量452.89mm,则西山地区降水补给岩溶地下水的27年平均补给量为6.677m3/s。西山岩溶地下水的主要河川径流补给区段,一是汾河的罗家曲至雁门的13km河段;二是汾河的河口镇至下槐泉的22km河段。这两段的汾河河谷冲积层与奥灰岩溶地层接触。上源汾河水库已控制径流,水库放水期对岩溶地下水的补给迅速而明显。古交至寨上间地下水动态观测资料表明,与地表径流有水力联系的岩溶含水层的水位,在汾河水库放水以后的5~23d以后都明显抬升。据省水文一队资料,利用兰村和寨上两个水文站1954—1972年枯水期资料相关计算,下槐泉至兰村泉间的汾河段地下岩溶水泄出补给河流水,下槐泉至河口的22km河道河水漏失量为2.88m3/s,计算结果,除了地下水的排泄量以外,河水漏失系数0.055。按1961—1980年寨上站平均流量14.05m3/s估算,多年枯水季节河口至兰村间河水漏失补给地下水有效量为0.772m3/s。比拟河口至下槐间每公里河道的河水漏失量0.13m3/s,则得罗家曲至雁门间的河漏失量为1.69m3/s。扣除下槐至兰村间地下水的泄出量,估算汾河在西山段对岩溶地下水的补给量为2.462m3/s。这样就估算出大气降水和汾河径流对西山岩溶地下水的多年平均补给量为9.139m3/s。
20世纪70年代以来,尤其是1978年以后,西山岩溶地下水从泉流和开采方面都发现有减少的趋势。其原因主要是降水减少的缘故。据古交气象站资料,60年代平均降水量为475.34mm,1970—1981年平均降水量404.92mm。而1978—1981年的平均降水量387.10mm,比多年平均量减少14.53%。按这个比例,1978—1981年间大气降水对西山岩溶地下水的补给量比多年平均减少0.97m3/s,即其补给量降为5.707m3/s。据寨上水文站资料,汾河水库建库前的7年平均流量为18.41m3/s;60年代的平均流量为16.98m3/s;70年代的平均流量为11.485m3/s。70年代比多年平均量减少18.25%,则相应对岩溶地下水减少补给量0.449m3/s。1978—1980年间,汾河水库加大放水量,寨上站平均为14.23m3/s,比多年寨上站平均量增加1.28%,估算这期间汾河径流对岩溶水的补给量平均为2.49m3/s。则1978~1981年间,西山岩溶地下水的总补给量比多年平均值少0.94m3/s(8.11万m3/d),其补给总量降为8.2m3/s。
(2)岩溶水的径流。古交地处补给—径流区。西山岩溶地下水是以大气降水补给为主的气象型地下水,地下水位年均变幅为3.1m,最大3.7m;以河川径流补给为主的水文型地下水位年均变幅为8.6(西部地垒区)~13.8m(东部裸露区),最大为10.6(西部)~14.3m(东部)。在径流-排泄区的西山白家庄矿白2-1号孔中奥陶统含水层组混合的3年观测资料,年变幅为0.9m,属气象型动态,每年水位有两个峰值(11月至次年3月,8—9月),低水位期为6—7月。
西山岩溶地下水的径流模式和主径流方向愈靠近东部边山地区,水力坡度就愈平缓,地下径流条件也就愈好(表4.2)。
表4.2 岩溶地下水主径流情况表

续表(https://www.daowen.com)

(3)岩溶水的排泄。西山岩溶地下水的排泄有3种方式:一是沿汾河河谷排泄的侵蚀下降群泉,属于此类的有下槐群泉和下槐—兰村间的散泉(五梯等地);二是边山断裂带的构造上升群泉(兰村泉、晋祠泉);三是沿边山断裂带侧向或越流排向盆地的冲洪积层,泉群主要水文地质特征见表4.3。
表4.3 岩溶大泉主要水文地质特征

6.岩溶水文地质分区
太原西山是由多种补给和排泄方式及多泉点排泄的岩溶水文地质单元,同时又和邻区的东山及系舟山南段有局部水力联系,岩溶水的径流条件比较复杂。岩溶水文地质分区的原则主要是根据岩溶水的补给、径流和排泄条件,同时结合地质构造、水动力和岩性因素。其中大区分区主要是按碳酸盐岩的埋藏条件和水动力条件的不同进行划分,亚区按补给和径流以及构造和岩性条件的不同再进行划分。太原西山岩溶水文地质分区见图4.5和图4.6。
(1)补给—径流区(Ⅰ区,裸露区及煤田浅部)。
本区主要受地质构造及碳酸盐岩的埋藏条件的主导控制。属于本区的碳酸盐岩层顶面埋深为200~300m,岩溶地下水有垂直渗流和水平径流两种方式,径流条件较好。主要岩溶发育的高程随着径流过程由高变低,但变化范围较大,一般在600~900m。低于500m高程时,岩溶发育逐渐微弱,径流缓慢。
按断裂构造和补给条件的差异,可划分两个亚区。
1)Ⅰ1亚区:补给条件好、断裂发育的亚区。本亚区岩溶发育强烈,补给和径流条件好。
2)Ⅰ2亚区:补给条件较差、断裂不发育的亚区。本亚区岩溶发育程度较弱,补给和径流条件明显变差,是煤田浅部向深部的过渡地带及断裂不发育的地段。

图4.5 太原西山岩溶水文地质分区图

(2)径流—排泄区(Ⅱ区,东部边山断裂带)。
本区的岩溶发育程度和径流情况主要受边山断裂带的水动力条件控制,而碳酸盐岩埋藏条件属于次要地位。本区径流条件好,地下水的循环深度大,岩溶发育标高低,水力坡度都很平缓。按补给、径流和岩性条件的不同,可划分5个亚区。
1)Ⅱ1亚区:补给条件好的弱岩溶层亚区。受地层掀斜抬升影响,下奥陶统及寒武系地层成为主要岩溶发育层位,但它们发育程度一般较弱,发育极不均匀。
2)Ⅱ2亚区:补给条件好的较强和弱岩溶层亚区。受掀斜抬升影响,地下水向侵蚀基准面下继续下切向较强岩溶的下马家沟组(O2x)及弱岩溶层的下奥陶统(O1)及上寒武统(∈3)地层发展,而中奥陶统地层(O2f及O2s)多成为没有地下径流的残留干岩溶层。本区汾河谷地有侵蚀下降群泉出露。
3)Ⅱ3亚区:强径流的亚区。本亚区径流条件好,岩溶强烈发育,同时接受了太原西山和系舟山南段两股岩溶地下水的补给,也是晋祠泉和兰村泉发生水力联系的地段。区内柱状陷落的岩溶现象十分发育。本亚区是西山岩溶地下水径流的枢纽部位,也是研究西山岩溶水径流和排泄的关键部位。
4)Ⅱ4亚区:补给源远、径流条件复杂的亚区。本亚区断裂交错发育,峰峰组地层(O2f)成为主要含水层,径流缓慢,途径复杂,水温增高,水质变差。
5)Ⅱ5亚区:补给和径流都较差的亚区。由于边山的差异性升降运动,本亚区逐渐失去来自东北方向的地下径流补给,岩溶发育十分微弱,由北向南西方向逐渐失去岩溶发育条件。
(3)径流封闭区(Ⅲ区,煤田深部)。
本区碳酸盐岩层的埋藏深度(上覆非可溶性基岩厚度)为300~1000m。随着埋藏深度的增加,也就逐渐失去了岩溶发育的条件,因此成为岩溶地下水径流的封闭区,即径流都绕本区的外围运动。这种情况已得到马兰向斜北段和马兰向斜与石千峰向斜间沿大川河谷的水文地质深钻孔的证实。庙前山上的官地扩区1号孔,表明奥灰顶面埋深达900m左右,条件与草庄头J9号孔相似。再向西南部发展,碳酸盐岩层的埋藏深度还逐渐加大,径流条件就更为不利。
4.2.2.2 二叠系裂隙潜水
西山基岩风化壳含水层的厚度主要受地形、岩性及盖层厚度控制。谷底厚度一般为10~20m,山顶厚30~50m。根据煤田孔抽水资料,钻孔单位涌水量0.0113~0.0174L/(s·m),水质为HCO3—Ca·Mg型。在较大的沟谷中多有地下水露头,李家沟沟口泉水流量2~3L/s,安庄泉流量0.91L/s。天池川一带煤系地层埋藏浅,风化裂隙较发育,含水性好,多为小窑充水之来源。
裂隙潜水的补给主要来自大气降水,水量随季节变化大,雨季泉水四溢,旱季流量变小甚至断流。
4.2.2.3 石炭二叠系裂隙承压水
含水岩组主要为二叠系山西组和石盒子组数层砂岩及石炭系太原组薄层灰岩。其含水性主要取决于岩层厚度和裂隙发育程度。据煤田水文钻孔资料,二叠系砂岩含水组钻孔单位涌水量为0.0043~0.0221L/(s·m),渗透系数0.0004~0.344m/d;太原组石灰岩含水组,单位涌水量为0.00022~1.007L/(s·m),渗透系数0.0045~23.45m/d。在西山区的东部由于埋深较大,太原组数层灰岩的裂隙发育程度和富水性远不如西部。如Z-8号孔煤系地层简易抽水试验,钻孔单位涌水量仅0.007L/(s·m)。在雁门炉峪口一带,特别是靠近汾河的钻孔,太原组灰岩裂隙岩溶较为发育。如煤田水文孔834号孔,太原组K2灰岩,富水性好,水位高出地表4.73m,水压标高1025.52m,单位涌水量1.007L/s。裂隙承压水主要接受裂隙潜水及大气降水补给,沿汾河地段地表水体通过断裂和裂隙补给各含水层。水质类型为HCO3·SO4—Ca·Mg型水。
4.2.2.4 第四系孔隙潜水
汾河是西山地区最大的河流,近代河床冲积层厚度8.15~39.02m,一般厚20~30m,岩性为砾石、卵石、砂层夹透镜状黏土,透水性良好,富含潜水。汾河其他支流,如天池河、狮子河、屯兰河、原平河及大川河,均有厚度不同的河床沉积,但厚度较小,补给来源差,富水性不如汾河河床。汾河冲积层潜水,为工农业和民用水的主要水源。根据民井调查,水位较浅,一般3~5m,水位随季节变化,同时受汾河放水的控制,放水期水位抬高。根据煤田对孔隙潜水位的长观资料,下雁门水井最高水位和最低水位相差3.08m。
孔隙潜水补给来源以大气降水和地表水为主。其主要排泄途径是蒸发和工农业取水,水质类型为HCO3—Ca·Mg型,总硬度265.61~414.66mg/L(CaCO3计),矿化度0.342~0.549g/L,pH值7.6~7.8。