二次运移的机制与模式
(一)二次运移的主要动力与阻力
1.二次运移的主要动力
一方面,油气以游离相进行二次运移,在静水条件下其动力主要是浮力,在动水条件下除浮力外,水动力视其大小和方向有不同程度的作用;以水溶相进行二次运移时,其动力主要是水动力。对天然气来说,无论是游离相运移还是水溶相运移,都存在有气体分子的扩散。因为二次运移以游离相最为重要,所以浮力也就成为最主要的动力。从另一方面来说,由于浮力只决定于油、气、水本身的密度差,在地质历史过程中其性质变化很小,地层中只要有油、气、水存在就有浮力产生,几乎不受外界条件的限制,很少有今、古浮力之分。因此浮力不仅是二次运移最重要的动力,也是二次运移永恒的动力。
表6-1 储集层与烃源岩介质物性比较

(1)浮力
众所周知,油(气)在水中的浮力是由于油(气)、水两种物体密度不同而产生的。根据阿基米德原理,物体在水中所受到的浮力等于该物体排开同体积水的重量。当水中物体所受到的浮力大于物体本身重量时,则物体在水中上浮,反之则下沉。由于油、气的密度均小于水,单位体积的油气排开同体积水的重量,也就是单位体积的油气所受到的浮力,必然大于油气本身的重量,因此油气也必然要在水中浮起。其上浮力的大小等于同体积的水与同体积的油或气的重量差,实质上为静浮力。用公式表示则为:
![]()
式中:F为浮力,N;V为连续油的体积,m3;ρw为地层水的密度,kg/m3;ρog为地下油气密度,kg/m3;g为重力加速度,9.8m/s2。
油、气的密度范围分别为0.71~1.0 kg/m3和0.00073 kg/m3(甲烷)~0.5 kg/m3(高压混合气),而水的密度为1.0~1.2kg/m3,油、气与水之间存在着比重差异,因而在重力场中油气总有在水中升浮的趋势。浮力的大小不仅与流体间的密度差有关,同时还与油(气)柱的高度有关。如果把体积V换算成单位面积乘高(Z),则上式变为:
![]()
此时F是指单位面积上高为Z的油柱所产生的浮力,单位为N/m2(Pa)。可见,ρw与ρog的差值越大,油柱Z越高,则浮力F越大。
在自由水中或自由水面之上任一高度的油气所受到的浮力,实际上就等于该高度的静水压力与静油压力之差(图6-20)。对常见的地下油水来说,浮力梯度一般取2.25× 103Pa/m,而地下气水系统的浮力梯度变化在(4.6~116)×103Pa/m范围内。可见,气水系统的浮力梯度比油水系统的浮力梯度至少大两倍以上。也就是说,天然气在水中的浮力比石油(在相同油气柱高度下)至少大两倍以上。
当地层倾斜时(图6-21),浮力将分解成垂直于层面和平行于层面的两个分力。促使单位面积连续油相沿地层上倾方向上浮(运移)的力,等于其浮力沿地层倾斜向上的分力(F1),用公式表示为:
![]()
即单位面积连续油相沿倾斜地层上浮的分力F1与地层倾角的正弦成正比。
必须注意,上式中Z所代表的应该是与水平面成垂直方向上连续油相的高度,而并非连续油相与地层层面成垂直方向上的厚度(M),二者的关系应为:Z=M/cosα。

图6-20 储集层中油气浮力示意图

图6-21 油气在倾斜地层中的浮力
F—浮力;F1—沿地层倾斜方向的浮力;α—地层倾角
(2)水动力
水动力是推动地层孔隙水流动的动力。因此,它也是推动水溶相油气或密度与水接近的重质油进行二次运移的主要动力。油、气在地层中多与水共存组成孔隙流体,水的流动也必然会对油气的运移产生作用和影响。地层中的水动力可以由差异压实作用和重力作用而产生,并形成压实水动力和重力水动力。
A.压实水动力
主要出现在盆地持续沉降和差异压实的阶段和过程中,并由此而产生压实水动力和压实水流。通常是在相同时期内盆地中心的地层较厚、沉积负荷较大,边部地层较薄、沉积负荷较小,由此而产生差异压实水流,其方向主要是由盆地中心向盆地边缘、由深处往浅处运移。压实水流的大方向与油气在浮力作用下运移的大方向基本一致。因此促进了油气在浮力作用下的二次运移和在地层中的原始聚集与分布。根据美国的研究资料,由压实水动力产生的压实水流,在克拉通盆地中流速仅为5m/Ma,在前陆盆地中可达500m/Ma。可见,在沉积速率缓慢和沉积厚度差异不大的盆地或层段中,压实水动力对油气二次运移的影响和作用并不明显。
B.重力水动力
随着盆地沉降的停滞和进一步的成岩变化,压实作用变得越来越不明显,加上后期的地壳运动使地层翘倾、上拱甚至褶皱,地层在盆地边缘往往出露并与大气水相通形成向盆地中心倾斜的水势面。在水势差的作用下产生重力水流,其方向主要是由盆地边缘的高势区流向盆地中心的低势区。重力水流的大方向与油气在浮力作用下运移的大方向正好相反,虽然在适当的条件下可以形成水动力圈闭,但当其太强时常会把已聚集的油气冲出圈闭,使油气藏遭到破坏,引起油气的再运移和重新分布。根据美国的研究资料,重力水流的流速一般在10km/Ma以上。可见,重力水动力对油气二次运移的影响和作用要比压实水动力大得多。
以上两种水动力一般是随盆地演化先后产生(图6-22),并可在地层剖面上呈旋回式出现。

图6-22 盆地演化过程中的水动力(据Coustau等,1975)
C.上倾水流和下倾水流
通过对上述两种水动力的分析可以得知,水动力对油气的二次运移和聚集可以产生积极和消极的双重作用,即当水动力方向与油气上浮方向一致时,水动力将成为二次运移的动力;当水动力方向与油气上浮方向相反时,水动力则成为二次运移的阻力。人们常把成为动力的水流称为上倾水流,把成为阻力的水流称为下倾水流。虽然压实水流的大方向与油气上浮的大方向常相一致,而重力水流的大方向与油气上浮的大方向却往往相反,但地层的产状在地下是变化的,因此对盆地中某一段地层或某一构造而言,水流方向与浮力方向是否一致,就不能用压实水流或重力水流的大方向来宏观描述,而用上倾水流或下倾水流来表示则更为确切(图6-23)。若从圈闭聚集的角度来看,上倾水流虽增加了向上运移的浮力但却减少了上倾方向的封闭能力,下倾水流虽减少了向上运移的浮力但却增加了对下倾方向的封闭能力。因此,对水动力的双重作用,需要从运移及圈闭聚集角度全面认识。

图6-23 褶曲地层中的上倾水流和下倾水流

图6-24 水动力对油、气浮力方向的影响
水动力不仅影响二次运移动力的大小,而且还影响着油气运移的方向。在静水条件下,等势面是水平的,油气运移的方向只决定于重力,即在浮力作用下垂直向上,受盖层限制时则沿上倾方向运移。在动力条件下,水平的等势面变为向水流方向倾斜的平面,垂直等势面的法线方向就是流动方向。此时水流使垂直上浮的油(气)体向水流方向偏移。当水动力梯度一定时,偏移的大小还取决于油(气)与水之间的密度差。如果石油的密度与水很接近,那么它们的流动方向就很一致;由于气、水之间密度差大,所以气体运移的方向比石油更接近于铅直(图6-24)。如果要进一步确定水动力对二次运移方向的影响,则需了解地下油气水的密度、水势梯度、地层构造图等一系列的参数和资料,计算和编制出等油(气)势面图,才能得出在水动力条件下油气运移的方向。

图6-25 轻烃从烃源岩到地表的扩散(据Leythaeuser等,1982)
(3)扩散力
烃类只要存在着浓度差,烃类的分子扩散就可以在任何时空中发生,而地下烃源岩生成的烃类所形成的原始浓度就是进行分子扩散的源头。因此轻烃的扩散不仅可以在烃源岩中发生,而且接着就可在运载层中进行直到地表进入大气圈(图6-25),可以说这是自然界中一个没有停顿的连续过程。可见,在初次和二次运移过程中分子扩散都是一种动力,尤其对气态烃更为明显和重要。虽然分子扩散在二次运移中相对于浮力、水动力、异常压力只是一种次要的动力,其速率比油气的渗流小几个数量级,但在某些地质条件下,特别是在水动力梯度很微弱的致密地层中,分子扩散就成为二次运移的主要动力和方式,在非常规的深盆气、煤层气、透镜体中油气的运聚成藏过程中起着重要的作用。
由于分子扩散主要是受浓度梯度控制,它总是从高浓度区向低浓度区扩散,在此过程中既有与油气运移一致的方向,也有其他方向。因此在二次运移过程中分子扩散又是一种导致散失的因素。特别是当油气处于圈闭状态下,烃类气体聚集形成高浓度的扩散源,此时天然气通过上覆盖层的扩散就更明显地表现出散失性。尽管目前在求取有效扩散系数和扩散量的计算上还有差异和较大出入,但分子扩散是气藏遭受散失破坏的一种重要途径这一点不容置疑。看来这就是气藏较油藏难于保存,并要求有更高质量盖层的重要原因,也是气藏形成时期越晚越有利于保存的道理所在。
2.二次运移的阻力
油气二次运移中最主要和最普遍的阻力就是毛细管压力。
上述章节讨论的毛细管压力是单根毛细管,一端完全是油(气)、另一端完全是水的情况。实际上,此时所产生的毛细管压力并不能代表油气在地下岩石中运移的阻力。因为地下岩石都是由不同孔径的三维空间介质所组成,不是孔径相同的单一毛细管。进入储集岩中的油气,在水介质中运移总是被水所包围,当它们通过两端孔径不同的孔喉时,油气所受到的毛细管阻力实际上是两端不同孔径的毛细管压力差:
![]()

图6-26 油体在储集层中运移状态(据Berg,1975)
rp—孔隙半径;rt—喉道半径
如图6-26所示,假定储集岩由均匀球形颗粒组成,孔隙半径为rp,喉道半径为rt,孔隙空间被水充满,颗粒表面为水所润湿,在静水条件下有一油珠上浮,现分析所受毛细管阻力的情况。图中,A处浮力不足以使油珠表面变形而进入喉道。B处当浮力或其他外力增大时,油珠变形,顶端进入喉道。由于油珠上、下两端孔径不同,两端毛细管压力也不相同,上端毛细管压力pu=2σ/rt指向下,下端毛细管压力pd=2σ/rp指向上,两者方向相反大小不同,因为rt<rp,所以pu>pd,两端毛细管压差指向下,因此对上浮的油珠表现为阻力(pc),其大小可表示为Δpc=pu-pd。C处油珠上下两端界面曲率半径相等,两端毛细管压力也相等。此时毛细管压差等于零,也就是无毛细管阻力,油珠在浮力作用下可以顺利通过。D处由于油珠上端界面曲率半径大于下端界面曲率半径,上端毛细管压力小于下端,毛细管压差的方向与油珠上浮的方向一致,此时毛细管压差非但不是阻力,而且还是驱使油珠上浮的附加动力。
通过上述分析不难看出,油(气)通过孔喉运移时的A、B、C、D四种状态,无论是B处表现出的阻力还是D处表现出的附加动力,都是发生在一个连续的过程中。在地下岩石三维的通道空间里,油(气)每通过一个孔喉就会有这四种状态和过程发生,只是面临的孔径不同。因此油气运移的最大阻力,就决定于岩石最小喉道和最大孔隙所产生的毛细管压力差。然而油气在岩石中也会本能地选择最小阻力方向的通道运移,也就是沿着由最大孔隙和最大喉道组成的路径运移。然而,在相同的通道条件下。天然气运移的毛细管阻力一般要大于石油运移的2倍以上。
3.油气质点受力分析和二次运移条件
(1)油气质点受力分析
从物理角度讲,油气二次运移实际上是油气在含水介质中的机械渗流过程。石油与天然气只是密度不同而已。单位质量的石油质点在渗流过程中受重力、浮力、水动力和毛细管力4种力的作用(图6-27)。当地下储集层中的水处于流动状态时,油气受到水动力的作用。如第四章所述,推动单位质量石油质点运移的水动力值等于:
![]()
浮力和水动力的矢量和(E动力)是油气运移的动力。其大小为:


图6-27 油气质点受力分析示意图
(2)二次运移条件
油气二次运移是有条件的。首先,孔隙中油气饱和度S。、Sg必须不小于临界油气饱和度。只有这样,连续油气才会有相对渗透率和有效渗透率。其次,二次运移的动力必须不小于阻力才行。
油气经过初次运移进入储集层时可能是分散的游离状态,这时油气数量少,体积小,所受驱动力不大,不足以克服毛细管压力差的阻碍,因此微小的油滴将处于停滞不动的状态。随着初次运移的持续进行,油滴增大,逐渐成丝连片,总的驱动力也越来越大。此外,烃类物质从烃源岩进入储集层时压力降低,溶有气体的石油体积增大,密度降低,使驱动力增加,即所谓溶解气效应。由于这两个原因,使烃类驱动力逐渐增大,直到动力大于毛细管压力差时,便发生二次运移。
无论油滴、油丝或油片,其所受的力应该是它的质量(m)和油的力场强度(E油)的乘积,即(m×E油)。假定一定油丝的截面积为1,长度为ΔL,则油丝所受的驱动力为ρo×ΔL×E油。二次运移的条件可表达成:
(https://www.daowen.com)
也就是说,油气必须累计到一定的长度或高度,才能克服毛细管阻力发生二次运移。
(二)油气在二次运移中的相态
初次运移的油气可以呈游离相、水溶相和扩散相进入运载层二次运移空间,二次运移初期的相态基本上继承了初次运移的相态,由于二次运移与初次运移在动力学环境的物理条件上有所不同,很快就会在运移相态上发生变化和转换。此外,二次运移的空间范围和运移距离都比初次运移大得多。因此在运移过程中随着地下温度、压力的变化除了相态之间可以转换外,同一相态中的油气也会产生变化和组成分异。结果使二次运移的相态变得很复杂。
1.石油二次运移的相态与转换
初次运移的石油可以呈油相、气溶相、水相和扩散相进入运载层,其中以油相和气溶相最为重要,对二次运移来说更是如此,因为二次运移一旦圈闭成藏最终表现为油相或气相的聚集,在此过程中无须相态上的转换。
如果石油以水溶相进入运载层或储集层,随着温度、压力的降低、盐度的增高,石油在水中的溶解度也随之降低而出溶。再加上水中甲烷和二氧化碳等气体的析出和胶束状溶液被大量钙、镁离子所破坏,使部分增溶的石油也从水溶液中卸载出来。这些出溶的石油慢慢聚成大小不等的油珠,分散在整个二次运移的通道之中,除非有机会连结成较大的油体,这些分散孤立的微石油才有可能继续进行二次运移。McAuliffe(1979)根据石油在不同温度水中的溶解度,计算了地温梯度为3.6℃/100m时,水溶相在储集层中由527m深处、温度为162℃运移到267m深处、温度为152℃时,能分离出百万分之20左右的油。如果由1524m深处上升到1219m深处,温度同样下降了10℃,但此时只能分离出百万分之1.5的油。可见,越是在地温较低的浅处出溶的石油越少,如此少的油要达到一定体积或一定的饱和度至少需要上万倍孔隙体积的水通过,说明石油以水溶相进行二次运移效率很低,很难通过这种运移方式聚集成藏。至于液态烃在运载层孔隙水中的扩散,在地下虽可发生,但目前一般认为速率太低,对石油的聚集没有直接的意义。

图6-28 石油排入运载层底部后的可能分布与相态(转引自李明诚,1994)
如果石油是以油相运移进入运载层,虽然二次运移通道空间中自由水增多,含油饱和度会立即降低甚至变成分散的油珠,但它们可以很快地得到补充形成较大的油体而开始运移(图6-28),一旦遇到圈闭,油相运移不需要发生相态的转换就可以聚集起来,因此在二次运移中油相是最有效、最重要的运移相态。
2.天然气二次运移的相态与转换
天然气初次运移的相态可以是水溶相、油溶相、气相和扩散相,在不同条件下它们都是可以使大量天然气排出烃源岩的相态。对天然气的二次运移来说虽也存在这四种运移相态,但它们的重要性却有明显的差别,这是因为二次运移相态的重要与否也要从聚集的角度来衡量。
水溶相在初次运移中很重要,而在二次运移中,饱含天然气的水溶液进入运载层的水体后,首先变得不饱和,水中天然气不能立即出溶。但由于温度、压力、盐度等因素的变化终将有一部分天然气从水中出溶变成游离相,并分散在运移通道之中。这些微小孤立的气泡要继续进行二次运移,也遇到水溶相石油运移时同样的问题。所不同的是天然气在水中溶解度大,在水中溶存的也多,因此在一定的条件下可以形成少量的水溶气聚集。
天然气在运载层中呈扩散相运移是不同于液态石油运移的最大特征。只要有浓度差存在,天然气的分子扩散就可以在任何时空中发生。对于扩散相运移来说,初次运移和二次运移完全是一个无需任何相态转变、无需任何停顿的连续过程。特别是在流体渗流停滞或在聚集圈闭状态下,天然气的扩散相运移更具重要性。但是扩散相运移大多导致天然气的散失,只当在运移过程中地层间存在有扩散系数差时,或当介质发生变化扩散流转为体积流时,才能直接或间接地导致部分天然气的聚集。

图6-29 岩石中连通孔隙5种大小的组构(据Matthews,1996)
(a)包括第4、第5数量级的孔喉;(b)包括第4、第5和第3数量级的孔喉;(c)包括第4、第5、第3和第2数量级的孔喉
天然气以游离气相运移进入运载层后无需进行相态的转变,直接可以在通道空间中形成微聚集,并能较快地达到一定的体积或一定的饱和度而继续二次运移。这一点与石油呈游离相进行二次运移的重要性是相同的。
(三)二次运移的通道
1.连通孔隙
连通孔隙实质是地层流体可在其中流动和渗滤的孔隙空间。其大小相当于储集层的有效孔隙度。在砂质岩层中有效孔隙度可占绝对(总)孔隙度的80%以上,泥质岩层较低,约占60%~80%,而煤则低于50%。在那些不连通的孔隙中烃类只能发生分子扩散。
Matthews M.D.(1996)把细粒岩石连通孔喉的直径按大小划分为5个数量级,即1~10nm(第1数量级)、10~100nm(第2数量级)、100nm~1μm(第3数量级)、1~10μm(第4数量级)、10~100μm以上(第5数量级),如图6-29所示,并认为运载层或储集层连通孔喉的组构一般是:由数量级5、4组成的大孔喉占整个连通孔喉的5%,由数量级5、4及3组成的大中孔喉占整个连通孔喉的50%,而由数量级5、4、3及2组成的大中小孔喉占整个连通孔喉的80%。虽然连通的大孔喉只占5%,但烃类将优先沿此通道运移,如果在连通孔喉网络中不存在这5%的较大通道,则游离相的烃类在浮力作用下将很难在地层中运移。说明连通孔喉网络的存在,特别是其中较大的连通孔喉,数量虽少但却是孔喉网络通道中最重要、最关键的部分。
流体通过连通孔隙的能力一般用渗透率来衡量。渗透率的大小又取决于岩层的孔隙结构,即孔隙与喉道在数量、大小与分布的配置关系,其中连接孔隙与孔隙之间的喉道是控制的关键因素。从运移通道的角度来看,我们希望喉道半径越大越好、孔隙半径与喉道半径的差值越小越好,这样就可以增加岩层的渗透率、减少油气在运移中的毛细管阻力。对于具相同孔隙度的岩层来说,由于孔隙结构的不同,它们的渗透率也就完全不同。因此,不能单纯从岩层孔隙度的大小来判断渗透性的好坏。但通常的情况,特别是对较均质的岩石来说:孔隙度越大,渗透率越大;孔隙度越小,渗透率也越小,但两者并无明显的正相关关系。在碳酸盐岩储集层中,除连通孔隙是运移通道外,广泛发育的各种次生连通的溶洞既是储集空间、又是很好的运移通道。
2.裂隙(缝)
裂隙(缝)是指在岩层中没有造成位移的各种缝隙。它只破坏了岩层的完整性,而没有发生大的错断和位移,因此这里不包括各种断裂。在岩层中裂隙的分布极为广泛,是一种到处可见的地质结构,也可将其视为一种特殊的孔隙。

图6-30 张裂隙和剪裂隙形成示意图(据王新洲,1996)
裂隙的分类有很多,从成因上可分为构造裂隙和成岩裂隙两大类。构造裂隙又可分为在正应力作用下产生的张裂隙和在剪切应力作用下产生的剪切裂隙(图6-30)。它们多具有一定的方向和组系,一般不受层面的限制延伸较远,可以切割不同岩性的地层,而且裂隙边缘比较平直,是穿层运移的重要通道。此外,当地层具有异常高压时可与地应力叠加起来使岩层发生水力破裂,此时据异常压力和应力值的大小,既可产生张裂隙,也可产生剪裂隙。成岩裂隙可以发生在成岩作用的各个时期,有早期的收缩缝和晚期的溶蚀缝等。成岩裂隙一般不具方向性,延伸不长,受层面限制,形状不规则且缝面有弯曲,是层内运移的重要通道。裂隙又可按其张(宽)度的大小分为大裂隙和微裂隙两类。前者的张度大于100μm;后者的张度小于100μm,多在10~20μm之间,最小可到3~10nm。两者只有张度大小的差别,其分布规律和特征大多相同。人们常用裂隙密度、裂隙张度、裂隙孔隙度和裂隙渗透率等裂隙参数,来描述地下天然裂隙的发育程度和各种特性。运载层或储集层中的裂隙是二次运移的主要通道,对致密碳酸盐岩地层就更为重要。
3.断层
很多沿断层出露的油气显示就是断层可作为油气运移通道最直接的证据。但断层对油气运移具有封闭性也是显而易见的,大量与断层圈闭有关的油气藏也是最直接的证据。此外,断层两盘存在着高流体势差、超压与欠压实、地面差异沉降等都说明断层对地下流体有封闭作用。面对上述众多相反的证据,断层主要起通道还是封闭作用的问题目前还有争论。一些学者认为断层是盆地深部油气往上运移的惟一通道,因而强调其通道性;一些学者认为沿断层面往上运移从物理上讲是很难发生的,因而强调其封闭性。因此,断层作为油气运移的通道还是作为封闭要具体分析,不能一概而论。

图6-31 断层带油气运移示意图(据Chapman,1983)
实际上断层与油气运移的关系应当分两个具体问题来讨论,一是横穿断层面的运移,一是沿断层面的运移(图6-31)。横穿断层面的运移主要决定于断层两盘并置的岩性。如果砂岩层与泥岩层并置,那么砂岩中的流体很难发生穿断层面的运移。如果断距比较小或是砂岩层很厚,断层两盘仍有砂岩层并置则仍有穿断层面的运移。沿断层面运移的问题比较复杂,从理论上讲至少要有三个先决条件:第一,断层两盘地层的渗透率很低,横穿断层面的运移难以发生;第二,断层面本身必须具有一定的渗透率;第三,沿断层面上下必须具有流体势梯度。一般是只有当横穿断层面的运移受阻时,才可能发生沿断层面的运移。如果沿断层面的运移也受阻,这时断层才能真正起到封闭作用。可见,在三维空间里断层至少要在两个方向上形成封堵才具有封闭性,而只要在一个方向上形成通道就具有通道性。由此看来断层的通道性似乎更为普遍。
4.不整合面
不整合面是油气二次运移的主要通道,不整合面作为二次运移通道具有以下几个特点:①不整合面代表着一次区域性的地壳运动或沉积间断,往往使下伏地层遭受风化侵蚀、溶解淋滤,形成具较高孔、渗的古风化壳或古岩溶带。但是不整合面要作为运移通道,其上必须为不渗透的岩层所封闭,否则只能成为类似一般具孔、渗性的地层单元。②不整合面要成为良好的运移通道,其下伏地层最好是抗风化溶蚀力弱的岩石,这样不但可以发育各种裂缝,而且其张开性和抗闭合能力也强,才能为流体运移提供最佳通道条件。我国与不整合面有关的油气田大部分都是碳酸盐岩潜山和风化壳。③不整合面一般都具有区域性,在三维空间上分布广,因此,能在大面积上汇集烃类并形成长距离的运移通道,能把不同时代、不同岩性的生、储岩层连通起来形成油气田。④不整合面在时、空上具有相对的稳定性。后期的改造相对较弱,不像断层可以多次活动、延伸和生长。
5.有效通道空间
由于储集层的非均质性,油气的二次运移不可能在整个运载层中发生,只可能在非均质储集层中沿孔渗性最好、毛细管阻力最小的通道运移。李明诚(1989)提出了有效通道空间概念,定义为运载层中真正发生了运移作用的通道。油气首先进入有效通道空间,沿油气优势通道运移(图6-32),它对油气二次运移量和聚集量的研究具有重大意义。
(四)二次运移主要模式
在上述机制条件下,油气二次运移具有多种模式。本书主要介绍多相渗流模式和扩散模式。
1.多相渗流模式
对于地下孔隙水中呈连续烃相的油气,二次运移过程中的渗流大多是油、气、水三相渗流,并简化为油-水或气-水的两相渗流。如果不考虑毛细管力的作用,水动力对油气运移有很大影响。多相流体渗流最为合理和方便的表述是用水势描述油、气势。在第四章现代圈闭概念中已经论述。即:

图6-32 油气运移有效通道空间与优势通道示意图(据庞雄奇,2003)

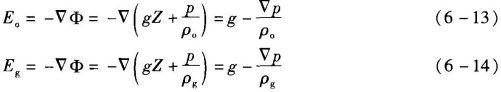
在静水条件下,由于水势Φw为常数,所以油势Φo、气势Φg只与高程Z有关。高程越大,对应油、气势越小;高程越小,对应油、气势越大。其表现为深处是油、气势的高势区,浅处是油、气势相对低势区,故油气总是从下向上运移,同时油、气等势面为水平面。
在动水条件下,油、气势取决于水势和高程。由于水势是从供水区向泄水区变小,所以油、气的负势梯度向泄水区偏转。又由于气的密度较油小,所以偏转角度要小一些。总体上油(气)水界面向水流下游方向倾斜,即是此原因。
油、气的力场强度可表述为:

1)在静水条件下:
![]()
此时油、气的力场强度可表述为:

可见,此条件下油、气的力场强度就是它们的静浮力(图6-33(a))。
2)在动水条件下:
![]()
此时油、气的力场强度可表述为:
![]()
可见,在动水条件下,油气的力场强度包括两部分,前一项相当于作用在单位质量油(气)质点上的水动力,后一项为净浮力。这与前面的受力分析结论完全一致。动水条件下,油、气、水的力场强度相互关系如图6-33(b)所示。虽然重力(g)相同,水压梯度(
p)方向也相同,但由于油、气、水密度不相同,结果其合力Ew、Eo、Eg的大小和方向都不相同。

图6-33 静水和动水中同一油气质点位置油气水势示意图(据陶一川,1983)
综上所述,从渗流力学的角度来讲,油气的势差是二次运移的动力源,油气总是自发从高势区向低势区渗流。油气在力场中受到的净浮力与水动力的合力,正是力场强度,它为油气渗流提供了具体动力和指向。
2.扩散模式
在含油气盆地中由烃浓度差产生的分子扩散流,其速率虽然比渗流要小几个数量级。但在漫长的地质时期中它无时无刻不在发生,几乎是不受任何限制永恒存在的作用,因此它仍是烃类运移中不可忽视的一种流动,特别是在超致密地层、封闭的超高压地层、低成熟烃源岩中,它甚至是烃类惟一的运移方式。分子扩散的动力是烃浓度差,因此烃源岩是烃类扩散的源头。烃类的扩散同样也经历了初次和二次运移的全过程,并最终到达地表而散失(图6-34)。李明诚教授把烃类从烃源岩扩散到运载层中的过程称为初次扩散,把从运载层扩散到圈闭或地表的过程称为二次扩散。初次和二次扩散同样也是一个连续发生的过程。人们一般对烃类从烃源岩向外的初次扩散和从气藏向外的二次扩散研究得比较多,而对发生在广大运载层系中的二次扩散研究比较少。此外,人们对分子扩散往往只注意到它起散失作用的一方面,而对它在烃类运聚上仍有积极贡献的一方面认识不足。轻烃的初次扩散属不稳态扩散,一般用费克第二定理来描述。根据初始条件不同,还可得相应扩散方程求得扩散量。

图6-34 天然气扩散模式图(据索科洛夫,1965)
1—游离气;2—溶解气;3—扩散气;4—渗透能力最低的岩层,其中a层比b层小