七、空气悬架

七、空气悬架

汽车悬架是连接车桥和车架的弹性传力装置,主要由弹性元件、减振器和导向装置等部分组成。弹性元件的作用是承受和传递垂直载荷,缓和及抑制不平路面所引起的冲击;减振器的作用是使振动迅速衰减,限制车身和车轮的振动;导向装置是用来传递纵向力、侧向力及其转矩,并保证车轮相对于车架或车身有一定的运动轨迹。

悬架系统还装配有横向稳定装置,以提高侧倾刚度。横向稳定装置主要由横向稳定杆、连接杆和支座组成。支座固定在车身上,稳定杆两端通过连杆与下摆臂相连。当车身只做垂直移动,两侧悬架变形相等时,横向稳定杆在支座的套筒内自由转动,横向稳定杆不起作用;当两侧悬架变形不等而车身相对于路面横向倾斜时,稳定杆一端向上运动,另一端向下运动,从而被扭转,其转矩阻止悬架弹簧的变形,减小了车身的侧倾运动,增加了整车的稳定性。

空气弹簧是在一个密封的橡胶容器中充入压缩空气,利用气体的可压缩性实现其弹性作用。当作用在弹簧上的载荷增加时,气体受压缩,气压升高,弹簧的刚度增大,反之,刚度减小。

空气悬架的空气流是由高度控制阀来调控的,如图3-24所示。连接在车桥和车架之间的控制杆随车桥的上下跳动决定着控制阀的开闭,控制气囊的补气和放气,以维持车桥和车架之间设定的高度。车桥与车架(或车身)之间的距离即悬架高度是由控制杆的长度调定的。如果悬架高度与标定值出现差异,可以通过改变控制杆的伸缩长度进行调节。

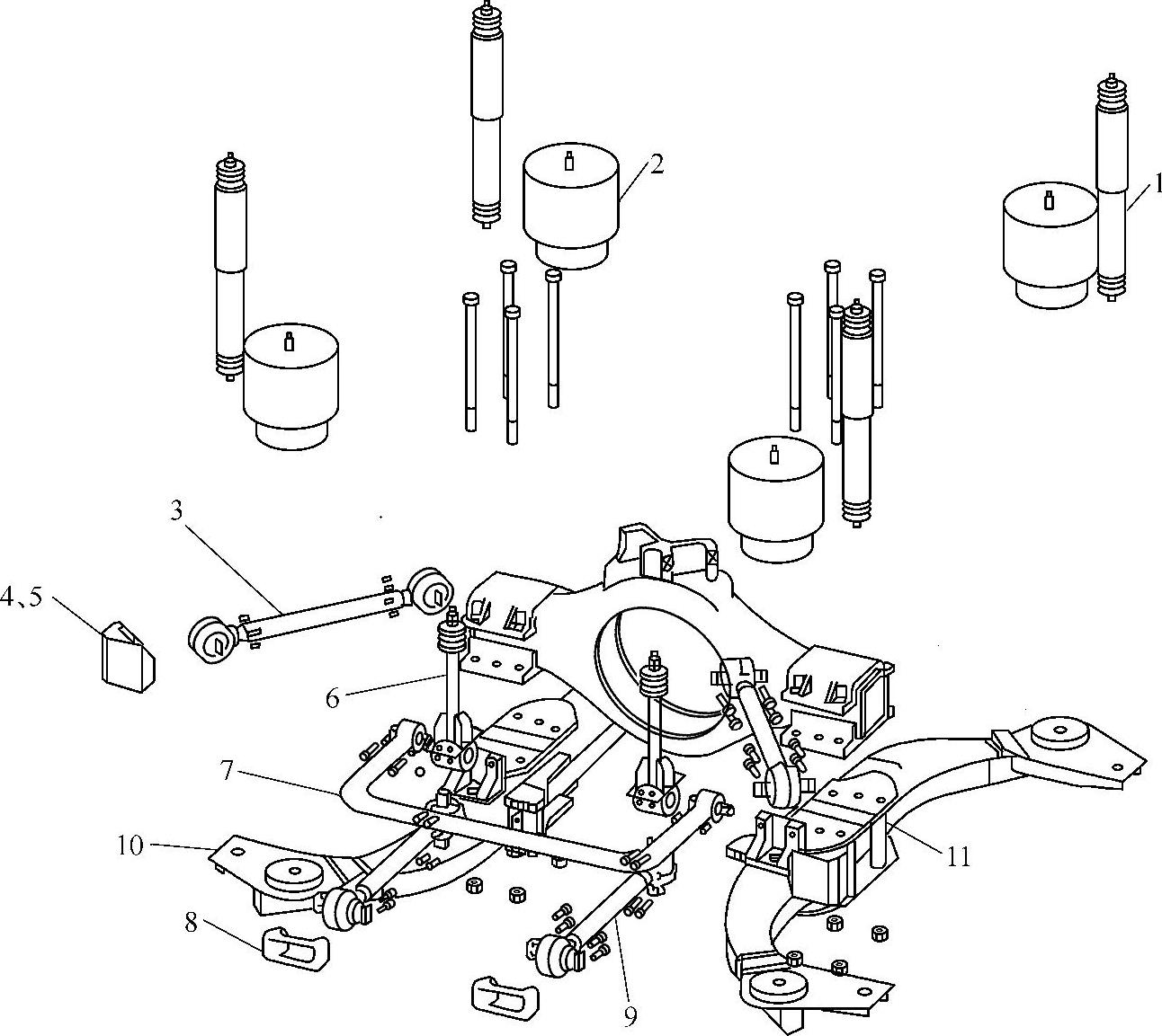
1.前空气悬架JR—65

XML6127J系列旅游客车前悬架系统选装中国公路车辆机械有限公司生产的JR—65空气悬架,其结构分解如图3-25所示。

1)前悬架技术数据见表3-46。

978-7-111-43435-1-Chapter03-72.jpg

图3-24 空气悬架示意图

表3-46 前悬架技术数据

978-7-111-43435-1-Chapter03-73.jpg

2)前悬架安装标准件拧紧转矩见表3-47。

978-7-111-43435-1-Chapter03-74.jpg

图3-25 JR—65空气悬架

1—减振器总成 2—吊杆总成 3—推力杆总成 4—稳定杆总成 5—推力杆车架支架(中) 6—推力杆车架支架(左) 7—推力杆车架支架(右) 8—吊杆衬套 9—横向推力杆车架支架 10—推力杆总成 11—气囊总成 12—推力杆车桥支座 13—吊杆支架 14—车桥支座压板

表3-47 前悬架安装标准件拧紧转矩

978-7-111-43435-1-Chapter03-75.jpg

2.后空气悬架JR—130

XML6127J系列旅游客车后悬架系统选装中国公路车辆机械有限公司生产的JR—130空气悬架,其结构分解如图3-26所示。

1)后悬架技术数据见表3-48。

978-7-111-43435-1-Chapter03-76.jpg

图3-26 JR—130空气悬架

1—减振器总成 2—气囊总成 3—推力杆总成 4—斜杆车架支架(左 )5—斜杆车架支架(右) 6—吊杆总成 7—稳定杆总成 8—纵杆车架支架 9—推力杆总成 10—C形梁总成(左) 11—C形梁总成(右)

表3-48 后悬架技术数据

978-7-111-43435-1-Chapter03-77.jpg

2)后悬架安装标准件拧紧转矩见表3-49。

表3-49 后悬架安装标准件拧紧转矩

978-7-111-43435-1-Chapter03-78.jpg

(续)

978-7-111-43435-1-Chapter03-79.jpg

3.正确使用

为保证空气悬架系统的正常使用,必须为空气悬架设立单独的储气罐,绝不允许与制动气路混用。空气弹簧总成的橡胶缓冲块,在管路泄漏或气囊被意外损坏时,可以形成橡胶垫支承,确保车辆以小于30km/h的速度行驶到最近的维修服务站。

空气悬架系统只有正确使用才能发挥其优越性能,在使用时,一定要做到:

1)车辆不许超载。即使在高速公路或一级公路等良好路面上行驶,超载也不能大于10%。

2)空气悬架系统的供气压力保持在0.61~0.75MPa之间。

3)空气悬架系统中的橡胶零部件禁止使用润滑油、润滑脂。

4)按要求进行周期维护。

4.定期检查项目

1)检查空气悬架系统的紧固件是否有松动的现象,重点检查U形螺栓、推力杆、高度阀、气囊总成、减振器、横向稳定杆及其吊杆的紧固件有无松动,发现松动应按规定转矩进行拧紧。

2)检查气路有无漏气现象。可用听、抹肥皂水的方法检查气囊顶板、高度阀、气路接口处及管路是否有漏气的现象,如发现有漏气的地方应紧固接头或应更换接头处的生胶带或更换接头,同时清理管路中的积水、积油及接头处的污物。

3)检查气囊外表面有无磨损、鼓包、划伤的地方。如果两个气囊都受一个高度阀控制,其中一个漏气,会导致另一个气囊泄气。

4)检查减振器有无漏油。减振器漏油通常是由外部损坏、焊接处开焊及油封损坏造成的,这时筒身表面会有明显浸湿的油膜或油封处渗漏油。若筒身表面只有部分油痕,而无明显浸湿油膜,则不是漏油。油痕主要是油封内油脂在高温时挥发所致。

5)检查推力杆球头的橡胶有无损坏,套管与球头铆接处有无松动,对于可调推力杆,检查卡箍处有没有松动,紧固螺栓有没有失效。

6)检查横向稳定杆球铰及其吊杆的橡胶衬套有没有损坏、移位。

7)如车辆在行驶中有异响,应重点检查推力杆、横向稳定杆的橡胶球铰有没有损坏,出现以下情况应进行更换,如橡胶表面出现裂纹,裂纹深度达到2mm,长度达到8mm;橡胶表面严重发粘、发脆或橡胶脱落;橡胶球铰可以在球头内孔内任意转动等。

5.常见故障分析及处理措施

1)气囊常见故障、原因分析和处理措施见表3-50。

表3-50 气囊常见故障、原因分析和处理措施

978-7-111-43435-1-Chapter03-80.jpg

(续)

978-7-111-43435-1-Chapter03-81.jpg

2)减振器常见故障、原因分析和处理措施见表3-51

表3-51 减振器常见故障、原因分析和处理措施

978-7-111-43435-1-Chapter03-82.jpg

(续)

978-7-111-43435-1-Chapter03-83.jpg

3)高度阀常见故障、原因分析和处理措施见表3-52。

表3-52 高度阀常见故障、原因分析和处理措施

978-7-111-43435-1-Chapter03-84.jpg

4)推力杆、横向稳定杆常见故障、原因分析和处理措施见表3-53。

表3-53 推力杆、横向稳定杆常见故障、原因分析和处理措施

978-7-111-43435-1-Chapter03-85.jpg

5)钢结构件常见故障、原因分析和处理措施见表3-54。

表3-54钢结构件常见故障、原因分析和处理措施

978-7-111-43435-1-Chapter03-86.jpg

6)悬架系统故障会导致车辆倾斜、后桥移位、行驶中异响等,其原因及处理措施见表3-55。

表3-55 悬架系统故障引发的车辆故障

978-7-111-43435-1-Chapter03-87.jpg

(续)

978-7-111-43435-1-Chapter03-88.jpg