三、电源设备

三、电源设备

1.蓄电池

蓄电池组采用两只180 A·h的蓄电池串联使用,型号为180 G51—MF。

电解液的密度随自身的温度变化而变化,因此将温度20℃作为参考温度。所以,测量电解液密度时,如果温度不是20℃,应将其换算为20℃时的等价值。温度转换公式为

S20=St+0.0007(t-20)

式中 S20——20℃时的密度,单位为g/cm3

St——测量温度下的密度,单位为g/cm3

t——测量时的温度,单位为℃;

0.0007——电解液的温度系数。

(1)蓄电池充电 应注意以下几点:

1)蓄电池充电时,应确保电解液的温度不高于45℃,否则应采取降温措施(减少充电电流、停止充电或放入水槽中冷却)。

2)蓄电池充电时,发生化学反应,产生易燃气体,因此一定要特别注意远离火源和通风良好。

3)电解液的容量必须在规定刻度内。蓄电池充满电时,在气温为20℃时,电解液的密度为1.250~1.280g/cm3

(2)清洁蓄电池

1)若蓄电池的接线柱脏污,可用冷水或温水冲洗。

2)在接线柱上涂少许润滑脂,防止生锈而导致接触不良。

3)车辆长期不用时,除应定期充电外,还需将正极拔掉,以免电池严重自放电。

(3)连接蓄电池电缆

1)牢固地夹紧电缆,防止电缆和蓄电池接线柱接触不良。

2)注意不要把(+)极和(-)极引线接反。

(4)蓄电池常见故障分析 蓄电池常见故障及原因分析见表3-73。

表3-73 蓄电池常见故障及原因分析

978-7-111-43435-1-Chapter03-140.jpg

2.发电机

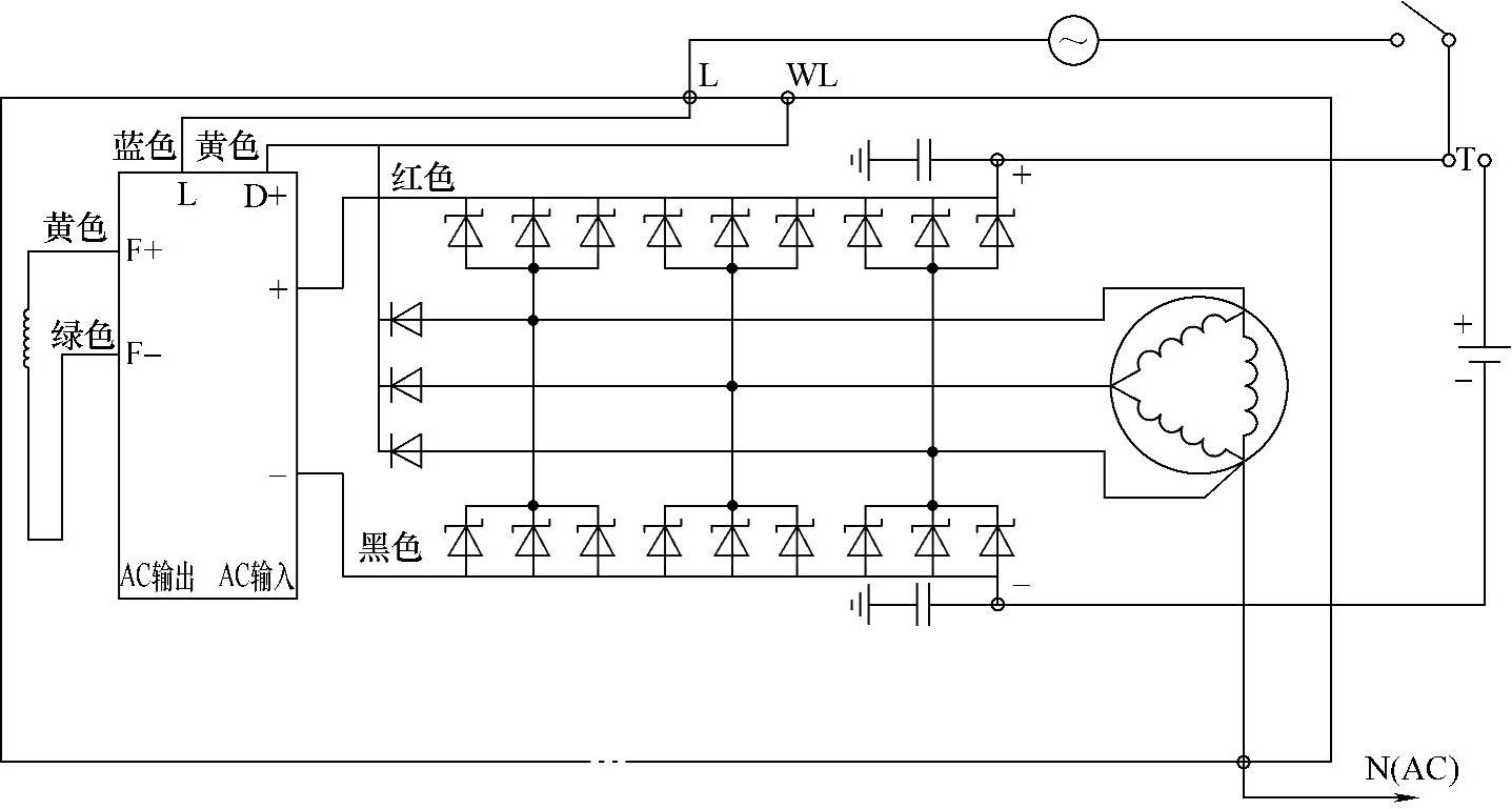
发电机工作原理如图3-55所示,图中符号含义为:

978-7-111-43435-1-Chapter03-141.jpg

图3-55 发电机工作原理图

1)“+”(B+)为发电机正极输出接线柱。

2)“WL”端子能提供5 A的输出用来控制辅助负载,可把充电指示灯接在“WL”与发电机正极之间,在这种情况下,指示灯不能提供增强的故障指示功能。

3)“L”(D+)端子具有增强的故障诊断功能,且能吸收一定的电流,此端子能驱动2W的指示灯与控制辅助电动机负载的继电器(线圈电阻最小为150 Ω)并联电路。

4)“N”为相输出,接转速表或继电器。

5)“-”(B-)为接地端。

发电机工作原理:

1)充电指示灯亮时,励磁绕组接通直流电源(该车型系列接L端),即被激励,转子的爪极被磁化为N极和S极。当转子旋转时,由于定子绕组与磁力线有相对的切割运动,所以在三相绕组中产生频率相同、幅值相等、相位相差120°的正弦电动势。

2)由18只硅整流二极管组成的三相桥式整流电路整流,输出较稳定的直流脉冲电压;3只励磁二极管供给励磁电流,利用充电指示灯可指示发电机的工作情况及控制负载的继电器。

3)在发电机开始发电时,由蓄电池提供励磁电流,输出电压随转速很快上升,充电指示灯亮,励磁方式为他励;当发电机输出电压高于蓄电池电压时,励磁电流由发电机自身供给,充电指示灯熄灭,励磁方式为自励。

发电机常见故障及原因分析见表3-74。

表3-74 发电机常见故障及原因分析

978-7-111-43435-1-Chapter03-142.jpg

(续)

978-7-111-43435-1-Chapter03-143.jpg